0

Разделы

Скачать Заказные данные 
Подключение

Существуют следующие версии соединительных деталей:

  • пара резьбовых фланцев G1/2 с уплотнением из нерж. стали
  • ниппель G1/2 форма V по DIN 19 207
  • накидная гайка GЅ из C 35 по DIN 16 284
  • рифленое уплотнительное кольцо BЅ по DIN 19 207

Для всех соединительных деталей имеется обезжиренное исполнение для кислорода.

 


Чертеж

Скачать Заказные данные 
Подключение

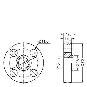
Резьбовой фланец, размеры в мм

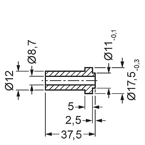
Ниппель G½, размеры в мм

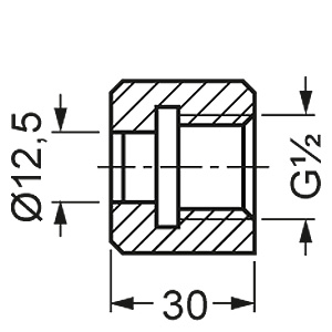
Накидная гайка G½, размеры в мм

Уплотнительное кольцо, размеры в мм

 


Заказные данные

Скачать Заказные данные 

Цена на сайте указана розничная в ЕВРО без учета НДС.Для уточнения цены и размера предоставляемой скидки - звоните или присылайте заявки

Заказной номерPGОписание продуктаЦена
7MF9007-4CA807Фланец с внутренней резьбой G1/2, прокладка из нерж. стали, кол-во - 2 шт. 60.10
7MF9007-4DA807Фланец с внутренней резьбой G1/2, прокладка из нерж. стали, исполнение для применения с кислородом, кол-во - 2 шт. 74.20
7MF9007-4KA807Ниппель G1/2, материал сталь 1.5415. 10.18
7MF9007-4LA807Ниппель G1/2, материал нерж. сталь 1.4517, исполнение для применения с кислородом. 19.61
7MF9007-4MA807Накидная гайка G1/2, материал сталь 1.1181. 4.45
7MF9007-4NA807Накидная гайка G1/2, материал нерж. сталь 1.4517, исполнение для применения с кислородом. 15.69
7MF9007-6BA807Рифлёное уплотнительное кольцо G1/2, материал нерж. сталь 1.4571. 3.39
7MF9007-6CA807Рифлёное уплотнительное кольцо G1/2, материал нерж. сталь 1.4571, исполнение для применения с кислородом. 12.30