0

Разделы

Скачать Заказные данные 
Подключения

Фитинги обеспечивают, например, переход от соединений измеряемого вещества с резьбой NPT на запорные вентили по DIN 16270 ... 16272 или на трубы в комбинации с резьбовым соединением (например, 7MF9008).

 


Дизайн

Скачать Заказные данные 
Подключения

Фитинги изготовлены из X 6 CrNiMoTi 17 12 2, материал Nr. 1.4571 и поставляются в 3 версиях:

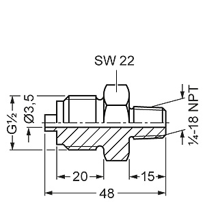
  • резьба ¼-18 NPT и соединительная цапфа G½ по DIN EN 837-1
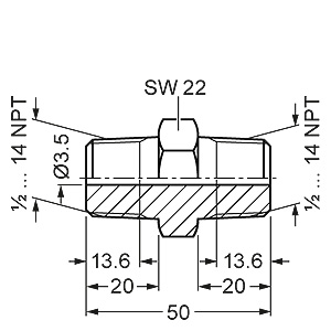
  • резьба ½-14 NPT и соединительная цапфа G½ по DIN EN 837-1
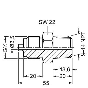
  • резьба ½-14 NPT и резьба ½-14 NPT

 


Чертеж

Скачать Заказные данные 
Подключения

Фитинг с резьбой ¼-18 NPT и соединительной цапфой G½, размеры в мм

Фитинг с резьбой ½--14 NPT и соединительной цапфой G½, размеры в мм

Фитинг с резьбой ½-14 NPT и резьбой ½-14 NPT, размеры в мм

 


Заказные данные

Скачать Заказные данные 

Цена на сайте указана розничная в ЕВРО без учета НДС.Для уточнения цены и размера предоставляемой скидки - звоните или присылайте заявки

Заказной номерPGОписание продуктаЦена
7MF9001-1AA807Адаптер-соединитель из нерж. стали 1.4571, вход - внешняя резьба G1/2, выход - внешняя резьба 1/4-18 NPT. 27.35
7MF9001-1CA807Адаптер-соединитель из нерж. стали 1.4571, вход - внешняя резьба G1/2, выход - внешняя резьба 1/2-14 NPT. 27.35
7MF9001-1DA807Адаптер-соединитель из нерж. стали 1.4571, вход - внешняя резьба 1/2-14 NPT, выход - внешняя резьба 1/2-14 NPT. 27.35
7MF9001-1EA807Адаптер-соединитель из нерж. стали 1.4571, вход - внешняя резьба М20*1,5, выход - внешняя резьба 1/2-14 NPT. 39.33