0

Разделы

Pointek LVS 200

Вибрационный сигнализатор предельного уровня Pointek LVS 200 регистрирует наличие или отсутствие сыпучих материалов в резервуарах, силосах или воронках.

 


Особенности

Pointek LVS 200
  • Высокая мехиническая стойкость
  • сильная вибрация подходит и для больших нагрузок
  • поворотный корпус
  • резьбовое соединение из нержавеющей стали1 12 дюйма
  • подходит для легкого материала (20 гд или 1,3 lbft3)
  • удлинители до 4000 мм (157 дюймов) по заказу клиента

 


Область применения

Pointek LVS 200

 

Вибрационный сигнализатор предельного уровня Pointek LVS 200 регистрирует наличие или отсутствие сыпучих материалов в резервуарах, силосах или бункерах. LVS 200 имеет сигнальный выход для индикации тревоги при достижении максимального или минимального уровня. Могут измеряться различные продукты к например известь, пенополистирол, мука и пластиковый гранулят. LVS 200 обеспечивает надежные результаты измерения даже для очень легких материалов с весом 20 гл (1,3 lbft3)

 

LVS 200 имеет компактный дизайн и может устанавливаться вертикально или сбоку. Вибрирующие элементы вызывают определенное самоочищение прибора от измеряемого материала.

 

Благодаря оригинальному дизайну и кристиллической структуре отсукакются неправильные значения измерения высоких уровней.

 

Вибрационный зонд, благодаря пьезоэлектрическому воздействию колеблется с механической резонансной частотой приблизительно в 125 Гц. Еслиь зонд покрыт материалом, то возникающее из-за этого глушение регистрируется электронно и через секундную задержку срабатывает соответствующий коммутационный выход. Как только вибрационный зонд освобождается от материала, колебания снова возобновляюся и реле возвращается в сове обычное состояние.

 


Технические данные

Pointek LVS 200

Принцип работы

 

Принцип измерения

Вибрационный сигнализатор предельного уровня

Вход

 

Измеряемая величина

Мин. и макс.

Выход

 

Выходной сигнал

 

задержка срабатывания реле

 около 1 сек. С момента прерывания вибрации

 1 до 2 сек. С сосента возобновления вибрации

 релейный failsafe

переключатель

 выход тревоги

 

Чувствительность

Мин. Или макс. Выбор через переключатель

Условия использования

 

Условия монтажа

 

 указания по монтажу

внутриснаружи

Внешние условия

 

 внешняя температура

-20 to +60 °C (-4 to +140 °F)

 класс защиты

IP 65 / Type 4 / NEMA 4

 категория монтажа

III

Свойства измеряемого вещества

Сыпучие вещества

 температура

-20 to +80 °C (-4 to +176 °F)

 давление (резервуар)

макс. 10 Бар (145psi) Европейское труководство по устройствам под давлением 9723ЕС категория 1

 мин. насыпной вес

20 гл (1,3lbft3)

 частота измерения

около 125 Гц

Конструктивные особенности

 

 материал

 

корпус

Алюминий с эпоксидным покрытием

сенсор

Нержавеющая сталь

 Подсоединение к процессу

Резьба 112 дюйма NP{T, R 112 дюйма DIN 2999 (коническая)

 Ввод кабеля

2 х М20 order 12 дюйма NPT

 Вес

около 1,9 кг + 2,5 кгм удлинительной трубки

Вспомогательная энергия

19 to 230 Vac, +10%, 50 to 60 Hz, 8 VA

DC 19 to 55 V, +10%, 1.5 W

АС 19 до 230 V, + 10%, 50 до 60 Гц, 8 VA или DC 19 до 55 V, + 10%, 1,5 W

Сертификаты и джопуски

FM/CSA Class II, Div. 1, Group E, F, G, Class III

CSAUS Class II, Div. 2, Class III

ATEX II 1/2 D (dust explosion)

CE

FMCSA класс II, Div. 1, группы E, F, G класс III

CSA класс II, Div. 2 класс III ATEX II 12 D (пылевзрывозащита) СЕ

Каталог оборудования 2014
Каталог продуктов Siemens Industry Приводная техника Техника автоматизации Системы автоматизации Системы визуализации SIMATIC HMI Системы идентификации Промышленные коммуникации SIMATIC NET Промышленные аппараты управления SIRIUS Промышленные информационные технологии Управление на базе РС Системы управления процессом Датчики Контрольно-измерительные приборы Измерительные преобразователи для давления Датчики давления Приборы измерения температуры SITRANS T Расходомеры Уровнемеры Сигнализатор уровня Емкостные Pointek CLS 100 Pointek CLS 200 Pointek CLS200 - цифровая версия Pointek CLS 300 Pointek CLS300 - цифровая версия Pointek CLS 500 SITRANS LVL100 SITRANS LVL200 SITRANS LVS100 Pointek LVS 200 Pointek LPS 200 Tilt Switches ISCS-1/STSa-1 Pointek ULS 200 Непрерывное измерение Средства коммуникации Расходомеры и счетчики Позиционеры Устройство для защиты и пуска двигателей SIMOCODE-DP Сигнализаторы сбоев в промышленном процессе Дополнительные компоненты Коммуникации и программное обеспечение Аппаратные ПИД-регуляторы SIPART Встраиваемые самописцы и индикаторы Анализаторы процесса Технологии взвешивания Блоки питания Продукты для специальных требований Автоматизация и безопасность зданий Низковольтная коммутационная техника Технология безопасности Системные решения и продукты для отраслей Сервис ... и все, что Вам еще необходимо

 


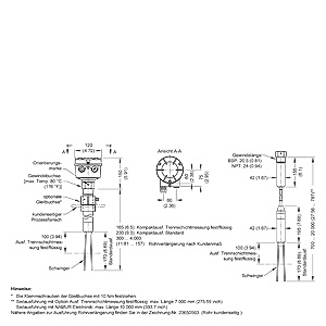
Чертеж

Pointek LVS 200

Размеры Pointek LVS 200

 


Схема подключения

Pointek LVS 200

Соединения Pointek LVS 200

 


Заказные данные

Цена на сайте указана розничная в ЕВРО без учета НДС.Для уточнения цены и размера предоставляемой скидки - звоните или присылайте заявки

Заказной номерPGОписание продуктаЦена
7ML5731-.....-....856SITRANS LVS 200: ВИБРАЦИОННЫЙ СИГНАЛИЗАТОР УРОВНЯ ДЛЯ СИГНАЛИЗАЦИИ MIN MAX СЫПУЧИХ МАТЕРИАЛОВ 485.48
7ML5732-.....-....856SITRANS LVS 200: ВИБРАЦИОННЫЙ СИГНАЛИЗАТОР, СИГНАЛИЗАЦИЯ ТВЕРДОЙ ФАЗЫ, ОСАДКОВ В ЖИДКОСТИ 598.90
7ML5733-.....-....856SITRANS LVS 200: ВИБРАЦИОННЫЙ СИГНАЛИЗАТОР УРОВНЯ ДЛЯ СИГНАЛИЗАЦИИ MIN MAX СЫПУЧИХ МАТЕРИАЛОВ, УДЛИНИТЕЛЬНАЯ ТРУБКА, РЕЗЬБОВОЕ ПРИСОЕДИНЕНИЕ 1 740.94
7ML5734-.....-....856SITRANS LPS200, ЭЛЕКТРОМЕХАНИЧЕСКИЙ СИГНАЛИЗАТОР УРОВНЯ, КАБЕЛЬНОЕ ИСПОЛНЕНИЕ, для сигнализации малых уровней. 694.30

 


Аксессуары

Цена на сайте указана розничная в ЕВРО без учета НДС.Для уточнения цены и размера предоставляемой скидки - звоните или присылайте заявки

Заказной номерPGОписание продуктаЦена
7ML1830-1JM8ZMмуфта скользящая, 2 BSP 215.18
7ML1830-1JN8ZMмуфта скользящая, 2 NPT 215.18
7ML1830-1KL8ZMЗАПАСНОЙ ЭЛЕКТРОННЫЙ МОДУЛЬ ДЛЯ POINTEK LVS200, 125 HZ, один релейный выход 222.60
7ML1830-1KM8ZMЗАПАСНОЙ ЭЛЕКТРОННЫЙ МОДУЛЬ ДЛЯ POINTEK LVS200, 350 HZ 222.60
7ML1998-5FT638ZMMANUAL,SITRANS LVS100/200 4-LANGUAGE 28.62