0

Разделы

Полупроводниковые реле 45 мм - Полупроводниковые реле

Полупроводниковые реле 45 мм - Полупроводниковые реле

Полупроводниковое реле с установочной шириной 45 мм

Полупроводниковые реле с установочной шириной 45 мм предусматривают подключение проводов электропитания и нагрузки сверху. Это облегчает замену ранее установленных полупроводниковых реле в существующих установках. Подключение кабелей управления также сберегает пространство, как и при реле исполнения 22.5 мм, так как выполняется очень просто.

Технические данные [PDF]

Загрузить PDF-файл.

Для просмотра информации в формате PDF необходимо установить Adobe Acrobat Reader.
Adobe Acrobat Reader

Технические данные

Дополнительную информацию Вы можете получить, нажав кнопку с этим символом.

Характеристика

Зависимость тока устройства Ie от температуры окружающей среды Ta

Тип тока 20 A (3RF21 20, 3RF20 20)

Тип тока 30 A (3RF21 30, 3RF20 30)

Тип тока 50 A (3RF21 50, 3RF20 50)

Тип тока 70 A (3RF21 70, 3RF20 70)

Тип тока 90 A (3RF21 90, 3RF20 90)

Пример расчета

Заданные условия: Ie = 20 A и Ta = 40 C. Задача состоит в том, чтобы определить тепловое сопротивление Rthha  и температуру перегрева радиатора dTha.

Из диаграммы слева → PM = 28 W,
из диаграммы справа → Rthha = 2.0 K/W.

В результате:

dT ha = Rthha × PM = 2.0 K/W × 28 W = 56 K.

При  dTha = 56 K радиатор должен поэтому иметь Rthha = 2.0 K/W.

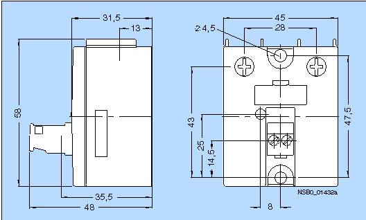
Чертеж

Винтовые зажимы

Схема подключения

Схемы подключения

Исполнение с напряжением управления постоянного (DC) тока

Исполнение с напряжением управления переменного (AC) тока

Пример подключения

Заказные данные

Заказной №ОписаниеВес (кг)ДоставкаМин. зак. (шт)
3RF2020-1AA02ПОЛУПРОВОДНИКОВОЕ РЕЛЕ 3RF2 МОНТАЖНАЯ ШИРИНА 45MM, 20A 24-230V / 24V DC ВИНТОВЫЕ ЗАЖИМЫ0.0853 - 5 недель (A)1
3RF2020-1AA04ПОЛУПРОВОДНИКОВОЕ РЕЛЕ 3RF2 МОНТАЖНАЯ ШИРИНА 45MM, 20A 230-460V / 24V DC ВИНТОВЫЕ ЗАЖИМЫ0.0853 - 5 недель (A)1
3RF2020-1AA22ПОЛУПРОВОДНИКОВОЕ РЕЛЕ 3RF2 МОНТАЖНАЯ ШИРИНА 45MM, 20A 24-230V / 110-230VAC ВИНТОВЫЕ ЗАЖИМЫ0.0854 - 6 недель (B)1
3RF2020-1AA24ПОЛУПРОВОДНИКОВОЕ РЕЛЕ 3RF2 МОНТАЖНАЯ ШИРИНА 45MM, 20A 230-460V / 110-230VAC ВИНТОВЫЕ ЗАЖИМЫ0.0853 - 5 недель (A)1
3RF2020-1AA42ПОЛУПРОВОДНИКОВОЕ РЕЛЕ 3RF2 CONSTRUCTION ШИРИНА 45 MM, 20 A 24-230 V / 4-30 V DC ВИНТ.КОНТАКТЫ0.0854 - 6 недель (B)1
3RF2020-1AA45ПОЛУПРОВОДНИКОВОЕ РЕЛЕ 3RF2 ШИРИНА 45MM, 20A 48-600V / 4-30V DC SCHRAUBANSCHLUSS SPERRSPANNUNG 1200V0.0854 - 6 недель (B)1
3RF2030-1AA02ПОЛУПРОВОДНИКОВОЕ РЕЛЕ 3RF2 МОНТАЖНАЯ ШИРИНА 45MM, 30A 24-230V / 24V DC ВИНТОВЫЕ ЗАЖИМЫ0.0854 - 6 недель (B)1
3RF2030-1AA04ПОЛУПРОВОДНИКОВОЕ РЕЛЕ 3RF2 МОНТАЖНАЯ ШИРИНА 45MM, 30A 230-460V / 24V DC ВИНТОВЫЕ ЗАЖИМЫ0.0853 - 5 недель (A)1
3RF2030-1AA06ПОЛУПРОВОДНИКОВОЕ РЕЛЕ 3RF2 МОНТАЖНАЯ ШИРИНА 45MM, 30A 400-600V / 24V DC ВИНТОВЫЕ ЗАЖИМЫ0.0854 - 6 недель (B)1
3RF2030-1AA22ПОЛУПРОВОДНИКОВОЕ РЕЛЕ 3RF2 МОНТАЖНАЯ ШИРИНА 45MM, 30A 24-230V / 110-230VAC ВИНТОВЫЕ ЗАЖИМЫ0.0854 - 6 недель (B)1
3RF2030-1AA24ПОЛУПРОВОДНИКОВОЕ РЕЛЕ 3RF2 МОНТАЖНАЯ ШИРИНА 45MM, 30A 230-460V / 110-230VAC ВИНТОВЫЕ ЗАЖИМЫ0.0854 - 6 недель (B)1
3RF2030-1AA26ПОЛУПРОВОДНИКОВОЕ РЕЛЕ 3RF2 МОНТАЖНАЯ ШИРИНА 45MM, 30A 400-600V / 110-230VAC ВИНТОВЫЕ ЗАЖИМЫ0.0854 - 6 недель (B)1
3RF2030-1AA42ПОЛУПРОВОДНИКОВОЕ РЕЛЕ 3RF2 CONSTRUCTION ШИРИНА 45 MM, 30 A 24-230 V / 4-30 V DC ВИНТ.КОНТАКТЫ0.0854 - 6 недель (B)1
3RF2030-1BA04ПОЛУПРОВОДНИКОВОЕ РЕЛЕ 3RF2 ШИРИНА 45 MM, 30 A 48-460 V / 24 V DC ВИНТ.ПОДСОЕДИНЕНИЕ ПОСТОЯННОЕ СОЕДИНЕНИЕ0.0854 - 6 недель (B)1
3RF2050-1AA02ПОЛУПРОВОДНИКОВОЕ РЕЛЕ 3RF2 МОНТАЖНАЯ ШИРИНА 45MM, 50A 24-230V / 24V DC ВИНТОВЫЕ ЗАЖИМЫ0.0853 - 5 недель (A)1
3RF2050-1AA04ПОЛУПРОВОДНИКОВОЕ РЕЛЕ 3RF2 МОНТАЖНАЯ ШИРИНА 45MM, 50A 230-460V / 24V DC ВИНТОВЫЕ ЗАЖИМЫ0.0853 - 5 недель (A)1
3RF2050-1AA06ПОЛУПРОВОДНИКОВОЕ РЕЛЕ 3RF2 МОНТАЖНАЯ ШИРИНА 45MM, 50A 400-600V / 24V DC ВИНТОВЫЕ ЗАЖИМЫ0.0854 - 6 недель (B)1
3RF2050-1AA22ПОЛУПРОВОДНИКОВОЕ РЕЛЕ 3RF2 МОНТАЖНАЯ ШИРИНА 45MM, 50A 24-230V / 110-230VAC ВИНТОВЫЕ ЗАЖИМЫ0.0854 - 6 недель (B)1
3RF2050-1AA24ПОЛУПРОВОДНИКОВОЕ РЕЛЕ 3RF2 МОНТАЖНАЯ ШИРИНА 45MM, 50A 230-460V / 110-230VAC ВИНТОВЫЕ ЗАЖИМЫ0.0854 - 6 недель (B)1
3RF2050-1AA26ПОЛУПРОВОДНИКОВОЕ РЕЛЕ 3RF2 МОНТАЖНАЯ ШИРИНА 45MM, 50A 400-600V / 110-230VAC ВИНТОВЫЕ ЗАЖИМЫ0.0854 - 6 недель (B)1
3RF2050-1AA44ПОЛУПРОВОДНИКОВОЕ РЕЛЕ 3RF2 ШИРИНА 45 MM, 50 A 48-460 V / 4-30 V DC ВИНТ.ПОДСОЕДИНЕНИЕ0.0854 - 6 недель (B)1
3RF2050-1AA45ПОЛУПРОВОДНИКОВОЕ РЕЛЕ 3RF2 ШИРИНА 45MM, 50A 48-600V / 4-30V DC SCHRAUBANSCHLUSS SPERRSPANNUNG 1200V0.0854 - 6 недель (B)1
3RF2050-4AA02SEMICONDUCTOR RELAY 3RF2 WIDTH 45MM, 50A 24-230V / 24V DC SCREW-TYPE TERMINAL SPRING-LOADED CONNECTOR0.0853 - 5 недель (A)1
3RF2070-1AA02ПОЛУПРОВОДНИКОВОЕ РЕЛЕ 3RF2 МОНТАЖНАЯ ШИРИНА 45MM, 70A 24-230V / 24V DC ВИНТОВЫЕ ЗАЖИМЫ0.0854 - 6 недель (B)1
3RF2070-1AA04ПОЛУПРОВОДНИКОВОЕ РЕЛЕ 3RF2 МОНТАЖНАЯ ШИРИНА 45MM, 70A 230-460V / 24V DC ВИНТОВЫЕ ЗАЖИМЫ0.0854 - 6 недель (B)1
3RF2070-1AA06ПОЛУПРОВОДНИКОВОЕ РЕЛЕ 3RF2 МОНТАЖНАЯ ШИРИНА 45MM, 70A 400-600V / 24V DC ВИНТОВЫЕ ЗАЖИМЫ0.0854 - 6 недель (B)1
3RF2070-1AA22ПОЛУПРОВОДНИКОВОЕ РЕЛЕ 3RF2 МОНТАЖНАЯ ШИРИНА 45MM, 70A 24-230V / 110-230VAC ВИНТОВЫЕ ЗАЖИМЫ0.0854 - 6 недель (B)1
3RF2070-1AA24ПОЛУПРОВОДНИКОВОЕ РЕЛЕ 3RF2 МОНТАЖНАЯ ШИРИНА 45MM, 70A 230-460V / 110-230VAC ВИНТОВЫЕ ЗАЖИМЫ0.0854 - 6 недель (B)1
3RF2070-1AA26ПОЛУПРОВОДНИКОВОЕ РЕЛЕ 3RF2 МОНТАЖНАЯ ШИРИНА 45MM, 70A 400-600V / 110-230VAC ВИНТОВЫЕ ЗАЖИМЫ0.0854 - 6 недель (B)1
3RF2070-1AA45ПОЛУПРОВОДНИКОВОЕ РЕЛЕ 3RF2 ШИРИНА 45 MM, 70 A 48-600V / 4-30V DC ВИНТ.ПОДСОЕДИНЕНИЕ BLOCKING VOLTAGE 1200V0.0854 - 6 недель (B)1
3RF2090-1AA02ПОЛУПРОВОДНИКОВОЕ РЕЛЕ 3RF2 МОНТАЖНАЯ ШИРИНА 45MM, 90A 24-230V / 24V DC ВИНТОВЫЕ ЗАЖИМЫ0.0854 - 6 недель (B)1
3RF2090-1AA04ПОЛУПРОВОДНИКОВОЕ РЕЛЕ 3RF2 МОНТАЖНАЯ ШИРИНА 45MM, 90A 230-460V / 24V DC ВИНТОВЫЕ ЗАЖИМЫ0.0853 - 5 недель (A)1
3RF2090-1AA06ПОЛУПРОВОДНИКОВОЕ РЕЛЕ 3RF2 МОНТАЖНАЯ ШИРИНА 45MM, 90A 400-600V / 24V DC ВИНТОВЫЕ ЗАЖИМЫ0.0854 - 6 недель (B)1
3RF2090-1AA22ПОЛУПРОВОДНИКОВОЕ РЕЛЕ 3RF2 МОНТАЖНАЯ ШИРИНА 45MM, 90A 24-230V / 110-230VAC ВИНТОВЫЕ ЗАЖИМЫ0.0854 - 6 недель (B)1
3RF2090-1AA24ПОЛУПРОВОДНИКОВОЕ РЕЛЕ 3RF2 МОНТАЖНАЯ ШИРИНА 45MM, 90A 230-460V / 110-230VAC ВИНТОВЫЕ ЗАЖИМЫ0.0854 - 6 недель (B)1
3RF2090-1AA26ПОЛУПРОВОДНИКОВОЕ РЕЛЕ 3RF2 МОНТАЖНАЯ ШИРИНА 45MM, 90A 400-600V / 110-230VAC ВИНТОВЫЕ ЗАЖИМЫ0.0854 - 6 недель (B)1
3RF2090-1AA45ПОЛУПРОВОДНИКОВОЕ РЕЛЕ 3RF2 ШИРИНА 45MM, 90A 48-600V / 4-30V DC SCHRAUBANSCHLUSS SPERRSPANNUNG 1200V0.0854 - 6 недель (B)1

Аксессуары

Заказной №ОписаниеВес (кг)ДоставкаМин. зак. (шт)
3RT1900-1SB10ИДЕНТИФИКАЦИОННАЯ ТАБЛИЧКА 10X7 MM БИРЮЗОВЫЙ ЦВЕТ УПАКОВКА С 17 РАМК. 48 ТАБЛИЧЕК НА РАМКУ = 816 ТАБЛИЧЕК24по запросу (D)816
3RT1900-1SB20ИДЕНТИФИКАЦИОННАЯ ТАБЛИЧКА 20X7 MM БИРЮЗОВЫЙ ЦВЕТ УПАКОВКА С 17 РАМК. 20 ТАБЛИЧЕК НА РАМКУ = 340 ТАБЛИЧЕК (ПРЕДПОЧТИТЕЛЬНЫЙ ТИП)226 - 8 недель (C)340
3RT1900-1SB60LABEL SHEETS 6X19 MM УПАКОВКА = 10 SHEET = 4700 ТАБЛИЧЕК, ЛАЗЕРНАЯ ФОЛЬГА15по запросу (D)3060
3RT1900-1SD60НАКЛЕИВАЮЩИЕСЯ ПЛАСТИНЫ 19 X 6 ЦИНКОВЫЕ ЖЕЛТЫЕ УПАКОВКА = 10 ЛИСТОВ = 4700 МЕТОК,126 - 8 недель (C)3060