0

Разделы

Последовательное включение для повышения напряжения
Последовательной подключение для повышения напряжения

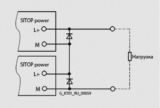
Для получения на нагрузке напряжения 48 В DC, могут быть соединены последовательно два блока питания SITOP power одинакового типа с SELV (safety extra low voltage) выходным напряжением по EN 60950. Максимально допустимо 60 В DC как SELV (безопасное экстра низкое напряжение) по EN 60 950; таким образом два блока SITOP power подстраиваемые до 28.8 В могут быть соединены последовательно.

Выходы SITOP power L+ и M (земля) изолированы от PE по крайней мере, до 60 В DC (расстояние утечки по поверхности диэлектрика и наличие емкости L+ и M относительно PE), для того, чтобы остальные точки могли произвольно быть заземлены с этим типом последовательного соединения:

Точка M нижнего SITOP power (обеспечивает + 48 В DC относительно PE)

Средняя точка M/L+ между двумя SITOP power (обеспечивает ± 24 В относительно PE)

Точка L+ верхнего SITOP power (обеспечивает - 48 В DC относительно PE)

 

Диоды V1 и V2 служат для того, чтобы защитить выходной конденсатор в блоке SITOP power от обратного напряжения EMF при > 1 В.

Так как время нарастания не совсем одинаково (даже когда для включения используется общий выключатель питания, различие при стартовой задержке обычно составляет 10 мс), ток из выхода L+ к выходу M более быстрого блока питания SITOP power приводит к недопустимому изменению заряда выходной электрической емкости медленного блока.

Насчет внутренних LC фильтров, внутренний выпрямительный диод на вторичной стороне блока SITOP power с более медленным временем нарастания получает этот ток на несколько миллисекунд позже; поэтому не может обойтись без внешнего диода в блоке SITOP power с анодом в M и катодом в L+.

Однако, эти диоды используются только динамически 8.3 мс волны номинального тока (указанного в технических характеристиках подходящих диодов) который служит основанием для проектирования, охлаждение диодов теплоотводом обычно не требуется.

Пример:

Два однофазных блока SITOP power с 20 A номинальным выходным соединяются последовательно для увеличения напряжения. Они обеспечивают примерно 36 A динамически 2 с на протяжении пускового короткого замыкания (или, например, нагрузка с высоким значением входной емкости которая представляет мгновенное короткое замыкание ).

Подходящие типы диодов V1 и V2, например, SB 340 (диод Шотки в корпусе с аксиальными выводами).

Форма DO-201AD с диаметром приблизительно 5.3 мм и длинной корпуса примерно 9.5 мм.

Допустимое обратное напряжение 40 В; установившийся номинал DC IF AV = 3 A; динамический номинальный ток волны IF SM, важным в этом выборе, является более чем 100 A для 8.3 мс и адекватность SITOP power 20.

Этот диод1) может также использоваться для источников SITOP power с более низким номинальным выходным током, хотя это будет сверх необходимого.

Изготовитель: General Instrument

Поставщик: например, RS Components Spoerle

 

1) Мы не обеспечиваем гарантию этой рекомендации.