0

Разделы

Поворотный привод - Принадлежности

Поворотный привод - Принадлежности

Дверные поворотные приводы

Силовые автоматические выключатели с поворотным приводом могут встраиваться в коммутационный шкаф и управляться снаружи дверным поворотным приводом.
При закрывании двери коммутационного шкафа привод входит в зацепление с автоматом. Когда силовой автоматический выключатель включается, соединительный элемент осуществляет блокировку и предотвращает случайное открывание двери. Обслуживающий персонал может снять эту блокировку. В отключенном положении поворотный привод может быть предохранен от повторного включения тремя висячими замками. При этом случайное открытие двери тоже невозможно.

Дверной поворотный привод 3RV19 26-0K

Дверной поворотный привод  для сложных условий эксплуатации 3RV19 26-2B

Дистанционные моторные приводы

Силовые автоматические выключатели 3RV1 - это коммутационные аппараты с ручным управлением. Они отключаются при перегрузке и коротком замыкании. Возможно преднамеренное дистанционное расцепление при помощи независимого расцепителя или минимального расцепителя. Однако повторное включение может производиться только непосредственно на силовом автоматическом выключателе.
При помощи моторного привода эти выключатели могут включаться и отключаться электрическими командами. Благодаря этому возможно отключение потребителя или установки от сети и повторное включение с пульта управления.
Моторный привод поставляется для силовых автоматических выключателей типоразмера S2 ('птах. = 50А)и83(/птах.= 100А)на управляющие напряжения АС 230 В и DC 24 В. Силовой автоматический выключатель вставляется в дистанционный моторный привод, как показано на обзорном чертеже.
Силовой автоматический выключатель с дистанционным моторным приводом в положении „MANUAL" может коммутироваться на месте. В положении „AUTOMATIC" силовой автоматический выключатель коммутируется по электрическим командам. Минимальная длительность команд на коммутацию должна быть не менее 100 мс. Дистанционный моторный привод включает силовой автоматический выключатель
максимум за 1 секунду. При исчезновении напряжения в процессе коммутации силовой автоматический выключатель гарантированно остается во включенном или, соответственно, в отключенном состоянии.
Функция возврата в исходное состояние
Кнопка RESET, находящаяся на приводе с двигателем, служит для возврата в исходное состояние сигнального выключателя 3RV19 21-1М, если он установлен.

Технические данные [PDF]

Загрузить PDF-файл.

Для просмотра информации в формате PDF необходимо установить Adobe Acrobat Reader.
Adobe Acrobat Reader

Технические данные

Дополнительную информацию Вы можете получить, нажав кнопку с этим символом.

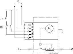
Схема подключения

Примеры схем включения

Автоматический выключетель 3RV1 с дистанционным приводом 3RV19 36/3RV19 46

Заказные данные

Заказной №ОписаниеВес (кг)ДоставкаМин. зак. (шт)
3RV1926-0BДВЕРНОЙ ПОВОРОТНЫЙ ПРИВОД, IP55, ТИПОРАЗМЕР S0..S30.1113 - 5 недель (P)1
3RV1926-0CДВЕРНОЙ ПОВОРОТНЫЙ ПРИВОД, IP55, АВАРИЙНЫЙ, ТИПОРАЗМЕР S0..S30.113 - 5 недель (P)1
3RV1926-0KДВЕРНОЙ ПОВОРОТНЫЙ ПРИВОД IP55, ДЛЯ АВТОМАТИЧЕСКОГО ВЫКЛЮЧАТЕЛЯ ТИПОРАЗМЕР S0..S3, BLACK, 330 MM ШТОК0.3243 - 5 недель (P)1
3RV1926-0LДВЕРНОЙ ПОВОРОТНЫЙ ПРИВОД IP55, АВАРИЙНЫЙ, ТИПОРАЗМЕР S0..S3, 330 MM ШТОК0.3163 - 5 недель (P)1
3RV1926-2BПРИВОД НА ДВЕРЬ ДЛЯ ВЫКЛЮЧАТЕЛЕЙ РАЗМ. S0, РУКОЯТКА СЕРАЯ1.183 - 5 недель (P)1
3RV1926-2CПРИВОД НА ДВЕРЬ ДЛЯ ВЫКЛЮЧАТЕЛЕЙ РАЗМ. S0, РУКОЯТКА АВАРИИЙНОГО ОСТАНОВА1.1883 - 5 недель (P)1
3RV1936-2BДВЕРНОЙ ПОВОРОТНЫЙ ПРИВОД ДЛЯ АВТОМАТИЧЕСКИХ ВЫКЛЮЧАТЕЛЕЙ ТИПОРАЗМЕР S2 РУКОЯТКА СЕРАЯ1.573 - 5 недель (P)1
3RV1936-2CДВЕРНОЙ ПОВОРОТНЫЙ ПРИВОД ДЛЯ АВТОМАТИЧЕСКИХ ВЫКЛЮЧАТЕЛЕЙ ТИПОРАЗМЕР S2 РУКОЯТКА АВАРИЙНЫЙ ОСТАНОВ1.4863 - 5 недель (P)1
3RV1936-3AB4МОТОРНЫЙ ПРИВОД ДЛЯ ДИСТАНЦИОННОГО УПРАВЛЕНИЯ АВТОМАТИЧЕСКИМ ВЫКЛЮЧАТЕЛЕМ, ТИПОРАЗМЕР S2, DC 24 V3.424 - 6 недель (B)1
3RV1936-3AP0МОТОРНЫЙ ПРИВОД ДЛЯ ДИСТАНЦИОННОГО УПРАВЛЕНИЯ АВТОМАТИЧЕСКИМ ВЫКЛЮЧАТЕЛЕМ, ТИПОРАЗМЕР S2, AC 230 V 50 ГЦ3.524 - 6 недель (B)1
3RV1946-2BПРИВОД НА ДВЕРЬ ДЛЯ ВЫКЛЮЧАТЕЛЕЙ РАЗМ. S3, РУКОЯТКА СЕРАЯ1.7223 - 5 недель (P)1
3RV1946-2CПРИВОД НА ДВЕРЬ ДЛЯ ВЫКЛЮЧАТЕЛЕЙ РАЗМ. S3, РУКОЯТКА АВАРИИЙНОГО ОСТАНОВА1.7323 - 5 недель (P)1
3RV1946-3AB4МОТОРНЫЙ ПРИВОД ДЛЯ ДИСТАНЦИОННОГО УПРАВЛЕНИЯ АВТОМАТИЧЕСКИМ ВЫКЛЮЧАТЕЛЕМ, ТИПОРАЗМЕР S3, DC 24 V3.3574 - 6 недель (B)1
3RV1946-3AP0МОТОРНЫЙ ПРИВОД ДЛЯ ДИСТАНЦИОННОГО УПРАВЛЕНИЯ АВТОМАТИЧЕСКИМ ВЫКЛЮЧАТЕЛЕМ, AC 230 V 50 ГЦ3.4414 - 6 недель (B)1