0

Разделы

Скачать Заказные данные Скачать Заказные данные 
Преобразователь сигнала MAGFLO MAG 6000 I/6000 Industry/Ex d

Измерительный преобразователь SITRANS F M MAGFLO MAG 6000 Industrie/Ex d сконструирован для специальных требований технологической промышленности. Прочный корпус из алюминиевого литья под давлением обеспечивает отличную защиту даже в самых тяжелых промышленных условиях. Полная входная и выходная функциональность сохраняется и для Ex-версии.

 


Особенности

Скачать Заказные данные Скачать Заказные данные 
Преобразователь сигнала MAGFLO MAG 6000 I/6000 Industry/Ex d
  • весь спектр расходомеров с допуском по ATEX с искробезопасными входами и выходами
  • для компактного и раздельного монтажа
  • имеются дополнительные модули для коммуникации через HART, PROFIBUS PA/DP, MODBUS RTU/RS 485, CANopen или DeviceNet
  • наилучшее разрешение сигнала для оптимального динамического диапазона
  • цифровая обработка сигнала с множеством возможностей
  • простой ввод в эксплуатацию через автоматическое считывание данных, сохраненных в SENSORPROM
  • конфигурируемое пользователем меню управления с защитой паролем
    • индикация с 3 строками по 20 знаков каждая на 11 языках
    • скорость расхода в различных единицах
    • счетчик для прямого / отока и расхода, а также много другой и информации
  • универсальные функциональные выходы для управления процессом , мин. конфигурация с аналоговыми,   имульсными /частотными и релейными выходами (cостояние, направление потока, предельные значения ) 
  • расширенная самодиагностика для определения и записи ошибок
  • управление дозировкой

 

 

 


Дизайн

Скачать Заказные данные Скачать Заказные данные 
Преобразователь сигнала MAGFLO MAG 6000 I/6000 Industry/Ex d

Измерительный перобразователь подходит как для компактного, так и для раздельного монтажа в опасных и безопасных зонах.

 


Функции

Скачать Заказные данные Скачать Заказные данные 
Преобразователь сигнала MAGFLO MAG 6000 I/6000 Industry/Ex d

Доступны следующие функции:

  • скорость расхода
  • 2 диапазона измерения
  • 2 счетчика 
  • отключение при слишком низком расходе
  • направление протока
  • система ошибок
  • время работы
  • прямой и реверсивный расход
  • конечный выключатель и импульсный выход
  • управление дозировкой

Магнитно-индуктивный расходомер в общем и целом состоит из магнитно-непроводимой измерительной трубки с электрически- непроводимой поверхностью, диаметрально смонтированной на трубе, последовательно подключенных катушек возбуждения и минимум 2-х электродов, которые через стенку трубы контактируют с измеряемым веществом. Обтекаемые током катушки возбуждения создают пульсирующее электромагнитное поле с магнитной индукцией В перпендикулярно к оси трубы.

Это магнитное поле пронизывает магнитно-непроводимую измерительную трубку и протекающее в ней измеряемое вещество, которое должно иметь минимальную электрическую проводимость.

В соответствии с законом электромагнитной индукции Фарадея в электропроводимом измеряемом веществе создается напряжение UM , пропорциональное скорости протока v измеряемого вещества, магнитной индукции B и интервалу электродов d (внутренний диаметр трубопровода).

Напряжение сигнала UM снимается электродами, находящимися в контакте с измеряемым веществом, и проводится через изолирующую станку трубы. Пропорциональное скорости протока напряжение сигнала UM преобразуется соответствующим  измерительным преобразователем в подходящие стандартные сигналы, к примеру 4 до 20 мА.

 


Технические данные

Скачать Заказные данные Скачать Заказные данные 
Преобразователь сигнала MAGFLO MAG 6000 I/6000 Industry/Ex d

Режим работы и конструкция

 

Принцип измерения

магнитно-индуктивный с пульсирующим постоянным полем

Пустая труба

определение опорожнения трубы(отдельном монтаже необходим специальный кабель)

Установка нулевой точки

а томатически

Частота возбуждения

Размер измерительного датчика зависит от пульсирующего тока (125 мА )

Полное входное сопротивление электродов

> 1 x 1014 Ω

Вход

 

Цифровойвход

DC 11 ... 30 V, Ri = 4.4 kΩ

  • время активации

50 мсек

  • ток

IDC 11 V = 2.5 mA, IDC 30 V = 7 mA

Выход

 

Выход тока

 

  • диапазон сигнала

0 ... 20 mA or 4 ... 20 mA

  • нагрузка

< 800 Ω

Цифровой выход

 

  • частота

0 … 10 kHz, 50% нагрузочный цикл (одно/двунаправленный )

  • постоянная времени

0.1 … 30 сек , настраиваемая

  • импульс (активный) (не Ex-версия )

DC 24 V, 30 mA, 1 kΩ ≤ Ri ≤ 10 kΩ, защита от короткого замыкания (от расходомера)

  • импульс (пассивный)

DC 3 … 30 V, макс 110 mA (30 mA Ex-версия), 200 Ω ≤ Ri ≤ 10 kΩ (от подключенного прибора)

  • постоянная времени

0.1 … 30 сек., настраиваемая

Релейный выход

 

  • постоянная времени

реле переключения, как выход тока

  • нагрузка

AC 42 V/2 A, DC 24 V/1 A

Отключение при слишком низкомрасходе

0 … 9.9% от макс . расхода

Гальваническое разделение

Все входы и выходы имеютгальваническое разделение

Макс. погрешность измерения

 

  • MAG 6000

0.25% от измеренного значения

Рабочиеусловия

 

Окружающая температура

 

  • работы

-20 … +60 °C (-4 … +140 °F)

  • хранение

-40 … +70 °C (-40 … +185 °F)

Вибропрочность

18 … 1000 Гц любая, 3,17 гр эффективная, синусоидальная во всех направлениях по IEC 68-2-36

Класс защиты

IP67/NEMA 4X по IEC 529 и DIN 40050 (1 mH 2 O 30 мин.)

Характеристика ЭМС

EN 61326

Элементы индикации и управления

 

Счетчики

Два 8-значных счетчика для расхода вперед, нетто и назад

Индикация

Фоновая подсветка с алфавитно-цифровым текстом, 3 x 20 знаков для индикации скорости расхода, подсчитанных значений, установок и ошибок. Обратный расход индицируется через знак минус.

Клавиатура

Емкостная пленочная клавиатура с индикацией через СИД или квитированием

Постоянная времени

постоянная времени как постоянная времени выхода тока

Конструкция

 

Материал корпуса

алюминиевое литье под давлением окрашенный

  • монтаж на стену

держатель для монтажа на стену для раздельной версии входит в объем поставки

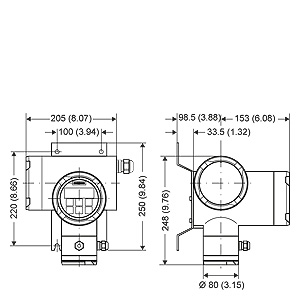
Габаритные чертежи

см. габаритные чертежи

Вес

см. габаритные чертежи

Питание

  • AC 115 … 230 V +10%/-15%, 50 … 60 Hz VA 8
  • DC 18 … 30 V, 8 W

Расход тока

  • AC 230 V: 8 VA
  • DC 24 V: 6 W, IN = 300 mA, IST = 8 A (30 мсек)

Сертификаты и допуски

Ex-версия

CE, C-Tick; FM-Klasse 1, div 2 (зависимо)

SIRA 03 ATEX 1503X,EEx d e [ia]ia [ib]ib IIBT6

 

Коммуникация

Ex-версия

HART,  MODBUS RTU/RS 485, PROFIBUS DP, CANopen иDeviceNet как доп. модулиHART, PROFIBUS PA доступны как конструкции со строеннойверсией

 

 

 


Чертеж

Скачать Заказные данные Скачать Заказные данные 
Преобразователь сигнала MAGFLO MAG 6000 I/6000 Industry/Ex d

 


Схема подключения

Скачать Заказные данные Скачать Заказные данные 
Преобразователь сигнала MAGFLO MAG 6000 I/6000 Industry/Ex d

 


Заказные данные

Скачать Заказные данные Скачать Заказные данные 

Цена на сайте указана розничная в ЕВРО без учета НДС.Для уточнения цены и размера предоставляемой скидки - звоните или присылайте заявки

Заказной номерPGОписание продуктаЦена
7ME693.-.....-....833Преобразователь электромагнитного расходомера MAG 6000 INDUSTRY 1707.66
FDK:085U0237833ADD-ON MODULE PROFIBUS DP PROFILE 3. 371.00
FDK:085U0321833HART MODUL INDUSTRY MAG 184.44

 


Аксессуары

Скачать Заказные данные Скачать Заказные данные 

Цена на сайте указана розничная в ЕВРО без учета НДС.Для уточнения цены и размера предоставляемой скидки - звоните или присылайте заявки

Заказной номерPGОписание продуктаЦена
7ME5933-0AC01843ELECTRONICS COVER F M / F US, WITH GLASPLATE, INCLUSIVE GASKET 208.82
7ME5933-0AC02843КРЫШКА ДЛЯ МОНТАЖНОЙ ПЛАТЫ, ВКЛЮЧАЯ МОНТАЖНЫЙ РАЗЪЕМ 65.72
7ME5933-0AC03843COVER FOR CONNECTION BOARD (POWER SUPPLY AND OUTPUT), INCLUSIVE GASKET 166.42
7ME5933-0AC04843КОМПЛЕКТ ДЛЯ НАСТЕННОГО МОНТАЖА ДЛЯ INTERMAG 2 И F US 92.22
7ME5933-0AC05843КОМПЛЕКТ ДЛЯ НАСТЕННОГО МОНТАЖА И МОНТАЖА НА ТРУБЕ, ДЛЯ INTERMAG 2 И F US 115.54
7ME5933-0AC06843РАЗЪЕМ БЕЗОПАСНОСТИ INTERMAG 2 И F US 59.36
A5E0118164783310M.(33FT)CABLE KIT WITH STANDARD COIL CABLE, 3 X 1.5 MM2/ 18 GAGE WITH SHIELD PVC AND ELECTRODE CABLE DOUBLE SHIELDED, 3 X 0.25 MM2 124.02
A5E0118165683320M.(65FT)CABLE KIT WITH STANDARD COIL CABLE, 3 X 1.5 MM2/ 18 GAGE WITH SHIELD PVC AND ELECTRODE CABLE DOUBLE SHIELDED, 3 X 0.25 MM2 248.04
A5E0118168683340M.(130FT)CABLE KIT WITH STANDARD COIL CABLE, 3 X 1.5 MM2/ 18 GAGE WITH SHIELD PVC AND ELECTRODE CABLE DOUBLE SHIELDED, 3 X 0.25 MM2 495.02
A5E0118168983360M.(200FT)CABLE KIT WITH STANDARD COIL CABLE, 3 X 1.5 MM2/ 18 GAGE WITH SHIELD PVC AND ELECTRODE CABLE DOUBLE SHIELDED, 3 X 0.25 MM2 745.18
A5E01181691833100M.(330FT)CABLE KIT WITH STANDARD COIL CABLE, 3 X 1.5 MM2/ 18 GAGE WITH SHIELD PVC AND ELECTRODE CABLE DOUBLE SHIELDED, 3 X 0.25 MM2 1242.32
A5E01181699833150M.(500FT)CABLE KIT WITH STANDARD COIL CABLE, 3 X 1.5 MM2/ 18 GAGE WITH SHIELD PVC AND ELECTRODE CABLE DOUBLE SHIELDED, 3 X 0.25 MM2 1863.48
A5E01181703833200M.(650FT)CABLE KIT WITH STANDARD COIL CABLE, 3 X 1.5 MM2/ 18 GAGE WITH SHIELD PVC AND ELECTRODE CABLE DOUBLE SHIELDED, 3 X 0.25 MM2 2485.70
A5E01181705833500M.(1640FT)CABLE KIT WITH STANDARD COIL CABLE, 3 X 1.5 MM2/ 18 GAGE WITH SHIELD PVC AND ELECTRODE CABLE DOUBLE SHIELDED, 3 X 0.25 MM2 4994.72
A5E022963298332X5M(16FT)CABLE KIT WITH STANDARD COIL CABLE, 3 X 1.5 MM2/ 18 GAGE WITH SHIELD PVC AND ELECTRODE CABLE DOUBLE SHIELDED, 3 X 0.25 MM2 63.60
A5E022964648332X15M(49FT)CABLE KIT WITH STANDARD COIL CABLE, 3 X 1.5 MM2/ 18 GAGE WITH SHIELD PVC AND ELECTRODE CABLE DOUBLE SHIELDED, 3 X 0.25 MM2 187.62
A5E022964908332X25M(82FT)CABLE KIT WITH STANDARD COIL CABLE, 3 X 1.5 MM2/ 18 GAGE WITH SHIELD PVC AND ELECTRODE CABLE DOUBLE SHIELDED, 3 X 0.25 MM2 312.70
A5E022964948332X30M(98FT)CABLE KIT WITH STANDARD COIL CABLE, 3 X 1.5 MM2/ 18 GAGE WITH SHIELD PVC AND ELECTRODE CABLE DOUBLE SHIELDED, 3 X 0.25 MM2 375.24
A5E022964988332X50M(164FT)CABLE KIT WITH STANDARD COIL CABLE, 3 X 1.5 MM2/ 18 GAGE WITH SHIELD PVC AND ELECTRODE CABLE DOUBLE SHIELDED, 3 X 0.25 MM2 626.46
FDK:083F3020833MAG ACCESSORY 10M SPEC.CABLE 77.38
FDK:085U0237833ADD-ON MODULE PROFIBUS DP PROFILE 3. 371.00
FDK:085U0321833HART MODUL INDUSTRY MAG 184.44
FDK:085U3122833MAG INDUSTRY ACC. DISPLAY 184.44
FDK:085U3123833MAG 6000I SPARE PART PCB UNIT 1241.26
FDK:085U3124833MAG 6000I EX D 18-30 V DC SPARE PCB UNIT FOR SIZES