
1. НАИМЕНОВАНИЕ И ОБЛАСТЬ ПРИМЕНЕНИЯ
Система регистрации, контроля и управления технологическими параметрами линии гидратации подсолнечного масла

Основной целью построения системы является:
- оперативный сбор, обработка и предоставление технологической информации оператору участка гидратации;
- поддержание соотношения расходов подачи воды/подачи масла на гидратацию в автоматическом режиме;
- регулирование подачи масла на коагулятор, сепаратор, весы;
- оперативное реагирование на возникающие аварийные ситуации и возможность удаленного изменения основных параметров гидратации.

2. Основанием для разработки является задание по реконструкции участка водной гидратации.
3. Требования к структуре системы
Система должна обеспечивать работу узлов и агрегатов участка гидратации в пределах заданных технологических параметров и режимов, производить архивирование измеряемых значений, дискретных, аварийных и рабочих сообщений.
Интерфейс станции диспетчера должен разрабатываться с учетом максимально удобного и понятного интерфейса с текстовой информацией на русском языке.
Система должна быть проверена на базе серийно производимого промышленного оборудования.
При выходе технологических параметров за пределы диапазона разрешенных значений, система должна сигнализировать об этом обслуживающему персоналу с помощью звуковой и световой сигнализации.
Для последующего анализа и выявления нарушений технологического процесса необходимо регистрировать:
- значения всех аналоговых входных сигналов;
- выход технологических параметров за пределы диапазона разрешенных значений;
- индикация пуска и остановки электродвигателей линии гидратации;
- пуск и остановку оборудования;
- аварийные остановки;
- вмешательство оператора.
4. Объем работ:
- разработка проектной документации системы автоматического управления;
- поставка оборудования;
- разработка программного обеспечения;
- разработка инструкции по эксплуатации системы автоматизации;
- монтажные работы (монтаж и подключение шкафа управления, монтаж приборов КИПиА);
- пуско-наладочные работы.
5. Технические требования
Система должна регистрировать и отображать следующие технологические параметры:
|
№ п/п |
Позиция по схеме |
Наименование параметра |
Наименование оборудования измерения или прибора КИПиА |
№ по техноло-гической схеме |
Рабочие параметры |
Примечание |
|
|
Е 1.1 приемные емкости масла |
Температура масла |
|
TC |
20-100 |
Перемешивающее устройство |
|
|
|
Уровень масла в емкости |
|
LC |
0-8
|
Перемешивающее устройство |
|
|
Е 1.2 приемные емкости масла |
Температура масла |
|
TC |
20-100 |
Перемешивающее устройство |
|
|
|
Уровень масла в емкости |
|
LC |
0-8
|
Перемешивающее устройство |
|
|
Н3г насос масла |
Давление масла в трубопроводе после насоса |
|
PI(Н3г) |
|
При изменении уровня в коагуляторе Е 15 изменяется частота |
|
|
|
Частота |
|
|
До 50 Гц |
|
|
|
|
|
|
|
|
|
|
|
Н 53 насос масла |
Давление масла в трубопроводе после насоса |
|
PI(Н53г) |
|
|
|
|
|
Частота |
|
|
До 50 Гц |
|
|
|
|
|
|
|
|
|
|
|
Т 4г трубчатый теплообменник |
Температура масла перед теплообменником |
|
|
20-90 0С |
|
|
|
|
Температура масла после теплообменника |
|
|
75-85 0С |
При изменении температуры увеличивается или уменьшается подача пара |
|
|
|
% открытия клапана на регуляторе подачи пара на теплообменник |
|
|
25-100 % |
|
|
|
|
Давление масла после теплообменника |
|
|
0-0,6 МПа |
|
|
|
М 14 насос смеситель |
Количество масла подаваемого на насос |
|
|
8-12 м3/ч |
Задает оператор. По данным устанавливается задача для частотного преобразователя насоса Н3 |
|
|
|
Количество воды подаваемой в насос |
|
|
0,05-0,24 м3/ч |
Зависит от соотношения масло/вода задаваемым оператором |
|
|
Е 15 Коагулятор |
Уровень смеси (масло/вода) в коагуляторе |
|
|
0-100 % |
Перемешивающее устройство |
|
|
|
Температура смеси после коагулятора |
|
|
75-85 0С |
|
|
|
Н 16 насос масла |
Давление масла в трубопроводе после насоса |
|
|
0-0,2 МПа |
При изменении давления изменяются параметры частотного преобразователя |
|
|
|
Частота |
|
|
0-50 Гц |
|
|
|
С 23 г Сепаратор |
Давление масла перед сепаратором |
|
|
0-0,2 МПа |
Собственный щит управления – привязка к общей схеме |
|
|
|
Давление воды подаваемой на сепаратор |
|
|
0,2-0,3 МПа |
|
|
|
|
Давление масла после сепаратора (противодавление сепаратора) |
|
|
0,2-0,3 МПа |
|
|
|
Т 30 теплообменник |
Температура масла перед теплообменником |
|
|
75-85 0С |
|
|
|
|
Температура масла после теплообменника |
|
|
До 100 0С |
При изменении температуры увеличивается или уменьшается подача пара |
|
|
|
% открытия клапана на регуляторе подачи пара на теплообменник |
|
|
25-100 % |
|
|
|
Е 33 вакуум-сушильный аппарат |
Уровень масла в аппарате |
|
|
0-100 % |
|
|
|
|
Вакуум в трубопроводе |
|
|
-0,95 кгс/м2 |
|
|
|
|
Температура масла в трубопроводе после емкости |
|
|
До 100 0С |
|
|
|
Н 34г насос масла |
Давление масла в трубопроводе после насоса |
|
|
До 0,15 МПа |
При изменении уровня в вакуум-сушке изменяются параметры частотного преобразователя |
|
|
|
Частота |
|
|
От 20 до 50 Гц |
|
|
|
Т 36 г трубчатый теплообменник (2 шт) |
Температура масла после теплообменника |
|
|
До 65 0С |
При изменении температуры увеличивается или уменьшается параметры частотного преобразователя на градирне Гр 41 |
|
|
|
Давление масла после теплообменника |
|
|
0,6 МПпа |
|
|
|
|
Давление воды после теплообменника |
|
|
0,5 МПа |
|
|
|
Е 20г емкость сбора конденсата |
Температура воды в емкости |
|
|
95 0С |
|
|
|
|
Уровень воды в емкости |
|
|
0-100 % |
|
|
|
|
Давление умягченной воды подачи на емкость |
|
|
0,3 Мпа |
|
|
|
|
% открытия клапана на регуляторе подачи пара на подаче пара в емкость |
|
|
25-100 % |
При изменении температуры увеличивается или уменьшается подача пара |
|
|
Н 28 насос воды |
Давление воды после насоса |
|
PI H 28 г |
0,2 МПа |
|
|
|
Н 21 г насос воды |
Давление воды после насоса |
|
|
До 0,6 МПа |
При изменении соотношения вода/масла изменяется объем воды на гидратацию |
|
|
|
Частота |
|
|
20-50 Гц |
|
|
|
|
|
|
|
|
|
|
|
Е 18 емкость умягченной воды |
Уровень воды в емкости |
|
|
0-100 % |
|
|
|
|
Температура воды в емкости |
|
|
95 0С |
|
|
|
Нс 19 г насос с рессивером |
Давление воды после насоса |
|
|
До 0,3 МПа |
|
|
|
Е 51 емкость осадка |
Уровень осадка (масло+нежировые) в емкости |
|
|
0-100 % |
|
|
|
Н 52 насос осадка |
Давление осадка после насоса |
|
|
0,6 МПа |
|
|
|
Е 24 Емкость гидрофуза |
Уровень в емкости |
Датчик уровня |
LC E24г |
0-100 % |
|
|
|
Н 25 г насос гидрофуза |
Давление гидрофуза после насоса |
Монометр |
РI H 25 г |
0-0,15 МПа |
При изменении уровня в емкости гидрофуза изменяются параметры частотного преобразователя |
|
|
|
Частота |
|
|
|
|
|
|
Ж 26г Жироловушка |
Уровень воды |
|
LC Ж 26 г |
0-100 % |
|
|
|
Н 27 г насос воды |
Давление воды после насоса |
|
PI H 27 г |
0-0,6 МПа |
|
|
|
Н 37 г насос вакуумный |
Вакуум создаваемый насосом |
|
PI H 37 г |
-0,95 кгс/см2 |
|
|
|
Е 61 ротацитонно пленочный аппарат |
Температура гидрофуза на входе в РПА |
|
|
80 0С |
|
|
|
|
Температура фосфатидного концентрата на выходе из РПА |
|
|
95-100 0С |
|
|
|
|
Давление пара на входе в РПА |
|
|
0-0,25 МПа |
При изменении температуры увеличивается или уменьшается подача пара |
|
|
Гр 41 г градирня |
Уровень воды в градирне |
Датчик нижнего уровня (дискретный) |
LH(Гр41г) / LL(Гр41г) |
|
|
|
|
|
Положение крана на подпиточной воде (откр/закрыт) |
Кран шаровый двухпозиционный с пневматическим или электрическим приводом и позиционером |
RB(Гр41г) |
|
При срабатывании верхнего уровня открывается кран |
|
|
Н42г Насос воды |
Давление воды после насоса |
Манометр |
PI(Н42г) |
0-0,6 МПа |
|
|
|
|
Температура воды |
Термометр с аналоговым выходом
|
TC(Г3г) |
До 40 0С |
|
|
|
Г 3 гребенка |
Давление воды в гребенке |
Мановакуумметр с аналоговым токовым выходом |
PC(Г3г) |
0,6 МПа |
|
|
|
|
Давление воды на вакуумный насос |
Манометр |
PI(Г3г) |
0,2 МПа |
|
|
|
|
Давление воды на теплообменник |
Манометр |
PС(Г3г) |
0,6 МПа |
|
|
|
Г 1 гребенка |
Давление пара на гребенке |
Манометр, мановакуумметр, вакуумметр с индикацией по месту с трехходовым краном |
PI-1(Г1г) |
0,8-1,0 МПа |
|
|
|
|
Давление пара на гребенке |
Мановакуумметр с аналоговым токовым выходом |
PC(Г1г) |
0,8-1,0 МПа |
|
|
|
|
Температура пара на гребенке |
Термометр с аналоговым выходом |
TC(Г1г) |
200 0С |
|
|
|
Н 64 |
Уровень воды в емкости (вакуум) |
|
LH(64г) / LL(64г) |
|
|
|
|
|
% открытия клапана на регуляторе откачки конденсата |
|
|
|
|
|
|
|
|
|
|
|
|
|
|
Г О гребенка |
Давление пара на входе в цех |
|
|
1,0-1,2 МПа |
|
|
|
|
Давление пара после регулятора расхода (на Г 1) |
|
|
0,8-1,0 МПа |
|
|
|
|
Давление пара после регулятора расхода (на гребенку к технологическому оборудованию –теплообменники, РПА) |
|
|
0,3 МПа |
|
|
|
|
|
|
|
|
|
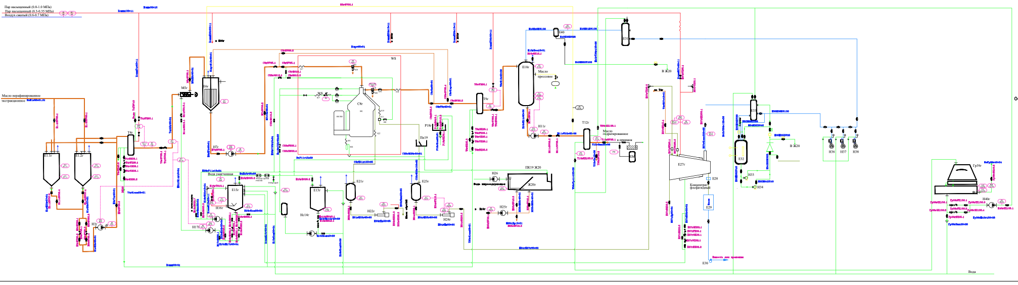
1. Краткое описание технологической схемы
Масло из экстракционного цеха подается в буферную емкость Е 1.1. Из прессового цеха масло подается в буферную емкость Е 1.2. Буферные емкости оборудованы мешалками для того, чтобы нежировые вещества не скапливались на днищах емкостей, а уходили в линию.
Из буферных емкостей масло через один из двух фильтров грубой очистки насосом Н 3 подается в пластинчатый теплообменник Т 4, в котором масло или нагревается водяным паром (давление пара до 3 кгс/м2) или охлаждается оборотной водой до температуры процесса 75 ÷ 85 0С. Если масло соответствует заданному режиму, то предусмотрена подача масла по обводной линии минуя теплообменник.
Масло проходит через расходомер и подается в смеситель М 14, где смешивается с горячей умягченной водой. Умягченная вода с температурой 95˚С подается насосом Н 21 из приемной емкости Е 20 через один из фильтров грубой очистки.
Фильтры грубой очистки предназначены для предотвращения попадания крупных инородных частиц в насосы.
Подача умягченной воды осуществляется дозировочным насосом Н 21 через расходомер в количестве от 0,5 до 2 % от веса масла. После тщательного перемешивания смесь масла с водой поступает на коагулятор Е 15, где при медленном перемешивании происходит формирование хлопьев (набухание фосфатидов). Коагулятор Е 15 оснащен датчиками верхнего и нижнего уровня.
Подготовленная в коагуляторе Е 15 смесь насосом Н 16 подается на сепаратор С 23, в котором производится разделение фаз: гидратированное влажное масло / гидратационный осадок.
Гидратированное влажное масло поступает в пластинчатый теплообменник Т 30, в котором нагревается паром (давление пара до 3 кгс/м2) до температуры 85 ÷ 100 ˚С. Температура нагрева напрямую зависит от вакуума в вакуум-сушильном аппарате.
Нагретое масло подается в вакуум-сушильный аппарат Е 33 в котором осуществляется его сушка до остаточного содержания в нем влаги 0,1 ÷ 0,15 %. Если влага в масле больше или меньше заданных параметров, регулируется температура масла подающегося в вакуум-сушильный аппарат.
Вакуум-сушильный аппарат Е 33 работает под вакуумом не ниже - 0,9 кгс/м2, который создается вакуумным насосом Н 37 или пароэжекторным блоком Пб 64.
Масло из вакуум-сушильного аппарата Е 33 насосом Н 34 подается на пластинчатый теплообменник в котором охлаждается до температуры 50-65 ˚С.
В качестве охлаждающего агента используется оборотная охлажденная вода, которая подается насосом Н 42 из градирни Гр 41.
Охлажденное масло подается на весы В 65 масла и после взвешивания, насосами Н 66, Н 67 подается на хранение.
Для предотвращения производства некондиционной продукции первые пусковые порции масла направляются с вакуум-сушки Е 33 на коагулятор С 23.
Гидратационный осадок с массовой долей влаги до 60 %, из сепаратора С 23 поступает в емкость Е 24 снабженную уровнемером, перемешивающим устройством. Емкость оснащена рубашкой в которую может подаваться греющий агент. Из емкости Е 24 гидратационный осадок с температурой не ниже 65 ˚С, насосом Н 52 подается на ротационно-пленочные испарители Е 61 а, Е 61 б для испарения избыточной влаги (до 0,5 %). Температура фосфатидного концентрата на выходе из РПИ должна поддерживаться в одном диапазоне и не превышать 95 ˚С
Процесс удаления влаги происходит под вакуумом до - 0,95 кгс/м2, который создается вакуумным насосом Н 37 или пароэжекторным блоком Пб 64.
Фосфатидный концентрат из ротационно–пленочных испарителей поступает в сборники высушенного продукта. После наполнения сборника (ориентировочно в сборник помещается 1 тонна ФК), подача гидратационого осадка на испаритель прекращается. Сборник разгерметизируется и высушенный фосфатидный концентрат сливается в емкость установленную на весы. РПА снова задействуется. После фиксирования веса, ФК подается насосом на емкость временного хранения. Емкость оснащена обогревающей рубашкой. При необходимости фосфатидный концентрат разогревается перед отгрузкой в автомобильные цистерны


Датчики и преобразователи давления температуры и уровня используемые в наших проектах автоматизации линии водной гидротации в масложировой промышленности
1, Манометр 232.50/233.50

Цена 47-140 Евро без НДС.
Особенности ■ Великолепная устойчивость к нагрузкам и ударам ■ Полностью из нержавеющей стали ■ Диапазон шкалы 0 … 1600 бар
С гидрозаполнением корпуса для применений с высокими динамическими нагрузками и вибрациями 1) ■ Для агрессивных газообразных и жидких сред, не обладающих высокой вязкостью и не склонных к кристаллизации, а также в условиях агрессивной окружающей среды
2. Запорный вентиль Модель 910.11

Цена 20 – 98 Евро без НДС.
Запорный вентиль без тестового присоединения по DIN 16270 (с воздухоотводным винтом) ■ Запорный вентиль с тестовым присоединением по DIN 16271 (с воздухоотводным винтом) ■ Запорный вентиль с отдельно отсекаемым тестовым присоединением в соответствии с DIN 16272 ■ Номинальное давление до 400 бар
Части, контактирующие с измеряемой средой (корпус клапана) Латунь: PN 250, диапазон температур от -10 до +120 °C Углеродистая сталь: PN 400, диапазон температур -10 до +120 °C Нержавеющая сталь: PN 400, диапазон температур -20 до +200 °C
3. Биметаллический термометр Модели A52, R52

Цена 20 – 118 Евро без НДС
Особенности ■ Диапазоны шкалы -30 ... +500 °C ■ Большой выбор номинальных диаметров 25 ... 160 мм ■ Корпус и шток из нержавеющей стали ■ 5 различных конструкций технологического присоединения
■ Разнообразные применения в машиностроении, производстве резервуаров, системах трубопроводов и устройствах
4. Манометр дифференциального давления ера Модели 732.51

Цена 870 – 2500 Евро без НДС.
Особенности ■ Диапазоны измерения дифференциального давления от 0 … 16 мбар [0,23 psi] ■ Высокое рабочее давление (статическое давление) до 40 бар [580 psi] ■ Высокая перегрузочная способность до 40 бар [580 psi] ■ Модель 73x.31: корпус в безопасном исполнении "S3” в соответствии с EN 837 ■ Полностью сварная рабочая камера
5. Преобразователь давления Модель A-10

Цена 86 – 168 Евро без НДС.
Особенности ■ Диапазон измерения от 0 ... 0,05 до 0 ... 1000 бар ■ Нелинейность 0,25 % или 0,5 % ■ Выход ной сигнал: 4 ... 20 мА, 0 ... 10 В пост. тока, 0 ... 5 В пост. тока и другие ■ Электрические соединения: угловой разъем формы А и С, круглый разъем M12 x 1, кабельный вывод 2 м ■ Технологическое присоединение: G ¼ A DIN 3852-E, ¼ NPT и другие
6. Преобразователь давления с открытой мембраной Модель S-11

Цена 283 – 438 Евро без НДС
Специальные особенности ■ Высокое качество ■ Множество конфигураций ■ Технологическое соединение с открытой мембраной ■ Складская программа для уменьшения времени доставки ■ Герметичность
Преобразователь давления S-11 с открытой мембраной был специально разработан для измерения вязких, пастообразных, клейких, кристаллических и содержащих частицы сред, которые могут забить канал давления обычного технологического соединения.
7. Компактный переключатель давления Модель PSM01

Цена 32 – 77 Евро без НДС.
Особенности ■ Диапазоны уставок: от 0,2 … 2 бара [3 ... 30 ф/кв. дюйм] до 30 ... 320 бар [450 ... 4600 ф/кв. дюйм] и -0,85 ... -0,15 бар [-25 ... -5 дюймов рт. ст.] ■ Невоспроизводимость точки переключения: ≤ 2 % от шкалы ■ Функции переключения: Нормально замкнутый, нормально разомкнутый или перекидной контакт ■ Измеряемая среда: Сжатый воздух, нейтральные или смазывающие жидкости и нейтральные газы
8. Поплавковый переключатель Горизонтальный монтаж Модель HLS-M

Цена 30 – 120 Евро без НДС.
Особенности ■ Установка на боковой стенке резервуара ■ Эксплуатационные параметры: - Рабочая температура: T = -40 ... +120 °C - Рабочее давление: P = 5 бар - Плотность: ρ ≥ 800 кг/м3 ■ Исполнение из пластмассы или нержавеющей стали ■ Компактная установка ■ Переключатель состоит только из одного элемента
9. Сифоны и патрубки Для приборов измерения давления Модель 910.15

Цена 14 – 76 Евро без НДС.
Особенности ■ Номинальное давление до 420 бар ■ Компактное исполнение для работы в условиях повышенных вибраций ■ По запросу сочетание вентилей и приборов измерения давления (адаптация) по спецификации заказчика ■ Допустимая температура до 550 °C ■ Номинальное давление до 420 бар
10. Мембранные разделители

Цена от 220 Евро без НДС.
Благодаря применению мембранных разделителей средства измерения давления могут использоваться даже в самых суровых промышленных условиях. Мембрана, изготовленная из материала, который соответствует конкретному технологическому процессу, позволяет разделить измеряемую среду и измерительный прибор
Датчики уровня









Основна похибка (± % від діапазону): ≤ 0,5 або 1,0 %
Діапазон: 0 … 0,6 до 0 … 1.000 бар
0 … 1 до 0 … 25 бар абс.
-1 … 0 до -1 … +24 бар
Особливості:
Компактний дизайн
2 мільйони виконань
Безкоштовний протокол калібрування
Тех.опис: PE 81.60

Основна похибка (± % від діапазону): ≤ 0,25, 0,5 чи 1,0 %
Діапазон : 0 … 0,4 до 0 … 1.600 бар
0 … 0,4 до 0 … 40 бар абс.
-1 … 0 до -1 … +59 бар
Особливості :
Екстремальні умови застосування
Виконання за замовленням
Безкоштовний протокол калібрування
Тех.опис : PE 81.61

Основна похибка (± % від діапазону): ≤ 0,25 чи 0,5 %
Діапазон : 0 … 0,1 до 0 … 600 бар
0 … 0,25 до 0 … 16 бар абс.
-1 … 0 до -1 … +24 бар
Особливості :
Підключення з наружною мембраною
Температура середовища до +150°С
Регулювання нуля та діапазону
Тех.опис : PE 81.02
Перетворювач тиску для підвищених вимог

Три виконання за класом точності: ≤ 0,25, 0,5 чи1,0 %
Температурна похибка:
≤ ±1,0% при температурі -20 … +80 °С
≤ ±1,5% при температурі -30 … +100 °С
Можливість температурного калібрування.
Найбільший вибір підключень до процесу та електричних підключень.
Допустиме перевантаження: до 5-кратного діапазону виміирювань
Короткий термін поставки для будь-якого можливого виконання

Основна похибка (± % від діапазону): ≤ 1
Діапазон: 0 … 1 до 0 … 600 бар
0 … 1 до 0 … 25 бар абс.
-1 … 0 до -1 … +24 бар
Особливості:
Добре читається, міцний корпус
Просте налаштування
Адаптація під монтажні умови
Наружна мембрана (опція)
Тех.опис: PE 81.67

Основна похибка аналогового сигналу (% від діапазону): ≤ 1
Діапазон: 0 … 1 до 0 … 600 бар
0 … 1 до 0 … 25 бар абс.
-1 … 0 до -1 … +24 бар
Особливості :
Добре читається, міцний корпус
Просте налаштування
Адаптація під монтажні умови
Тех.описание: PE 81.85

Похибка (% від діапазону): ≤ 0,1
Вихідний сигнал: 4 … 20 мA, HART®
Діапазон: 0 … 0,4 до 0 … 1.000 бар
0 … 0,4 до 0 … 16 бар абс.
-0,2 … +0,2 до -1 … +40 бар
Особливості:
Багатофункціональний дисплей
Проста структура меню
Антистатичний пластиковий корпус
Великий поворотний дисплей
Тех.опис: PE 86.05

Похибка (% від діапазону): ≤ 0,075… 0,1
Діапазон : 0 … 0,1 до 0 … 4.000 бар
0 … 0,1 до 0 … 60 бар абс.
-1 … 0 до -1 … +60бар
Особливості :
Масштабування 1:30
Корпус з алюминію, пластика, нерж.сталі
Тех.опис : PE 86.11

Похибка (% від діапазону): ≤ 0,075 … 0,1
Діапазон : 0 … 10 мбар до 0 … 40 бар
Особливості :
Свободно настраиваемые диапазоны
Корпус з алюминію, пластика, нерж.сталі
Опціонально з дисплеєм та монтажним комплектом для стіни чи труби
Тех.опис : PE 86.21

Ключові характеристики
Три виконання за класом точності: ≤ 0,10; 0,15 (стандарт) чи 0,2 %
Великий дисплей під нахилом, показання видно з відстані не менш 5 м
Адаптація дисплею під монтажне положення
Діапазон вимірювань, що можна масштабувати: 1:20
Температурна похибка:
Відсутня при температурі +10 … +70 °С
≤ 0,1%/10К за межами діапазону +10 … +70 °С
Економічний дизайн
Пластиковий корпус, армований скловолокном
Універсалізация виконань
Можливість підключень з наружною мембраною, а також комбінування з мембранними розділювачами
Корпус з антистатичного пластика, дозволений для вибухонебезпечних зон
Комунікація по HART протоколу v.7


Основна похибка (± % від діапазону): ≤ 0,5
Дїапазон: -0,25 … 0 до бар-1 … +24 bar
0 … 0,25 до 0 … 25 бар відн.
0 … 0,25 до 0 … 16 бар абс.
Особливості: фронтальна мембрана з шероховатістю поверхні Ra < 0,4 мкм
Повністю зварна конструкція
Тех.опис: PE 81.80

Для стерильних процесів

Кабельне введення IP68

Кутовий раз’ем 4-полюсний, EN 175301-803, Форма A, IP 65

Круглий раз’ем 4-полюсний, с різьбою M12 x 1, IP 65

Польовій корпус із нерж.сталі IP 67

Система адаптерів розроблена для відповідності підключення фронтальної мембрани вимогам для харчової та фармацевтичної промисловості.
Відповідає вимогам санітарних стандартів 3-А

Надійний та економічний
Виконання згідно з ДСТУ EN 837-1
Номінальні розміри 40, 50, 63, 80, 100 та 160 мм
Діапазони вимірювання до 0 ... 400 бар
Температура процесу до +150°С

Комбінований циферблат для тиску та температури
Номінальні розміри: 63, 80 мм
Тип 100.01: зверху тиск, знизу температура, радіальне підключення
Тип 100.02: зверху тиск, знизу температура, тильне підключення
Типы 100.10 и 100.12: сверху температура, снизу давление
Діапазон шкали до 0 … 16 бар, 0 ... 150 °C

Корпус з нерж.сталі, IP54
Температура процесу до +80°С

Гідрозаповнене виконання
Температура процесу до +60°С
IP65

Корозіостійкий
Температура процесу до +200°С
(+100°С для гідрозаповненої версії)
Доп. перевантаження: 130 % від
діапазону шкалы
IP65
Міцні та довготривалі
Надійні та економічні
Діапазони вимірювання до 0 … 1 000 бар, від -1…0 до -1…+30 бар






TR21-A
Мініатюрне віконання з фланцевим підключенням

TR21-В
Мініатюрне віконання для обварювання по колу

TR21-С
Мініатюрне віконання з приварним стерильним підключенням
Польове виконання

TR22-A
З фланцевим підключенням

TR22-В
Для обварювання по колу

TR25
С проточным підключенням

Приклади виконань біметалевих термометрів
Опалення,котельні



Приклади виконань біметалевих термометрів
Приклади виконань манометричних термометрів

Промислові виконання
преміум-дизайн
Капілярна конструкція
Опції:
Електроконтакти
Гідрозаповнення
>+250°C


S-11
Вимірювання рівня в’язких середовищах у ємностях, що сполучаються з атмосферою

DPT-10 з розділювачами 990.27
Измерение уровня вязких сред в закрытых емкостях

А-10
Регулювання продуктивності насосів,
Захист від сухого ходу

S-20
Вимірювання тиску пару в умовах підвищеної вологості

На фото:
Проточна конструкція.
Захисна гільза для для обварювання по колу
TW61 для перетворювачів температури TR21-B

Герконові давачі рівня
Магнітнострекційні давачі рівня

Байпасні рівнеміри
байпасные давачі рівня
Склянні рівнеміри
