0

Разделы

Линейные приводы для промышленных клапанов


grey line

RA-3000

Трехпозиционные и пропорциональные приводы

 

Реверсивные приводы серии RA-3000 с синхронным электродвигателем предназначены для работы с трехпозиционным управлением или с позиционированием электрическим управляющим сигналом 0-10 В.

 

Их особенностью является заводская калибровка выключателей по давлению для обеспечения заданного усилия закрытия. Приводы имеют 3 типоразмера с номинальным усилием 1600 Н, 1800 Н и 3000 Н и устанавливаются на фланцевые клапаны Johnson Controls в соответствии с максимальным давлением закрытия, указанным в спецификации.

 

Доступны предустановленные на заводе опции, такие как потенциометр обратной связи 2 КОм, вспомогательные контакты и рукоятка ручного управления.




RA-3000


• Синхронный электродвигатель с выключателями по давлению
• Специальное быстроразъёмное соединение
• Модели с 3-позиционным и пропорциональным 0-10 VDC управлением
• Позиционер с настройкой исходной точки и интервала для прямого
  и обратного направления
• Активная обратная связь 0-10 VDC в моделях с пропорциональным управлением
• Возможность заказа вспомогательных выключателей
  и потенциометра обратной связи
• Дополнительная рукоятка ручного управления


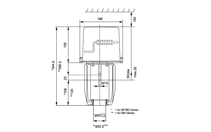
plan
Размеры в мм