0

Разделы

Работа от сети - Работа от сети

Серия H-compact Standardline– это стандартизированные высоковольтные двигатели с охлаждением через ребра, использующие самую современную технологию.

Их преимуществом являются высокая надежность, долговечность и прочная конструкция.

Существуют следующие версии двигателей серии H-compact Standardline:

  • Диапазон мощности от 200 до 800 кВт
  • Питающее напряжение 3 / 3.3 / 6 и 6.6 кВ, 50 Гц
  • 2, 4 и 6 полюсов
  • Тип конструкции IM B3

 

Особенности

Конструкция, которая стандартизирована, но может применяться во многих областях, позволяет оптимизировать производственные процессы и последовательно уменьшать сроки поставки и цены, по которым поставляются высоковольтные двигатели.

Выгоды заказчика:

  • Современная технология двигателей, которая уже используется по всему миру
  • Привлекательная цена
  • Быстрый срок поставки, всего 6 недель
  • Максимальная удельная мощность
  • Низкие эксплуатационные расходы благодаря отличной эффективности
  • Высокий КПД вместе с небольшими размерами позволяют создать очень компактные устройства

Технические данные

Тип конструкции

IM B3 (IM 1001)

Высота вала

315 мм, 355 мм, 400 мм

Степень защиты защиты

IP55

Метод охлаждения

IC 411; охлаждение рёбрами, вентилятор на валу, с дополнительной внутренней цепью охлаждения

Внешние условия

Макс. температура окр. среды (темп. теплоносителя) CT = 40 °C 
Высота установки ≤1000 m над уровнем моря.

Допускается температура окр. среды до 55 °C при использовании по температурному классу F.

Работа и запуск допускаются при температурах вплоть до ‑20 °C.

Изоляция

MICALASTIC® с Вакуумным заполнением под давлением (Vacuum Pressure Impregnation - VPI)

Конструкция ротора

с литой алюминиевой клеткой

Конструкция подшипников

Шарикоподшипники с глубокими канавками по DIN 625, с SPM ниппелем (измерение ударных импульсов)

Подшипниковые щиты и блоки

Сделаны из серого чугуна, вместе с литыми опорами двигателя

Контроль температуры

6 PT 100 в обмотке статора, как стандарт (не поставляется, если заказаны PTC термисторы)

Блок внешних подсоединений

стандартно

Нормы и стандарты

согласно IEC 60034-1 ff.


 

Опции

Описание опции

Заказной номер

Примечание

Standardline конструкция 

B20

Присутствует всегда

Защита двигателя посредством PTC термисторов с  6 встроенными тепловыми датчиками для генерации аварийного сигнала и отключения

A12

 

Измерение температуры двигателя по 6 встроенным PT100 G термосопротивлениям

A65

Стандартно

Установка 2 вкручиваемых PT100 терморезисторов для подшипников качения в основную цепь

A40

 

Ниппели для SPM (Измерение ударных импульсов)

G50

Стандартно

Клеммная коробка справа (вид со стороны вала)

K09

 

Клеммная коробка слева (вид со стороны вала)

K10

 

Клеммная коробка под углом 90°, кабель подключается со стороны вала

K83

 

Клеммная коробка под углом 90°, кабель подключается со стороны, противоположной  валу

K84

 

Клеммная коробка под углом 180°, кабель через верх

K85

 

Специальное покрытие в стандартизованный цвет RAL 7030

K26

 

Противоконденсатный обогрев на 110 V

M12

 

Противоконденсатный обогрев на 230 V

M13

 

Дополнительная (вторая) клеммная коробка из серого чугуна

M50

 

Версия для вращения по часовой

K97

 

Версия для вращения против часовой

K98

 

Температура окр.среды 45 °C

D11

При использовании по классу F

Температура окр.среды 50 °C

D12

При использовании по классу F

Температура окр.среды 55 °C

D13

При использовании по классу F

Документация

Документация на Английском

-

Стандартно

Документация на Немецком

D00

 

Документация на Русском

D56

 

Documentation in Italian

D72

 

Documentation in French

D77

 

Documentation in Spanish

D78

 

Documentation in Portuguese

D79

 

Documentation in Swedish

D83

 

Документация на CD-ROM

B21

 


 

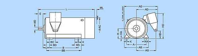
Чертеж

Конструкция:

Тип IM B3, подшипники качения, степень защиты IP55, тип охлаждения IC 441

Тип

Вес

A

AD

AE

B

C

H

HD

L

D

E

 

кг

мм

мм

мм

мм

мм

мм

мм

мм

мм

мм

2-полюса

1LA4310–2

1550

610

710

1075

710

200

315

860

1590

70

105

1LA4312–2

1550

610

710

1075

710

200

315

860

1590

70

105

1LA4314–2

1850

610

710

1075

900

200

315

860

1790

70

105

1LA4316–2

2000

610

710

1075

900

200

315

860

1790

70

105

1LA4350–2

2300

686

740

1155

1000

224

355

930

1930

75

105

1LA4352–2

2400

686

740

1155

1000

224

355

930

1930

75

105

1LA4354–2

2550

686

740

1155

1000

224

355

930

1930

75

105

1LA4400–2

3150

750

775

1120

1120

254

400

1010

2095

85

130

1LA4402–2

3300

750

775

1120

1120

254

400

1010

2095

85

130

1LA4404–2

3550

750

775

1120

1120

254

400

1010

2095

85

130

4-полюса

1LA4310-4

1500

610

710

1075

710

200

315

860

1610

90

130

1LA4312-4

1650

610

710

1075

710

200

315

860

1610

90

130

1LA4314-4

1900

610

710

1075

900

200

315

860

1810

90

130

1LA4316-4

2050

610

710

1075

900

200

315

860

1810

90

130

1LA4350-4

2350

686

740

1155

1000

224

355

930

1985

100

165

1LA4352-4

2550

686

740

1155

1000

224

355

930

1985

100

165

1LA4354-4

2750

686

740

1155

1000

224

355

930

1985

100

165

1LA4400-4

3400

750

775

1125

1120

254

400

1010

2125

120

165

1LA4402-4

3600

750

775

1125

1120

254

400

1010

2125

120

165

1LA4404-4

3800

750

775

1125

1120

254

400

1010

2125

120

165

6-полюсов

1LA4314-6

1950

610

710

1075

900

200

315

860

1810

90

130

1LA4316-6

2150

610

710

1075

900

200

315

860

1810

90

130

1LA4350-6

2400

686

740

1155

1000

224

355

930

1985

100

165

1LA4352-6

2600

686

740

1155

1000

224

355

930

1985

100

165

1LA4354-6

2850

686

740

1155

1000

224

355

930

1985

100

165

1LA4400-6

3500

750

775

1225

1120

254

400

1010

2125

120

165

1LA4402-6

3750

750

775

1225

1120

254

400

1010

2125

120

165

1LA4404-6

4000

750

775

1225

1120

254

400

1010

2125

120

165


 

Дальнейшая информация

 

Корпус, система охлаждения

Корпус статора на всех двигателях изготовлен из серого чугуна.

В корпус входят 4 осевых воздуховода, равномерно расположенные по окружности.

Основная и вспомогательная клеммные коробки прикреплены болтами к двум верхним воздуховодам, которые также содержат витые жилы и контрольные кабели.

Два нижних воздуховода расположены в области ножек.

Эти воздуховоды являются компонентами дополнительного контура внутреннего охлаждения, что относится к свойствам двигателей Siemensсерии H-compactи N-compact. Этот контур охлаждения обеспечивает также распределение тепла внутри двигателя и оптимальное охлаждение. Результирующие температуры подшипников и вылета обмотки статора оказывают положительное влияние на срок службы и эффективность двигателей.

 

Подъемныймеханизм

Две диагонально расположенные, откидные подъемные ручки, которые автоматически выравниваются с подъемным тросом, т.е. в соответствие с используемым направлением усилия.

Конструкция ротора

Обмотка ротора отлита под давлением из алюминия.

Алюминий залит в паз ротора под давлением. Этот метод обработки предотвращает любое смещение или "сползание" клетки в сердечник ротора.

Другим преимуществом метода литья под давлением является отличное термическое сцепление между клеткой и пластинчатым сердечником ротора, результатом чего является высокое допустимое время запуска и вхождения ротора в синхронизм.

Вал

Все двигатели имеют удлинители вала, сконструированные согласно стандарту DIN 748 "короткий", с призматической шпонкой из крепежной стали в соответствие с DIN 6880. Роторы отбалансированы наполовину шпонки.

Направление вращения, вентиляторы и их кожухи

Направление вращения необходимо указывать в каждом заказе!

На 2-полюсных двигателях внешний вентилятор является малошумным осевым вентилятором, зависимым от направления. 4- и 6-полюсные двигатели оборудованы радиальными вентиляторами, независимыми от направления.

Внешний вентилятор закрыт кожухом из листовой стали.

Вибрация

Двигатели H-compactStandardlineсоответствуют уровню вибрации N, предусмотренному IEC 60034-14, или уровню Aв соответствие с переработанной версией IEC 60034-14 (начнет действовать с декабря 2006). Уровни вибрации в большинстве случаев остаются ниже предельного значения.

Изоляционная система

В серии theH-compactStandardline была применена изоляционная система SIEMENS-MICALASTIC®, испытанная и проверенная на высоковольтных двигателях большой мощности в течение многих лет.

Изоляционная система MICALASTICсоответствует классу температур F, термическое использование в соответствие с B (в обычном режиме).

Важным элементом является процесс VPI (вакуумная пропитка), который был специально адаптирован к этой изоляционной системе.

Обмотка устойчива к передаче системы с 100% остаточным полем и коммутационным операциям до 110% с противофазой.

Перегрузочная способность изоляции выполняет требования, предъявляемые к координированию изоляции. Изолирующая способность превышает значения (Vp = 4 x Vrated + 5 kV), предусмотренные в DIN EN 60034-15/VDE 0530-15.

Шум

ДвигателисерииH-compact Standardline малошумны. Это достигается за счет:

  • конструкции, спроектированной для низкого шума
  • оптимизации внешней вентиляции
  • вентиляторовсхорошей обтекаемой формой
  • конструкции стального кожуха вентилятора, оптимизированного по шуму
  • количества пазов статора и ротора, тщательно выбранных для низкого магнитного шумового возбуждения

Частота переключений

ДвигателисерииH-compact Standardline предназначеныдляработывсоответствиесIEC / VDE 0530 часть 1. Предел допустимой частоты переключений 5000 запусков в год.

Клеммная коробка 1XA8711

Номинальное напряжение 6.6 кВ, до 315 A, 3 клеммы (M16) для основных соединений

  • сечение жилы до 240 мм2 с кабельным наконечником в соответствие с DIN 46234,
  • сечение жилы до 400 мм2 с кабельным наконечником в соответствие с DIN 46235,
  • или соединение без кабельного наконечника,

Внутреннее заземление

Вмонтировано в двигатель на RHSна стороне DE (направлено на конец вала DE).

В качестве опции клеммная коробка может быть вмонтирована на LHSна стороне DE с поворотом на 90°или 180°градусов.

 

Вспомогательнаяклеммнаякоробка1XB9014

Вспомогательная клеммная коробка предназначена для  установки клемм для подключения элементов контроля, обогрева и т.д. Она изготовлена из алюминия и в стандартной конфигурации поставляется с платой ввода кабелей без высверленных отверстий. Это означает, что не нужно заранее, при заказе двигателя, выяснять параметры ввода кабелей. Плата крепится с помощью 2 или 4 винтов и может быть просто извлечена для обработки с необходимыми отверстиями ввода.

  • Размеры (Ш xГ xВ): 360 x 160 x 90 мм
  • Количество клемм: 35
  • Макс. монтажная высота коробки: 50 мм

Окраска

Для защиты двигателя от коррозии существуют два вида окраски – стандартная и специальная. Онисоответствуютследующимтребованиямотносительноокружающихусловий:

Стандартная окраска относится к категории "умеренной" климатическое группы, как установлено в IEC 721-2-1.

Она подходит для:

  • Монтажа внутри или снаружи под укрытием, без попадания прямых погодных явлений.
  • Температура до +120 °Cна короткий период или +100 °Cдля непрерывной работы.
  • Относительная влажность воздуха до 100% при температуре до +30 °Cна короткий период и до 85% при температуре до +25 °Cдля непрерывной работы.

Обычная окраска:

  • Грунтовкаприбл. 30 мкм при погружении детали (отливка), прибл. 60 мкм при напылении детали (сталь)
  • Финишное покрытие прибл. 30 мкм

Специальная окраска относится к категории "мировой" климатическое группы, как установлено в IEC 721-2-1.

Она подходит для:

  • Монтажа снаружи с прямым попаданием солнечного излучения и погодных явлений в широком диапазоне температур и влажности (обычно в промышленных или прибрежных областях).
  • Температура до +140 °Cна короткий период или +120 °Cдля непрерывной работы.

Специальная окраска:

  • Грунтовка прибл. 30 мкм при погружении детали (отливка), прибл. 60 мкм при напылении детали (сталь)
  • Финишное покрытие прибл. 60 мкм

Грунтовка наносится на внутреннюю и внешнюю поверхность, а финишный слой – на внешнюю.

За дополнительную оплату возможно увеличение общей толщина пленки, например, до 120 или 150 мкм.

Конструкцияподшипников

Двигатели оборудованы роликовыми подшипниками с глубокими пазами в соответствие с DIN 625.

Они располагаются на стороне DE.

Все опоры качения смазываются литьевой консистентной смазкой на основе минерального масла. Подшипники имеют смазывающее устройство с ниппелем смазочного шприца M10 x 1 toDIN 3404 и сборник для использованной смазки, который достаточно большой, чтобы прослужить в течение расчетного срока службы подшипников при соблюдении интервалов и объемов смазки (данные по смазке можно найти на табличке с данными по смазке или в документации для заказа).

Опоры качения уплотнены с внешней стороны манжетными уплотнениями, а с внутренней – зазорными уплотнителями.