0

Разделы

Реле сигнализации повреждения >N< 5TT3 46, установочная глубина 55 mm - Устройства контроля гражданского и промышленного применения

Реле сигнализации повреждения >N< 5TT3 46, установочная глубина 55 mm - Устройства контроля гражданского и промышленного применения

  • 4 входа для сообщение о сбоях со светодиодами
  • 1 светодиод в качестве индикатора группового сообщения о сбоях
  • По одному реле для группового сообщения и акустического сигнализатора
  • С квитированием для акустических сигналов
  • Возможность выбора для четырех входов принципа рабочего тока или тока покоя посредством перемычек Х1-Х2
  • К сборному аварийному сигнализатору 5TT3 460 может быть подключено максимально 39 дополнительных устройств 5ТТ3 460.

Особенности

Функции

Сбой индицируется соответствующим светодиодом, этот сбой индицируется также в качестве сборного сбоя. Кроме этого инициируется сборный сбой. Соответствующий светодиод светится до тех пор, пока сбой не исчезнет.

Кратковременные сбои остаются видимыми в индикации сборного сбоя до квитирования.

Технические данные [PDF]

Загрузить PDF-файл.

Для просмотра информации в формате PDF необходимо установить Adobe Acrobat Reader.
Adobe Acrobat Reader

Технические данные

Дополнительную информацию Вы можете получить, нажав кнопку с этим символом.

Чертеж [PDF]

Загрузить PDF-файл.

Для просмотра информации в формате PDF необходимо установить Adobe Acrobat Reader.
Adobe Acrobat Reader

Чертеж

Дополнительную информацию Вы можете получить, нажав кнопку с этим символом.

Схема подключения [PDF]

Загрузить PDF-файл.

Для просмотра информации в формате PDF необходимо установить Adobe Acrobat Reader.
Adobe Acrobat Reader

Схема подключения

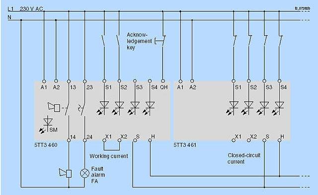
Пример принципиальной схемы, функциональная диаграмма

Клеммы A1, S1 до S4 и QH должны быть подключены к одной и той же фазе. Если не предусматривается кнопка квитирования, то зажим QH должен напрямую подключаться к L1.

При использовании перемычки X1/X2 осуществляется контроль цепи с замыкающим контактом (в противном случае − с размыкающим).

Контакты 13/14 и 23/24 замыкаются при появлении сбоя. Загорается соответствующий светодиод и этот сбой индицируется также в качестве сборного сбоя СС.

Аварийный сигнализатор (контакт 13/14) отключается кнопкой квитирования. Соответствующий светодиод и светодиод сигнализации сборного сбоя продолжают гореть, и контакт 23/24 остается замкнутым до устранения неисправности.

Линии S и H подают малое напряжение. При прокладке этих линий между различными распределительными шкафами параллельно к имеющимся линиям потребителей необходимо использовать экранированный провод.

В качестве светового индикатора для группового сообщения рекомендуется устройство 5TE5 7 или 5TE5 8; в качестве тревожного сигнализатора − устройства 5TT3 450 до 5TT3 453.

 

Электрические схемы

5TT3 460

 

5TT3 461

 

Заказные данные

Заказной №ОписаниеВес (кг)ДоставкаМин. зак. (шт)
5TT3460РЕЛЕ ОШИБКИ СРАБАТЫВАНИЯ N-ТИП 230В 5A С ОБНУЛЕНИЕМ0.134 - 6 недель (B)1
5TT3461РЕЛЕ ОШИБКИ СРАБАТЫВАНИЯ N-ТИП 230В ДОПОЛНИТ.0.114 - 6 недель (B)1