0

Разделы

Релейный электронный F-модуль

Дискретный электронный модуль 1 F-RO =24 В/5A ~24 ... 230 В/5A имеет следующие характеристики: 

  • 1 релейный выход (2 замыкающих контакта).
  • Выходной ток 5 A.
  • Номинальное напряжение питания нагрузки =24 В или ~24 ... 230 В.
  • Подключение цепи управления через контакты терминального блока.

Достижение уровня безопасности SIL3 (IEC61508) при управлении модулем F-RO с помощью F-выхода (например, через EM 4F-DO =24 В/2A PROFIsafe).

 


Область применения

Релейный электронный F-модуль

Модуль 1 F-RO может использоваться несколькими способами:

  • для коммутации внешних напряжений;
  • при необходимости формирования внешних сигналов (например, для разрешения работы контроллера);
  • при необходимости получения коммутационной способности более 2 А. 

 


Дизайн

Релейный электронный F-модуль

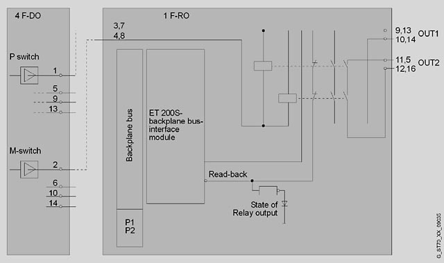
На схеме показан вариант управления с помощью модуля 4F-DO =24 В/2A PROFIsafe (6ES7138-4FB02-0AB0). Цепь управления должна быть подключена к контактам 3, 4 и 7, 8. Один канал F-DO может использоваться для управления работой нескольких модулей F-RO (группа отключения).

 


Технические данные

Релейный электронный F-модуль

 

6ES7138-4FR00-0AA0

Напряжения и токи 

 

Напряжение питания нагрузки L+

 

  • номинальное значение 

=24 В

Потребляемый ток 

 

из цепи L+ (без нагрузки), не более

100 мА

от внутренней шины, =3.3 В, не более 

10 мА

Потери мощности, типовое значение

2.1 Вт

Адресное пространство 

 

Адресное пространство на модуль

 

  • с упаковкой 

2 бит

  • без упаковки 

1 байт

Дискретные входы 

 

Длина кабеля

 

  • обычного, не более 

10 м

Дискретные выходы 

 

Количество выходов

1

Длина обычного кабеля, не более

200 м

Длина экранированного кабеля, не более

200 м

Защита выхода от короткого замыкания

Нет

Формирование сигналов для подключенного дискретного входа

Есть

Выходной ток

 

  • высокого уровня, номинальное значение 

5 A

  • высокого уровня, минимальное значение

5 мА

Частота переключения выхода:

 

  • при активной нагрузке, не более 

2 Гц

  • при индуктивной нагрузке, не более 

0.1 Гц

Суммарный ток выходов

 

  • вертикальная установка 

 

    • до 40 °C, не более 

6 A

  • горизонтальная установка 

 

    • до 40 °C, не более 

8 A

    • до 55 °C, не более 

6 A

    • до 60 °C, не более 

5 A

Релейные выходы 

 

Коммутационная способность контакта

 

  • длительно допустимый ток, не более 

5 A

Состояния/прерывания/диагностика

 

Диагностические светодиоды

 

  • индикации состояния выхода (зеленый)

Есть

Изоляция 

 

Гальваническое разделение цепей

 

  • каналов 

Есть

  • каналов и внутренней шины 

Есть

  • каналов и цепи питания L+

Есть

Габариты и масса 

 

Ширина

30 мм

Высота

81 мм

Глубина

52 мм

Масса 

 

Масса, приблизительно

90 г

 

 


Заказные данные

Цена на сайте указана розничная в ЕВРО без учета НДС.Для уточнения цены и размера предоставляемой скидки - звоните или присылайте заявки

Заказной номерPGОписание продуктаЦена
6ES7138-4FR00-0AA0241SIMATIC DP, ЭЛЕКТРОННЫЙ МОДУЛЬ ET200S, ШИРИНА 30 MM, 1 РЕЛЕЙНЫЙ ВЫХОД (2 НО-КОНТАКТА), ВЫХОДНОЙ ТОК 5 А, НОМИНАЛЬНОЕ НАПРЯЖЕНИЕ =24В И ~24 ... 230В, ИСПОЛЬЗОВАНИЕ ВПЛОТЬ ДО КАТЕГОРИИ 4 / SIL 3, ЕСЛИ УПРАВЛЯЕТСЯ F-DO (НАПРИМЕР 6ES7138-4FB02-0AB0) 99.22

 


Аксессуары

Цена на сайте указана розничная в ЕВРО без учета НДС.Для уточнения цены и размера предоставляемой скидки - звоните или присылайте заявки

Заказной номерPGОписание продуктаЦена
6ES7151-1BA02-0AB0250SIMATIC DP, ИНТЕРФЕЙСНЫЙ МОДУЛЬ IM151-1 HIGH FEATURE ДЛЯ ET200S; СКОРОСТЬ ПЕРЕДАЧИ ДО 12МБИТ/С, ОБЪЁМ ДАННЫХ 244 БАЙТА ДЛЯ I/O, МАКС. 63 МОДУЛЯ, ИЗОХРОННЫЙ РЕЖИМ, ПОДКЛЮЧЕНИЕ К ШИНЕ ЧЕРЕЗ SUB-D СОЕДИНИТЕЛЬ С 9 КОНТАКТАМИ, ВКЛЮЧАЯ ТЕРМИНАЛЬНЫЙ МОДУЛЬ 291.92
6ES7151-3BA23-0AB0250SIMATIC DP,ИНТЕРФЕЙСНЫЙ МОДУЛЬ IM151-3 PN HF ДЛЯ ET200S; СКОРОСТЬ ПЕРЕДАЧИ ДО 100МБИТ/С, МАКС. 63 ПИТАЮЩИХХ, ЭЛЕКТРИЧЕСКИХ МОДУЛЕЙ ИЛИ МОДУЛЕЙ ПУСКАТЕЛЕЙ, ДО 2 МЕТРОВ ОБЩАЯ ДЛИНА, 2X ИНТЕРФЕЙСА RJ45, ТЕРМИНАЛЬНЫЙ МОДУЛЬ В КОМПЛЕКТЕ INCL. TERMINATING MODUL 291.92
6ES7151-3BB23-0AB0250SIMATIC DP, ИНТЕРФЕЙСНЫЙ МОДУЛЬ IM151-3 PN FO ДЛЯ ET 200S, 2 ИНТЕРФЕЙСА PROFINET FO, ВСТРОЕННЫЙ 2-ХПОРТОВЫЙ КОММУТАТОР, МАКС. 63 ПЕРИФЕРИЙНЫХ МОДУЛЯ, ВОЗМОЖНО ИСПОЛЬЗОВАНИЕ МОДУЛЕЙ PROFISAFE, МАКС. ШИРИНА СТАНЦИИ 2M ШИРИНОЙ, ОКОНЕЧНЫЙ МОДУЛЬ В КОМПЛЕКТЕ 538.48
6ES7833-1FA12-0YA5216SIMATIC S7, F PROGRAMMING TOOL STEP 7 SAFETY ADVANCED V12, FLOATING LICENSE FOR 1 USER, E-SW, SW AND DOCU. ON CD, CLASS A, 2 LANGUAGES (G,E), EXECUTABLE UNDER STEP7 PROFESSIONAL V12 SP1 593.60
6ES7833-1FA12-0YE5216SIMATIC S7, F PROGRAMMING TOOL STEP 7 SAFETY ADVANCED V12, UPGRADE, COMBO LICENSE FOR PARALLEL USING OF STEP 7 SAFETY ADVANCED V11 AND STEP 7 SAFETY ADVANCED V12 COMBO LICENSE FOR 1 USER, E-SW, SW AND DOCU. ON CD, CLASS A, 2 LANGUAGES (G,E), EXECUTABLE UNDER STEP7 PROFESSIONAL V12 SP1 216.24
6ES7833-1FA12-0YF5216SIMATIC S7, F PROGRAMMING TOOL STEP 7 SAFETY ADVANCED V12, UPGRADE, COMBO LICENSE FOR PARALLEL USING OF DISTRIBUTED SAFETY V5.4 SP5 AND STEP 7 SAFETY ADVANCED V12 COMBO LICENSE FOR 1 USER, E-SW, SW AND DOCU. ON CD, CLASS A, 2 LANGUAGES (G,E), EXECUTABLE UNDER STEP7 PROFESSIONAL V12 SP1 216.24
6ES7833-1FC02-0YA5241SIMATIC S7, F СРЕДСТВО РАЗРАБОТКИ РАСПРЕДЕЛЕННЫХ СИСТЕМ ПОВЫШЕННОЙ БЕЗОПАСНОСТИ DISTRIBUTED SAFETY V5.4, ПЛАВАЮЩАЯ ЛИЦЕНЗИЯ ДЛЯ 1 ПОЛЬЗОВАТЕЛЯ, ИНЖЕНЕРНОЕ ПРОГР. ОБЕСПЕЧЕНИЕ, ПРОГР. ОБЕСП. И ДОКУМЕНТАЦИЯ НА CD, CLASS A, 3 ЯЗЫКА (НЕМ., АНГЛ.,ФРАНЦ.), РАБОТ 585.12
6ES7833-1FC02-0YE5241SIMATIC S7, F СРЕДСТВО ПРОГРАММИРОВАНИЯ DISTRIBUTED SAFETY V5.4, ПАКЕТ ОБНОВЛЕНИЯ ОТ ВЕРСИИ 5.X ДО ВЕРСИИ 5.4, ПЛАВАЮЩАЯ ЛИЦЕНЗИЯ ДЛЯ 1 ПОЛЬЗОВАТЕЛЯ, ИНЖЕНЕРНОЕ ПРОГР. ОБЕСПЕЧЕНИЕ, ПРОГР. ОБЕСП. И ДОКУМЕНТАЦИЯ НА CD, CLASS A, 3 ЯЗЫКА (НЕМ., АНГЛ.,ФРАНЦ.), 224.93
6ES7998-8XC01-8YE0230КОЛЛЕКЦИЯ РУКОВОДСТВ SIMATIC НА CD-ROM. PDF-ФОРМАТ, АНГ/ НЕМ/ ФР/ ИСП/ ИТ. ЯЗЫК. ВСЕ РУКОВОДСТВА ПО S7-200/ -300/ -400/ -C7/ -LOGO!; SIMATIC DP/ -PC/ -PG; STEP7, ИНСТР. СРЕДСТВАМ ПРОЕКТИРОВАНИЯ, ПРОГР. ОБЕСПЕЧЕНИЮ RUNTIME, SIMATIC PCS7/ HMI/ NET 108.12
6ES7998-8XC01-8YE2230КОЛЛЕКЦИЯ РУКОВОДСТВ SIMATIC НА CD-ROM, 5-ЯЗЫКОВАЯ ПОДДЕРЖКА (БЕЗ РУССКОГО), СЛУЖБА ОБНОВЛЕНИЯ В ТЕЧЕНИЕ 1 ГОДА 328.60