0
Скачать Заказные данные 
Резьбовые соединения g 1/2

Соединительные части G½ для датчиков давления и отечных приспоспоблений

  • Нипельное соединение
  • Зажимные рукава
  • Манжета

 


Чертеж

Скачать Заказные данные 
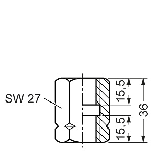
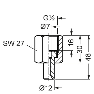
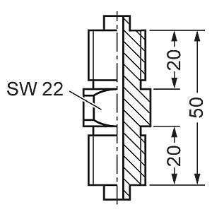
Резьбовые соединения g 1/2

Ниппельное соединение, размеры в мм

Зажимная муфта, размеры в мм

Цапфовый фитинг, размеры в мм

 


Заказные данные

Скачать Заказные данные 

Цена на сайте указана розничная в ЕВРО без учета НДС.Для уточнения цены и размера предоставляемой скидки - звоните или присылайте заявки

Заказной номерPGОписание продуктаЦена
M56340-A0001807Ниппель Д12 мм под приварку с накидной гайкой G1/2, макс. давление 400 бар, материал: латунь 4.45
M56340-A0002807Ниппель Д12 мм под приварку с накидной гайкой G1/2, макс. давление 400 бар, материал: угл. сталь 5.72
M56340-A0003807Ниппель Д12 мм под приварку с накидной гайкой G1/2, макс. давление 400 бар, материал: нерж. сталь 1.43305/ 1.4571 18.02
M56340-A0004807Переходник с внутренней резьбой G1/2 (с одной стороны правостронняя, с другой - левосторонняя), максимальное давление 400 бар, материал: латунь. 3.39
M56340-A0005807Переходник с внутренней резьбой G1/2 (с одной стороны правостронняя, с другой - левосторонняя), максимальное давление 400 бар, материал: угл. сталь. 2.33
M56340-A0006807Соединитель с внешней резьбой G 1/2, макс. давление 400 бар, материал латунь. 16.96
M56340-A0007807Соединитель с внешней резьбой G 1/2, макс. давление 400 бар, материал угл. сталь 1.0715. 19.61
M56340-A0008807Ниппель Д14 мм под приварку с накидной гайкой M20 X 1,5, макс. давление 400 бар, материал: нерж. сталь (1.43305/1.4571) 18.02