0

Разделы

Скачать Заказные данные 
Резьбовые соединения

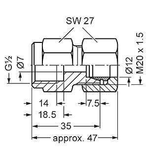
Резьбовое соединение для подключения линий измеряемого вещества и активного давления к соединительным цапфам G½ по DIN EN 837-1

  • для ном. давлений до PN 630
  • для кислорода только PN 250

 


Чертеж

Скачать Заказные данные 
Резьбовые соединения

Резьбовое соединение, размеры в мм

 


Заказные данные

Скачать Заказные данные 

Цена на сайте указана розничная в ЕВРО без учета НДС.Для уточнения цены и размера предоставляемой скидки - звоните или присылайте заявки

Заказной номерPGОписание продуктаЦена
7MF9008-1GA807Фитинг-соединитель, вход - накидная гайка с обжимным кольцом под трубку 12мм, выход - внутренняя резьба 1/2-14 NPT, макс. давление 630 бар, материал сталь 1.0715. 7.84
7MF9008-1GB807Фитинг-соединитель, вход - накидная гайка с обжимным кольцом под трубку 12мм, выход - внутренняя резьба 1/2-14 NPT, макс. давление 630 бар, материал нерж. сталь 1.4571. 34.98
7MF9008-1GC807Фитинг-соединитель, вход - накидная гайка с обжимным кольцом под трубку 12мм, выход - внутренняя резьба 1/2-14 NPT, макс. давление 630 бар, материал нерж. сталь 1.4571, исполнение для использования с кислородом. 46.96