0

Разделы

Самоустанавливающийся механизм - Серия CC

Самоустанавливающийся механизм - Серия CC

Самоцентрирующиеся подвижные опоры для весоизмерительных ячеек серии СС лучше всего подходит для работы с резервуарными, бункерными и автомобильными весами.

Дизайн

Качающаяся опора состоит из трех упоров, одной плиты основания и одной головной плиты.

В комбинации с измерительной ячейкой верхние компоненты образуют самоцентрирующийся узел. Это позволяет головной плите и, соответственно, несущей конструкции следовать горизонтальным отклонениям (например, при колебаниях температуры). Конструкция качающейся опоры создает противодействующую силу, которая зависит от величины отклонения и приложенной нагрузки.

Если несущая конструкция отклоняется по горизонтали более, чем на 8 мм, необходимо ограничить боковой ход несущей конструкции (например, с помощью упоров). Необходимо принять меры против подъема несущей конструкции, изменив ее соответствующим образом.

Весоизмерительная ячейка не входит в объем поставки опоры.

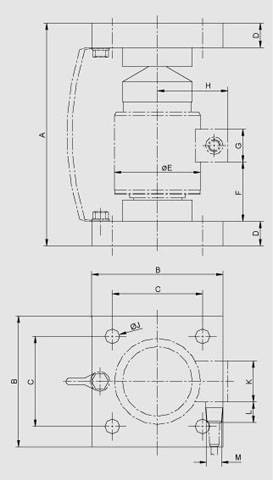
Чертеж

Номинальная нагрузка

A

B

C

D

ØE

F

G

H

ØJ

K

L

M

10 т, 25 т

190

120

90

20

73

32

40

64

14

50

25

1/2" NPT

40 т, 60 т

274

160

110

30

105

72

40

87

18

50

25

1/2" NPT

100 т

385

200

150

40

152

133

40

108

18

50

25

1/2" NPT


Качающаяся опора для весоизмерительных ячеек SIWAREX R серии CC, размеры

Заказные данные

Заказной №ОписаниеВес (кг)ДоставкаМин. зак. (шт)
7MH4136-5EA11SIWAREX R УСТАНОВОЧНЫЙ МОДУЛЬ С САМОУСТАНАВЛИВАЮЩИМСЯ УЗЛОМ ВСТРОЙКИ ДЛЯ СЕРИИ CC, СОСТОИТ ИЗ 3 ПРИЖИМНЫХ КОМПОНЕНТОВ И 2 ПЛАСТИН РАЗМЕЩЕНИЯ, - СДЕЛАНО ИЗ НЕРЖАВЕЮЩЕЙ СТАЛИ - РАСЧЕТНАЯ НАГРУЗКА 10 / 25 T5.92по запросу (D)1
7MH4136-5LA11SIWAREX R УСТАНОВОЧНЫЙ МОДУЛЬ С САМОУСТАНАВЛИВАЮЩИМСЯ УЗЛОМ ВСТРОЙКИ ДЛЯ СЕРИИ CC, СОСТОИТ ИЗ 3 ПРИЖИМНЫХ КОМПОНЕНТОВ И 2 ПЛАСТИН РАЗМЕЩЕНИЯ, - СДЕЛАНО ИЗ НЕРЖАВЕЮЩЕЙ СТАЛИ - РАСЧЕТНАЯ НАГРУЗКА 40 / 60 T15.36по запросу (D)1
7MH4136-6AA11SIWAREX R УСТАНОВОЧНЫЙ МОДУЛЬ С САМОУСТАНАВЛИВАЮЩИМСЯ УЗЛОМ ВСТРОЙКИ ДЛЯ СЕРИИ CC, СОСТОИТ ИЗ 3 ПРИЖИМНЫХ КОМПОНЕНТОВ И 2 ПЛАСТИН РАЗМЕЩЕНИЯ, - СДЕЛАНО ИЗ НЕРЖАВЕЮЩЕЙ СТАЛИ - РАСЧЕТНАЯ НАГРУЗКА 100 T35.84по запросу (D)1