
LCD монитор SCD 1215-E это надежный промышленный монитор с размером дисплея 12“ и строчной частотой 15кГц. Высокие технические характеристики гарантируют отличное качество изображения на протяжении всего срока службы Основные технические характеристики SCD 1215-E : - Частота строк 15 ... 97 кГц
|
Особенности - Растояние от видеоисточника до монитора – до 25 м
- Строчная частота 15... 97 кГц
- Малые монтажные размеры
- Высокая устойчивость к ударам и вибрации
- Низкое рентгеновское излучение
- Высокая электромагнитная совместимость
- Возможно встраивание в шкафы автоматизации
|
Область примененияLCD мониторы могут применяться во многих областях промышленности: - Установках с высоким уровнем электромагнитного излучения
- Информационных терминалах
Возможно применение в следующих системах. - COROS LS-C (25 kHz)
- DISIT, WF 470, CP 527n (15 kHz)
- SIMATIC PC, PCS 7; WinCC, VIDEOMAT
- TELEPERM XP, MX-Terminal
- CP 581, PG 7xx, COROS LS-A/LS-B
Указание Хорошее качество изображения гарантируется только при исправном нормированном сигнале на входе монитора. Информацио по теме „Требования по эксплуатации LCD с 15 kHz и обслуживание“ можно найти в Internet по адресу www.siemens.de/automation/mall. Дополнительную информацию Вы можете получить, нажав кнопку с этим символом. Указание к диагонали экрана Для LCD применима формула – размер CRT монитора плюс 2“ (12“-LCD соответствует 14“-CRT). |
Область применения [PDF] |
ДизайнSCD 1215-E это устройство отображения без функций управления. Кнопки для On-Screen-Display (OSD) находятся сзади. SCD 1215-E предусмотрен для встраивания в шкафы управления. |
ФункцииДля настройки LCD-монитора применяется On-Screen-Display (OSD). SCD 1215-E имеет функцию автоподстройки. |
Технические данные | SCD 1215-E | | Версия | Установка в шкафах управления | | Диагональ в дюймах (см); тип | 12 (31); TFT | | Защитное стекло | Да | | Количество точек (Г x В) в мм | 0.33 x 0.33 | | Видимая область (Г x В) в мм | 246 x 184 | | Яркость кд/м² | 250 | | Контраст (тип.) | 150 : 1 | | Интерфейс | VGA аналоговый | | Видимость под углом (Г/В) | 140°/120° | | Количество цветов | 256 k | | Количество невидимых цветов | 2 | | MTBF свечение | 50,000 ч | | Горизонтальная частота | 15 - 97 кГц | | Вертикальная частота | 50 - 100 Гц | | Синхронизация | Г/В индивидуальная, Г/В сотавная, синхронизация на зеленом | | Оптимальное разрешение в пикселях | 800 x 600 | | Другое расширение в пикселях | 640 x 480 | | Изображение | 1:1, фрейм, зумм | | Установки | OSD | | Клавиши контроля | Сзади | | Кнопка питания | - | | Конекторы сзади | 5 x BNC (75 Ω, могут быть выключены) | | Напряжение питания | AC 115/230 В (DC 24 В:см. аксесуары) | | Частота | 47 до 63 Гц | | Потребление энергии | 30 ВА | | Степень защиты | IP 65 спереди | | Одобрения/рекомендации | CE, UL 1950 | | Допустимая температура окружающей среды | 5 до 45 °C | | Корпус: материал, цвет | Метал, светло серый | | Габариты (Ш x В x Г) в мм | 364 x 284 x 76 | | Вес, около | 5 кг | | Поставляемые аксесуары | Кабель питания, инструкция | |
Технические данные [PDF] |
ДополнительноВ комплект поставки входит: - Сетевой кабель электропитания
Другие аксессуары - DC/DC-преобразователь
- Для подключения 12“- и 15“-LCD-мониторов с питанием от DC 12 V к источнику DC 24 V -. Конвертер преобразует напряжение в DC 12 V.
- Высококачественный видео-кабель:
- Штекер: 15-pin / 3-штекер Sub-D / 5 x BNC.
- EMV-совместимая версия с двумя ферритовыми фильтрами. Имеется кабель длиной 2м или, 5 м.
|
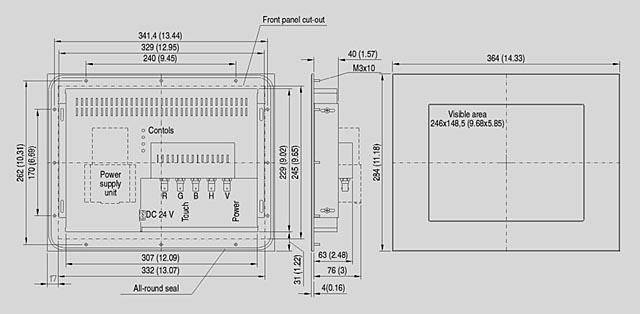
Чертеж SCD 1215-E, чертеж, размеры в мм (дюймах) |
Чертеж [PDF] |
Заказные данные | Заказной № | Описание | Вес (кг) | Доставка | Мин. зак. (шт) | | 6GF6240-4MV | SCD 1297-E, 12" ПРОМЫШЛЕННЫЙ ВСТРАИВАЕМЫЙ LCD МОНИТОР, UL1950/IP65, 800X600 ТОЧЕК, 30-97 КГЦ, DSP МАСШТАБИРОВАНИЕ, ЦВЕТНАЯ TFT ПАНЕЛЬ, OSD, АНАЛОГОВЫЙ ВХОД: 5XBNC (75 ОМ) | 10 | по запросу (D) | 1 | |
Аксессуары | Заказной № | Описание | Вес (кг) | Доставка | Мин. зак. (шт) | | 6AV8107-1BA00-0AA0 | СЕТЕВОЙ БЛОК ПИТАНИЯ =24В ДЛЯ ДИСПЛЕЕВ SCD 1297/ SCD 1597 | 0.215 | 3 - 5 недель (A) | 1 | |
|