0

Разделы

Сенсорные головки Milltronics ILE

Milltronics ILE-37 и ILE-61 это сенсорные головки с внешним датчиком LVDT для расходомеров сыпучих веществ серий A, E, V и C.

 


Особенности

Сенсорные головки Milltronics ILE
  • Простой монтаж благодаря модульной конструкции
  • Точность ± 1 % (или выше) с высокой воспроизводимостью
  • Полностью закрытое, пылезащищенное измерение расхода
  • Для защиты от загрязнений сенсорный механизм расположен вне процесса
  • Благодаря оригинальной механике сенсора отсутствует дрейф нуля
  • Практически не требуется ТО, так как с продуктом контактирует только чувствительная пластина
  • Нет ограничения потока материала

 


Область применения

Сенсорные головки Milltronics ILE

Milltronics ILE-37 и ILE-61 это сенсорные головки с внешним датчиком LVDT для расходомеров сыпучих веществ серий A, E, Vи C. Они используются для различных применений,включая сортировку продуктов, процессы дозирования и управление отгрузкой. Сенсорные головки ILE уже подтвердили свою надежность и долговечность во множестве приложений.

Сенсорные головки ILE измеряют только горизонтальное усилие, вызываемое воздействием падающего материала начувствительную пластину. Это горизонтальное отклонение передается на высоконадежный дифференциальный трансформатор LVDT.

Использование специального шарнирного соединения с малым трением исключает влияние на измерение вертикальных усилий . Перемещения сердечника дифференциального трансформатора ограничивается специальной витой пружиной, которая подбирается в соответствии с максимальным диапазоном расходомера. Специальный демпфер (на основе жидкости с высокой вязкостью) обеспечивает равномерную работу при пульсируюшем потоке материала.

Дифференциальный трансформатор преобразует горизонтальное усилие, пропорциональное расходу, в электрический сигнал.Измерительный преобразователь обрабатывает этот сигнал и индицирует расход и суммарный вес. Такой способ измерения расхода подтвердил свою надежность во множестве приложений.

 

 


Технические данные

Сенсорные головки Milltronics ILE

 

ILE-37

ILE-61

Принцип работы

 

Принцип измерения

Типичное приложение

Типичное приложение

Для всех расходомеров сыпучих веществ серии E, V и A

Данные расхода

 

 

Макс. размер частиц

13 мм

25 мм

Мин. расход

0 ... 0.2 т/ч

0 ... 20 т/ч

Макс. расход

0 ... 40 т/ч

0 ... 300 т/ч

Работа

 

Точность1)

± 1 % от диапазона измерения, более высокая точность при использовании измерительного преобразователя с функцией линеаризации

Воспроизводимость

 ±0.2%

Динамический диапазон

33 - 100%

Свойства материала

 

 

Температура окруж. среды

 

 

  • Без встроенной платы LVDT

-40 ... +60 °C

-40... +60 °C

  • Со встроенной платой LVDT

-40 ... +50 °C

-40 ... +50 °C

Макс. температура продукта

+232 °C

+232 °C

Конструкция

Алюминиевый корпус, крышка из стекловолокна, чувствительная пластина из нерж. стали 1.4306 (AISI 304)

Опции

CSA допуск для Ex-зон Class I, Groups C & D; Class II Groups E, F & G; Class III

Эпоксидный лак, синергический полимер или покрытие внешних поверхностей из алюминиевого литья материалом PFA

Высокая температура сыпучего вещества, до 400 °C

Чувствительная пластина

  • Конструкция из нерж. стали 1.4404 (AISI 316)
  • Чувствительные пластины со специальным покрытием устойчивым для абразивных материалов и материалов со свойствами налипания

Втроенная интерфейсная плата LVDT для использования с измерительным преобразователем SF 500

Внешняя интерфейсная плата LVDT в корпусе NEMA 4 (IP65) для использования с измерительным преобразователем Milltronics SF 500, для монтажа сенсорной головки в Ех-зоне или для высоких температур окружающей среды

Допуски

CE, C-TICK

CE, C-TICK

 1)  Указанная точность измерения: при соблюдении всех требований завода-изготовителя к месту установки и монтажу, точность измерения суммарного веса будет соответствовать значению, указанному в спецификации, при условии калибровки весов с помощью материала. Калибровка должна проводится при расходе соответствующем диапазону измерения весов. Расход материала при проведении процедуры калибровки должен быть постоянным. Длительность процедуры калибровки должна  быть равна времени соответсвующем  трем полным оборотам ленты конвейера или, по крайней мере, 10 минутам.

 


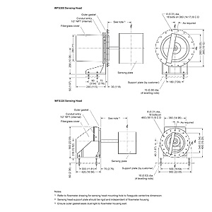
Чертеж

Сенсорные головки Milltronics ILE

Размеры сенсорной головки ILE

 


Схема подключения

Сенсорные головки Milltronics ILE

Схема подключения SITRANS WFS300

 


Заказные данные

Цена на сайте указана розничная в ЕВРО без учета НДС.Для уточнения цены и размера предоставляемой скидки - звоните или присылайте заявки

Заказной номерPGОписание продуктаЦена
7MH7110-.....854SIEMENS MILLTRONICS ILE-37 ИЗМЕРИТЕЛЬНАЯ ГОЛОВКА 6659.98
7MH7112-.....854SIEMENS MILLTRONICS ILE-61 ИЗМЕРИТЕЛЬНАЯ ГОЛОВКА 13158.84

 


Аксессуары

Цена на сайте указана розничная в ЕВРО без учета НДС.Для уточнения цены и размера предоставляемой скидки - звоните или присылайте заявки

Заказной номерPGОписание продуктаЦена
7MH7114-.....854SIEMENS MILLTRONICS ИЗМЕРИТЕЛЬНАЯ ПЛАТА РАСХОДОМЕРА 608.44
7MH7723-1AJ8ZMLVDT ПЛАТА, ИСПЛОЬЗУЕМАЯ С BW500/SF500 И С ВЕСАМИ И РАСХОДОМЕРАМИ НА ОСНОВЕ РАБОТЫ LVDT 298.92
7MH7723-1AL8ZMВХОДНАЯ ДИАФРАГМА ИЗ ТЕФЛОНА R ДЛЯ ILE-37 66.78
7MH7723-1AM8ZMВЫХОДНАЯ ДИАФРАГМА ИЗ ТЕФЛОНА R ДЛЯ ILE-61 214.12
7MH7723-1BA8ZMВХОДНАЯ ДИАФРАГМА ИЗ ТЕФЛОНА R ДЛЯ ILE-37 101.76
7MH7723-1BB8ZMВЫХОДНАЯ ДИАФРАГМА ИЗ ТЕФЛОНА R ДЛЯ ILE-61 268.18
7MH7723-1BN8ZMILE-37,LEAF SPRING KIT,A2 179.14
7MH7723-1BP8ZMILE-37,LEAF SPRING KIT,A3 179.14
7MH7723-1BQ8ZMILE-61,LEAF SPRING KIT 751.54
7MH7723-1DC8ZMREPLACEMENT O-RING KIT, WFS300 42.40
7MH7723-1DD8ZMREPLACEMENT O-RING KIT, WFS320 42.40
7MH7723-1DE8ZMENCAPSULATED LVDT REPLACEMENT KIT 952.94
7MH7723-1DN8ZMSILICONE INNER DIAPHRAGM, ILE-37,SPARE 30.74
7MH7723-1DP8ZMSILICONE OUTER DIAPHRAGM, ILE-37,BASE MOUNT, SPARE 90.10
7MH7723-1DQ8ZMSILICONE INNER DIAPHRAGM, ILE-61,SPARE 112.36
7MH7723-1DR8ZMSILICONE OUTER DIAPHRAGM, ILE-61,SPARE 167.48
7MH7723-1DS8ZMLVDT TRANSFORMER AND CORE, STANDARD,SPARE 577.70
7MH7723-1ET8ZMCARD,LVDT,INTERNAL,SAPRE 120.84
7MH7723-1EU8ZMDAMPING FLUID, E37/61,1000CS, 1LB BOTTLE 54.06
7MH7723-1EV8ZMDAMPING FLUID,E37/61, 3000CS, 1LB BOTTLE 54.06
7MH7723-1EW8ZMDAMPING FLUID,E37/61,5000CS, 1LB BOTTLE 54.06
7MH7723-1EX8ZMRANGE SPRING ASSEMBLY, C2, ILE-37, SPARE 375.24
7MH7723-1EY8ZMRANGE SPRING ASSEMBLY, C3, ILE-37, SPARE 375.24
7MH7723-1FA8ZMRANGE SPRING ASSEMBLY, C4, ILE-37, SPARE 375.24
7MH7723-1FB8ZMRANGE SPRING ASSEMBLY, C5, ILE-37, SPARE 375.24
7MH7723-1FC8ZMRANGE SPRING ASSEMBLY, C6, ILE-37, SPARE 375.24
7MH7723-1FD8ZMRANGE SPRING ASSEMBLY, C7, ILE-37, SPARE 375.24
7MH7723-1FE8ZMRANGE SPRING ASSEMBLY, C8, ILE-37, SPARE 375.24
7MH7723-1FF8ZMRANGE SPRING ASSEMBLY, C9, ILE-37, SPARE 375.24
7MH7723-1FG8ZMRANGE SPRING ASSEMBLY, C10, ILE-37, SPARE 375.24
7MH7723-1FH8ZMRANGE SPRING ASSEMBLY, C11, ILE-37, SPARE 375.24
7MH7723-1FJ8ZMRANGE SPRING ASSEMBLY, C12, ILE-37, SPARE 375.24
7MH7723-1FK8ZMRANGE SPRING ASSEMBLY, C13, ILE-37, SPARE 375.24
7MH7723-1FL8ZMRANGE SPRING ASSEMBLY, C14, ILE-37, SPARE 375.24
7MH7723-1FM8ZMRANGE SPRING ASSEMBLY, D1, ILE-61, SPARE 744.12
7MH7723-1FN8ZMRANGE SPRING ASSEMBLY, D2, ILE-61, SPARE 744.12
7MH7723-1FP8ZMRANGE SPRING ASSEMBLY, D3, ILE-61, SPARE 744.12
7MH7723-1FQ8ZMRANGE SPRING ASSEMBLY, D4, ILE-61, SPARE 744.12
7MH7724-1AC854КАЛИБРОВОЧНЫЙ ГРУЗ 20Г ДЛЯ MILLFLO, ILE 37/ILE 61 19.08
7MH7724-1AD854КАЛИБРОВОЧНЫЙ ГРУЗ 50Г ДЛЯ MILLFLO, ILE 37/ILE 61 29.68
7MH7724-1AE854КАЛИБРОВОЧНЫЙ ГРУЗ 100Г ДЛЯ MILLFLO, ILE 37/ILE 61 41.34
7MH7724-1AF854КАЛИБРОВОЧНЫЙ ГРУЗ 200Г ДЛЯ MILLFLO, ILE 37/ILE 61 53.00
7MH7724-1AG854КАЛИБРОВОЧНЫЙ ГРУЗ 500Г ДЛЯ MILLFLO, ILE 37/ILE 61 104.94
7MH7724-1AH854КАЛИБРОВОЧНЫЙ ГРУЗ 1000Г ДЛЯ MILLFLO, ILE 37/ILE 61 124.02
7MH7724-1AJ854КАЛИБРОВОЧНЫЙ ГРУЗ 2000Г ДЛЯ MILLFLO, ILE 37/ILE 61 139.92
7MH7724-1AK854КАЛИБРОВОЧНЫЙ ГРУЗ 5000Г ДЛЯ MILLFLO, ILE 37/ILE 61 172.78
7ML1998-1CW318ZMИНСТРУКЦИЯ ПО ЭКСПЛУАТАЦИИ ЧУСТВИТ. ЭЛЕМЕНТА ILE-37 НЕМ. ЯЗ. 12.72
7ML1998-5CW018ZMруководство по эксплуатации для расходомера сыпучих веществ 12.72
7ML1998-5CW118ZMинструкция по эксплуатации 12.72
7ML1998-5CX018ZMРУКОВОДСТВО'MILLTRONICS ILE61'SENSIN РУКОВОДСТВО, ENGLISH, FOR MILTRONICS ILE-61 SOLIDS FLOWMETER SENSING HEAD 12.72
7ML1998-5GK018ZMинструкция по эксплуатации для расходомера на сыпучие вещества, английский 12.72
7ML1998-5GK318ZMинструкция по эксплуатации для расходомера на сыпучие вещества, немецкий 12.72