0

Разделы

Серия 642C для демонстрационных целей - Продукты

Серия 642C для демонстрационных целей - Продукты

Весоизмерительная ячейка типа SPA предназначена для монтажа небольших платформенных весов для демонстрационных целей.

Дизайн

Измерительный элемент состоит из алюминиевого сплава.

Технические данные

Весоизмерительная ячейка SIWAREX R, тип SPA

Возможные области применения

Небольшие платформенные весы

Конструктивное исполнение

одиночная

Макс. нагрузка (ном. нагрузка)Eмакс.

20 кг

класс точности по OIML R60

C3

Макс. цена деления nLC

3000

Мин. цена деления Vmin

E макс./6520

Комбинированная погрешность Fcomb

≤ ± 0,02% Cn

Переменность Fv

≤ ± 0,01% Cn

Возврат нулевого сигнала

≤ ± 0,0167% Cn1)

Погрешность ползучести Fcr

 
  • 30 min

≤ ± 0,0245% Cn1)

  • 20 ... 30 мин.

≤ ± 0,0053% Cn1)

Температурный коэффициент

 
  • Нулевой сигнал TKo

≤ ± 0,0112% Cn/5K

  • Показатель TKc

≤ ± 0,0050% Cn/5K

Минимальная предварительная нагрузка Emin

0% Emax.

Макс. рабочая нагрузка Lu

150% Emax.

Разрушающая нагрузка Ld

300% Emax.

Макс. поперечная нагрузка Lu

100% Emax.

Номинальный измерительный путь hn приEmax.

0,25 ± 0,02 мм

Напряжение питания Usr (эталонное значение)

10 В

Напряжение питания (диапазон)

5 до 15 В

Номинальный показательCn

2 мВ/В

Допуск показателя Dc

± 10%

Допуск нулевого сигналаDo

≤ ± 5% Cn

Входное сопротивлениеRe

400 Ω ± 20 Ω

Выходное сопротивлениеRa

350 Ω ± 3,5 Ω

Сопротивление изоляцииRis

≥ 5000 MΩ

Номинальный диапазон температур Btn

-10 ... +40 °C

Диапазон рабочих температур Btu

-30 ... +65 °C

Диапазон температур хранения Bts

-40 ... +70 °C

Материал чувствительного элемента (DIN)

Алюминиевый сплав

Степень защиты согласно DIN EN 60529, IEC 60529

IP65

Максимальные размеры платформы

400 x 400 мм

Максимальный момент затяжки крепежных винтов

15 ... 20 Нм

Кабельная разводка

 

Принцип действия

Цвет

  • EXC + (питание +)
  • красный
  • EXC – (питание –)
  • черный
  • SIG + (измерительный сигнал +)
  • зеленый
  • SIG – (измерительный сигнал –)
  • белый
  • Sense + (линия датчика +)
  • синий
  • Sense – (линия датчика –)
  • коричневый
  • Экран
  • прозрачный

Длина кабеля

3 м


1) Для номинальной температуры от -10 до +40 °C

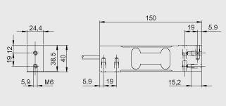
Чертеж

Весоизмерительная ячейка SIWAREX R, тип SPA, размеры

Заказные данные

Заказной №ОписаниеВес (кг)ДоставкаМин. зак. (шт)
7MH4107-2DC01SIWAREX R LOAD CELL TYPE SPA RATED LOAD 20 KG MAX. SCALE INTERVAL 3000 CONNECTING CABLE 3 M MADE OF ALUMINIUM FOR USE IN DEMO SCALES.1по запросу (D)1