0

Разделы

Серия Z для относительного и абсолютного давления - Датчики давления и манометры

Серия Z для относительного и абсолютного давления - Датчики давления и манометры

SITRANS P измерительный преобразователь, серии Z для относительного и абсолютного давления (7MF1564-...)

SITRANS P измерительный преобразователь, серии Z  (7MF1564-...), служит для измерения относительного и абсолютного давления газов и жидкостей.

Особенности

  • Высокая точность измерения
  • Прочный корпус из нерж. стали
  • Для агрессивных и не агрессивных измеряемых веществ
  • Для измерения давления жидкостей, газов и пара
  • Измерительная ячейка с температурной компенсацией
  • Компактная конструкция

Область применения

Измерительные преобразователи серии Z для избыточного и абсолютного давления (7MF1563-...) используются в первую очередь в следующих отраслях промышленности:

  • Химия 
  • Фармацевтика
  • Пищевая промышленность 
  • Машиностроение 
  • Кораблестроение 
  • Водоснабжение

Дизайн

Конструкция измерительного преобразователя давления зависит от диапазона измерения.

Диапазон измерения < 1 бар

Основные компоненты:

  • Корпус из нерж. стали с тензорезистивной кремниевой измерительной ячейкой (с мембраной из нерж. стали и температурной компенсацией) и плата электроники
  • Подключение к процессу по DIN EN 837-1 из нерж. стали, с наружной резьбой G1/2A
  • Электрическое подключение через штекерные разъемы по DIN 43650 с вводом кабеля Pg 9

Измерительные преобразователи давления с ном. диапазоном измерения < 1 бар имеются по выбору с или без взрывозащиты.

Диапазон измерения ≥ 1 бар

Основные компоненты:

  • Корпус из нерж. стали с кримниевой измерительной ячейкой и платой электроники. Кремниевая измерительная ячейка с температурной компенсацией оборудована тонкопленочным тензорезистором (тонкопленочный DMS), который расположен на керамической мембране. Керамическая мембрана может использоваться и для агрессивных веществ.
  • Подключение к процессу по DIN EN 837-1 из нерж. стали, с наружной резьбой G1/2A и внутренней резьбой G1/8A
  • Электрическое подключение через штекерные разъемы по DIN 43 650 с вводом кабеля Pg 9

Измерительные преобразователи давления с ном. диапазоном измерения ≥ 1 бар по выбору посталяются с или без взрывозащиты.

Функции

Измерительный преобразователь давления измеряет относительное и абсолютное давление, а также уровень жидкостей и газов.

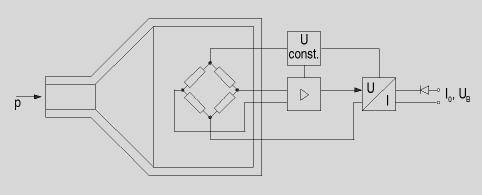
Принцип работы

Измерительный преобразователь давления SITRANS P, серия Z (7MF1564-...), рабочая схема

Принцип работы измерительного преобразователя давления зависит от диапазона измерения.

Диапазон измерения < 1 бар

Кремниевая измерительная ячейка измерительного преобразователя давления оборудована пьезорезистором, на который рабочее давление р передается через силиконовое масло и мембрану из нерж. стали.

Выходное напряжение измерительных ячеек подается на усилитель и преобразуется в выходной ток 4 ... 20 мА. Выходной ток линейно пропорционален входному давлению.

Диапазон измерения ≥ 1 бар

Измерительная ячейка имеет тонкопленочный резистор, на который через керамическую мембрану передается рабочее давление р.

Выходное напряжение измерительных ячеек подается на усилитель и преобразуется в выходной ток 4 ... 20 мА или выходное напряжение DC 0 ... 10 V.

Выходной ток и напряжение линейно пропорциональны входномудавлению.

Технические данные

Измерительный преобразователь SITRANS P, серия Z для избыточного давления, абсолютного давления и уровня

Принцип работы

 

  • Принцип измерения<1 bar (<14.5 psi)
  • Принцип измерения≥1 bar (≥14.5 psi)

Пьезорезисторный

Тонкопленочный резистивный мост

Вход 

 

Измеряемая величина

Избыточное и абсолютное давление

Диапазон измерения

 

  • Избыточное давление 

 

  • Метрическая система

0 ... 400 bar g (0 ... 5802 psi g)

  • Система измерения США

0 ... 6000 psi g

  • Абсолютное давление

 

  • Метрическая система

0 ... 16 bar a (0 ... 232 psi a)

  • Система измерения США

0 ... 300 psi a

Выход 

 

Выходной сигнал

 

  • Ток выходного сигнала

4 ... 20 мA

  • Напряжение выходного сигнала (только измеряемый диапазон≥ 1 bar (14.5 psi))

0 ... 10 В DC

Точность 

 

Погрешность измерения (при 25 °C), отклонение характеристик, гистерезис и повторяемость включены)

0.25 % от кон. знач. - типично

Время регулировки T99

< 0.1 s

Долговременный дрейф

 

  • Начало измерения

0.25 % от кон. знач./год – типично

  • Конец измерения

0.25 % от кон. знач./год – типично

Воздействие внешней температуры

 

  • Начало измерения

0.25 %/10 K (0.25 %/10 K) от кон. знач. - тип.

  • Конец измерения

0.25 %/10 K (0.25 %/10 K) от кон. знач. - тип.

Условия использования

 

Рабочая температура

-30 °C ... +120 °C (-22 … +248 °F)

Температура окружающей среды

-25 °C ... +85 °C (-13 … +185 °F)

Температура хранения

-50 °C ... +100 °C (-58 … +212 °F)

Степень защиты по EN 60529

IP65

Конструктивные особенности 

 

Вес

≈ 0.25 kg (≈ 0.55 lb)

Материал частей, соприк. с изм. в-вом

 

  • Изм. ячейка

 

  • Измерительны диапазон <1 bar (<14.5 psi)

Нержавеющая сталь, 1.4571/316Ti

  • Измерительны диапазон ≥1 bar (≥14.5 psi)

Al2O3 – 96 %

  • Подключение к процессу

Нержавеющая сталь, метериал №. 1.4571/316Ti

  • Уплотнительное кольцо 

Viton

Подключение к процессу

Смотри Выбор и расположение данных

Питание UH

 

Напряжение на клеммах изм. преобразователя

 

  • Для выходного тока

10 ... 36 В DC

  • Для сигнала выходного напряжения (только измерительный диапазон ≥ 1 bar (14.5 psi))

15 ... 36 В DC

Сертификаты и допуски

 

Подразделение согласно руководству по приборам давления (DGRL 97/23/EG)

Для газов флюидной группы 1 и жидкостей флюидной группы 1; отвечает требованиям согласно статье 3 раздел 3 (хорошая инженерная практика)

Взрывозащита

 

  • Искробезопасность „i“ (только для токового выхода)

TÜV 02 ATEX 1953X

  • Обозначение 

Ex II 1/2G EEx ia IIC T4

  • Искробезопасность "T.I.I.S." (только для токового выхода)

Есть

Морской сертификат Ллойда

Сертификат № 03/30003


 

 

Чертеж

Измерительный преобразователь 7MF1564-... с подключением к процессу G½" (внешняя), размеры в мм

Измерительный преобразователь 7MF1564-... с подключением к процессу G¼" (внешняя), размеры в мм

Измерительный преобразователь 7MF1564-... с подключением к процессу 7/16-20 UNF (внешняя), размеры в мм

Измерительный преобразователь 7MF1564-... с подключением к процессу ¼"-18 NPT (внешняя), размеры в мм

Измерительный преобразователь 7MF1564-... с подключением к процессу ¼"-18 NPT (внутренняя), размеры в мм

Измерительный преобразователь 7MF1564-... с подключением к процессу ½"-14 NPT (внешняя), размеры в мм

Измерительный преобразователь 7MF1564-... с подключением к процессу ½"-14 NPT (внутренняя), размеры в мм

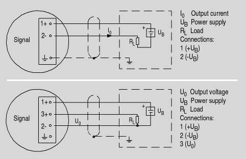
Схема подключения

Измерительный преобразователь давления SITRANS P, серия Z (7MF1564-...), схема соединения, с выходом тока (сверху) и выходом напряжения (снизу)

Заказные данные

Заказной №ОписаниеВес (кг)ДоставкаМин. зак. (шт)
7MF1564-.....-....ИЗМЕРИТЕЛЬНЫЙ ПРЕОБРАЗОВАТЕЛЬ ДАВЛЕНИЯ SITRANS P СЕРИИ Z0.3по запросу (D)1

Заказные данные [PDF]

Загрузить PDF-файл.

Для просмотра информации в формате PDF необходимо установить Adobe Acrobat Reader.
Adobe Acrobat Reader