0

Разделы

Шарнирное соединение для комбинированного монтажного блока

Соединение можно использовать в качестве дополнения к комбинированному монтажному блоку в весоизмерительных ячейках серии SB. Оно используется в том случае, если в ходе взвешивания возникают нежелательные горизонтальные силы, например, в резервуарных весах в процессе смешивания, или в конвейерных весах из-за ускорения взвешиваемого груза.

 


Дизайн

Шарнирное соединение для комбинированного монтажного блока

Соединение состоит из двух шариковых шарниров, переходника и двух фланцев для установки на комбинированном монтажном блоке.

Соединение может быть также установлено в дополнение к комбинированному монтажному элементу, если в процессе эксплуатации весов возникают неожиданные поперечные усилия, а комбинированный монтажный блок установлен согласно требованиям (см. "Соединения").

Соединение служит для отвода горизонтальных сил до 1,7 кН в фундамент и минимизации воздействия на весоизмерительную ячейку и монтажные компоненты.

Весоизмерительная ячейка комбинированный монтажный блок не входят в комплект поставки соединения.

 


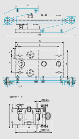
Чертеж

Шарнирное соединение для комбинированного монтажного блока

Номинальная нагрузка

A

B

C

D

E

F

G

ØH

K

L

M

0,5 т, 1 т, 2 т

120

75

22,5

210

170

20

100

12

160

105

15

5 т

150

90

30

250

205

25

120

14

190

140

20

SIWAREX R Соединение для комбинированного монтажного блока для весоизмерительных ячеек серии SB, размеры

 


Заказные данные

Цена на сайте указана розничная в ЕВРО без учета НДС.Для уточнения цены и размера предоставляемой скидки - звоните или присылайте заявки

Заказной номерPGОписание продуктаЦена
7MH4135-4DQ12817SIWAREX R ДОБАВОЧНЫЙ БОКОВОЙ СТЕРЖЕНЬ К КОМБИНИРОВАННОМУ УСТАНОВОЧНОМУ МОДУЛЮ ДЛЯ НАГРУЗОЧНЫХ ЯЧЕЕК СЕРИИ SB РАСЧЕТНАЯ НАГРУЗКА 0.5 T/2 T СДЕЛАНО ИЗ НЕРЖАВЕЮЩЕЙ СТАЛИ 428.24
7MH4135-4KQ12817SIWAREX R ДОБАВОЧНЫЙ БОКОВОЙ СТЕРЖЕНЬ К КОМБИНИРОВАННОМУ УСТАНОВОЧНОМУ МОДУЛЮ ДЛЯ НАГРУЗОЧНЫХ ЯЧЕЕК СЕРИИ RC РАСЧЕТНАЯ НАГРУЗКА 5 T СДЕЛАНО ИЗ НЕРЖАВЕЮЩЕЙ СТАЛИ 412.34