0

Разделы

Силовые модули блочного формата

Силовые модули PM340 конструктивное исполнение блочный формат, типоразмеры от FSA до FSF

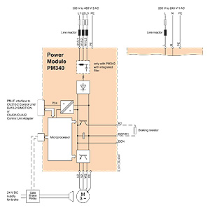
Силовые модули PM340 Конструктивное исполнение блочный формат имеют по умолчанию следующие интерфейсы:

• Присоединения DC-звена DCP/R1 и DCN• Клеммы DCP/R1 и R2 для подключения внешнего тормозного резистора• Интерфейс PM-IF для подключения силового модуля PM340 к модулю управления CU310 или адаптеру модуля управления   CUA31. Силовой модуль PM340 питает от встроенного блока питания также модуль управления CU310 и адаптер CUA31• Подключение двигателя через винтовые клеммы или болты

• Управление безопасным реле управления тормозом или реле управления тормозом для стояночного тормоза• 2 подключения PE / защитного проводника

Силовые модули со встроенным сетевым фильтром подходят только для подключения к сети TN. Силовые модули без встроенного сетевого фильтра предназначены для подключения к заземленным (TN, TT) и незаземленным (IT) сетям.Встроенный блок торможения (тормозной транзистор) рассчитан с таким запасом, что она может включать внешнийТормозной резистор в длительном режиме. Температура внешнего тормозного резистора должна контролироватьсядля защиты от перегрева.

 


Интеграция

Силовые модули блочного формата

Модулипитания PM340 вблоковомформатевзаимодействуютсблокомуправления CU310 илиадаптеромблокауправления CUA31 спомощью PM-IF-интерфейса.

Стандартное подключение модуля питания PM340 в блоковом формате

 

Модуль питания в блоковом формате с блоком управления CU310 DP

Модуль питания в блоковом формате с адаптером блока управления CUA31 DP

 

Многие системные компоненты для модулей питания PM340 разработаны как основные компоненты, т.е. компоненты устанавливаются на основную плату и модуль питания PM340 перед ними конструкции для экономии пространства. Перед друг другом может быть установлено до двух компонентов.

 

FSA

FSB

FSC

FSD

FSE

FSF

Линейный фильтр

X

X

X

X

X

Линейный дроссель (реактор)

Тормозной резистор

Реактор двигателя

✓ подходит для оснонвых типов– = не подходит для основых типовX = недоступно

 

Базовая структура модуля питания PM340 с линейным реактором в качестве основного компонента

Линейные реакторы оборудованы терминалами на линии и собранными заранее кабелями на модуле питания. При установке терминалы сети находятся в верхней части с размерами от FSA до FSC и в нижней части с размерами FSD и FSE

Размер FSA модуля питания PM340 с линейным реактором и линейным фильтром

Если в дополнение к линейному реактору на размера FSA установлен линейный фильтр, компоненты необходимо разместить как показано на диаграмме выше. В этом случае сетевые соединения находятся в нижней части

Размера FSA модуля питания PM340 с линейным реактором и реактором двигателя

Модули питания размера FSB и выше доступны с интегрированными линейными фильтрами, что уменьшает потребность во внешнем линейном фильтре.

Для конфигураций, включающих более двух базовых системных компонентов, например, линейный реактор + реактор двигателя + тормозной резистор, отдельные компоненты необходимо установить сбоку от модуля питания. В этом случае линейный реактор и реактор двигателя должны быть установлены за модулем питания и сбоку от тормозных резисторов.

 


Технические данные

Силовые модули блочного формата

Общие технические данные

Электрические параметры

Напряжение питающей сети

(выше 2000 м (6562 ft) над уровнем моря)

200 В ... 240 В 1 AC ±10 %(-15 % < 1 min) or

380 ... 480 В 3 AC ±10 %(-15 % < 1 min)

Частота сети

47 … 63 Гц

Коэффициент мощности сети

при номинальной мощности

 
  • Базовый коэффициент мощности (cos ϕ1)

> 0.96

  • Всего (λ)
 
  • 200 … 240 V 1 AC

0.45 … 0.7

  • 380 … 480 В 3 AC

0.65 … 0.95

Категория перенапряжений

to EN 60664-1

Class III

Частота предзарядок

DC-контура, max.

1× каждые 30 с

Напряжение DC-контура, ок.

1.35 x напряжение питания

Выходная частота

 
  • Способ управления Servo

0 … 650 Гц 1)

  • Способ управления Vector

0 … 300 Гц 1)

  • Способ управления V/f

0 … 600 Гц 1)

Питание электроники

24 В DC -15 %/+20 %

Подавление радиопомех

  • Стандарт

Без подавления радиопомех

  • Со встроенным сетевым фильтром

Категория C2 по EN 61800‑3

Условия окружающей среды

Способ охлаждения

Принудительное охлаждение встроенным вентилятором

Допустимая температура окружающей среды или теплоносителя (воздух)

при работе сетевых компонентов, Силовых модулей

0 … 40 °C (32  … 104 °F) без снижения,> 40 … 55 °C (104  … 131 °F) см. снижение характеристик

Высота установки

Выше 1000 м (3281 ft) над уровнем моря без снижения,> 1000 ... 4000 м (3281 ... 13124 ft) над уровнем моря см. снижение характеристик

Соответствие

CE (директивы по низкому напряжению и EMC)

Аппробации

cULus

  • 200 … 240 V 1 AC
 
  • Габарит FSA

File No. E192450

  • 380 … 480 В 3 AC
 
  • Габаритs FSA … FSC

File No. E121068

  • Габаритs FSD … FSF

File No. E192450

Safety Integrated

Safety Integrity Level 2 (SIL 2) to IEC 61508,control категория 3 to EN 954-1(для дополнительной информации, см. главу Safety Integrated)

1) Примечание: корреляция между макс. выходной частотой, частота модуляции и снижение тока, см. Описание системы.

Напряжение питания 200 ... 240 V 1 AC

Силовые модули PM340 в блочном формате

   

6SL3210-1SB11‑0...

6SL3210-1SB12‑3...

6SL3210-1SB14‑0...

Выходной ток

       
  • Номинальный ток Iном.

A

0.9

2.3

3.9

  • Ток базовой нагрузки IH

A

0.8

2.0

3.4

  • Для режима S6 (40 %) IS6

A

1.4

3.3

5.5

  • I max

A

2.0

4.6

7.8

Типовая оценка 3)

на основе Iном.

кВт (л.с.)

0.12 (0.2)

0.37 (0.5)

0.75 (0.75)

Ном. частота модуляции

кГц

4

4

4

Потери мощности

кВт

0.06

0.075

0.11

Потребность в охлаждающем воздухе

m3/с (ft3/s)

0.005 (0.02)

0.005 (0.02)

0.005 (0.02)

Уровень звукового давления LpA (1 m)

dB

< 45

< 45

< 45

24 V DC питание

для Модуля управления

A

1.0

1.0

1.0

Ном. входной ток 1)

с/без сетевого дросселя

A

1.4/2.2

4/6

6.5/10

Значение сопротивления

внешнего тормозного резистора

Ω 

≥ 180

≥ 180

≥ 180

Длина кабеля

до тормозного резистора, max.

м (ft)

15 (49)

15 (49)

15 (49)

Подключение сети

L, N

 

Винтовые клеммы

Винтовые клеммы

Винтовые клеммы

  • Сечение кабеля

мм2

1.0 … 2.5

1.0 … 2.5

1.0 … 2.5

Подключение двигателя

U2, V2, W2

 

Винтовые клеммы

Винтовые клеммы

Винтовые клеммы

  • Сечение кабеля

мм2

1.0 … 2.5

1.0 … 2.5

1.0 … 2.5

Подключение DC-контура, connection for the тормозной резистор

DCP/R1, DCN, R2

 

Винтовые клеммы

Винтовые клеммы

Винтовые клеммы

  • Сечение кабеля

мм2

1.0 … 2.5

1.0 … 2.5

1.0 … 2.5

Подключение PE

 

Винты M4

Винты M4

Винты M4

Кабель двигателя длина 2), max.

(без внешних опций)

       
  • Экранированный

м (ft)

50 (164)

50 (164)

50 (164)

  • Неэкранированный

м (ft)

75 (246)

75 (246)

75 (246)

Степень защиты

 

IP20

IP20

IP20

Размеры

       
  • Ширина

мм (in)

73 (2.87)

73 (2.87)

73 (2.87)

  • Высота

мм (in)

173 (6.81)

173 (6.81)

173 (6.81)

  • Глубина
       
  • PM340

мм (in)

145 (5.71)

145 (5.71)

145 (5.71)

  • PM340 с CU310

мм (in)

234.6 (9.24)

234.6 (9.24)

234.6 (9.24)

  • PM340 с CUA31/CUA32

мм (in)

175.3 (6.90)

175.3 (6.90)

175.3 (6.90)

Габарит

 

FSA

FSA

FSA

Вес, ок.

кг (lb)

1.2 (3)

1.3 (3)

1.3 (3)

1) Входной ток зависит от нагрузки двигателя и сопротивления сети. Входные токи относятся к номинальной мощности нагрузки (на основе Iном.) для сопротивления сети, соответствующего uk = 1 %.

2) Max. длина кабеля двигателя 15 м (49 ft) (экранированный) для силового модуля PM340 со встроенным сетевым фильтром для ограничения предельных величин согласно EN 61800-3 категория C2.

3) Номинальная мощность рассчитывается на базе стандартного асинхронного двигателя. Для специальных случаев выбор осуществляется на основе номинального тока двигателя и требуемой перегрузки.

Напряжение питания 380 ... 480 V 3 AC

Силовые модули PM340 в блочном формате

   

6SL3210-1SE11‑3UA0

6SL3210-1SE11‑7UA0

6SL3210-1SE12‑2UA0

6SL3210-1SE13‑1UA0

6SL3210-1SE14‑1UA0

Выходной ток

           
  • Номинальный ток Iном.

A

1.3

1.7

2.2

3.1

4.1

  • Ток базовой нагрузки IH

A

1.1

1.5

1.9

2.7

3.6

  • Для режима S6 (40 %) IS6

A

1.3

2.0

2.5

3.5

4.5

  • I max

A

2.6

3.4

4.4

6.2

8.2

Типовая оценка 1)

           
  • На основе Iном.

кВт (л.с.)

0.37 (0.5)

0.55 (0.75)

0.75 (1)

1.1 (1.5)

1.5 (2)

  • На основе IH

кВт (л.с.)

0.37 (0.5)

0.55 (0.5)

0.75 (0.75)

1.1 (1)

1.5 (2)

Ном. частота модуляции

кГц

4

4

4

4

4

Потери мощности

кВт

0.10

0.10

0.10

0.11

0.11

Потребность в охлаждающем воздухе

m3/с (ft3/s)

0.005 (0.2)

0.005 (0.2)

0.005 (0.2)

0.005 (0.2)

0.005 (0.2)

Уровень звукового давления LpA (1 м)

dB

< 45

< 45

< 45

< 45

< 45

24 В DC питание

для Модуля управления

A

1.0

1.0

1.0

1.0

1.0

Ном. входной ток 2)

с/без сетевого дросселя

A

1.3/1.7

1.7/2.2

2.2/2.6

3.1/3.9

4.1/4.8

Значение сопротивления

внешнего тормозного резистора

Ω 

≥ 390

≥ 390

≥ 390

≥ 390

≥ 390

Длина кабеля

до тормозного резистора, max.

м (ft)

15 (49)

15 (49)

15 (49)

15 (49)

15 (49)

Подключение сети

L1, L2, L3

 

Винтовые клеммы

Винтовые клеммы

Винтовые клеммы

Винтовые клеммы

Винтовые клеммы

  • Сечение кабеля

мм2

1.0 … 2.5

1.0 … 2.5

1.0 … 2.5

1.0 … 2.5

1.0 … 2.5

Подключение двигателя

U2, V2, W2

 

Винтовые клеммы

Винтовые клеммы

Винтовые клеммы

Винтовые клеммы

Винтовые клеммы

  • Сечение кабеля

мм2

1.0 … 2.5

1.0 … 2.5

1.0 … 2.5

1.0 … 2.5

1.0 … 2.5

Подключение DC-контура, подключение для тормозного резистора

DCP/R1, DCN, R2

 

Винтовые клеммы

Винтовые клеммы

Винтовые клеммы

Винтовые клеммы

Винтовые клеммы

  • Сечение кабеля

мм2

1.0 … 2.5

1.0 … 2.5

1.0 … 2.5

1.0 … 2.5

1.0 … 2.5

Подключение PE

 

Винты M4

Винты M4

Винты M4

Винты M4

Винты M4

Кабель двигателя длина 3), max.

           
  • Экранированный

м (ft)

50 (164)

50 (164)

50 (164)

50 (164)

50 (164)

  • Неэкранированный

м (ft)

75 (246)

75 (246)

75 (246)

75 (246)

75 (246)

Степень защиты

 

IP20

IP20

IP20

IP20

IP20

Размеры

           
  • Ширина

мм (in)

73 (2.87)

73 (2.87)

73 (2.87)

73 (2.87)

73 (2.87)

  • Высота

мм (in)

173 (6.81)

173 (6.81)

173 (6.81)

173 (6.81)

173 (6.81)

  • Глубина
           
  • PM340

мм (in)

145 (5.71)

145 (5.71)

145 (5.71)

145 (5.71)

145 (5.71)

  • PM340 с CU310

мм (in)

234.6 (9.24)

234.6 (9.24)

234.6 (9.24)

234.6 (9.24)

234.6 (9.24)

  • PM340 с CUA31/CUA32

мм (in)

175.3 (6.90)

175.3 (6.90)

175.3 (6.90)

175.3 (6.90)

175.3 (6.90)

Габарит

 

FSA

FSA

FSA

FSA

FSA

Вес, ок.

кг (lb)

1.2 (3)

1.2 (3)

1.2 (3)

1.2 (3)

1.2 (3)

1) Номинальная мощность рассчитывается на базе стандартного асинхронного двигателя и 460 V AC. Для специальных случаев выбор осуществляется на основе номинального тока двигателя и требуемой перегрузки.

2) Входной ток зависит от нагрузки двигателя и сопротивления сети. Входные токи относятся к номинальной мощности нагрузки (на основе Iном.) для сопротивления сети, соответствующего uk = 1 %.

3) Max. длина кабеля двигателя 25 m (82 ft) (экранированный) для силового модуля PM340 со встроенным сетевым фильтром для ограничения предельных величин согласно EN 61800-3 категория C2.

Напряжение питания 380 ... 480 V 3 AC

Силовые модули PM340 в блочном формате

   

6SL3210-1SE16-0...

6SL3210-1SE17-7...

6SL3210-1SE21‑0...

6SL3210-1SE21-8...

6SL3210-1SE22-5...

6SL3210-1SE23‑2...

Выходной ток

             
  • Номинальный ток Iном.

A

5.9

7.7

10.2

18

25

32

  • Ток базовой нагрузки IH

A

5.2

6.8

9.1

14

21

27

  • Для режима S6 (40 %) IS6

A

6.4

8.3

10.8

19.6

27.8

37.1

  • I max

A

11.8

15.4

20.4

26.4

38

52

Типовая оценка 1)

             
  • На основе Iном.

кВт (л.с.)

2.2 (3)

3 (5)

4 (5)

7.5 (10)

11 (15)

15 (20)

  • На основе IH

кВт (л.с.)

2.2 (3)

3 (4)

4 (5)

5.5 (10)

7.5 (15)

11 (20)

Ном. частота модуляции

кГц

4

4

4

4

4

4

Потери мощности

кВт

0.14

0.16

0.18

0.24

0.30

0.40

Потребность в охлаждающем воздухе

m3/с (ft3/s)

0.009 (0.3)

0.009 (0.3)

0.009 (0.3)

0.038 (1.3)

0.038 (1.3)

0.038 (1.3)

Уровень звукового давления LpA (1 m)

dB

< 50

< 50

< 50

< 60

< 60

< 60

24 В DC питание

для Модуля управления

A

1.0

1.0

1.0

1.0

1.0

1.0

Ном. входной ток 2)

с/без сетевого дросселя

A

5.6/6.7

7.5/8.9

9.8/12.4

17.1/23.1

24.6/32.6

33/39

Значение сопротивления

внешнего тормозного резистора

Ω 

≥ 160

≥ 160

≥ 160

≥ 56

≥ 56

≥ 56

Длина кабеля

до тормозного резистора, max.

м (ft)

15 (49)

15 (49)

15 (49)

15 (49)

15 (49)

15 (49)

Подключение сети

L1, L2, L3

 

Винтовые клеммы

Винтовые клеммы

Винтовые клеммы

Винтовые клеммы

Винтовые клеммы

Винтовые клеммы

  • Сечение кабеля

мм2

1.0 … 6

1.0 … 6

1.0 … 6

2.5 … 10

2.5 … 10

2.5 … 10

Подключение двигателя

U2, V2, W2

 

Винтовые клеммы

Винтовые клеммы

Винтовые клеммы

Винтовые клеммы

Винтовые клеммы

Винтовые клеммы

  • Сечение кабеля

мм2

1.0 … 6

1.0 … 6

1.0 … 6

2.5 … 10

2.5 … 10

2.5 … 10

Подключение DC-контура, подключение для тормозного резистора

DCP/R1, DCN, R2

 

Винтовые клеммы

Винтовые клеммы

Винтовые клеммы

Винтовые клеммы

Винтовые клеммы

Винтовые клеммы

  • Сечение кабеля

мм2

1.0 … 6

1.0 … 6

1.0 … 6

2.5 … 10 10

2.5 … 10 10

2.5 … 10 10

Подключение PE

 

Винт M5

Винт M5

Винт M5

Винт M5

Винт M5

Винт M5

Кабель двигателя длина 3), max.

             
  • Экранированный

м (ft)

50 (164)

50 (164)

50 (164)

50 (164)

50 (164)

50 (164)

  • Неэкранированный

м (ft)

75 (246)

75 (246)

75 (246)

75 (246)

75 (246)

75 (246)

Степень защиты

 

IP20

IP20

IP20

IP20

IP20

IP20

Размеры

             
  • Ширина

мм (in)

153 (6.02)

153 (6.02)

153 (6.02)

188.4 (7.42)

188.4 (7.42)

188.4 (7.42)

  • Высота

мм (in)

270 (10.63)

270 (10.63)

270 (10.63)

333.4 (13.13)

333.4 (13.13)

333.4 (13.13)

  • Глубина
             
  • PM340

мм (in)

165 (6.50)

165 (6.50)

165 (6.50)

185 (7.28)

185 (7.28)

185 (7.28)

  • PM340 с CU310

мм (in)

254.6 (10.02)

254.6 (10.02)

254.6 (10.02)

274.6 (10.81)

274.6 (10.81)

274.6 (10.81)

  • PM340 с CUA31/CUA32

мм (in)

195.3 (7.69)

195.3 (7.69)

195.3 (7.69)

215.3 (8.48)

215.3 (8.48)

215.3 (8.48)

Габарит

 

FSB

FSB

FSB

FSC

FSC

FSC

Вес, ок.

кг (lb)

4.0 (9)

4.0 (9)

4.0 (9)

6.5 (14)

6.5 (14)

6.5 (14)

1) Номинальная мощность рассчитывается на базе стандартного асинхронного двигателя и 460 V AC. Для специальных случаев выбор осуществляется на основе номинального тока двигателя и требуемой перегрузки.

2) Входной ток зависит от нагрузки двигателя и сопротивления сети. Входные токи относятся к номинальной мощности нагрузки (на основе Iном.) для сопротивления сети, соответствующего uk = 1 %.

3) Max. длина кабеля двигателя 25 m (82 ft) (экранированный) для силового модуля PM340 со встроенным сетевым фильтром для ограничения предельных величин согласно EN 61800-3 категория C2.

Напряжение питания 380 ... 480 V 3 AC

Силовые модули PM340 в блочном формате

   

6SL3210-1SE23‑8...

6SL3210-1SE24-5...

6SL3210-1SE26‑0...

6SL3210-1SE27-5...

6SL3210-1SE31‑0...

Выходной ток

           
  • Номинальный ток Iном.

A

38

45

60

75

90

  • Ток базовой нагрузки IH

A

33

40

48

65

80

  • Для режима S6 (40 %) IS6

A

49

58

78

98

117

  • I max

A

64

76

90

124

150

Типовая оценка 1)

           
  • На основе Iном.

кВт (л.с.)

18.5 (25)

22 (30)

30 (40)

37 (50)

45 (60)

  • На основе IH

кВт (л.с.)

15 (20)

18.5 (30)

22 (30)

30 (50)

37 (60)

Ном. частота модуляции

кГц

4

4

4

4

4

Потери мощности

кВт

0.38

0.51

0.69

0.99

1.21

Потребность в охлаждающем воздухе

m3/с (ft3/s)

0.022 (0.8)

0.022 (0.8)

0.039 (1.4)

0.022 (0.8)

0.039 (1.4)

Уровень звукового давления LpA (1 m)

dB

< 60

< 60

< 61

< 60

62

24 В DC питание

для Модуля управления

A

1.0

1.0

1.0

1.0

1.0

Ном. входной ток 2)

с/без сетевого дросселя

A

40/46

47/53

63/72

78/88

94/105

Значение сопротивления

внешнего тормозного резистора

Ω 

≥ 27

≥ 27

≥ 27

≥ 15

≥ 15

Длина кабеля

до тормозного резистора, max.

м (ft)

15 (49)

15 (49)

15 (49)

15 (49)

15 (49)

Подключение сети

L1, L2, L3

 

Винтовые клеммы M6

Винтовые клеммы M6

Винтовые клеммы M6

Винтовые клеммы M6

Винтовые клеммы M6

  • Сечение кабеля

мм2

10 … 35

10 … 35

10 … 35

10 … 35

10 … 35

Подключение двигателя

U2, V2, W2

 

Винтовые клеммы M6

Винтовые клеммы M6

Винтовые клеммы M6

Винтовые клеммы M6

Винтовые клеммы M6

  • Сечение кабеля

мм2

10 … 35

10 … 35

10 … 35

10 … 35

10 … 35

Подключение DC-контура, подключение для тормозного резистора

DCP/R1, DCN, R2

 

Винтовые клеммы M6

Винтовые клеммы M6

Винтовые клеммы M6

Винтовые клеммы M6

Винтовые клеммы M6

  • Сечение кабеля

мм2

10 … 35

10 … 35

10 … 35

10 … 35

10 … 35

Подключение PE

 

Винт M6

Винт M6

Винт M6

Винт M6

Винт M6

Кабель двигателя длина 3), max.

           
  • Экранированный

м (ft)

70 (230)

70 (230)

70 (230)

70 (230)

70 (230)

  • Неэкранированный

м (ft)

100 (328)

100 (328)

100 (328)

100 (328)

100 (328)

Степень защиты

 

IP20

IP20

IP20

IP20

IP20

Размеры

           
  • Ширина

мм (in)

275 (10.83)

275 (10.83)

275 (10.83)

275 (10.83)

275 (10.83)

  • ВысотаPM340 без/со встроенным фильтром
 

418.3/511 (16.47/20.12)

418.3/511 (16.47/20.12)

418.3/511 (16.47/20.12)

498.3/633 (19.62/24.92)

498.3/633 (19.62/24.92)

  • Глубина
           
  • PM340

мм (in)

203.5 (8.01)

203.5 (8.01)

203.5 (8.01)

203.5 (8.01)

203.5 (8.01)

  • PM340 с CU310

мм (in)

293.1 (11.54)

293.1 (11.54)

293.1 (11.54)

293.1 (11.54)

293.1 (11.54)

  • PM340 с CUA31/CUA32

мм (in)

233.8 (9.20)

233.8 (9.20)

233.8 (9.20)

233.8 (9.20)

233.8 (9.20)

Габарит

 

FSD

FSD

FSD

FSE

FSE

Вес, ок.

PM340 без/со встроенным фильтром

кг (lb)

15.9/19.3 (35/43)

15.9/19.3 (35/43)

15.9/19.3 (35/43)

19.8/27.1 (44/60)

19.8/27.1 (44/60)

1) Номинальная мощность рассчитывается на базе стандартного асинхронного двигателя и 460 V AC. Для специальных случаев выбор осуществляется на основе номинального тока двигателя и требуемой перегрузки.

2) Входной ток зависит от нагрузки двигателя и сопротивления сети. Входные токи относятся к номинальной мощности нагрузки (на основе Iном.) для сопротивления сети, соответствующего uk = 1 %.

3) Max. длина кабеля двигателя 25 m (82 ft) (экранированный) для силового модуля PM340 со встроенным сетевым фильтром для ограничения предельных величин согласно EN 61800-3 категория C2.

Напряжение питания 380 ... 480 V 3 AC

Силовые модули PM340 в блочном формате

   

6SL3210-1SE31‑1...

6SL3210-1SE31‑5...

6SL3210-1SE31‑8...

Выходной ток

       
  • Номинальный ток Iном.

A

110

145

178

  • Ток базовой нагрузки IH

A

95

115

155

  • Для режима S6 (40 %) IS6

A

143

188

231

  • I max

A

180

220

290

Типовая оценка 1)

       
  • На основе Iном.

кВт (л.с.)

55 (75)

75 (100)

90 (125)

  • На основе IH

кВт (л.с.)

45 (60)

55 (75)

75 (100)

Ном. частота модуляции

кГц

4

4

4

Потери мощности

кВт

1.42

1.93

2.31

Потребность в охлаждающем воздухе

m3/с (ft3/s)

0.094 (3.3)

0.094 (3.3)

0.117 (4.1)

Уровень звукового давления LpA (1 m)

dB

< 60

< 60

65

24 В DC питание

для Модуля управления

A

1.0

1.0

1.0

Ном. входной ток 2)

с/без сетевого дросселя

A

115/129

151/168

186/204

Значение сопротивления

внешнего тормозного резистора

Ω 

≥ 8.2

≥ 8.2

≥ 8.2

Длина кабеля

до тормозного резистора, max.

м (ft)

15 (50)

15 (50)

15 (50)

Подключение сети

U1/L1, V1/L2, W1/L3

 

Винтовые клеммы M8

Винтовые клеммы M8

Винтовые клеммы M8

  • Сечение кабеля, max.

мм2

120 или 2 × 50

120 или 2 × 50

120 или 2 × 50

Подключение двигателя

U2, V2, W2

 

Винтовые клеммы M8

Винтовые клеммы M8

Винтовые клеммы M8

  • Сечение кабеля, max.

мм2

120 или 2 × 50

120 или 2 × 50

120 или 2 × 50

Подключение DC-контура, подключение для тормозного резистора

DCP/R1, DCN, R2

 

Винтовые клеммы M8

Винтовые клеммы M8

Винтовые клеммы M8

  • Сечение кабеля, max.

мм2

120 или 2 × 50

120 или 2 × 50

120 или 2 × 50

Подключение PE

 

Винт M8

Винт M8

Винт M8

Кабель двигателя длина 3), max.

       
  • Экранированный

м (ft)

70 (230)

70 (230)

70 (230)

  • Неэкранированный

м (ft)

100 (328)

100 (328)

100 (328)

Степень защиты

 

IP20

IP20

IP20

Размеры

       
  • Ширина

мм (in)

350 (13.78)

350 (13.78)

350 (13.78)

  • ВысотаPM340 без/со встроенным фильтром

мм (in)

634/934 (24.96/36.77)

634/934 (24.96/36.77)

634/934 (24.96/36.77)

  • Глубина
       
  • PM340

мм (in)

315.5 (12.42)

315.5 (12.42)

315.5 (12.42)

  • PM340 с CU310

мм (in)

405.1 (15.95)

405.1 (15.95)

405.1 (15.95)

  • PM340 с CUA31/CUA32

мм (in)

345.8 (13.61)

345.8 (13.61)

345.8 (13.61)

Габарит

 

FSF

FSF

FSF

Вес, ок.

PM340 без/со встроенным фильтром

кг (lb)

50.7/66.7 (112/147)

50.7/66.7 (112/147)

50.7/66.7 (112/147)

1) Номинальная мощность рассчитывается на базе стандартного асинхронного двигателя и 460 V AC. Для специальных случаев выбор осуществляется на основе номинального тока двигателя и требуемой перегрузки.

2) Входной ток зависит от нагрузки двигателя и сопротивления сети. Входные токи относятся к номинальной мощности нагрузки (на основе Iном.) для сопротивления сети, соответствующего uk = 1 %.

3) Max. длина кабеля двигателя 25 m (82 ft) (экранированный) для силового модуля PM340 со встроенным сетевым фильтром для ограничения предельных величин согласно EN 61800-3 категория C2.

 


Характеристика

Силовые модули блочного формата
Перегрузочная способность

Нагрузочный цикл с преднагрузкой

Нагрузочный цикл без преднагрузки

S6 нагрузочный цикл с преднагрузкой при длительности цикла 600 c

S6 нагрузочный цикл с преднагрузкой при длительности цикла 60 c

Нагрузочный цикл с 60 с перегрузкой при длительности цикла 300 c

Нагрузочный цикл с 30 с перегрузкой при длительности цикла 300 c

Снижение характеристик
  • Габариты от FSA до FSE

Выходной ток в зависимости от частоты модуляции

  • Габарит FSF

Выходной ток в зависимости от частоты модуляции

Выходной ток в зависимости от окружающей температуры

Выходной ток в зависимости от высоты установки

Снижение напряжения в зависимости от высоты установки

 


Заказные данные

Цена на сайте указана розничная в ЕВРО без учета НДС.Для уточнения цены и размера предоставляемой скидки - звоните или присылайте заявки

Заказной номерPGОписание продуктаЦена
6SL3210-1SB11-0AA0771SINAMICS S120 СИЛОВОЙ МОДУЛЬ PM340 ВХОД: 1-ФАЗН. 200-240В, 50/60 ГЦ ВЫХОД: 3-ФАЗН. 0,9A (0,12 КВТ) ИСПОЛНЕНИЕ: БЛОЧНЫЙ ФОРМАТ, ТИПОРАЗМЕР: FSА СО ВСТРОЕННЫМ СЕТЕВЫМ ФИЛЬТРОМ ВНУТРЕННЕЕ ВОЗДУШНОЕ ОХЛАЖДЕНИЕ 297.93
6SL3210-1SB11-0UA0771SINAMICS S120 СИЛОВОЙ МОДУЛЬ PM340 ВХОД: 1-ФАЗН. 200-240В, 50/60 ГЦ ВЫХОД: 3-ФАЗН. 0,9A (0,12 КВТ) ИСПОЛНЕНИЕ: БЛОЧНЫЙ ФОРМАТ, ТИПОРАЗМЕР: FSА ВНУТРЕННЕЕ ВОЗДУШНОЕ ОХЛАЖДЕНИЕ 258.58
6SL3210-1SB12-3AA0771SINAMICS S120 СИЛОВОЙ МОДУЛЬ PM340 ВХОД: 1-ФАЗН. 200-240В, 50/60 ГЦ ВЫХОД: 3-ФАЗН. 2,3A (0,37 КВТ) ИСПОЛНЕНИЕ: БЛОЧНЫЙ ФОРМАТ, ТИПОРАЗМЕР: FSА СО ВСТРОЕННЫМ СЕТЕВЫМ ФИЛЬТРОМ ВНУТРЕННЕЕ ВОЗДУШНОЕ ОХЛАЖДЕНИЕ 342.89
6SL3210-1SB12-3UA0771SINAMICS S120 СИЛОВОЙ МОДУЛЬ PM340 ВХОД: 1-ФАЗН. 200-240В, 50/60 ГЦ ВЫХОД: 3-ФАЗН. 2,3A (0,37 КВТ) ИСПОЛНЕНИЕ: БЛОЧНЫЙ ФОРМАТ, ТИПОРАЗМЕР: FSА ВНУТРЕННЕЕ ВОЗДУШНОЕ ОХЛАЖДЕНИЕ 297.93
6SL3210-1SB14-0AA0771SINAMICS S120 СИЛОВОЙ МОДУЛЬ PM340 ВХОД: 1-ФАЗН. 200-240В, 50/60 ГЦ ВЫХОД: 3-ФАЗН. 3,9A (0,75 КВТ) ИСПОЛНЕНИЕ: БЛОЧНЫЙ ФОРМАТ, ТИПОРАЗМЕР: FSА СО ВСТРОЕННЫМ СЕТЕВЫМ ФИЛЬТРОМ ВНУТРЕННЕЕ ВОЗДУШНОЕ ОХЛАЖДЕНИЕ 399.11
6SL3210-1SB14-0UA0771SINAMICS S120 СИЛОВОЙ МОДУЛЬ PM340 ВХОД: 1-ФАЗН. 200-240В, 50/60 ГЦ ВЫХОД: 3-ФАЗН. 3,9A (0,75 КВТ) ИСПОЛНЕНИЕ: БЛОЧНЫЙ ФОРМАТ, ТИПОРАЗМЕР: FSА ВНУТРЕННЕЕ ВОЗДУШНОЕ ОХЛАЖДЕНИЕ 342.89
6SL3210-1SE11-3UA0771SINAMICS S120 СИЛОВОЙ МОДУЛЬ PM340 ВХОД: 3-ФАЗН. 380-480 В, 50/60 ГЦ ВЫХОД: 3-ФАЗН. 1,3A (0,37 КВТ) ИСПОЛНЕНИЕ: БЛОЧНЫЙ ФОРМАТ, ТИПОРАЗМЕР: FSА ВНУТРЕННЕЕ ВОЗДУШНОЕ ОХЛАЖДЕНИЕ 281.07
6SL3210-1SE11-7UA0771SINAMICS S120 СИЛОВОЙ МОДУЛЬ PM340 ВХОД: 3-ФАЗН. 380-480 В, 50/60 ГЦ ВЫХОД: 3-ФАЗН. 1,7A (0,55 КВТ) ИСПОЛНЕНИЕ: БЛОЧНЫЙ ФОРМАТ, ТИПОРАЗМЕР: FSА ВНУТРЕННЕЕ ВОЗДУШНОЕ ОХЛАЖДЕНИЕ 303.55
6SL3210-1SE12-2UA0771SINAMICS S120 СИЛОВОЙ МОДУЛЬ PM340 ВХОД: 3-ФАЗН. 380-480 В, 50/60 ГЦ ВЫХОД: 3-ФАЗН. 2,2A (0,75 КВТ) ИСПОЛНЕНИЕ: БЛОЧНЫЙ ФОРМАТ, ТИПОРАЗМЕР: FSА ВНУТРЕННЕЕ ВОЗДУШНОЕ ОХЛАЖДЕНИЕ 326.04
6SL3210-1SE13-1UA0771SINAMICS S120 СИЛОВОЙ МОДУЛЬ PM340 ВХОД: 3-ФАЗН. 380-480 В, 50/60 ГЦ ВЫХОД: 3-ФАЗН. 3,1A (1,1 КВТ) ИСПОЛНЕНИЕ: БЛОЧНЫЙ ФОРМАТ, ТИПОРАЗМЕР: FSА ВНУТРЕННЕЕ ВОЗДУШНОЕ ОХЛАЖДЕНИЕ 371.00
6SL3210-1SE14-1UA0771SINAMICS S120 СИЛОВОЙ МОДУЛЬ PM340 ВХОД: 3-ФАЗН. 380-480 В, 50/60 ГЦ ВЫХОД: 3-ФАЗН. 4,1A (1,5 КВТ) ИСПОЛНЕНИЕ: БЛОЧНЫЙ ФОРМАТ, ТИПОРАЗМЕР: FSА ВНУТРЕННЕЕ ВОЗДУШНОЕ ОХЛАЖДЕНИЕ 438.46
6SL3210-1SE16-0AA0771SINAMICS S120 СИЛОВОЙ МОДУЛЬ PM340 ВХОД: 3-ФАЗН. 380-480 В, 50/60 ГЦ ВЫХОД: 3-ФАЗН. 5,9A (2,2 КВТ) ИСПОЛНЕНИЕ: БЛОЧНЫЙ ФОРМАТ, ТИПОРАЗМЕР: FSB СО ВСТРОЕННЫМ СЕТЕВЫМ ФИЛЬТРОМ ВНУТРЕННЕЕ ВОЗДУШНОЕ ОХЛАЖДЕНИЕ 646.44
6SL3210-1SE16-0UA0771SINAMICS S120 СИЛОВОЙ МОДУЛЬ PM340 ВХОД: 3-ФАЗН. 380-480 В, 50/60 ГЦ ВЫХОД: 3-ФАЗН. 5,9A (2,2 КВТ) ИСПОЛНЕНИЕ: БЛОЧНЫЙ ФОРМАТ, ТИПОРАЗМЕР: FSB ВНУТРЕННЕЕ ВОЗДУШНОЕ ОХЛАЖДЕНИЕ 550.89
6SL3210-1SE17-7AA0771SINAMICS S120 СИЛОВОЙ МОДУЛЬ PM340 ВХОД: 3-ФАЗН. 380-480 В, 50/60 ГЦ ВЫХОД: 3-ФАЗН. 7,7A (3,0 КВТ) ИСПОЛНЕНИЕ: БЛОЧНЫЙ ФОРМАТ, ТИПОРАЗМЕР: FSB СО ВСТРОЕННЫМ СЕТЕВЫМ ФИЛЬТРОМ ВНУТРЕННЕЕ ВОЗДУШНОЕ ОХЛАЖДЕНИЕ 775.74
6SL3210-1SE17-7UA0771SINAMICS S120 СИЛОВОЙ МОДУЛЬ PM340 ВХОД: 3-ФАЗН. 380-480 В, 50/60 ГЦ ВЫХОД: 3-ФАЗН. 7,7A (3,0 КВТ) ИСПОЛНЕНИЕ: БЛОЧНЫЙ ФОРМАТ, ТИПОРАЗМЕР: FSB ВНУТРЕННЕЕ ВОЗДУШНОЕ ОХЛАЖДЕНИЕ 663.31
6SL3210-1SE21-0AA0771SINAMICS S120 СИЛОВОЙ МОДУЛЬ PM340 ВХОД: 3-ФАЗН. 380-480 В, 50/60 ГЦ ВЫХОД: 3-ФАЗН. 10A (4,0 КВТ) ИСПОЛНЕНИЕ: БЛОЧНЫЙ ФОРМАТ, ТИПОРАЗМЕР: FSB СО ВСТРОЕННЫМ СЕТЕВЫМ ФИЛЬТРОМ ВНУТРЕННЕЕ ВОЗДУШНОЕ ОХЛАЖДЕНИЕ 910.64
6SL3210-1SE21-0UA0771SINAMICS S120 СИЛОВОЙ МОДУЛЬ PM340 ВХОД: 3-ФАЗН. 380-480 В, 50/60 ГЦ ВЫХОД: 3-ФАЗН. 10A (4,0 КВТ) ИСПОЛНЕНИЕ: БЛОЧНЫЙ ФОРМАТ, ТИПОРАЗМЕР: FSB ВНУТРЕННЕЕ ВОЗДУШНОЕ ОХЛАЖДЕНИЕ 775.74
6SL3210-1SE21-8AA0771SINAMICS S120 СИЛОВОЙ МОДУЛЬ PM340 ВХОД: 3-ФАЗН. 380-480 В, 50/60 ГЦ ВЫХОД: 3-ФАЗН. 18A (7,5 КВТ) ИСПОЛНЕНИЕ: БЛОЧНЫЙ ФОРМАТ, ТИПОРАЗМЕР: FSС СО ВСТРОЕННЫМ СЕТЕВЫМ ФИЛЬТРОМ ВНУТРЕННЕЕ ВОЗДУШНОЕ ОХЛАЖДЕНИЕ 1180.47
6SL3210-1SE21-8UA0771SINAMICS S120 СИЛОВОЙ МОДУЛЬ PM340 ВХОД: 3-ФАЗН. 380-480 В, 50/60 ГЦ ВЫХОД: 3-ФАЗН. 18A (7,5 КВТ) ИСПОЛНЕНИЕ: БЛОЧНЫЙ ФОРМАТ, ТИПОРАЗМЕР: FSС ВНУТРЕННЕЕ ВОЗДУШНОЕ ОХЛАЖДЕНИЕ 1011.82
6SL3210-1SE22-5AA0771SINAMICS S120 СИЛОВОЙ МОДУЛЬ PM340 ВХОД: 3-ФАЗН. 380-480 В, 50/60 ГЦ ВЫХОД: 3-ФАЗН. 25A (11 КВТ) ИСПОЛНЕНИЕ: БЛОЧНЫЙ ФОРМАТ, ТИПОРАЗМЕР: FSС СО ВСТРОЕННЫМ СЕТЕВЫМ ФИЛЬТРОМ ВНУТРЕННЕЕ ВОЗДУШНОЕ ОХЛАЖДЕНИЕ 1573.95
6SL3210-1SE22-5UA0771SINAMICS S120 СИЛОВОЙ МОДУЛЬ PM340 ВХОД: 3-ФАЗН. 380-480 В, 50/60 ГЦ ВЫХОД: 3-ФАЗН. 25A (11 КВТ) ИСПОЛНЕНИЕ: БЛОЧНЫЙ ФОРМАТ, ТИПОРАЗМЕР: FSС ВНУТРЕННЕЕ ВОЗДУШНОЕ ОХЛАЖДЕНИЕ 1349.10
6SL3210-1SE23-2AA0771SINAMICS S120 СИЛОВОЙ МОДУЛЬ PM340 ВХОД: 3-ФАЗН. 380-480 В, 50/60 ГЦ ВЫХОД: 3-ФАЗН. 32A (15 КВТ) ИСПОЛНЕНИЕ: БЛОЧНЫЙ ФОРМАТ, ТИПОРАЗМЕР: FSС СО ВСТРОЕННЫМ СЕТЕВЫМ ФИЛЬТРОМ ВНУТРЕННЕЕ ВОЗДУШНОЕ ОХЛАЖДЕНИЕ 2023.66
6SL3210-1SE23-2UA0771SINAMICS S120 СИЛОВОЙ МОДУЛЬ PM340 ВХОД: 3-ФАЗН. 380-480 В, 50/60 ГЦ ВЫХОД: 3-ФАЗН. 32A (15 КВТ) ИСПОЛНЕНИЕ: БЛОЧНЫЙ ФОРМАТ, ТИПОРАЗМЕР: FSС ВНУТРЕННЕЕ ВОЗДУШНОЕ ОХЛАЖДЕНИЕ 1798.80
6SL3210-1SE23-8AA0771SINAMICS S120 СИЛОВОЙ МОДУЛЬ PM340 ВХОД: 3-ФАЗН. 380-480 В, 50/60 ГЦ ВЫХОД: 3-ФАЗН. 38A (18,5 КВТ) ИСПОЛНЕНИЕ: БЛОЧНЫЙ ФОРМАТ, ТИПОРАЗМЕР: FSD СО ВСТРОЕННЫМ СЕТЕВЫМ ФИЛЬТРОМ ВНУТРЕННЕЕ ВОЗДУШНОЕ ОХЛАЖДЕНИЕ 2473.36
6SL3210-1SE23-8UA0771SINAMICS S120 СИЛОВОЙ МОДУЛЬ PM340 ВХОД: 3-ФАЗН. 380-480 В, 50/60 ГЦ ВЫХОД: 3-ФАЗН. 38A (18,5 КВТ) ИСПОЛНЕНИЕ: БЛОЧНЫЙ ФОРМАТ, ТИПОРАЗМЕР: FSD ВНУТРЕННЕЕ ВОЗДУШНОЕ ОХЛАЖДЕНИЕ 2248.51
6SL3210-1SE24-5AA0771SINAMICS S120 СИЛОВОЙ МОДУЛЬ PM340 ВХОД: 3-ФАЗН. 380-480 В, 50/60 ГЦ ВЫХОД: 3-ФАЗН. 45A (22 КВТ) ИСПОЛНЕНИЕ: БЛОЧНЫЙ ФОРМАТ, ТИПОРАЗМЕР: FSD СО ВСТРОЕННЫМ СЕТЕВЫМ ФИЛЬТРОМ ВНУТРЕННЕЕ ВОЗДУШНОЕ ОХЛАЖДЕНИЕ 2866.85
6SL3210-1SE24-5UA0771SINAMICS S120 СИЛОВОЙ МОДУЛЬ PM340 ВХОД: 3-ФАЗН. 380-480 В, 50/60 ГЦ ВЫХОД: 3-ФАЗН. 45A (22 КВТ) ИСПОЛНЕНИЕ: БЛОЧНЫЙ ФОРМАТ, ТИПОРАЗМЕР: FSD ВНУТРЕННЕЕ ВОЗДУШНОЕ ОХЛАЖДЕНИЕ 2585.78
6SL3210-1SE26-0AA0771SINAMICS S120 СИЛОВОЙ МОДУЛЬ PM340 ВХОД: 3-ФАЗН. 380-480 В, 50/60 ГЦ ВЫХОД: 3-ФАЗН. 60A (30 КВТ) ИСПОЛНЕНИЕ: БЛОЧНЫЙ ФОРМАТ, ТИПОРАЗМЕР: FSD СО ВСТРОЕННЫМ СЕТЕВЫМ ФИЛЬТРОМ ВНУТРЕННЕЕ ВОЗДУШНОЕ ОХЛАЖДЕНИЕ 3597.61
6SL3210-1SE26-0UA0771SINAMICS S120 СИЛОВОЙ МОДУЛЬ PM340 ВХОД: 3-ФАЗН. 380-480 В, 50/60 ГЦ ВЫХОД: 3-ФАЗН. 60A (30 КВТ) ИСПОЛНЕНИЕ: БЛОЧНЫЙ ФОРМАТ, ТИПОРАЗМЕР: FSD ВНУТРЕННЕЕ ВОЗДУШНОЕ ОХЛАЖДЕНИЕ 3260.33
6SL3210-1SE27-5AA0771SINAMICS S120 СИЛОВОЙ МОДУЛЬ PM340 ВХОД: 3-ФАЗН. 380-480 В, 50/60 ГЦ ВЫХОД: 3-ФАЗН. 75A (37 КВТ) ИСПОЛНЕНИЕ: БЛОЧНЫЙ ФОРМАТ, ТИПОРАЗМЕР: FSE СО ВСТРОЕННЫМ СЕТЕВЫМ ФИЛЬТРОМ ВНУТРЕННЕЕ ВОЗДУШНОЕ ОХЛАЖДЕНИЕ 4412.69
6SL3210-1SE27-5UA0771SINAMICS S120 СИЛОВОЙ МОДУЛЬ PM340 ВХОД: 3-ФАЗН. 380-480 В, 50/60 ГЦ ВЫХОД: 3-ФАЗН. 75A (37 КВТ) ИСПОЛНЕНИЕ: БЛОЧНЫЙ ФОРМАТ, ТИПОРАЗМЕР: FSE ВНУТРЕННЕЕ ВОЗДУШНОЕ ОХЛАЖДЕНИЕ 3991.10
6SL3210-1SE31-0AA0771SINAMICS S120 СИЛОВОЙ МОДУЛЬ PM340 ВХОД: 3-ФАЗН. 380-480 В, 50/60 ГЦ ВЫХОД: 3-ФАЗН. 90A (45 КВТ) ИСПОЛНЕНИЕ: БЛОЧНЫЙ ФОРМАТ, ТИПОРАЗМЕР: FSE СО ВСТРОЕННЫМ СЕТЕВЫМ ФИЛЬТРОМ ВНУТРЕННЕЕ ВОЗДУШНОЕ ОХЛАЖДЕНИЕ 5340.20
6SL3210-1SE31-0UA0771SINAMICS S120 СИЛОВОЙ МОДУЛЬ PM340 ВХОД: 3-ФАЗН. 380-480 В, 50/60 ГЦ ВЫХОД: 3-ФАЗН. 90A (45 КВТ) ИСПОЛНЕНИЕ: БЛОЧНЫЙ ФОРМАТ, ТИПОРАЗМЕР: FSE ВНУТРЕННЕЕ ВОЗДУШНОЕ ОХЛАЖДЕНИЕ 4834.28
6SL3210-1SE31-1AA0771SINAMICS S120 СИЛОВОЙ МОДУЛЬ PM340 ВХОД: 3-ФАЗН. 380-480 В, 50/60 ГЦ ВЫХОД: 3-ФАЗН. 110A (55 КВТ) ИСПОЛНЕНИЕ: БЛОЧНЫЙ ФОРМАТ, ТИПОРАЗМЕР: FSF СО ВСТРОЕННЫМ СЕТЕВЫМ ФИЛЬТРОМ ВНУТРЕННЕЕ ВОЗДУШНОЕ ОХЛАЖДЕНИЕ 6127.18
6SL3210-1SE31-1UA0771SINAMICS S120 СИЛОВОЙ МОДУЛЬ PM340 ВХОД: 3-ФАЗН. 380-480 В, 50/60 ГЦ ВЫХОД: 3-ФАЗН. 110A (55 КВТ) ИСПОЛНЕНИЕ: БЛОЧНЫЙ ФОРМАТ, ТИПОРАЗМЕР: FSF ВНУТРЕННЕЕ ВОЗДУШНОЕ ОХЛАЖДЕНИЕ 5565.05
6SL3210-1SE31-5AA0771SINAMICS S120 СИЛОВОЙ МОДУЛЬ PM340 ВХОД: 3-ФАЗН. 380-480 В, 50/60 ГЦ ВЫХОД: 3-ФАЗН. 145A (75 КВТ) ИСПОЛНЕНИЕ: БЛОЧНЫЙ ФОРМАТ, ТИПОРАЗМЕР: FSF СО ВСТРОЕННЫМ СЕТЕВЫМ ФИЛЬТРОМ ВНУТРЕННЕЕ ВОЗДУШНОЕ ОХЛАЖДЕНИЕ 7363.86
6SL3210-1SE31-5UA0771SINAMICS S120 СИЛОВОЙ МОДУЛЬ PM340 ВХОД: 3-ФАЗН. 380-480 В, 50/60 ГЦ ВЫХОД: 3-ФАЗН. 145A (75 КВТ) ИСПОЛНЕНИЕ: БЛОЧНЫЙ ФОРМАТ, ТИПОРАЗМЕР: FSF ВНУТРЕННЕЕ ВОЗДУШНОЕ ОХЛАЖДЕНИЕ 6689.31
6SL3210-1SE31-8AA0771SINAMICS S120 СИЛОВОЙ МОДУЛЬ PM340 ВХОД: 3-ФАЗН. 380-480 В, 50/60 ГЦ ВЫХОД: 3-ФАЗН. 178A (90 КВТ) ИСПОЛНЕНИЕ: БЛОЧНЫЙ ФОРМАТ, ТИПОРАЗМЕР: FSF СО ВСТРОЕННЫМ СЕТЕВЫМ ФИЛЬТРОМ ВНУТРЕННЕЕ ВОЗДУШНОЕ ОХЛАЖДЕНИЕ 8600.53
6SL3210-1SE31-8UA0771SINAMICS S120 СИЛОВОЙ МОДУЛЬ PM340 ВХОД: 3-ФАЗН. 380-480 В, 50/60 ГЦ ВЫХОД: 3-ФАЗН. 178A (90 КВТ) ИСПОЛНЕНИЕ: БЛОЧНЫЙ ФОРМАТ, ТИПОРАЗМЕР: FSF ВНУТРЕННЕЕ ВОЗДУШНОЕ ОХЛАЖДЕНИЕ 7813.56

 


Аксессуары

Цена на сайте указана розничная в ЕВРО без учета НДС.Для уточнения цены и размера предоставляемой скидки - звоните или присылайте заявки

Заказной номерPGОписание продуктаЦена
6SL3262-1AA00-0BA0343SINAMICS КОМПЛЕКТ ДЛЯ ПОДКЛЮЧЕНИЯ ЭКРАНОВ ДЛЯ СИЛОВОГО МОДУЛЯ ТИПОРАЗМЕР FSA 44.53
6SL3262-1AB00-0DA0343SINAMICS КОМПЛЕКТ ДЛЯ ПОДКЛЮЧЕНИЯ ЭКРАНОВ ДЛЯ СИЛОВОГО МОДУЛЯ ТИПОРАЗМЕР FSB 50.10
6SL3262-1AC00-0DA0343SINAMICS КОМПЛЕКТ ДЛЯ ПОДКЛЮЧЕНИЯ ЭКРАНОВ ДЛЯ СИЛОВОГО МОДУЛЯ ТИПОРАЗМЕР FSC 55.68
6SL3262-1AD00-0DA0343SINAMICS КОМПЛЕКТ ДЛЯ ПОДКЛЮЧЕНИЯ ЭКРАНОВ ДЛЯ СИЛОВОГО МОДУЛЯ, ТИПОРАЗМЕР FSD И FSE 94.65
6SL3262-1AF00-0DA0343SINAMICS КОМПЛЕКТ ДЛЯ ПОДКЛЮЧЕНИЯ ЭКРАНОВ ДЛЯ СИЛОВОГО МОДУЛЯ, ТИПОРАЗМЕР FSF 122.47