0

Разделы

Силовые модули PM340 блочного формата

Силовые модули PM340 блочного формата, типоразмеры FSA до FSF

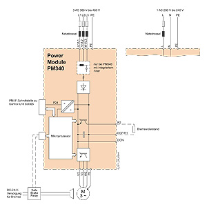
Силовые модули PM340 блочного формата стандартно оборудованы следующими соединениями и интерфейсами:

  • Подключение к сети
  • Интерфейс PM-IF для соединения PM340 и управляющего модуля CU305. Благодаря встроенному блоку питания силовой модуль PM340 осуществляет питание управляющего модуля CU305
  • Клеммы DCP/R1 и R2 для подключения внешнего тормозного резистора
  • Подключение двигателя через клеммы под винт или винтовую шпильку
  • схема управления для безопасного реле тормоза для управления стояночным тормозом
  • 2 подключения PE/защитного провода

Силовые модули без встроенного сетевого фильтра могутподключаться к заземленным сетям TN/TT и незаземленнымсетям IT. Силовые модули PM340 со встроенным сетевымфильтром могут подключаться только к сетям TN сзаземленной нейтралью (нулевой точкой).Встроенный тормозной блок (тормозной прерыватель)рассчитан таким образом, что он может выполнятьдлительное включение внешнего тормозного резистора.Температура внешнего тормозного резистора должнаконтролироваться для защиты от тепловой перегрузки.

 


Интеграция

Силовые модули PM340 блочного формата

Силовой модуль PM340 с управляющим модулем CU305 DP и базовой панелью оператора BOP20

Пример подключения силового модуля PM340

Многие системные компоненты для силового модуля PM340являются каркасными компонентами. Т.е. компонентмонтируется на крепежный лист, а силовой модуль PM340устанавливается перед ним, что позволяет сэкономитьместо. Макс. два каркасных компонета может бытьсмонтировано друг за другом.

 

FSA

FSB

FSC

FSD

FSE

FSF

Сетевой фильтр

✓ 

Сетевой дроссель

✓ 

✓ 

✓ 

✓ 

✓ 

O

Тормознойрезистор

✓ 

✓ 

O

O

O

O

Дроссельдвигателя

✓ 

✓ 

✓ 

O

O

O

✓ = возможен каркасный монтаж

O = каркасный монтаж невозможен

– = недоступно (использовать силовой модуль PM340 со встроенным сетевым фильтром)

Схема расположения силового модуля PM340 с каркасным сетевым дросселем

Сетевые дроссели имеют клеммы со стороны сети и кабельс разъемами на стороне силового модуля PM340. Утипоразмеров FSA до FSC сетевые клеммы всмонтированном состоянии находятся сверху, утипоразмеров FSD и FSE снизу.

Силовой модуль PM340 типоразмера FSA с сетевым дросселем и сетевым фильтром

Если для типоразмера FSA дополнительно к сетевомудросселю используется сетевой фильтр, то компоненты должны быть расположены согласно рисунку выше. В этомслучае подключение к сети находится снизу.

Силовой модуль PM340 типоразмера FSA с сетевым дросселем и дросселем двигателя

От типоразмера FSB силовые модули PM340 могутзаказываться со встроенными сетевыми фильтрами, в этомслучае внешний сетевой фильтр не нужен.

В случае более двух каркасных системных компонентов, кпримеру, сетевой дроссель + дроссель двигателя +тормозной резистор, отдельные компоненты должны бытьсмонтированы сбоку рядом с силовым модулем PM340. Приэтом сетевой дроссель и дроссель двигателя должны бытьрасположены за силовым модулем, тормозной резисторсбоку рядом с ним.

 


Технические данные

Силовые модули PM340 блочного формата

Силовой модуль PM340 блочного формата с воздушным охлаждением

6SL3210-1S...

 

Напряжение питающей сети

(до 2000 м над уровнем моря)

1 AC 200 … 240 В ±10 % (при работе -15 % < 1 мин) или3 AC 380 … 480 В ±10 % (при работе -15 % < 1 мин)

Сеть

 

  • силовые модули без встроенного сетевого фильтра

заземленные TN-/TT- и незаземленные IT-сети

  • силовые модули со встроенным сетевым фильтром

TN-сети с заземленной нейтралью (нулевой точкой)

Частота сети

47 … 63 Гц

Коэффициент мощности сети

при. ном. мощности

 

  • основная гармоника (cos ϕ1)

>0.96

  • общий (λ)

 

  • 1 AC 200 … 240 В

0.45 … 0.7

  • 3 AC 380 … 480 В

0.65 … 0.95

Категория перенапряжения

по EN 60664-1

класс III

Периодичность подзарядки

промежуточного контура, макс.

1 х каждые 30 с

Напряжение промежуточного контура, около

1,35 х напряжение сети

Выходная частота

 

  • тип управления Servo

0 … 650 Гц 1)

Питание блока электроники

24 В DC -15 %/+20 %

Подавление помех

 

  • стандарт

нет подавления помех

  • с сетевым фильтром

катагория C2 по EN 61800-3

Тип охлаждения

Усиленное воздушное охлаждение через встроенный вентилятор

Температура окружающей среды или температура охлаждающего вещества (воздух)

при работе для компонентов со стороны сети, силовых модулей

0 … 40 °C (32 … 104 °F) без ухудшения характеристик,>40 … 55 °C (>104 … 131 °F) см. Кривые ухудшения характеристик

Высота места установки

до 1000 м над уровнем моря без ухудшения характеристик,>1000 … 4000 м над уровнем моря см. Кривые ухудшенияхарактеристик

Свидетельства о соответствии

CE (Директива по низкому напряжению и Директива поэлектромагнитной совместимости)

Сертификация, по

cULus

Безопасность

Safety Integrity Level 2 (SIL2) по IEC 61508, Performance Level d (PLd)по ISO 13849-1 и категория управления 3 по ISO 13849-1 илиEN 954-1Дополнительную информацию можно найти в главе Отличительныеособенности, раздел Safety Integrated.

1) Учитывать зависимость между макс. выходной частотой и частотой импульсов, а также снижение номинальных параметров тока.

 

Напряжение сети 1 AC 200 … 240 В

Силовой модуль PM340 блочного формата с воздушным охлаждением

 

 

6SL3210-1SB11-0...

6SL3210-1SB12-3...

6SL3210-1SB14-0...

Выходной ток

 

 

 

 

  • ном. выходной ток IN

A

0.9

2.3

3.9

  • ток базовой нагрузки IH

A

0.8

2.0

3.4

  • в режиме S6 (40 %) IS6S6

A

1.4

3.3

5.5

  • I max

A

2.0

4.6

7.8

Типовая мощность1)

на основе IN

кВт

0.12 (0.16)

0.37 (0.5)

0.75 (0.75)

Ном. частота импульсов

кГц

4

4

4

Мощность потерь

кВт

0.06

0.075

0.11

Расход охлаждающего воздуха

м3/с

0.005 (0.2)

0.005 (0.2)

0.005 (0.2)

Уровень шума

L pA (1 м)

дБ

<45

<45

<45

Питание DC 24 В

для управляющего модуля

A

1.0

1.0

1.0

Ном. входной ток 2)

с/без сетевого дросселя

A

1.4/2.2

4/6

6.5/10

Величина сопротивления

внешнего тормозногорезистора

Ω 

≥180

≥180

≥180

Длина кабеля

tк тормозному резистору, макс.

м

15 (49)

15 (49)

15 (49)

Подключение к сети

L, N

 

клеммы под винт

клеммы под винт

клеммы под винт

  • сечение вывода

мм2

1.0 … 2.5

1.0 … 2.5

1.0 … 2.5

Подключение промежуточногоконтура, соединение длятормозного резистора

DCP/R1, DCN, R2

 

клеммы под винт

клеммы под винт

клеммы под винт

  • сечение вывода

мм2

1.0 … 2.5

1.0 … 2.5

1.0 … 2.5

Подключение двигателя

U2, V2, W2

 

клеммы под винт

клеммы под винт

клеммы под винт

  • сечение вывода

мм2

1.0 … 2.5

1.0 … 2.5

1.0 … 2.5

РЕ-соединение

 

M4 винт

M4 винт

M4 винт

Длина кабеля двигателя3), макс.

(без внешних опций)

 

 

 

 

  • экранированный

м

50 (164)

50 (164)

50 (164)

  • не экранированный

м

75 (246)

75 (246)

75 (246)

Степень защиты

 

IP20

IP20

IP20

Размеры

 

 

 

 

  • ширина

мм

73 (2.87)

73 (2.87)

73 (2.87)

  • высота

мм

173 (6.81)

173 (6.81)

173 (6.81)

  • глубина

 

 

 

 

  • PM340

мм

145 (5.71)

145 (5.71)

145 (5.71)

  • PM340 с CU305 PN

мм

216 (8.50)

216 (8.50)

216 (8.50)

  • PM340 с CU305 DP/CAN

мм

200 (7.87)

200 (7.87)

200 (7.87)

Типоразмер

 

FSA

FSA

FSA

Вес, около

кг

1.2 (2.65)

1.3 (2.87)

1.3 (2.87)

1) Ном. мощность типичного стандартного асинхронного двигателя при 3 AC 230 В.2) Входной ток зависит от нагрузки двигателя и полного сопротивления сети. Входные токи действуют для нагрузки с ном. мощностью (на основе In) при полном сопротивлении сети согласно uk = 1 %.3) Длина кабеля двигателя макс. 15 м (экранированный) для силового модуля PM340 со встроенным сетевым фильтром для соблюдения предельных значений EN 61800-3 категория C2.

 

Напряжение сети 3 AC 380 … 480 В

Силовой модуль PM340 блочного формата с воздушным охлаждением

 

 

6SL3210-1SE11-3UA0

6SL3210-1SE11-7UA0

6SL3210-1SE12-2UA0

6SL3210-1SE13-1UA0

6SL3210-1SE14-1UA0

Выходной ток

 

 

 

 

 

 

  • ном. выходной ток IN

A

1.3

1.7

2.2

3.1

4.1

  • ток базовой нагрузки IH

A

1.1

1.5

1.9

2.7

3.6

  • в режиме S6 (40 %) IS6

A

1.3

2.0

2.5

3.5

4.5

  • I max

A

2.6

3.4

4.4

6.2

8.2

Типовая мощность 1)

 

 

 

 

 

 

  • на основе IN

кВт

0.37 (0.5)

0.55 (0.75)

0.75 (1.0)

1.1 (1.5)

1.5 (2.0)

  • • на основе IH

кВт

0.37 (0.5)

0.55 (0.5)

0.75 (0.75)

1.1 (1)

1.5 (2.0)

Ном. частота импульсов

кГц

4

4

4

4

4

Мощность потерь

кВт

0.10

0.10

0.10

0.11

0.11

Расход охлаждающего воздуха

м3/с

0.005 (0.2)

0.005 (0.2)

0.005 (0.2)

0.005 (0.2)

0.005 (0.2)

Уровень шума

L pA (1 м)

дБ

<45

<45

<45

<45

<45

Питание DC 24 В

для управляющего модуля

A

1.0

1.0

1.0

1.0

1.0

Ном. входной ток2)

с/без сетевого дросселя

A

1.3/1.7

1.7/2.2

2.2/2.6

3.1/3.9

4.1/4.8

Величина сопротивления

внешнего тормозногорезистора

Ω 

≥390

≥390

≥390

≥390

≥390

Длина кабеля

к тормозному резистору, макс.

м

15 (49)

15 (49)

15 (49)

15 (49)

15 (49)

Подключение к сети

U1/L1, V1/L2, W1/L3

 

клеммы под винт

клеммы под винт

клеммы под винт

клеммы под винт

клеммы под винт

  • сечение вывода

мм2

1.0 … 2.5

1.0 … 2.5

1.0 … 2.5

1.0 … 2.5

1.0 … 2.5

Подключение промежуточногоконтура, соединение длятормозного резистора

DCP/R1, DCN, R2

 

клеммы подвинт

клеммы подвинт

клеммы подвинт

клеммы подвинт

клеммы подвинт

  • сечение вывода

мм2

1.0 … 2.5

1.0 … 2.5

1.0 … 2.5

1.0 … 2.5

1.0 … 2.5

Подключение двигателя

U2, V2, W2

 

клеммы подвинт

клеммы подвинт

клеммы подвинт

клеммы подвинт

клеммы подвинт

  • сечение вывода

мм2

1.0 … 2.5

1.0 … 2.5

1.0 … 2.5

1.0 … 2.5

1.0 … 2.5

РЕ-соединение

 

M4 винт

M4 винт

M4 винт

M4 винт

M4 винт

Длина кабеля двигателя3), макс.

 

 

 

 

 

 

  • экранированный

м

50 (164)

50 (164)

50 (164)

50 (164)

50 (164)

  • не экранированный

м

75 (246)

75 (246)

75 (246)

75 (246)

75 (246)

Степень защиты

 

IP20

IP20

IP20

IP20

IP20

Размеры

 

 

 

 

 

 

  • ширина

мм

73 (2.87)

73 (2.87)

73 (2.87)

73 (2.87)

73 (2.87)

  • высота

мм

173 (6.81)

173 (6.81)

173 (6.81)

173 (6.81)

173 (6.81)

  • глубина

 

 

 

 

 

 

  • PM340

мм

145 (5.71)

145 (5.71)

145 (5.71)

145 (5.71)

145 (5.71)

  • PM340 с CU305 PN

мм

216 (8.50)

216 (8.50)

216 (8.50)

216 (8.50)

216 (8.50)

  • PM340 с CU305 DP/CAN

мм

200 (7.87)

200 (7.87)

200 (7.87)

200 (7.87)

200 (7.87)

Типоразмер

 

FSA

FSA

FSA

FSA

FSA

Вес, около

кг

1.2 (2.65)

1.2 (2.65)

1.2 (2.65)

1.2 (2.65)

1.2 (2.65)

1) Ном. мощность типичного стандартного асинхронного двигателя при 3 AC 400 В.2) Входной ток зависит от нагрузки двигателя и полного сопротивления сети. Входные токи действуют для нагрузки с ном. мощностью (на основе In) при полном сопротивлении сети согласно uk = 1 %.3) Длина кабеля двигателя макс. 25 м (экранированный) для силового модуля PM340 со встроенным сетевым фильтром для соблюдения предельных значений EN 61800-3 категория C2.

 

Напряжение сети 3 AC 380 … 480 В

Силовой модуль PM340 блочного формата с воздушным охлаждением

 

 

6SL3210-1SE16-0...

6SL3210-1SE17-7...

6SL3210-1SE21-0...

6SL3210-1SE21-8...

6SL3210-1SE22-5...

6SL3210-1SE23-2...

Выходной ток

 

 

 

 

 

 

 

  • ном. выходной ток IN

A

5.9

7.7

10.2

18

25

32

  • ток базовой нагрузки IH

A

5.2

6.8

9.1

14

21

27

  • в режиме S6 (40 %) IS6

A

6.4

8.3

10.8

19.6

27.8

37.1

  • I max

A

11.8

15.4

20.4

26.4

38

52

Типовая мощность 1)

 

 

 

 

 

 

 

  • на основе IN

кВт

2.2 (3.0)

3 (5)

4 (5)

7.5 (10)

11 (15)

15 (20)

  • на основе IH

кВт

2.2 (3.0)

3 (4)

4 (5)

5.5 (10)

7.5 (15)

11 (20)

Ном. частота импульсов

кГц

4

4

4

4

4

4

Мощность потерь

кВт

0.14

0.16

0.18

0.24

0.30

0.40

Расход охлаждающего воздуха

м3/с

0.009 (0.3)

0.009 (0.3)

0.009 (0.3)

0.038 (1.3)

0.038 (1.3)

0.038 (1.3)

Уровень шума

L pA (1 м)

дБ

<50

<50

<50

<60

<60

<60

Питание DC 24 В

для управляющего модуля

A

1.0

1.0

1.0

1.0

1.0

1.0

Ном. входной ток 2)

с/без сетевого дросселя

A

5.6/6.7

7.5/8.9

9.8/12.4

17.1/23.1

24.6/32.6

33/39

Величина сопротивления

внешнего тормозногорезистора

Ω 

≥160

≥160

≥160

≥56

≥56

≥56

Длина кабеля

к тормозному резистору, макс.

м

15 (49)

15 (49)

15 (49)

15 (49)

15 (49)

15 (49)

Подключение к сети

U1/L1, V1/L2, W1/L3

 

клеммы подвинт

клеммы подвинт

клеммы подвинт

клеммы подвинт

клеммы подвинт

клеммы подвинт

  • сечение вывода

мм2

1.0 … 6

1.0 … 6

1.0 … 6

2.5 … 10

2.5 … 10

2.5 … 10

Подключение промежуточногоконтура, соединение длятормозного резистора

DCP/R1, DCN, R2

 

клеммы подвинт

клеммы подвинт

клеммы подвинт

клеммы подвинт

клеммы подвинт

клеммы подвинт

  • сечение вывода

мм2

1.0 … 6

1.0 … 6

1.0 … 6

2.5 … 10

2.5 … 10

2.5 … 10

Подключение двигателя

U2, V2, W2

 

клеммы подвинт

клеммы подвинт

клеммы подвинт

клеммы подвинт

клеммы подвинт

клеммы подвинт

  • сечение вывода

мм2

1.0 … 6

1.0 … 6

1.0 … 6

2.5 … 10

2.5 … 10

2.5 … 10

РЕ-соединение

 

M5 винт

M5 винт

M5 винт

M5 винт

M5 винт

M5 винт

Длина кабеля двигателя3), макс.

 

 

 

 

 

 

 

  • экранированный

м

50 (164)

50 (164)

50 (164)

50 (164)

50 (164)

50 (164)

  • не экранированный

м

75 (246)

75 (246)

75 (246)

75 (246)

75 (246)

75 (246)

Степень защиты

 

IP20

IP20

IP20

IP20

IP20

IP20

Размеры

 

 

 

 

 

 

 

  • ширина

мм

153 (6.02)

153 (6.02)

153 (6.02)

188.4 (7.42)

188.4 (7.42)

188.4 (7.42)

  • высота

мм

270 (10.63)

270 (10.63)

270 (10.63)

333.4 (13.13)

333.4 (13.13)

333.4 (13.13)

  • глубина

 

 

 

 

 

 

 

  • PM340

мм

165 (6.50)

165 (6.50)

165 (6.50)

185 (7.28)

185 (7.28)

185 (7.28)

  • PM340 с CU305 PN

мм

236 (9.29)

236 (9.29)

236 (9.29)

256 (10.08)

256 (10.08)

256 (10.08)

  • PM340 с CU305 DP/CAN

мм

220 (8.66)

220 (8.66)

220 (8.66)

240 (9.45)

240 (9.45)

240 (9.45)

Типоразмер

 

FSB

FSB

FSB

FSC

FSC

FSC

Вес, около

кг

4.0 (9)

4.0 (9)

4.0 (9)

6.5 (14.3)

6.5 (14.3)

6.5 (14.3)

1) Ном. мощность типичного стандартного асинхронного двигателя при3 AC 400 В.2) Входной ток зависит от нагрузки двигателя и полного сопротивлениясети. Входные токи действуют для нагрузки с ном. мощностью (наоснове In) при полном сопротивлении сети согласно uk = 1 %.3) Длина кабеля двигателя макс. 25 м (экранированный) для силовогомодуля PM340 со встроенным сетевым фильтром для соблюденияпредельных значений EN 61800-3 категория C2.

 

Напряжение сети 3 AC 380 … 480 В

Силовой модуль PM340 блочного формата с воздушным охлаждением

 

 

6SL3210-1SE23-8...

6SL3210-1SE24-5...

6SL3210-1SE26-0...

6SL3210-1SE27-5...

6SL3210-1SE31-0...

Выходной ток

 

 

 

 

 

 

  • ном. выходной ток IN

A

38

45

60

75

90

  • ток базовой нагрузки IH

A

33

40

48

65

80

  • в режиме S6 (40 %)IS6

A

49

58

78

98

117

  • I max

A

64

76

90

124

150

Типовая мощность 1)

 

 

 

 

 

 

  • на основе IN

кВт

18.5 (25)

22 (30)

30 (40)

37 (50)

45 (60)

  • на основе IH

кВт

15 (20)

18.5 (30)

22 (30)

30 (50)

37 (60)

Ном. частота импульсов

кГц

4

4

4

4

4

Мощность потерь

кВт

0.38

0.51

0.69

0.99

1.21

Расход охлаждающего воздуха

м3/с (ft3/s)

0.022 (0.8)

0.022 (0.8)

0.039 (1.4)

0.022 (0.8)

0.039 (1.4)

Уровень шума

L pA (1 м)

дБ

<60

<60

<61

<60

<62

Питание DC 24 В

для управляющего модуля

A

1.0

1.0

1.0

1.0

1.0

Ном. входной ток2)

с/без сетевого дросселя

A

40/46

47/53

63/72

78/88

94/105

Величина сопротивления

внешнего тормозногорезистора

Ω 

≥27

≥27

≥27

≥15

≥15

Длина кабеля

к тормозному резистору, макс.

м

15 (49)

15 (49)

15 (49)

15 (49)

15 (49)

Подключение к сети U1/L1, V1/L2, W1/L3

 

винтовая шпилькаM6

винтовая шпилькаM6

винтовая шпилькаM6

винтовая шпилькаM6

винтовая шпилькаM6

  • сечение вывода

мм2

10 … 35

10 … 35

10 … 35

10 … 35

10 … 35

Подключение промежуточногоконтура, соединение длятормозного резистора

DCP/R1, DCN, R2

 

винтовая шпилькаM6

винтовая шпилькаM6

винтовая шпилькаM6

винтовая шпилькаM6

винтовая шпилькаM6

  • сечение вывода

мм2

10 … 35

10 … 35

10 … 35

10 … 35

10 … 35

Подключение двигателя

U2, V2, W2

 

винтовая шпилькаM6

винтовая шпилькаM6

винтовая шпилькаM6

винтовая шпилькаM6

винтовая шпилькаM6

  • сечение вывода

мм2

10 … 35

10 … 35

10 … 35

10 … 35

10 … 35

РЕ-соединение

 

M6 винт

M6 винт

M6 винт

M6 винт

M6 винт

Длина кабеля двигателя 3), макс.

 

 

 

 

 

 

  • экранированный

м

70 (230)

70 (230)

70 (230)

70 (230)

70 (230)

  • не экранированный

м

100 (328)

100 (328)

100 (328)

100 (328)

100 (328)

Степень защиты

 

IP20

IP20

IP20

IP20

IP20

Размеры

 

 

 

 

 

 

  • ширина

мм

275 (10.83)

275 (10.83)

275 (10.83)

275 (10.83)

275 (10.83)

  • высотаPM340 без/с внутр. фильтром

мм

418.3/511 (16.47/20.12)

418.3/511 (16.47/20.12)

418.3/511 (16.47/20.12)

498.3/633 (19.62/24.92)

498.3/633 (19.62/24.92)

  • глубина

 

 

 

 

 

 

  • PM340

мм

203.5 (8.01)

203.5 (8.01)

203.5 (8.01)

203.5 (8.01)

203.5 (8.01)

  • PM340 с CU305 PN

мм

274.5 (10.81)

274.5 (10.81)

274.5 (10.81)

274.5 (10.81)

274.5 (10.81)

  • PM340 с CU305 DP/CAN

мм

258.5 (10.18)

258.5 (10.18)

258.5 (10.18)

258.5 (10.18)

258.5 (10.18)

Типоразмер

 

FSD

FSD

FSD

FSE

FSE

Вес, около

PM340 без/с внутр. фильтром

кг

15.9/19.3 (35/43)

15.9/19.3 (35/43)

15.9/19.3 (35/43)

19.8/27.1 (44/60)

19.8/27.1 (44/60)

1) Ном. мощность типичного стандартного асинхронного двигателя при3 AC 400 В.2) Входной ток зависит от нагрузки двигателя и полного сопротивлениясети. Входные токи действуют для нагрузки с ном. мощностью (наоснове In) при полном сопротивлении сети согласно uk = 1 %.3) Длина кабеля двигателя макс. 25 м (экранированный) для силовогомодуля PM340 со встроенным сетевым фильтром для соблюденияпредельных значений EN 61800-3 категория C2.

 

Напряжение сети 3 AC 380 … 480 В

Силовой модуль PM340 блочного формата с воздушным охлаждением

 

 

6SL3210-1SE31-1...

6SL3210-1SE31-5...

6SL3210-1SE31-8...

Выходной ток

 

 

 

 

  • ном. выходной ток IN

A

110

145

178

  • ток базовой нагрузки IH

A

95

115

155

  • в режиме S6 (40 %) IS6

A

143

188

231

  • I max

A

180

220

290

Типовая мощность 1)

 

 

 

 

  • на основе IN

кВт

55 (75)

75 (100)

90 (125)

  • на основе IH

кВт

45 (60)

55 (75)

75 (100)

Ном. частота импульсов

кГц

4

4

4

Мощность потерь

кВт

1.42

1.93

2.31

Расход охлаждающего воздуха

м3/с

0.094 (3.3)

0.094 (3.3)

0.117 (4.1)

Уровень шума

L pA (1 м)

дБ

<60

<60

<65

Питание DC 24 В

для управляющего модуля

A

1.0

1.0

1.0

Ном. входной ток 2)

с/без сетевого дросселя

A

115/129

151/168

186/204

Величина сопротивления

внешнего тормозногорезистора

Ω 

≥8.2

≥8.2

≥8.2

Длина кабеля

к тормозному резистору, макс.

м

15 (49)

15 (49)

15 (49)

Подключение к сети

U1/L1, V1/L2, W1/L3

 

винтовая шпилька M8

винтовая шпилька M8

винтовая шпилька M8

  • сечение вывода, макс.

мм2

120

120

120

Подключение промежуточногоконтура, соединение длятормозного резистора

DCP/R1, DCN, R2

 

винтовая шпилька M8

винтовая шпилька M8

винтовая шпилька M8

  • сечение вывода, макс.

мм2

120

120

120

Подключение двигателя

U2, V2, W2

 

винтовая шпилька M8

винтовая шпилька M8

винтовая шпилька M8

  • сечение вывода, макс.

мм2

120

120

120

РЕ-соединение

 

винтовая M8

винтовая M8

винтовая M8

Длина кабеля двигателя 3), макс.

 

 

 

 

  • экранированный

м

70 (230)

70 (230)

70 (230)

  • не экранированный

м

100 (328)

100 (328)

100 (328)

Степень защиты

 

IP20

IP20

IP20

Размеры

 

 

 

 

  • ширина

мм

350 (13.78)

350 (13.78)

350 (13.78)

  • высота, PM340без/c int. filter

мм

634/934 (24.96/36.77)

634/934 (24.96/36.77)

634/934 (24.96/36.77)

  • глубина

 

 

 

 

  • PM340

мм

315.5 (12.42)

315.5 (12.42)

315.5 (12.42)

  • PM340 c CU305 PN

мм

386.5 (15.22)

386.5 (15.22)

386.5 (15.22)

  • PM340 c CU305 DP/CAN

мм

370.5 (14.59)

370.5 (14.59)

370.5 (14.59)

Типоразмер

 

FSF

FSF

FSF

Вес, около

PM340 без/с внутр. фильтром

кг

50.7/66.7 (112/147)

50.7/66.7 (112/147)

50.7/66.7 (112/147)

1) Ном. мощность типичного стандартного асинхронного двигателя при3 AC 400 В.2) Входной ток зависит от нагрузки двигателя и полного сопротивлениясети. Входные токи действуют для нагрузки с ном. мощностью (наоснове In) при полном сопротивлении сети согласно uk = 1 %.3) Длина кабеля двигателя макс. 25 m (экранированный) для силовогомодуля PM340 со встроенным сетевым фильтром для соблюденияпредельных значений EN 61800-3 категория C2.

 


Характеристика

Силовые модули PM340 блочного формата
Допустимая перегрузка

Нагрузочный цикл с преднагрузкой

Нагрузочный цикл без преднагрузки

Нагрузочный цикл S6 с преднагрузкой с длительностью нагрузочного цикла в 600 с

Нагрузочный цикл S6 с преднагрузкой с длительностью нагрузочного цикла в 60 с

Нагрузочный цикл с перегрузкой 60 сек при длительности нагрузочного цикла в 300 с

Нагрузочный цикл с перегрузкой 30 сек при длительности нагрузочного цикла в 300 с

Кривые ухудшения характеристик
  • типоразмеры FSA to FSE

Выходной ток в зависимости от частоты импульсов

  • типоразмеры FSF

Выходной ток в зависимости от частоты импульсов

Выходной ток в зависимости от температуры окружающей среды

Выходной ток в зависимости от высоты места установки

Синижение номинальных значений напряжения в зависимости от высоты места установки

Выходной ток в зависимости от выходной частоты

 


Заказные данные

Цена на сайте указана розничная в ЕВРО без учета НДС.Для уточнения цены и размера предоставляемой скидки - звоните или присылайте заявки

Заказной номерPGОписание продуктаЦена
6SL3210-1SB11-0AA0771SINAMICS S120 СИЛОВОЙ МОДУЛЬ PM340 ВХОД: 1-ФАЗН. 200-240В, 50/60 ГЦ ВЫХОД: 3-ФАЗН. 0,9A (0,12 КВТ) ИСПОЛНЕНИЕ: БЛОЧНЫЙ ФОРМАТ, ТИПОРАЗМЕР: FSА СО ВСТРОЕННЫМ СЕТЕВЫМ ФИЛЬТРОМ ВНУТРЕННЕЕ ВОЗДУШНОЕ ОХЛАЖДЕНИЕ 297.93
6SL3210-1SB11-0UA0771SINAMICS S120 СИЛОВОЙ МОДУЛЬ PM340 ВХОД: 1-ФАЗН. 200-240В, 50/60 ГЦ ВЫХОД: 3-ФАЗН. 0,9A (0,12 КВТ) ИСПОЛНЕНИЕ: БЛОЧНЫЙ ФОРМАТ, ТИПОРАЗМЕР: FSА ВНУТРЕННЕЕ ВОЗДУШНОЕ ОХЛАЖДЕНИЕ 258.58
6SL3210-1SB12-3AA0771SINAMICS S120 СИЛОВОЙ МОДУЛЬ PM340 ВХОД: 1-ФАЗН. 200-240В, 50/60 ГЦ ВЫХОД: 3-ФАЗН. 2,3A (0,37 КВТ) ИСПОЛНЕНИЕ: БЛОЧНЫЙ ФОРМАТ, ТИПОРАЗМЕР: FSА СО ВСТРОЕННЫМ СЕТЕВЫМ ФИЛЬТРОМ ВНУТРЕННЕЕ ВОЗДУШНОЕ ОХЛАЖДЕНИЕ 342.89
6SL3210-1SB12-3UA0771SINAMICS S120 СИЛОВОЙ МОДУЛЬ PM340 ВХОД: 1-ФАЗН. 200-240В, 50/60 ГЦ ВЫХОД: 3-ФАЗН. 2,3A (0,37 КВТ) ИСПОЛНЕНИЕ: БЛОЧНЫЙ ФОРМАТ, ТИПОРАЗМЕР: FSА ВНУТРЕННЕЕ ВОЗДУШНОЕ ОХЛАЖДЕНИЕ 297.93
6SL3210-1SB14-0AA0771SINAMICS S120 СИЛОВОЙ МОДУЛЬ PM340 ВХОД: 1-ФАЗН. 200-240В, 50/60 ГЦ ВЫХОД: 3-ФАЗН. 3,9A (0,75 КВТ) ИСПОЛНЕНИЕ: БЛОЧНЫЙ ФОРМАТ, ТИПОРАЗМЕР: FSА СО ВСТРОЕННЫМ СЕТЕВЫМ ФИЛЬТРОМ ВНУТРЕННЕЕ ВОЗДУШНОЕ ОХЛАЖДЕНИЕ 399.11
6SL3210-1SB14-0UA0771SINAMICS S120 СИЛОВОЙ МОДУЛЬ PM340 ВХОД: 1-ФАЗН. 200-240В, 50/60 ГЦ ВЫХОД: 3-ФАЗН. 3,9A (0,75 КВТ) ИСПОЛНЕНИЕ: БЛОЧНЫЙ ФОРМАТ, ТИПОРАЗМЕР: FSА ВНУТРЕННЕЕ ВОЗДУШНОЕ ОХЛАЖДЕНИЕ 342.89
6SL3210-1SE11-3UA0771SINAMICS S120 СИЛОВОЙ МОДУЛЬ PM340 ВХОД: 3-ФАЗН. 380-480 В, 50/60 ГЦ ВЫХОД: 3-ФАЗН. 1,3A (0,37 КВТ) ИСПОЛНЕНИЕ: БЛОЧНЫЙ ФОРМАТ, ТИПОРАЗМЕР: FSА ВНУТРЕННЕЕ ВОЗДУШНОЕ ОХЛАЖДЕНИЕ 281.07
6SL3210-1SE11-7UA0771SINAMICS S120 СИЛОВОЙ МОДУЛЬ PM340 ВХОД: 3-ФАЗН. 380-480 В, 50/60 ГЦ ВЫХОД: 3-ФАЗН. 1,7A (0,55 КВТ) ИСПОЛНЕНИЕ: БЛОЧНЫЙ ФОРМАТ, ТИПОРАЗМЕР: FSА ВНУТРЕННЕЕ ВОЗДУШНОЕ ОХЛАЖДЕНИЕ 303.55
6SL3210-1SE12-2UA0771SINAMICS S120 СИЛОВОЙ МОДУЛЬ PM340 ВХОД: 3-ФАЗН. 380-480 В, 50/60 ГЦ ВЫХОД: 3-ФАЗН. 2,2A (0,75 КВТ) ИСПОЛНЕНИЕ: БЛОЧНЫЙ ФОРМАТ, ТИПОРАЗМЕР: FSА ВНУТРЕННЕЕ ВОЗДУШНОЕ ОХЛАЖДЕНИЕ 326.04
6SL3210-1SE13-1UA0771SINAMICS S120 СИЛОВОЙ МОДУЛЬ PM340 ВХОД: 3-ФАЗН. 380-480 В, 50/60 ГЦ ВЫХОД: 3-ФАЗН. 3,1A (1,1 КВТ) ИСПОЛНЕНИЕ: БЛОЧНЫЙ ФОРМАТ, ТИПОРАЗМЕР: FSА ВНУТРЕННЕЕ ВОЗДУШНОЕ ОХЛАЖДЕНИЕ 371.00
6SL3210-1SE14-1UA0771SINAMICS S120 СИЛОВОЙ МОДУЛЬ PM340 ВХОД: 3-ФАЗН. 380-480 В, 50/60 ГЦ ВЫХОД: 3-ФАЗН. 4,1A (1,5 КВТ) ИСПОЛНЕНИЕ: БЛОЧНЫЙ ФОРМАТ, ТИПОРАЗМЕР: FSА ВНУТРЕННЕЕ ВОЗДУШНОЕ ОХЛАЖДЕНИЕ 438.46
6SL3210-1SE16-0AA0771SINAMICS S120 СИЛОВОЙ МОДУЛЬ PM340 ВХОД: 3-ФАЗН. 380-480 В, 50/60 ГЦ ВЫХОД: 3-ФАЗН. 5,9A (2,2 КВТ) ИСПОЛНЕНИЕ: БЛОЧНЫЙ ФОРМАТ, ТИПОРАЗМЕР: FSB СО ВСТРОЕННЫМ СЕТЕВЫМ ФИЛЬТРОМ ВНУТРЕННЕЕ ВОЗДУШНОЕ ОХЛАЖДЕНИЕ 646.44
6SL3210-1SE16-0UA0771SINAMICS S120 СИЛОВОЙ МОДУЛЬ PM340 ВХОД: 3-ФАЗН. 380-480 В, 50/60 ГЦ ВЫХОД: 3-ФАЗН. 5,9A (2,2 КВТ) ИСПОЛНЕНИЕ: БЛОЧНЫЙ ФОРМАТ, ТИПОРАЗМЕР: FSB ВНУТРЕННЕЕ ВОЗДУШНОЕ ОХЛАЖДЕНИЕ 550.89
6SL3210-1SE17-7AA0771SINAMICS S120 СИЛОВОЙ МОДУЛЬ PM340 ВХОД: 3-ФАЗН. 380-480 В, 50/60 ГЦ ВЫХОД: 3-ФАЗН. 7,7A (3,0 КВТ) ИСПОЛНЕНИЕ: БЛОЧНЫЙ ФОРМАТ, ТИПОРАЗМЕР: FSB СО ВСТРОЕННЫМ СЕТЕВЫМ ФИЛЬТРОМ ВНУТРЕННЕЕ ВОЗДУШНОЕ ОХЛАЖДЕНИЕ 775.74
6SL3210-1SE17-7UA0771SINAMICS S120 СИЛОВОЙ МОДУЛЬ PM340 ВХОД: 3-ФАЗН. 380-480 В, 50/60 ГЦ ВЫХОД: 3-ФАЗН. 7,7A (3,0 КВТ) ИСПОЛНЕНИЕ: БЛОЧНЫЙ ФОРМАТ, ТИПОРАЗМЕР: FSB ВНУТРЕННЕЕ ВОЗДУШНОЕ ОХЛАЖДЕНИЕ 663.31
6SL3210-1SE21-0AA0771SINAMICS S120 СИЛОВОЙ МОДУЛЬ PM340 ВХОД: 3-ФАЗН. 380-480 В, 50/60 ГЦ ВЫХОД: 3-ФАЗН. 10A (4,0 КВТ) ИСПОЛНЕНИЕ: БЛОЧНЫЙ ФОРМАТ, ТИПОРАЗМЕР: FSB СО ВСТРОЕННЫМ СЕТЕВЫМ ФИЛЬТРОМ ВНУТРЕННЕЕ ВОЗДУШНОЕ ОХЛАЖДЕНИЕ 910.64
6SL3210-1SE21-0UA0771SINAMICS S120 СИЛОВОЙ МОДУЛЬ PM340 ВХОД: 3-ФАЗН. 380-480 В, 50/60 ГЦ ВЫХОД: 3-ФАЗН. 10A (4,0 КВТ) ИСПОЛНЕНИЕ: БЛОЧНЫЙ ФОРМАТ, ТИПОРАЗМЕР: FSB ВНУТРЕННЕЕ ВОЗДУШНОЕ ОХЛАЖДЕНИЕ 775.74
6SL3210-1SE21-8AA0771SINAMICS S120 СИЛОВОЙ МОДУЛЬ PM340 ВХОД: 3-ФАЗН. 380-480 В, 50/60 ГЦ ВЫХОД: 3-ФАЗН. 18A (7,5 КВТ) ИСПОЛНЕНИЕ: БЛОЧНЫЙ ФОРМАТ, ТИПОРАЗМЕР: FSС СО ВСТРОЕННЫМ СЕТЕВЫМ ФИЛЬТРОМ ВНУТРЕННЕЕ ВОЗДУШНОЕ ОХЛАЖДЕНИЕ 1180.47
6SL3210-1SE21-8UA0771SINAMICS S120 СИЛОВОЙ МОДУЛЬ PM340 ВХОД: 3-ФАЗН. 380-480 В, 50/60 ГЦ ВЫХОД: 3-ФАЗН. 18A (7,5 КВТ) ИСПОЛНЕНИЕ: БЛОЧНЫЙ ФОРМАТ, ТИПОРАЗМЕР: FSС ВНУТРЕННЕЕ ВОЗДУШНОЕ ОХЛАЖДЕНИЕ 1011.82
6SL3210-1SE22-5AA0771SINAMICS S120 СИЛОВОЙ МОДУЛЬ PM340 ВХОД: 3-ФАЗН. 380-480 В, 50/60 ГЦ ВЫХОД: 3-ФАЗН. 25A (11 КВТ) ИСПОЛНЕНИЕ: БЛОЧНЫЙ ФОРМАТ, ТИПОРАЗМЕР: FSС СО ВСТРОЕННЫМ СЕТЕВЫМ ФИЛЬТРОМ ВНУТРЕННЕЕ ВОЗДУШНОЕ ОХЛАЖДЕНИЕ 1573.95
6SL3210-1SE22-5UA0771SINAMICS S120 СИЛОВОЙ МОДУЛЬ PM340 ВХОД: 3-ФАЗН. 380-480 В, 50/60 ГЦ ВЫХОД: 3-ФАЗН. 25A (11 КВТ) ИСПОЛНЕНИЕ: БЛОЧНЫЙ ФОРМАТ, ТИПОРАЗМЕР: FSС ВНУТРЕННЕЕ ВОЗДУШНОЕ ОХЛАЖДЕНИЕ 1349.10
6SL3210-1SE23-2AA0771SINAMICS S120 СИЛОВОЙ МОДУЛЬ PM340 ВХОД: 3-ФАЗН. 380-480 В, 50/60 ГЦ ВЫХОД: 3-ФАЗН. 32A (15 КВТ) ИСПОЛНЕНИЕ: БЛОЧНЫЙ ФОРМАТ, ТИПОРАЗМЕР: FSС СО ВСТРОЕННЫМ СЕТЕВЫМ ФИЛЬТРОМ ВНУТРЕННЕЕ ВОЗДУШНОЕ ОХЛАЖДЕНИЕ 2023.66
6SL3210-1SE23-2UA0771SINAMICS S120 СИЛОВОЙ МОДУЛЬ PM340 ВХОД: 3-ФАЗН. 380-480 В, 50/60 ГЦ ВЫХОД: 3-ФАЗН. 32A (15 КВТ) ИСПОЛНЕНИЕ: БЛОЧНЫЙ ФОРМАТ, ТИПОРАЗМЕР: FSС ВНУТРЕННЕЕ ВОЗДУШНОЕ ОХЛАЖДЕНИЕ 1798.80
6SL3210-1SE23-8AA0771SINAMICS S120 СИЛОВОЙ МОДУЛЬ PM340 ВХОД: 3-ФАЗН. 380-480 В, 50/60 ГЦ ВЫХОД: 3-ФАЗН. 38A (18,5 КВТ) ИСПОЛНЕНИЕ: БЛОЧНЫЙ ФОРМАТ, ТИПОРАЗМЕР: FSD СО ВСТРОЕННЫМ СЕТЕВЫМ ФИЛЬТРОМ ВНУТРЕННЕЕ ВОЗДУШНОЕ ОХЛАЖДЕНИЕ 2473.36
6SL3210-1SE23-8UA0771SINAMICS S120 СИЛОВОЙ МОДУЛЬ PM340 ВХОД: 3-ФАЗН. 380-480 В, 50/60 ГЦ ВЫХОД: 3-ФАЗН. 38A (18,5 КВТ) ИСПОЛНЕНИЕ: БЛОЧНЫЙ ФОРМАТ, ТИПОРАЗМЕР: FSD ВНУТРЕННЕЕ ВОЗДУШНОЕ ОХЛАЖДЕНИЕ 2248.51
6SL3210-1SE24-5AA0771SINAMICS S120 СИЛОВОЙ МОДУЛЬ PM340 ВХОД: 3-ФАЗН. 380-480 В, 50/60 ГЦ ВЫХОД: 3-ФАЗН. 45A (22 КВТ) ИСПОЛНЕНИЕ: БЛОЧНЫЙ ФОРМАТ, ТИПОРАЗМЕР: FSD СО ВСТРОЕННЫМ СЕТЕВЫМ ФИЛЬТРОМ ВНУТРЕННЕЕ ВОЗДУШНОЕ ОХЛАЖДЕНИЕ 2866.85
6SL3210-1SE24-5UA0771SINAMICS S120 СИЛОВОЙ МОДУЛЬ PM340 ВХОД: 3-ФАЗН. 380-480 В, 50/60 ГЦ ВЫХОД: 3-ФАЗН. 45A (22 КВТ) ИСПОЛНЕНИЕ: БЛОЧНЫЙ ФОРМАТ, ТИПОРАЗМЕР: FSD ВНУТРЕННЕЕ ВОЗДУШНОЕ ОХЛАЖДЕНИЕ 2585.78
6SL3210-1SE26-0AA0771SINAMICS S120 СИЛОВОЙ МОДУЛЬ PM340 ВХОД: 3-ФАЗН. 380-480 В, 50/60 ГЦ ВЫХОД: 3-ФАЗН. 60A (30 КВТ) ИСПОЛНЕНИЕ: БЛОЧНЫЙ ФОРМАТ, ТИПОРАЗМЕР: FSD СО ВСТРОЕННЫМ СЕТЕВЫМ ФИЛЬТРОМ ВНУТРЕННЕЕ ВОЗДУШНОЕ ОХЛАЖДЕНИЕ 3597.61
6SL3210-1SE26-0UA0771SINAMICS S120 СИЛОВОЙ МОДУЛЬ PM340 ВХОД: 3-ФАЗН. 380-480 В, 50/60 ГЦ ВЫХОД: 3-ФАЗН. 60A (30 КВТ) ИСПОЛНЕНИЕ: БЛОЧНЫЙ ФОРМАТ, ТИПОРАЗМЕР: FSD ВНУТРЕННЕЕ ВОЗДУШНОЕ ОХЛАЖДЕНИЕ 3260.33
6SL3210-1SE27-5AA0771SINAMICS S120 СИЛОВОЙ МОДУЛЬ PM340 ВХОД: 3-ФАЗН. 380-480 В, 50/60 ГЦ ВЫХОД: 3-ФАЗН. 75A (37 КВТ) ИСПОЛНЕНИЕ: БЛОЧНЫЙ ФОРМАТ, ТИПОРАЗМЕР: FSE СО ВСТРОЕННЫМ СЕТЕВЫМ ФИЛЬТРОМ ВНУТРЕННЕЕ ВОЗДУШНОЕ ОХЛАЖДЕНИЕ 4412.69
6SL3210-1SE27-5UA0771SINAMICS S120 СИЛОВОЙ МОДУЛЬ PM340 ВХОД: 3-ФАЗН. 380-480 В, 50/60 ГЦ ВЫХОД: 3-ФАЗН. 75A (37 КВТ) ИСПОЛНЕНИЕ: БЛОЧНЫЙ ФОРМАТ, ТИПОРАЗМЕР: FSE ВНУТРЕННЕЕ ВОЗДУШНОЕ ОХЛАЖДЕНИЕ 3991.10
6SL3210-1SE31-0AA0771SINAMICS S120 СИЛОВОЙ МОДУЛЬ PM340 ВХОД: 3-ФАЗН. 380-480 В, 50/60 ГЦ ВЫХОД: 3-ФАЗН. 90A (45 КВТ) ИСПОЛНЕНИЕ: БЛОЧНЫЙ ФОРМАТ, ТИПОРАЗМЕР: FSE СО ВСТРОЕННЫМ СЕТЕВЫМ ФИЛЬТРОМ ВНУТРЕННЕЕ ВОЗДУШНОЕ ОХЛАЖДЕНИЕ 5340.20
6SL3210-1SE31-0UA0771SINAMICS S120 СИЛОВОЙ МОДУЛЬ PM340 ВХОД: 3-ФАЗН. 380-480 В, 50/60 ГЦ ВЫХОД: 3-ФАЗН. 90A (45 КВТ) ИСПОЛНЕНИЕ: БЛОЧНЫЙ ФОРМАТ, ТИПОРАЗМЕР: FSE ВНУТРЕННЕЕ ВОЗДУШНОЕ ОХЛАЖДЕНИЕ 4834.28
6SL3210-1SE31-1AA0771SINAMICS S120 СИЛОВОЙ МОДУЛЬ PM340 ВХОД: 3-ФАЗН. 380-480 В, 50/60 ГЦ ВЫХОД: 3-ФАЗН. 110A (55 КВТ) ИСПОЛНЕНИЕ: БЛОЧНЫЙ ФОРМАТ, ТИПОРАЗМЕР: FSF СО ВСТРОЕННЫМ СЕТЕВЫМ ФИЛЬТРОМ ВНУТРЕННЕЕ ВОЗДУШНОЕ ОХЛАЖДЕНИЕ 6127.18
6SL3210-1SE31-1UA0771SINAMICS S120 СИЛОВОЙ МОДУЛЬ PM340 ВХОД: 3-ФАЗН. 380-480 В, 50/60 ГЦ ВЫХОД: 3-ФАЗН. 110A (55 КВТ) ИСПОЛНЕНИЕ: БЛОЧНЫЙ ФОРМАТ, ТИПОРАЗМЕР: FSF ВНУТРЕННЕЕ ВОЗДУШНОЕ ОХЛАЖДЕНИЕ 5565.05
6SL3210-1SE31-5AA0771SINAMICS S120 СИЛОВОЙ МОДУЛЬ PM340 ВХОД: 3-ФАЗН. 380-480 В, 50/60 ГЦ ВЫХОД: 3-ФАЗН. 145A (75 КВТ) ИСПОЛНЕНИЕ: БЛОЧНЫЙ ФОРМАТ, ТИПОРАЗМЕР: FSF СО ВСТРОЕННЫМ СЕТЕВЫМ ФИЛЬТРОМ ВНУТРЕННЕЕ ВОЗДУШНОЕ ОХЛАЖДЕНИЕ 7363.86
6SL3210-1SE31-5UA0771SINAMICS S120 СИЛОВОЙ МОДУЛЬ PM340 ВХОД: 3-ФАЗН. 380-480 В, 50/60 ГЦ ВЫХОД: 3-ФАЗН. 145A (75 КВТ) ИСПОЛНЕНИЕ: БЛОЧНЫЙ ФОРМАТ, ТИПОРАЗМЕР: FSF ВНУТРЕННЕЕ ВОЗДУШНОЕ ОХЛАЖДЕНИЕ 6689.31
6SL3210-1SE31-8AA0771SINAMICS S120 СИЛОВОЙ МОДУЛЬ PM340 ВХОД: 3-ФАЗН. 380-480 В, 50/60 ГЦ ВЫХОД: 3-ФАЗН. 178A (90 КВТ) ИСПОЛНЕНИЕ: БЛОЧНЫЙ ФОРМАТ, ТИПОРАЗМЕР: FSF СО ВСТРОЕННЫМ СЕТЕВЫМ ФИЛЬТРОМ ВНУТРЕННЕЕ ВОЗДУШНОЕ ОХЛАЖДЕНИЕ 8600.53
6SL3210-1SE31-8UA0771SINAMICS S120 СИЛОВОЙ МОДУЛЬ PM340 ВХОД: 3-ФАЗН. 380-480 В, 50/60 ГЦ ВЫХОД: 3-ФАЗН. 178A (90 КВТ) ИСПОЛНЕНИЕ: БЛОЧНЫЙ ФОРМАТ, ТИПОРАЗМЕР: FSF ВНУТРЕННЕЕ ВОЗДУШНОЕ ОХЛАЖДЕНИЕ 7813.56

 


Аксессуары

Цена на сайте указана розничная в ЕВРО без учета НДС.Для уточнения цены и размера предоставляемой скидки - звоните или присылайте заявки

Заказной номерPGОписание продуктаЦена
6SL3262-1AA00-0BA0343SINAMICS КОМПЛЕКТ ДЛЯ ПОДКЛЮЧЕНИЯ ЭКРАНОВ ДЛЯ СИЛОВОГО МОДУЛЯ ТИПОРАЗМЕР FSA 44.53
6SL3262-1AB00-0DA0343SINAMICS КОМПЛЕКТ ДЛЯ ПОДКЛЮЧЕНИЯ ЭКРАНОВ ДЛЯ СИЛОВОГО МОДУЛЯ ТИПОРАЗМЕР FSB 50.10
6SL3262-1AC00-0DA0343SINAMICS КОМПЛЕКТ ДЛЯ ПОДКЛЮЧЕНИЯ ЭКРАНОВ ДЛЯ СИЛОВОГО МОДУЛЯ ТИПОРАЗМЕР FSC 55.68
6SL3262-1AD00-0DA0343SINAMICS КОМПЛЕКТ ДЛЯ ПОДКЛЮЧЕНИЯ ЭКРАНОВ ДЛЯ СИЛОВОГО МОДУЛЯ, ТИПОРАЗМЕР FSD И FSE 94.65
6SL3262-1AF00-0DA0343SINAMICS КОМПЛЕКТ ДЛЯ ПОДКЛЮЧЕНИЯ ЭКРАНОВ ДЛЯ СИЛОВОГО МОДУЛЯ, ТИПОРАЗМЕР FSF 122.47