0

Разделы

Силовые модули

SINAMICS G110, типоразмер FSA (справа с плоским радиатором)

SINAMICS G110, типоразмеры FSB и FSC

SINAMICS G110 это преобразователь частоты с базовой функциональностью для широкого спектра промышленных приложений с приводами с регулируемой скоростью.

Особо компактные преобразователи SINAMICS G110 работают с управлением по напряжению/частоте на однофазных сетях от 200 В до 240 В.

Это идеальное „экономически оправданное“ решение с преобразователем частоты в нижнем диапазоне мощностей семейства продуктов SINAMICS.

Для преобразователей SINAMICS G110 предлагаются следующие активные компоненты со стороны сети:

 ЭМС-фильтры

  • сетевые дроссели
  • предохранители
  • силовые выключатели

Кроме этого, доступны следующие принадлежности:

  • панель управления
  • монтажные принадлежности
  • ПО для ввода в эксплуатацию

Актуальную техническую документацию (каталоги, габаритные чертежи, сертификаты, справочники и руководства по эксплуатации) можно найти в Интернете по адресу:

http://www.siemens.com/sinamics-g110/documentation

http://www.siemens.ru/sinamics-g110

и в offline на DVD CA 01 в DT-конфигураторе. Дополнительно можно использовать DT-конфигуратор без установки в Интернете. DT-конфигуратор находится по следующему адресу в Industry Mall от Siemens:

http://www.siemens.com/dt-configurator

 


Особенности

Силовые модули
  • простая установка, параметрирование и ввод в эксплуатацию
  • надежный ЭМС-дизайн
  • обширный диапазон параметров позволяет выполнять конфигурирование для широкого спектра приложений
  • простое кабельное соединение
  • масштабируемая функциональность благодаряаналоговому или USS-вариантам
  • моторный режим с низким уровнем шума благодаря высокой частоте импульсов
  • информация о состояниях и сообщения об ошибках через опциональную панель управления BOP (Basic Operator Panel)
  • ускоренное копирование параметров через опциональную панель управления BOP
  • внешние опции для PC-коммуникации и BOP
  • быстрое, хорошо воспроизводимое срабатывание цифровых входов для приложений с коротким временем реагирования
  • точное указание заданного значения через 10-битный аналоговый вход высокого разрешения (только аналоговые варианты)
  • светодиод для информации о состоянии
  • варианты со встроенным ЭМС-фильтром класса A или B
  • DIP-переключатель для простого согласования с приложениями 50 Гц или 60 Гц
  • DIP-переключатель для простой оконечной нагрузки шины для варианта USS (RS485)
  • подключаемый к шине последовательный интерфейс RS485 (только варианты USS) обеспечивает интеграцию в единую сетевую приводную систему
  • 2-/3-проводный метод (статические/импульсные сигналы) для универсального управления через цифровые входы
  • настраиваемая нижняя граница напряжения в промежуточном контуре, для запуска контролируемого торможения двигателя при исчезновении напряжения сети
Принадлежности (обзор)
  • панель управления BOP
  • переходник для монтажа на DIN-рейку (типоразмеры FSA и FSB)
  • комплект соединений PC-преобразователь
  • ПО для ввода в эксплуатацию STARTER
Активные компоненты со стороны сети (обзор)
  • ЭМС-фильтр класса B с низкими токами утечки (предлагается дополнительно для преобразователей со встроенным фильтром)
  • ЭМС-фильтр класса B (предлагается дополнительно для преобразователей со встроенным фильтром)
  • сетевые дроссели
Международные стандарты/нормы
  • отвечает требованиям Директивы по низким напряжениям ЕС
  • маркировка CE
  • сертификация по UL и cUL
  • сертификация по ГОСТ Р 
  • c-tick

 


Дизайн

Силовые модули

Стандартные преобразователи SINAMICS G110 содержат управляющий модуль и силовой модуль, придавая преобразователю в исполнении CPM 110 (Controlled Power Module = CPM) компактный и эффективный внешний вид. Они используют самую современную технологию IGBT и цифровое микропроцессорное управление.

Семейство преобразователей SINAMICS G110 включает в себя следующие варианты и исполнения:

  • Аналоговый вариант доступен в следующих исполнениях:

- без ЭМС-фильтра, с радиатором- встроенный ЭМС-фильтр класса A/B, с радиатором- без ЭМС-фильтра, с плоским радиатором (толькотипоразмер FSA)- встроенный ЭМС-фильтр класса B, с плоскимрадиатором (только типоразмер FSA)

  • USS-вариант (RS485) доступен в следующих исполнениях:

- без ЭМС-фильтра, с радиатором- встроенный ЭМС-фильтр класса A/B, с радиатором- без ЭМС-фильтра, с плоским радиатором (толькотипоразмер FSA)- встроенный ЭМС-фильтр класса B, с плоскимрадиатором (только типоразмер FSA)

Охлаждение типоразмера FSA осуществляется через радиатор и естественную конвекцию. Типоразмер FSA с плоским радиатором предлагает компактный и удобный теплоотвод, т.к. дополнительный радиатор может быть установлен вне электрошкафа. У типоразмеров FSB и FSC встроенный вентилятор служит для охлаждения радиатора, что обеспечивает компактный дизайн.

Соединения у всех исполнений преобразователей легко доступны и их расположение унифицированно. Для оптимальной электромагнитной совместимости и наглядного подключения сетевое подключение и подключение двигателя разведены в пространстве и находятся на противоположных сторонах (как у контакторов). Колодка управляющих клемм выполнена в технике соединения без винтов.

Опциональная панель управления BOP (Basic Operator Panel) может быть установлена без использования инструментов.

 


Функции

Силовые модули
  • Продление срока службы механики машины благодаря возможности пропуска частотного диапазона при резонансе, параметрируемое время разгона/торможения до 650 сек, сглаживание рампы, а также подключение преобразователя к вращающемуся двигателю (перезапуск на ходу)
  • Увеличение техготовности установки благодаря автоматическому перезапуску после отключения питания или неполадок в работе
  • Быстрое ограничение тока (FCL) для бесперебойной работы при внезапных толчках нагрузки
  • Параметрируемая характеристика U/f (к примеру, для синхронных двигателей)
  • Торможение постоянным током и смешанное торможение для быстрой остановки без внешнего тормозного резистора
  • Ограничение напряжения промежуточного контура через регулятор UDCmax
  • Компенсация скольжения, функция электронного потенциометра двигателя и три заданных значения постоянной скорости
  • Параметрируемая вольтодобавка для увеличения динамики при запуске и ускорении
  • Функция стояночного тормоза двигателя для управления внешним механическим тормозом

 


Технические данные

Силовые модули

Диапазон мощностей

0.12 кВт до 3.0 кВт

 

Сетевое напряжение

200 В до 240 В 1 AC ±10%

 

Частота сети

47 Гц до 63 Гц

 

Выходная частота

0 Гц  до 650 Гц

 

Коэффициент мощности

≥ 0.95

 

КПД преобразователя

преобразователи < 0.75 кВт: 90% до 94%

преобразователи ≥ 0.75 кВт: ≥ 95%

 

Перегрузочная способность

1.5 x расчетный выходной ток в течении 60 с,затем 0.85 x расчетный выходной ток в течении 240 с, время цикла 300 с

 

Пусковой ток

Не выше расчетного входного тока

 

Законы управления

Линейная зависимость V/f ( с программируемой IR компенсацией;квадратичная V/f  зависимость;программируемая зависимость V/f

 

Частота ШИМ

8 kГц (стандартная)

2 kГц  до 16 kГц (с шагом 2 kГц)

 

Фиксированные частоты

3, программируемые

 

Частота диафрагмирования

1, программируемая

 

Дискретность задания

0.01 Гц цифровой

0.01 Гц последовательный

10 бит аналоговый (мотор-потенциометр 0.1 Гц)

 

Цифровые входы

3 программируемых, не изолированных; тип PNP, совместимость с SIMATIC

 

Аналоговый вход            (аналоговый вариант)

1, для установки (0 В до 10 В, масштабируемый или для использования как 4 цифровой вход)

 

Цифровые выходы

1 изолированный выход оптопары (24 В DC, 50 мА, резистивный, тип NPN)

 

Последовательный интерфейс (вариант с USS протоколом)

RS485, для работы по USS протоколу

 

Длина кабеля до двигателя

макс. 25 м (экранированный)

макс. 50 м (неэкранированный)

 

Электромагнитная совместимость

все устройства с внутренним EMC-фильтром для систем силового привода категории инсталляций C2 (ограничения),лимит соответствует EN 55 011, класс A, группа 1

кроме того, все устройства с фильтром с экранированными кабелями макс. длины5 м соответствуют лимитам EN 55 011, класс B

Торможение

Торможение постоянным током

 

Степень защиты

IP20

 

Рабочая температура

-10 °C до +40 °C

свыше +50 °C с понижением мощности

 

Температура хранения

-40 °C до +70 °C

 

Относительная влажность

95% (без образования конденсата)

 

Высотная характеристика

до 1000 м над уровнем моря без понижения мощности

  • Выходной ток  при 4000 м над уровнем моря: 90%
  • Питающее напряжение до 2000 м над уровнем моряl: 100%при 4000 м над уровнем моряl: 75%

 

Функции защит по:

  • Пониженному напряжению
  • Перенапряжению
  • Включению на земля 
  • Короткому замыканию 
  • Блокировке двигателя
  • I 2 t тепловая защита двигателя
  • Перегреву преобразователя
  • Перегреву двигателя

 

Нормы и сертификация

UL, cUL, CE, c-tick

 

Обозначение CE

Совместимость с EC низковольтной директивой 73/23/EEC

 

Габаритные размеры и вес(без опций)

Типоразмер

РазмерыВ x Ш x Г

Вес, прим. (кг)

 

(FS)

мм

без фильтра

с фильтром

 

A ≤ 0.37 кВт

150 x 90 x 116

0.7

0.8

 

A 0.55 кВт и 0.75 кВт

150 x 90 x 131

0.8

0.9

 

A ≤ 0.37 кВт с плоской теплоотводящей пластиной

150 x 90 x 101

0.6

0.7

 

A 0.55 кВт и 0.75 кВт с плоской теплоотводящей пластиной

150 x 90 x 101

0.7

0.8

 

B

160 x 140 x 142

1.4

1.5

 

C 2.2 кВт

181 x 184 x 152

1.9

2.1

 

C 3.0 кВт

181 x 184 x 152

2.0

2.2

 

Данные снижения номинальных характеристик
Частота ШИМ 

Выходная мощность

Выходной ток, A (при частоте ШИМ)

кВт

2 kГц

4 kГц

6 kГц

8 kГц

10 kГц

12 kГц

14 kГц

16 kГц

0.12

0.9

0.9

0.9

0.9

0.9

0.9

0.9

0.9

0.25

1.7

1.7

1.7

1.7

1.7

1.7

1.7

1.7

0.37

2.3

2.3

2.3

2.3

2.3

2.3

2.3

2.3

0.55

3.2

3.2

3.2

3.2

3.0

2.7

2.5

2.2

0.75 (при 40 °C)

3.9

3.9

3.9

3.9

3.6

3.3

3.0

2.7

0.75

3.2

3.2

3.2

3.2

3.0

2.7

2.5

2.2

1.1

6.0

6.0

6.0

6.0

5.9

5.7

5.6

5.4

1.5 (при 40 °C)

7.8

7.8

7.8

7.8

7.6

7.4

7.2

7.0

1.5

6.0

6.0

6.0

6.0

5.9

5.7

5.6

5.4

2.2

11.0

11.0

11.0

11.0

10.8

10.5

10.2

9.9

3.0 (при 40 °C)

13.6

13.6

13.6

13.6

13.3

12.9

12.6

12.3

3.0

11.0

11.0

11.0

11.0

10.8

10.5

10.2

9.9

Данные тока применяются для окружающей температуры 50 °C , если не определено что-либо иное.

 

Технические данные для версий с плоской теплоотводящей пластиной

Версия радиатора с плоской пластиной обеспечивает экономию места и подходящую теплоотдачу, т.к. дополнительный радиатор может быть установлен снаружи шкафа управления.

Выходная мощность

120 Вт

250 Вт

370 Вт

550 Вт

750 Вт

Рабочая температура

‑10 °C до +50 °C

‑10 °C до +50 °C

‑10 °C до +50 °C

‑10 °C до +50 °C

‑10 °C до +40 °C

Общие потери при полной нагрузке и максимальной определенной окружающей температуре

22 Вт

28 Вт

36 Вт

43 Вт

54 Вт

Потери со стороны сети и управления

9 Вт

10 Вт

12 Вт

13 Вт

15 Вт

Рекомендуемое тепловое сопротивление радиатора

3.0 К/Вт

2.2 К/Вт

1.6 K/Вт

1.2 K/Вт

1.2 K/Вт

Рекомендованный выходной ток

0.9 A

1.7 A

2.3 A

3.2 A

3.9 A

 

Соответствие стандартам

Маркировка СЕ

Преобразователи SINAMICS G110 соответствуют требованиям низковольтной директивы 73/23/EEC. По запросу можно получить сертификат соответствия.

 

Низковольтная директива

Преобразователи соответствуют следующим стандартам, перечисленным в официальном регистре ЕС:

  • EN 60 204Безопасность станков, электрооборудование станков
  • EN 50 178Электронное оборудование в инсталляциях электрических систем.

 

Директива по станкам

Преобразователи подходят для инсталляции на станки. Соответствие директиве по станкам 89/392/EEC требует наличия сертификата соответствия. Он должен быть выдан фирмой, производящей оборудование или продающей станки.

 

ЭМС директива

  • EN 61 800-3Электрические системы силового привода с регулируемой скоростьюЧасть 3: Стандарт продукта ЭМС, включая специальные методы тестирования.

Измененный стандарт продукта ЭМС EN 61 800-3/A11 для электрических систем силового привода вступил в силу 01.01.2002. Следующие комментарии применяются к преобразователям частоты SINAMICS G110 производства Siemens:

  • Стандарт продукта ЭМС EN 61 800-3/A11 применяется напрямую не к преобразователю частоты, а к PDS (Power Drive System = система силового привода), которая включает в себя всю схему, двигатель и кабели в дополнении в преобразователю.
  • Поэтому преобразователь частоты рассматривается только как компонент, который сам по себе не подлежит стандарту продукта ЭМС EN 61 800-3/A11. Однако, инструкция по эксплуатации преобразователя определяет условий, при которых стандарт продукта может выполняться, если преобразователь частоты используется в составе PDS. Директива ЭМС в ЕС касается PDS с учетом стандарта продукта EN 61 800-3/A11 для PDS. Преобразователи частоты сами по себе обычно не требуют маркировки в соответствие с директивой ЭМС.
  • • Являясь компонентами, преобразователи частоты классифицируются только как "ограниченное использование" для лиц и пользователей со знаниями ЭМС. Они не предназначены для неограниченной продажи или "общей доступности" для пользователей.С этой точки зрения необходимо четкое разделение на преобразователь частоты и PDS. PDS может быть изготовлена станкостроителем для общей доступности, и стандарт должен применяться соответственно. Однако, компоненты, используемые в PDS, могут быть не предназначены для "общей доступности".
  • • С 01.01.2002 стандарт продукта ЭМС EN 61 800-3/A11 также определяет, в первую очередь, лимиты для кондуктивных помех и помеха от паразитного излучения для так называемой "вторичной среды" (= промышленные системы электропитания, которые не подают питание для бытовых нужд). Хотя эти лимиты лежат ниже лимитов класса фильтра A в соответствии с EN 55 011, система PDS с преобразователем частоты без фильтра серии SINAMICS G110 не соответствует этим значениям, а значит не выполняет стандарт EN 61 800-3/A11. Но использование преобразователей без фильтра в промышленной среде возможно, если он является частью системы, которая включает фильтрацию линии питания на "уровне системы".
  • • Используя внутренние или внешние фильтры и инструкции по инсталляции, входящие в документацию, PDS предназначена для использования преобразователей частоты, соответствующих стандарту продукта EN 61 800-3/A11:
    • с фильтрами недостаточной утечки класса B по EN 55 011 в первичной среде (жилой фонд, коммерческие здания и легкая промышленность), неограниченная продажа
    • с фильтрами класса A по EN 55 011 в первичной среде плюс предупредительная этикетка, ограниченная продажа и инсталляция экспертами по ЭМС
    • с фильтрами класса B по EN 55 011 в первичной среде, ограниченная продажа
    • с фильтрами класса A по EN 55 011 во вторичной среде (промышленные области), где эти фильтры даже превышают требования EN 61 800-3/A11.
  • Необходимо различать между стандартами продукта для электрических систем силового привода (PDS), т.е. диапазон стандартов EN 61 800-3/A11 (часть 3/A11 которого покрывает ЭМС) и стандартами продукта для устройств/систем/станков и т.д. Не должно быть изменений в практическом использовании преобразователей частоты. Т.к. преобразователи частоты всегда являются частью систем PDS, а они часть станка, то производитель станка должен соблюдать различные стандарты в соответствие с типом станка и средой, например, EN 61 000-3-2 для гармоник электропитания и EN 55 011 для радиопомех. Поэтому стандарт продукта для PDS сам по себе несущественен или не имеет значения в этом контексте.

На основе соответствия лимитам для излучений синусоидального тока стандарт продукта ЭМС EN 61 800-3/A11 для PDS относится к соответствию со стандартами EN 61 000-3-2 и EN 61 000-3-12.

 

Электромагнитная совместимость 

При правильном соблюдении инструкций по инсталляции, специфичных для продукта, недопустимые электромагнитные помехи не возникают.

Следующая таблица показывает измеренные значения для помех и помехоустойчивость для преобразователей SINAMICS G110.

Преобразователи были установлены в соответствие с инструкциями с экранированными кабелями двигателя и экранированными управляющими кабелями.

 

Эффект ЭМС Стандарт/тестирование

 

Подходящие критерии

Предельное значение

Помехи EN 61 800-3(первичная среда1))

Проводимые через питающий кабель

150 кГц дo 30 МГц

Без фильтра: не тестировались

Все устройства с внутренним фильтром ЭМС для систем силового привода категории инсталляции C2 (ограниченное использование2)).

Лимит соответствует EN 55 011, класс A, группа 1.

Кроме того, все устройства с фильтром с экранированными кабелями макс. длины 5 м соответствуют лимитам EN 55 011, класс B

Излучаемые приводом

30 МГц дo 1 ГГц

Тестирование на невосприимчивость ESDEN 61 000-4-2

ESD через молнию

Уровень тестирования 3

8 кВ

ESD через контактный разряд

Уровень тестирования 3

6 кВ

Тестирование на невосприимчивость электромагнитных полейEN 61 000-4-3

Электрическое поле, применимое к устройству

Уровень тестирования 326 MГц дo 1 ГГц

10 В/м

Тестирование на невосприимчивость всплесковEN 61 000-4-4

Применимо ко всем кабельным вводам

Уровень тестирования 4

4 кВ

Тестирование на невосприимчивость импульсовEN 61 000-4-5

Применимо к питающим кабелям

Уровень тестирования 3

2 кВ

Невосприимчивость кондуктивных помех, индуцированных радиочастотными полями EN 61 000-4-6

Применимо к питающим, управляющим кабелям и кабелям двигателя 

Уровень тестирования 40.15 MГц дo 80 MГц80% AM (1 кГц)

10 В

 

Список UL

Перечисленное UL и cUL оборудование силового преобразования типа 5B33 в соответствие с UL508C.

Для использования в среде с уровнем загрязнения 2.

 

 

1) Первичная средаЖилые, коммерческие здания и легкая промышленность: Среда, которая включает в себя участки жилыхзлданий, а также оборудование, которое подключено непосредственно к низковольтному источнику питания без промежуточного преобразователя для питания жилых зданий.

2) Ограниченное использование:канал продаж, маркетинг/сбыт оборудования которого ограничивается дистрибьюторами, заказчиками и пользователями, которые – по отдельности или вместе – имеют технические знания ЭМС.

Категория C2: Power Drive System (PDS = система силового привода) с номинальным напряжением <1000 В. При использовании в первичной среде инсталляция и пуско-наладка должны проводиться только экспертами по ЭМС.

 


Дополнительно

Силовые модули
Базовая панель оператора (BOP)

BOP может использоваться для установки индивидуальных параметров.

Значения и единицы измерения отображаются на 5-значном дисплее.

Одна BOP может использоваться для нескольких преобразователей. Она подключается непосредственно к преобразователю.

BOP имеет функцию копирования параметров, которая позволяет сохранить набор параметров одного преобразователя и загрузить его в другой.

 

Комплект подключения ПК к преобразователю

Для управления и пуско-наладки преобразователя непосредственно с ПК, если было установлено соответствующее программное обеспечение (STARTER).

Изолированная адаптерная панель RS232 для надежного подключения «точка-к-точке» к ПК.

Она имеет 9-штырьковый штекер Sub-D и стандартный кабель RS232 (3 м).

 

Программа пуско-наладки

STARTER – это графическая программа пуско-наладки для частотного преобразователя SINAMICS G110 под Windows NT/2000/XP Professional. Можно считывать, изменять, сохранять, записывать и распечатывать списки параметров.

Программа пуско-наладки STARTER также доступна в Интернетеhttp://www4.ad.siemens.de/WW/view/de/10804985/133100

 


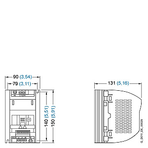
Чертеж

Силовые модули

 

Инверторы типоразмера A; 0.12 кВт до 0.37 кВт

 

Инверторы типоразмера А; 0.55 кВт до 0.75 кВт

 

Инверторы типоразмера А с плоской теплоотводящей пластиной;

 0.12 кВт до 0.75 кВт

 

Инверторы типоразмера B; 1.1 кВт до 1.5 кВт

 

Инверторы типоразмера C; 2.2 кВт до 3.0 кВт

 

С базовой панелью оператора (BOP), установочная глубина увеличивается на 8 мм (0.31 дюйм).

Все размеры приведены в мм (значения в скобках в дюймах).

 


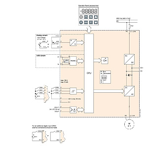
Схема подключения

Силовые модули
Обзорная схема подключения

 

 


Заказные данные

Цена на сайте указана розничная в ЕВРО без учета НДС.Для уточнения цены и размера предоставляемой скидки - звоните или присылайте заявки

Заказной номерPGОписание продуктаЦена
6SL3211-0AB11-2BA1334SINAMICS G110 - CPM110 ПРИВОД ПЕРЕМ. ТОКА, ВСТРОЕННЫЙ ФИЛЬТР КЛАССА В, 1-ФАЗН. 200-240В +10/-10% 47-63 ГЦ С АНАЛОГОВЫМ ВХОДОМ CT: 0,12 КВТ; VT: 0,12 КВТ CT: С ПЕРЕГРУЗКОЙ 150% В ТЕЧ. 60С 150 X 90 X 116 (ВXШXГ) КЛАСС ЗАЩИТЫ: IP20 ТЕМП. ОКР. СРЕДЫ: ОТ -10 Д 139.43
6SL3211-0AB11-2BB1334SINAMICS G110 - CPM110 ПРИВОД ПЕРЕМ. ТОКА, ВСТРОЕННЫЙ ФИЛЬТР КЛАССА В, 1-ФАЗН. 200-240В +10/-10% 47-63 ГЦ С ИНТЕРФЕЙСОМ RS485 (ПРОТОКОЛ USS) CT: 0,12 КВТ; VT: 0,12 КВТ CT: С ПЕРЕГРУЗКОЙ 150% В ТЕЧ. 60С 150 X 90 X 116 (ВXШXГ) КЛАСС ЗАЩИТЫ: IP20 ТЕМП. ОКР. 139.43
6SL3211-0AB11-2UA1334SINAMICS G110 - CPM110 ПРИВОД ПЕРЕМ. ТОКА, БЕЗ ФИЛЬТРА 1-ФАЗН. 200-240В +10/-10% 47-63 ГЦ С АНАЛОГОВЫМ ВХОДОМ CT: 0,12 КВТ; VT: 0,12 КВТ CT: С ПЕРЕГРУЗКОЙ 150% В ТЕЧ. 60С 150 X 90 X 116 (ВXШXГ) КЛАСС ЗАЩИТЫ: IP20 ТЕМП. ОКР. СРЕДЫ: ОТ -10 ДО +50 ГРАД. C БЕ 124.80
6SL3211-0AB11-2UB1334SINAMICS G110 - CPM110 ПРИВОД ПЕРЕМ. ТОКА, БЕЗ ФИЛЬТРА 1-ФАЗН. 200-240В +10/-10% 47-63 ГЦ С ИНТЕРФЕЙСОМ RS485 (ПРОТОКОЛ USS) CT: 0,12 КВТ; VT: 0,12 КВТ CT: С ПЕРЕГРУЗКОЙ 150% В ТЕЧ. 60С 150 X 90 X 116 (ВXШXГ) КЛАСС ЗАЩИТЫ: IP20 ТЕМП. ОКР. СРЕДЫ: ОТ -10 ДО 124.80
6SL3211-0AB12-5BA1334SINAMICS G110 - CPM110 ПРИВОД ПЕРЕМ. ТОКА, ВСТРОЕННЫЙ ФИЛЬТР КЛАССА В, 1-ФАЗН. 200-240В +10/-10% 47-63 ГЦ С АНАЛОГОВЫМ ВХОДОМ CT: 0.25 КВТ; VT: 0.25 КВТ CT: С ПЕРЕГРУЗКОЙ 150% В ТЕЧ. 60С 150 X 90 X 116 (ВXШXГ) КЛАСС ЗАЩИТЫ: IP20 ТЕМП. ОКР. СРЕДЫ: ОТ -10 Д 151.80
6SL3211-0AB12-5BB1334SINAMICS G110 - CPM110 ПРИВОД ПЕРЕМ. ТОКА, ВСТРОЕННЫЙ ФИЛЬТР КЛАССА В, 1-ФАЗН. 200-240В +10/-10% 47-63 ГЦ С ИНТЕРФЕЙСОМ RS485 (ПРОТОКОЛ USS) CT: 0.25 КВТ; VT: 0.25 КВТ CT: С ПЕРЕГРУЗКОЙ 150% В ТЕЧ. 60С 150 X 90 X 116 (ВXШXГ) КЛАСС ЗАЩИТЫ: IP20 ТЕМП. ОКР. 151.80
6SL3211-0AB12-5UA1334SINAMICS G110 - CPM110 ПРИВОД ПЕРЕМ. ТОКА, БЕЗ ФИЛЬТРА 1-ФАЗН. 200-240В +10/-10% 47-63 ГЦ С АНАЛОГОВЫМ ВХОДОМ CT: 0.25 КВТ; VT: 0.25 КВТ CT: С ПЕРЕГРУЗКОЙ 150% В ТЕЧ. 60С 150 X 90 X 116 (ВXШXГ) КЛАСС ЗАЩИТЫ: IP20 ТЕМП. ОКР. СРЕДЫ: ОТ -10 ДО +50 ГРАД. C БЕ 134.94
6SL3211-0AB12-5UB1334SINAMICS G110 - CPM110 ПРИВОД ПЕРЕМ. ТОКА, БЕЗ ФИЛЬТРА 1-ФАЗН. 200-240В +10/-10% 47-63 ГЦ С ИНТЕРФЕЙСОМ RS485 (ПРОТОКОЛ USS) CT: 0.25 КВТ; VT: 0.25 КВТ CT: С ПЕРЕГРУЗКОЙ 150% В ТЕЧ. 60С 150 X 90 X 116 (ВXШXГ) КЛАСС ЗАЩИТЫ: IP20 ТЕМП. ОКР. СРЕДЫ: ОТ -10 ДО 134.94
6SL3211-0AB13-7BA1334SINAMICS G110 - CPM110 ПРИВОД ПЕРЕМ. ТОКА, ВСТРОЕННЫЙ ФИЛЬТР КЛАССА В, 1-ФАЗН. 200-240В +10/-10% 47-63 ГЦ С АНАЛОГОВЫМ ВХОДОМ CT: 0.37 КВТ; VT: 0.37 КВТ CT: С ПЕРЕГРУЗКОЙ 150% В ТЕЧ. 60С 150 X 90 X 116 (ВXШXГ) КЛАСС ЗАЩИТЫ: IP20 ТЕМП. ОКР. СРЕДЫ: ОТ -10 Д 164.17
6SL3211-0AB13-7BB1334SINAMICS G110 - CPM110 ПРИВОД ПЕРЕМ. ТОКА, ВСТРОЕННЫЙ ФИЛЬТР КЛАССА В, 1-ФАЗН. 200-240В +10/-10% 47-63 ГЦ С ИНТЕРФЕЙСОМ RS485 (ПРОТОКОЛ USS) CT: 0.37 КВТ; VT: 0.37 КВТ CT: С ПЕРЕГРУЗКОЙ 150% В ТЕЧ. 60С 150 X 90 X 116 (ВXШXГ) КЛАСС ЗАЩИТЫ: IP20 ТЕМП. ОКР. 164.17
6SL3211-0AB13-7UA1334SINAMICS G110 - CPM110 ПРИВОД ПЕРЕМ. ТОКА, БЕЗ ФИЛЬТРА 1-ФАЗН. 200-240В +10/-10% 47-63 ГЦ С АНАЛОГОВЫМ ВХОДОМ CT: 0.37 КВТ; VT: 0.37 КВТ CT: С ПЕРЕГРУЗКОЙ 150% В ТЕЧ. 60С 150 X 90 X 116 (ВXШXГ) КЛАСС ЗАЩИТЫ: IP20 ТЕМП. ОКР. СРЕДЫ: ОТ -10 ДО +50 ГРАД. C БЕ 142.81
6SL3211-0AB13-7UB1334SINAMICS G110 - CPM110 ПРИВОД ПЕРЕМ. ТОКА, БЕЗ ФИЛЬТРА 1-ФАЗН. 200-240В +10/-10% 47-63 ГЦ С ИНТЕРФЕЙСОМ RS485 (ПРОТОКОЛ USS) CT: 0.37 КВТ; VT: 0.37 КВТ CT: С ПЕРЕГРУЗКОЙ 150% В ТЕЧ. 60С 150 X 90 X 116 (ВXШXГ) КЛАСС ЗАЩИТЫ: IP20 ТЕМП. ОКР. СРЕДЫ: ОТ -10 ДО 142.81
6SL3211-0AB15-5BA1334SINAMICS G110 - CPM110 ПРИВОД ПЕРЕМ. ТОКА, ВСТРОЕННЫЙ ФИЛЬТР КЛАССА В, 1-ФАЗН. 200-240В +10/-10% 47-63 ГЦ С АНАЛОГОВЫМ ВХОДОМ CT: 0,55 КВТ; VT: 0,55 КВТ CT: С ПЕРЕГРУЗКОЙ 150% В ТЕЧ. 60С 150 X 90 X 131 (ВXШXГ) КЛАСС ЗАЩИТЫ: IP20 ТЕМП. ОКР. СРЕДЫ: ОТ -10 Д 175.42
6SL3211-0AB15-5BB1334SINAMICS G110 - CPM110 ПРИВОД ПЕРЕМ. ТОКА, ВСТРОЕННЫЙ ФИЛЬТР КЛАССА В, 1-ФАЗН. 200-240В +10/-10% 47-63 ГЦ С ИНТЕРФЕЙСОМ RS485 (ПРОТОКОЛ USS) CT: 0,55 КВТ; VT: 0,55 КВТ CT: С ПЕРЕГРУЗКОЙ 150% В ТЕЧ. 60С 150 X 90 X 131 (ВXШXГ) КЛАСС ЗАЩИТЫ: IP20 ТЕМП. ОКР. 175.42
6SL3211-0AB15-5UA1334SINAMICS G110 - CPM110 ПРИВОД ПЕРЕМ. ТОКА, БЕЗ ФИЛЬТРА 1-ФАЗН. 200-240В +10/-10% 47-63 ГЦ С АНАЛОГОВЫМ ВХОДОМ CT: 0,55 КВТ; VT: 0,55 КВТ CT: С ПЕРЕГРУЗКОЙ 150% В ТЕЧ. 60С 150 X 90 X 131 (ВXШXГ) КЛАСС ЗАЩИТЫ: IP20 ТЕМП. ОКР. СРЕДЫ: ОТ -10 ДО +50 ГРАД. C БЕ 157.43
6SL3211-0AB15-5UB1334SINAMICS G110 - CPM110 ПРИВОД ПЕРЕМ. ТОКА, БЕЗ ФИЛЬТРА 1-ФАЗН. 200-240В +10/-10% 47-63 ГЦ С ИНТЕРФЕЙСОМ RS485 (ПРОТОКОЛ USS) CT: 0,55 КВТ; VT: 0,55 КВТ CT: С ПЕРЕГРУЗКОЙ 150% В ТЕЧ. 60С 150 X 90 X 131 (ВXШXГ) КЛАСС ЗАЩИТЫ: IP20 ТЕМП. ОКР. СРЕДЫ: ОТ -10 ДО 157.43
6SL3211-0AB17-5BA1334SINAMICS G110 - CPM110 ПРИВОД ПЕРЕМ. ТОКА, ВСТРОЕННЫЙ ФИЛЬТР КЛАССА В, 1-ФАЗН. 200-240В +10/-10% 47-63 ГЦ С АНАЛОГОВЫМ ВХОДОМ CT: 0,75 КВТ; VT: 0,75 КВТ CT: С ПЕРЕГРУЗКОЙ 150% В ТЕЧ. 60С 150 X 90 X 131 (ВXШXГ) КЛАСС ЗАЩИТЫ: IP20 ТЕМП. ОКР. СРЕДЫ: ОТ -10 Д 193.40
6SL3211-0AB17-5BB1334SINAMICS G110 - CPM110 ПРИВОД ПЕРЕМ. ТОКА, ВСТРОЕННЫЙ ФИЛЬТР КЛАССА В, 1-ФАЗН. 200-240В +10/-10% 47-63 ГЦ С ИНТЕРФЕЙСОМ RS485 (ПРОТОКОЛ USS) CT: 0,75 КВТ; VT: 0,75 КВТ CT: С ПЕРЕГРУЗКОЙ 150% В ТЕЧ. 60С 150 X 90 X 131 (ВXШXГ) КЛАСС ЗАЩИТЫ: IP20 ТЕМП. ОКР. 193.40
6SL3211-0AB17-5UA1334SINAMICS G110 - CPM110 ПРИВОД ПЕРЕМ. ТОКА, БЕЗ ФИЛЬТРА 1-ФАЗН. 200-240В +10/-10% 47-63 ГЦ С АНАЛОГОВЫМ ВХОДОМ CT: 0,75 КВТ; VT: 0,75 КВТ CT: С ПЕРЕГРУЗКОЙ 150% В ТЕЧ. 60С 150 X 90 X 131 (ВXШXГ) КЛАСС ЗАЩИТЫ: IP20 ТЕМП. ОКР. СРЕДЫ: ОТ -10 ДО +40 ГРАД. C БЕ 172.05
6SL3211-0AB17-5UB1334SINAMICS G110 - CPM110 ПРИВОД ПЕРЕМ. ТОКА, БЕЗ ФИЛЬТРА 1-ФАЗН. 200-240В +10/-10% 47-63 ГЦ С ИНТЕРФЕЙСОМ RS485 (ПРОТОКОЛ USS) CT: 0,75 КВТ; VT: 0,75 КВТ CT: С ПЕРЕГРУЗКОЙ 150% В ТЕЧ. 60С 150 X 90 X 131 (ВXШXГ) КЛАСС ЗАЩИТЫ: IP20 ТЕМП. ОКР. СРЕДЫ: ОТ -10 ДО 172.05
6SL3211-0AB21-1AA1334SINAMICS G110 - CPM110 ПРИВОД ПЕРЕМ. ТОКА, ВСТРОЕННЫЙ ФИЛЬТР КЛАССА А 1-ФАЗН. 200-240В +10/-10% 47-63 ГЦ С АНАЛОГОВЫМ ВХОДОМ CT: 1,1 КВТ; VT: 1,1 КВТ CT: С ПЕРЕГРУЗКОЙ 150% В ТЕЧ. 60С 160 X 140 X 142 (ВXШXГ) КЛАСС ЗАЩИТЫ: IP20 ТЕМП. ОКР. СРЕДЫ: ОТ -10 ДО 224.89
6SL3211-0AB21-1AB1334SINAMICS G110 - CPM110 ПРИВОД ПЕРЕМ. ТОКА, ВСТРОЕННЫЙ ФИЛЬТР КЛАССА А 1-ФАЗН. 200-240В +10/-10% 47-63 ГЦ С ИНТЕРФЕЙСОМ RS485 (ПРОТОКОЛ USS) CT: 1,1 КВТ; VT: 1,1 КВТ CT: С ПЕРЕГРУЗКОЙ 150% В ТЕЧ. 60С 160 X 140 X 142 (ВXШXГ) КЛАСС ЗАЩИТЫ: IP20 ТЕМП. ОКР. СР 224.89
6SL3211-0AB21-1UA1334SINAMICS G110 - CPM110 ПРИВОД ПЕРЕМ. ТОКА, БЕЗ ФИЛЬТРА 1-ФАЗН. 200-240В +10/-10% 47-63 ГЦ С АНАЛОГОВЫМ ВХОДОМ CT: 1,1 КВТ; VT: 1,1 КВТ CT: С ПЕРЕГРУЗКОЙ 150% В ТЕЧ. 60С 160 X 140 X 142 (ВXШXГ) КЛАСС ЗАЩИТЫ: IP20 ТЕМП. ОКР. СРЕДЫ: ОТ -10 ДО +50 ГРАД. C БЕЗ 196.78
6SL3211-0AB21-1UB1334SINAMICS G110 - CPM110 ПРИВОД ПЕРЕМ. ТОКА, БЕЗ ФИЛЬТРА 1-ФАЗН. 200-240В +10/-10% 47-63 ГЦ С ИНТЕРФЕЙСОМ RS485 (ПРОТОКОЛ USS) CT: 1,1 КВТ; VT: 1,1 КВТ CT: С ПЕРЕГРУЗКОЙ 150% В ТЕЧ. 60С 160 X 140 X 142 (ВXШXГ) КЛАСС ЗАЩИТЫ: IP20 ТЕМП. ОКР. СРЕДЫ: ОТ -10 ДО 196.78
6SL3211-0AB21-5AA1334SINAMICS G110 - CPM110 ПРИВОД ПЕРЕМ. ТОКА, ВСТРОЕННЫЙ ФИЛЬТР КЛАССА А 1-ФАЗН. 200-240В +10/-10% 47-63 ГЦ С АНАЛОГОВЫМ ВХОДОМ CT: 1,5 КВТ; VT: 1,5 КВТ CT: С ПЕРЕГРУЗКОЙ 150% В ТЕЧ. 60С 160 X 140 X 142 (ВXШXГ) КЛАСС ЗАЩИТЫ: IP20 ТЕМП. ОКР. СРЕДЫ: ОТ -10 ДО 258.63
6SL3211-0AB21-5AB1334SINAMICS G110 - CPM110 ПРИВОД ПЕРЕМ. ТОКА, ВСТРОЕННЫЙ ФИЛЬТР КЛАССА А 1-ФАЗН. 200-240В +10/-10% 47-63 ГЦ С ИНТЕРФЕЙСОМ RS485 (ПРОТОКОЛ USS) CT: 1,5 КВТ; VT: 1,5 КВТ CT: С ПЕРЕГРУЗКОЙ 150% В ТЕЧ. 60С 160 X 140 X 142 (ВXШXГ) КЛАСС ЗАЩИТЫ: IP20 ТЕМП. ОКР. СР 258.63
6SL3211-0AB21-5UA1334SINAMICS G110 - CPM110 ПРИВОД ПЕРЕМ. ТОКА, БЕЗ ФИЛЬТРА 1-ФАЗН. 200-240В +10/-10% 47-63 ГЦ С АНАЛОГОВЫМ ВХОДОМ CT: 1,5 КВТ; VT: 1,5 КВТ CT: С ПЕРЕГРУЗКОЙ 150% В ТЕЧ. 60С 160 X 140 X 142 (ВXШXГ) КЛАСС ЗАЩИТЫ: IP20 ТЕМП. ОКР. СРЕДЫ: ОТ -10 ДО +40 ГРАД. C БЕЗ 223.77
6SL3211-0AB21-5UB1334SINAMICS G110 - CPM110 ПРИВОД ПЕРЕМ. ТОКА, БЕЗ ФИЛЬТРА 1-ФАЗН. 200-240В +10/-10% 47-63 ГЦ С ИНТЕРФЕЙСОМ RS485 (ПРОТОКОЛ USS) CT: 1,5 КВТ; VT: 1,5 КВТ CT: С ПЕРЕГРУЗКОЙ 150% В ТЕЧ. 60С 160 X 140 X 142 (ВXШXГ) КЛАСС ЗАЩИТЫ: IP20 ТЕМП. ОКР. СРЕДЫ: ОТ -10 ДО 223.77
6SL3211-0AB22-2AA1334SINAMICS G110 - CPM110 ПРИВОД ПЕРЕМ. ТОКА, ВСТРОЕННЫЙ ФИЛЬТР КЛАССА А 1-ФАЗН. 200-240В +10/-10% 47-63 ГЦ С АНАЛОГОВЫМ ВХОДОМ CT: 2,2 КВТ; VT: 2,2 КВТ CT: С ПЕРЕГРУЗКОЙ 150% В ТЕЧ. 60С 181 X 184 X 152 (ВXШXГ) КЛАСС ЗАЩИТЫ: IP20 ТЕМП. ОКР. СРЕДЫ: ОТ -10 ДО 305.85
6SL3211-0AB22-2AB1334SINAMICS G110 - CPM110 ПРИВОД ПЕРЕМ. ТОКА, ВСТРОЕННЫЙ ФИЛЬТР КЛАССА А 1-ФАЗН. 200-240В +10/-10% 47-63 ГЦ С ИНТЕРФЕЙСОМ RS485 (ПРОТОКОЛ USS) CT: 2,2 КВТ; VT: 2,2 КВТ CT: С ПЕРЕГРУЗКОЙ 150% В ТЕЧ. 60С 181 X 184 X 152 (ВXШXГ) КЛАСС ЗАЩИТЫ: IP20 ТЕМП. ОКР. СР 305.85
6SL3211-0AB22-2UA1334SINAMICS G110 - CPM110 ПРИВОД ПЕРЕМ. ТОКА, БЕЗ ФИЛЬТРА 1-ФАЗН. 200-240В +10/-10% 47-63 ГЦ С АНАЛОГОВЫМ ВХОДОМ CT: 2,2 КВТ; VT: 2,2 КВТ CT: С ПЕРЕГРУЗКОЙ 150% В ТЕЧ. 60С 181 X 184 X 152 (ВXШXГ) КЛАСС ЗАЩИТЫ: IP20 ТЕМП. ОКР. СРЕДЫ: ОТ -10 ДО +50 ГРАД. C БЕЗ 266.50
6SL3211-0AB22-2UB1334SINAMICS G110 - CPM110 ПРИВОД ПЕРЕМ. ТОКА, БЕЗ ФИЛЬТРА 1-ФАЗН. 200-240В +10/-10% 47-63 ГЦ С ИНТЕРФЕЙСОМ RS485 (ПРОТОКОЛ USS) CT: 2,2 КВТ; VT: 2,2 КВТ CT: С ПЕРЕГРУЗКОЙ 150% В ТЕЧ. 60С 181 X 184 X 152 (ВXШXГ) КЛАСС ЗАЩИТЫ: IP20 ТЕМП. ОКР. СРЕДЫ: ОТ -10 ДО 266.50
6SL3211-0AB23-0AA1334SINAMICS G110 - CPM110 ПРИВОД ПЕРЕМ. ТОКА, ВСТРОЕННЫЙ ФИЛЬТР КЛАССА А 1-ФАЗН. 200-240В +10/-10% 47-63 ГЦ С АНАЛОГОВЫМ ВХОДОМ CT: 3,0 КВТ; VT: 3,0 КВТ CT: С ПЕРЕГРУЗКОЙ 150% В ТЕЧ. 60С 181 X 184 X 152 (ВXШXГ) КЛАСС ЗАЩИТЫ: IP20 ТЕМП. ОКР. СРЕДЫ: ОТ -10 ДО 355.34
6SL3211-0AB23-0AB1334SINAMICS G110 - CPM110 ПРИВОД ПЕРЕМ. ТОКА, ВСТРОЕННЫЙ ФИЛЬТР КЛАССА А 1-ФАЗН. 200-240В +10/-10% 47-63 ГЦ С ИНТЕРФЕЙСОМ RS485 (ПРОТОКОЛ USS) CT: 3,0 КВТ; VT: 3,0 КВТ CT: С ПЕРЕГРУЗКОЙ 150% В ТЕЧ. 60С 181 X 184 X 152 (ВXШXГ) КЛАСС ЗАЩИТЫ: IP20 ТЕМП. ОКР. СР 355.34
6SL3211-0AB23-0UA1334SINAMICS G110 - CPM110 ПРИВОД ПЕРЕМ. ТОКА, БЕЗ ФИЛЬТРА 1-ФАЗН. 200-240В +10/-10% 47-63 ГЦ С АНАЛОГОВЫМ ВХОДОМ CT: 3,0 КВТ; VT: 3,0 КВТ CT: С ПЕРЕГРУЗКОЙ 150% В ТЕЧ. 60С 181 X 184 X 152 (ВXШXГ) КЛАСС ЗАЩИТЫ: IP20 ТЕМП. ОКР. СРЕДЫ: ОТ -10 ДО +40 ГРАД. C БЕЗ 309.23
6SL3211-0AB23-0UB1334SINAMICS G110 - CPM110 ПРИВОД ПЕРЕМ. ТОКА, БЕЗ ФИЛЬТРА 1-ФАЗН. 200-240В +10/-10% 47-63 ГЦ С ИНТЕРФЕЙСОМ RS485 (ПРОТОКОЛ USS) CT: 3,0 КВТ; VT: 3,0 КВТ CT: С ПЕРЕГРУЗКОЙ 150% В ТЕЧ. 60С 181 X 184 X 152 (ВXШXГ) КЛАСС ЗАЩИТЫ: IP20 ТЕМП. ОКР. СРЕДЫ: ОТ -10 ДО 309.23
6SL3211-0KB11-2BA1334SINAMICS G110 - CPM110 ПРИВОД ПЕРЕМ. ТОКА, ВСТРОЕННЫЙ ФИЛЬТР КЛАССА В, 1-ФАЗН. 200-240В +10/-10% 47-63 ГЦ С АНАЛОГОВЫМ ВХОДОМ CT: 0,12 КВТ; VT: 0,12 КВТ CT: С ПЕРЕГРУЗКОЙ 150% В ТЕЧ. 60С 150 X 90 X 101 (ВXШXГ) IP20; С ПЛОСКИМ РАДИАТОРОМ ОХЛАЖДЕНИЯ; ТОЛЬКО 139.43
6SL3211-0KB11-2BB1334SINAMICS G110 - CPM110 ПРИВОД ПЕРЕМ. ТОКА, ВСТРОЕННЫЙ ФИЛЬТР КЛАССА В, 1-ФАЗН. 200-240В +10/-10% 47-63 ГЦ С ИНТЕРФЕЙСОМ RS485 (ПРОТОКОЛ USS) CT: 0,12 КВТ; VT: 0,12 КВТ CT: С ПЕРЕГРУЗКОЙ 150% В ТЕЧ. 60С 150 X 90 X 101 (ВXШXГ) IP20; С ПЛОСКИМ РАДИАТОРОМ ОХЛ 139.43
6SL3211-0KB11-2UA1334SINAMICS G110 - CPM110 ПРИВОД ПЕРЕМ. ТОКА, БЕЗ ФИЛЬТРА 1-ФАЗН. 200-240В +10/-10% 47-63 ГЦ С АНАЛОГОВЫМ ВХОДОМ CT: 0,12 КВТ; VT: 0,12 КВТ CT: С ПЕРЕГРУЗКОЙ 150% В ТЕЧ. 60С 150 X 90 X 101 (ВXШXГ) IP20; С ПЛОСКИМ РАДИАТОРОМ ОХЛАЖДЕНИЯ; ТОЛЬКО ДЛЯ МОНТАЖА НА 124.80
6SL3211-0KB11-2UB1334SINAMICS G110 - CPM110 ПРИВОД ПЕРЕМ. ТОКА, БЕЗ ФИЛЬТРА 1-ФАЗН. 200-240В +10/-10% 47-63 ГЦ С ИНТЕРФЕЙСОМ RS485 (ПРОТОКОЛ USS) CT: 0,12 КВТ; VT: 0,12 КВТ CT: С ПЕРЕГРУЗКОЙ 150% В ТЕЧ. 60С 150 X 90 X 101 (ВXШXГ) IP20; С ПЛОСКИМ РАДИАТОРОМ ОХЛАЖДЕНИЯ; ТОЛЬКО 124.80
6SL3211-0KB12-5BA1334SINAMICS G110 - CPM110 ПРИВОД ПЕРЕМ. ТОКА, ВСТРОЕННЫЙ ФИЛЬТР КЛАССА В, 1-ФАЗН. 200-240В +10/-10% 47-63 ГЦ С АНАЛОГОВЫМ ВХОДОМ CT: 0.25 КВТ; VT: 0.25 КВТ CT: С ПЕРЕГРУЗКОЙ 150% В ТЕЧ. 60С 150 X 90 X 101 (ВXШXГ) IP20; С ПЛОСКИМ РАДИАТОРОМ ОХЛАЖДЕНИЯ; ТОЛЬКО 151.80
6SL3211-0KB12-5BB1334SINAMICS G110 - CPM110 ПРИВОД ПЕРЕМ. ТОКА, ВСТРОЕННЫЙ ФИЛЬТР КЛАССА В, 1-ФАЗН. 200-240В +10/-10% 47-63 ГЦ С ИНТЕРФЕЙСОМ RS485 (ПРОТОКОЛ USS) CT: 0.25 КВТ; VT: 0.25 КВТ CT: С ПЕРЕГРУЗКОЙ 150% В ТЕЧ. 60С 150 X 90 X 101 (ВXШXГ) IP20; С ПЛОСКИМ РАДИАТОРОМ ОХЛ 151.80
6SL3211-0KB12-5UA1334SINAMICS G110 - CPM110 ПРИВОД ПЕРЕМ. ТОКА, БЕЗ ФИЛЬТРА 1-ФАЗН. 200-240В +10/-10% 47-63 ГЦ С АНАЛОГОВЫМ ВХОДОМ CT: 0.25 КВТ; VT: 0.25 КВТ CT: С ПЕРЕГРУЗКОЙ 150% В ТЕЧ. 60С 150 X 90 X 101 (ВXШXГ) IP20; С ПЛОСКИМ РАДИАТОРОМ ОХЛАЖДЕНИЯ; ТОЛЬКО ДЛЯ МОНТАЖА НА 134.94
6SL3211-0KB12-5UB1334SINAMICS G110 - CPM110 ПРИВОД ПЕРЕМ. ТОКА, Без фильтра 1-ФАЗН. 200-240В +10/-10% 47-63 ГЦ С ИНТЕРФЕЙСОМ RS485 (ПРОТОКОЛ USS) CT: 0.25 КВТ; VT: 0.25 КВТ CT: С ПЕРЕГРУЗКОЙ 150% В ТЕЧ. 60С 150 X 90 X 101 (ВXШXГ) IP20; С ПЛОСКИМ РАДИАТОРОМ ОХЛАЖДЕНИЯ; ТОЛЬКО 134.94
6SL3211-0KB13-7BA1334SINAMICS G110 - CPM110 ПРИВОД ПЕРЕМ. ТОКА, ВСТРОЕННЫЙ ФИЛЬТР КЛАССА В, 1-ФАЗН. 200-240В +10/-10% 47-63 ГЦ С АНАЛОГОВЫМ ВХОДОМ CT: 0.37 КВТ; VT: 0.37 КВТ CT: С ПЕРЕГРУЗКОЙ 150% В ТЕЧ. 60С 150 X 90 X 101 (ВXШXГ) IP20; С ПЛОСКИМ РАДИАТОРОМ ОХЛАЖДЕНИЯ; ТОЛЬКО 164.17
6SL3211-0KB13-7BB1334SINAMICS G110 - CPM110 ПРИВОД ПЕРЕМ. ТОКА, ВСТРОЕННЫЙ ФИЛЬТР КЛАССА В, 1-ФАЗН. 200-240В +10/-10% 47-63 ГЦ С ИНТЕРФЕЙСОМ RS485 (ПРОТОКОЛ USS) CT: 0.37 КВТ; VT: 0.37 КВТ CT: С ПЕРЕГРУЗКОЙ 150% В ТЕЧ. 60С 150 X 90 X 101 (ВXШXГ) IP20; С ПЛОСКИМ РАДИАТОРОМ ОХЛ 164.17
6SL3211-0KB13-7UA1334SINAMICS G110 - CPM110 ПРИВОД ПЕРЕМ. ТОКА, БЕЗ ФИЛЬТРА 1-ФАЗН. 200-240В +10/-10% 47-63 ГЦ С АНАЛОГОВЫМ ВХОДОМ CT: 0.37 КВТ; VT: 0.37 КВТ CT: С ПЕРЕГРУЗКОЙ 150% В ТЕЧ. 60С 150 X 90 X 101 (ВXШXГ) IP20; С ПЛОСКИМ РАДИАТОРОМ ОХЛАЖДЕНИЯ; ТОЛЬКО ДЛЯ МОНТАЖА НА 142.81
6SL3211-0KB13-7UB1334SINAMICS G110 - CPM110 ПРИВОД ПЕРЕМ. ТОКА, БЕЗ ФИЛЬТРА 1-ФАЗН. 200-240В +10/-10% 47-63 ГЦ С ИНТЕРФЕЙСОМ RS485 (ПРОТОКОЛ USS) CT: 0.37 КВТ; VT: 0.37 КВТ CT: С ПЕРЕГРУЗКОЙ 150% В ТЕЧ. 60С 150 X 90 X 101 (ВXШXГ) IP20; С ПЛОСКИМ РАДИАТОРОМ ОХЛАЖДЕНИЯ; ТОЛЬКО 142.81
6SL3211-0KB15-5BA1334SINAMICS G110 - CPM110 ПРИВОД ПЕРЕМ. ТОКА, ВСТРОЕННЫЙ ФИЛЬТР КЛАССА В, 1-ФАЗН. 200-240В +10/-10% 47-63 ГЦ С АНАЛОГОВЫМ ВХОДОМ CT: 0,55 КВТ; VT: 0,55 КВТ CT: С ПЕРЕГРУЗКОЙ 150% В ТЕЧ. 60С 150 X 90 X 101 (ВXШXГ) IP20; С ПЛОСКИМ РАДИАТОРОМ ОХЛАЖДЕНИЯ; ТОЛЬКО 175.42
6SL3211-0KB15-5BB1334SINAMICS G110 - CPM110 ПРИВОД ПЕРЕМ. ТОКА, ВСТРОЕННЫЙ ФИЛЬТР КЛАССА В, 1-ФАЗН. 200-240В +10/-10% 47-63 ГЦ С ИНТЕРФЕЙСОМ RS485 (ПРОТОКОЛ USS) CT: 0,55 КВТ; VT: 0,55 КВТ CT: С ПЕРЕГРУЗКОЙ 150% В ТЕЧ. 60С 150 X 90 X 101 (ВXШXГ) IP20; С ПЛОСКИМ РАДИАТОРОМ ОХЛ 175.42
6SL3211-0KB15-5UA1334SINAMICS G110 - CPM110 ПРИВОД ПЕРЕМ. ТОКА, БЕЗ ФИЛЬТРА 1-ФАЗН. 200-240В +10/-10% 47-63 ГЦ С АНАЛОГОВЫМ ВХОДОМ CT: 0,55 КВТ; VT: 0,55 КВТ CT: С ПЕРЕГРУЗКОЙ 150% В ТЕЧ. 60С 150 X 90 X 101 (ВXШXГ) IP20; С ПЛОСКИМ РАДИАТОРОМ ОХЛАЖДЕНИЯ; ТОЛЬКО ДЛЯ МОНТАЖА НА 157.43
6SL3211-0KB15-5UB1334SINAMICS G110 - CPM110 ПРИВОД ПЕРЕМ. ТОКА, БЕЗ ФИЛЬТРА 1-ФАЗН. 200-240В +10/-10% 47-63 ГЦ С ИНТЕРФЕЙСОМ RS485 (ПРОТОКОЛ USS) CT: 0,55 КВТ; VT: 0,55 КВТ CT: С ПЕРЕГРУЗКОЙ 150% В ТЕЧ. 60С 150 X 90 X 101 (ВXШXГ) IP20; С ПЛОСКИМ РАДИАТОРОМ ОХЛАЖДЕНИЯ; ТОЛЬКО 157.43
6SL3211-0KB17-5BA1334SINAMICS G110 - CPM110 ПРИВОД ПЕРЕМ. ТОКА, ВСТРОЕННЫЙ ФИЛЬТР КЛАССА В, 1-ФАЗН. 200-240В +10/-10% 47-63 ГЦ С АНАЛОГОВЫМ ВХОДОМ CT: 0,75 КВТ; VT: 0,75 КВТ CT: С ПЕРЕГРУЗКОЙ 150% В ТЕЧ. 60С 150 X 90 X 101 (ВXШXГ) IP20; С ПЛОСКИМ РАДИАТОРОМ ОХЛАЖДЕНИЯ; ТОЛЬКО 193.40
6SL3211-0KB17-5BB1334SINAMICS G110 - CPM110 ПРИВОД ПЕРЕМ. ТОКА, ВСТРОЕННЫЙ ФИЛЬТР КЛАССА В, 1-ФАЗН. 200-240В +10/-10% 47-63 ГЦ С ИНТЕРФЕЙСОМ RS485 (ПРОТОКОЛ USS) CT: 0,75 КВТ; VT: 0,75 КВТ CT: С ПЕРЕГРУЗКОЙ 150% В ТЕЧ. 60С 150 X 90 X 101 (ВXШXГ) IP20; С ПЛОСКИМ РАДИАТОРОМ ОХЛ 193.40
6SL3211-0KB17-5UA1334SINAMICS G110 - CPM110 ПРИВОД ПЕРЕМ. ТОКА, БЕЗ ФИЛЬТРА 1-ФАЗН. 200-240В +10/-10% 47-63 ГЦ С АНАЛОГОВЫМ ВХОДОМ CT: 0,75 КВТ; VT: 0,75 КВТ CT: С ПЕРЕГРУЗКОЙ 150% В ТЕЧ. 60С 150 X 90 X 101 (ВXШXГ) IP20; С ПЛОСКИМ РАДИАТОРОМ ОХЛАЖДЕНИЯ; ТОЛЬКО ДЛЯ МОНТАЖА НА 172.05
6SL3211-0KB17-5UB1334SINAMICS G110 - CPM110 ПРИВОД ПОСТ. ТОКА, БЕЗ ФИЛЬТРА 1-ФАЗН. 200-240В +10/-10% 47-63 ГЦ С ИНТЕРФЕЙСОМ RS485 (ПРОТОКОЛ USS) CT: 0,75 КВТ; VT: 0,75 КВТ CT: С ПЕРЕГРУЗКОЙ 150% В ТЕЧ. 60С 150 X 90 X 101 (ВXШXГ) IP20; С ПЛОСКИМ РАДИАТОРОМ ОХЛАЖДЕНИЯ; ТОЛЬКО Д 172.05

 


Аксессуары

Цена на сайте указана розничная в ЕВРО без учета НДС.Для уточнения цены и размера предоставляемой скидки - звоните или присылайте заявки

Заказной номерPGОписание продуктаЦена
6SL3072-0AA00-0AG0753STARTER УТИЛИТА ДЛЯ ПУСКОНАЛАДКИ SINAMICS И MICROMASTER ВЕРСИЯ V4.1 SP2 DVD ДЛЯ WINDOWS 2000 SP3,SP4 И WINDOWS 2003 SERVER SP1 И WINDOWS XP PROF SP1, SP2, SP3 НЕМЕЦКИЙ/АНГЛИЙСКИЙ/ИСПАНСКИЙ/Ф РАНЦУЗСКИЙ И ИТАЛЬЯНСКИЙ 30.42
6SL3097-4CA00-0YG0343SINAMICS КОМПЛЕКТ РУКОВОДСТВ, ДОКУМЕНТАЦИЯ НА DVD, ВЫПУСК 04/11 НЕМЕЦКИЙ/АНГЛИЙСКИЙ/ИТАЛЬЯНСКИЙ / ФРАНЦУЗСКИЙ/ИСПАНСКИЙ 54.58
6SL3097-4CA00-0YG1343SINAMICS MANUAL COLLECTION DOCUMENTATION ON DVD EDITION 08/12 GERMAN/ENGLISH/ITALIAN/ FRENCH/SPANISH CONTAINS ALSO MICROMASTER DOCU 54.04
6SL3255-0AA00-2AA1335SINAMICS G110 / G120 КОМПЛЕКТ ДЛЯ СВЯЗИ ПК И ПРЕОБРАЗОВАТЕЛЯ, ВКЛ. ПО ПУСКОНАЛАДКИ STARTER НА CD-ROM 34.22
6SL3255-0AA00-4BA1335SINAMICS G110/G120 БАЗОВАЯ ПАНЕЛЬ ОПЕРАТОРА (BOP) 29.50
6SL3261-1BA00-0AA0335SINAMICS G110 DIN RAIL МОНТАЖНЫЙ АДАПТЕР ДЛЯ ШИНЫ ПО DIN ТИПОРАЗМЕР 1, ДЛЯ ТИПОРАЗМЕРА FSA 11.45
6SL3261-1BB00-0AA0335SINAMICS G110 МОНТАЖНЫЙ АДАПТЕР ДЛЯ ШИНЫ ПО DIN ТИПОРАЗМЕР 2, ТИПОРАЗМЕР FSB 21.62
6SL3298-0AA11-0BP0335SINAMICS G110 РУКОВОДСТВО ПО ЭКСПЛУАТАЦИИ CPM110 НА АНГЛИЙСКОМ ЯЗЫКЕ 22.12
6SL3298-0AA11-0BP0335SINAMICS G110 РУКОВОДСТВО ПО ЭКСПЛУАТАЦИИ CPM110 НА АНГЛИЙСКОМ ЯЗЫКЕ 18.71
6SL3298-0AA11-0BP0335SINAMICS G110 РУКОВОДСТВО ПО ЭКСПЛУАТАЦИИ CPM110 НА АНГЛИЙСКОМ ЯЗЫКЕ 26.65
6SL3298-0AA11-0BP0335SINAMICS G110 РУКОВОДСТВО ПО ЭКСПЛУАТАЦИИ CPM110 НА АНГЛИЙСКОМ ЯЗЫКЕ 33.46
6SL3298-0AA11-0BP0335SINAMICS G110 РУКОВОДСТВО ПО ЭКСПЛУАТАЦИИ CPM110 НА АНГЛИЙСКОМ ЯЗЫКЕ 56.71
6SL3298-0AA11-0CP0335SINAMICS G110 РУКОВОДСТВО ПО ЭКСПЛУАТАЦИИ CPM110 НА ИТАЛЬЯНСКОМ ЯЗЫКЕ 33.46
6SL3298-0AA11-0CP0335SINAMICS G110 РУКОВОДСТВО ПО ЭКСПЛУАТАЦИИ CPM110 НА ИТАЛЬЯНСКОМ ЯЗЫКЕ 26.65
6SL3298-0AA11-0CP0335SINAMICS G110 РУКОВОДСТВО ПО ЭКСПЛУАТАЦИИ CPM110 НА ИТАЛЬЯНСКОМ ЯЗЫКЕ 22.12
6SL3298-0AA11-0CP0335SINAMICS G110 РУКОВОДСТВО ПО ЭКСПЛУАТАЦИИ CPM110 НА ИТАЛЬЯНСКОМ ЯЗЫКЕ 18.71
6SL3298-0AA11-0CP0335SINAMICS G110 РУКОВОДСТВО ПО ЭКСПЛУАТАЦИИ CPM110 НА ИТАЛЬЯНСКОМ ЯЗЫКЕ 56.71
6SL3298-0AA11-0DP0335SINAMICS G110 РУКОВОДСТВО ПО ЭКСПЛУАТАЦИИ CPM110 НА ФРАНЦУЗСКОМ ЯЗЫКЕ 56.71
6SL3298-0AA11-0DP0335SINAMICS G110 РУКОВОДСТВО ПО ЭКСПЛУАТАЦИИ CPM110 НА ФРАНЦУЗСКОМ ЯЗЫКЕ 33.46
6SL3298-0AA11-0DP0335SINAMICS G110 РУКОВОДСТВО ПО ЭКСПЛУАТАЦИИ CPM110 НА ФРАНЦУЗСКОМ ЯЗЫКЕ 26.65
6SL3298-0AA11-0DP0335SINAMICS G110 РУКОВОДСТВО ПО ЭКСПЛУАТАЦИИ CPM110 НА ФРАНЦУЗСКОМ ЯЗЫКЕ 22.12
6SL3298-0AA11-0DP0335SINAMICS G110 РУКОВОДСТВО ПО ЭКСПЛУАТАЦИИ CPM110 НА ФРАНЦУЗСКОМ ЯЗЫКЕ 18.71
6SL3298-0AA11-0EP0335SINAMICS G110 РУКОВОДСТВО ПО ЭКСПЛУАТАЦИИ CPM110 НА ИСПАНСКОМ ЯЗЫКЕ 26.65
6SL3298-0AA11-0EP0335SINAMICS G110 РУКОВОДСТВО ПО ЭКСПЛУАТАЦИИ CPM110 НА ИСПАНСКОМ ЯЗЫКЕ 56.71
6SL3298-0AA11-0EP0335SINAMICS G110 РУКОВОДСТВО ПО ЭКСПЛУАТАЦИИ CPM110 НА ИСПАНСКОМ ЯЗЫКЕ 22.12
6SL3298-0AA11-0EP0335SINAMICS G110 РУКОВОДСТВО ПО ЭКСПЛУАТАЦИИ CPM110 НА ИСПАНСКОМ ЯЗЫКЕ 18.71
6SL3298-0AA11-0EP0335SINAMICS G110 РУКОВОДСТВО ПО ЭКСПЛУАТАЦИИ CPM110 НА ИСПАНСКОМ ЯЗЫКЕ 33.46
6SL3298-0BA11-0BP0335SINAMICS G110 ПЕРЕЧЕНЬ ПАРАМЕТРОВ CPM110 НА АНГЛИЙСКОМ ЯЗЫКЕ 56.71
6SL3298-0BA11-0BP0335SINAMICS G110 ПЕРЕЧЕНЬ ПАРАМЕТРОВ CPM110 НА АНГЛИЙСКОМ ЯЗЫКЕ 33.46
6SL3298-0BA11-0BP0335SINAMICS G110 ПЕРЕЧЕНЬ ПАРАМЕТРОВ CPM110 НА АНГЛИЙСКОМ ЯЗЫКЕ 26.65
6SL3298-0BA11-0BP0335SINAMICS G110 ПЕРЕЧЕНЬ ПАРАМЕТРОВ CPM110 НА АНГЛИЙСКОМ ЯЗЫКЕ 22.12
6SL3298-0BA11-0BP0335SINAMICS G110 ПЕРЕЧЕНЬ ПАРАМЕТРОВ CPM110 НА АНГЛИЙСКОМ ЯЗЫКЕ 18.71
6SL3298-0BA11-0CP0335SINAMICS G110 ПЕРЕЧЕНЬ ПАРАМЕТРОВ CPM110 НА ИТАЛЬЯНСКОМ ЯЗЫКЕ 26.65
6SL3298-0BA11-0CP0335SINAMICS G110 ПЕРЕЧЕНЬ ПАРАМЕТРОВ CPM110 НА ИТАЛЬЯНСКОМ ЯЗЫКЕ 22.12
6SL3298-0BA11-0CP0335SINAMICS G110 ПЕРЕЧЕНЬ ПАРАМЕТРОВ CPM110 НА ИТАЛЬЯНСКОМ ЯЗЫКЕ 33.46
6SL3298-0BA11-0CP0335SINAMICS G110 ПЕРЕЧЕНЬ ПАРАМЕТРОВ CPM110 НА ИТАЛЬЯНСКОМ ЯЗЫКЕ 56.71
6SL3298-0BA11-0CP0335SINAMICS G110 ПЕРЕЧЕНЬ ПАРАМЕТРОВ CPM110 НА ИТАЛЬЯНСКОМ ЯЗЫКЕ 18.71
6SL3298-0BA11-0DP0335SINAMICS G110 ПЕРЕЧЕНЬ ПАРАМЕТРОВ CPM110 НА ФРАНЦУЗСКОМ ЯЗЫКЕ 56.71
6SL3298-0BA11-0DP0335SINAMICS G110 ПЕРЕЧЕНЬ ПАРАМЕТРОВ CPM110 НА ФРАНЦУЗСКОМ ЯЗЫКЕ 33.46
6SL3298-0BA11-0DP0335SINAMICS G110 ПЕРЕЧЕНЬ ПАРАМЕТРОВ CPM110 НА ФРАНЦУЗСКОМ ЯЗЫКЕ 26.65
6SL3298-0BA11-0DP0335SINAMICS G110 ПЕРЕЧЕНЬ ПАРАМЕТРОВ CPM110 НА ФРАНЦУЗСКОМ ЯЗЫКЕ 22.12
6SL3298-0BA11-0DP0335SINAMICS G110 ПЕРЕЧЕНЬ ПАРАМЕТРОВ CPM110 НА ФРАНЦУЗСКОМ ЯЗЫКЕ 18.71
6SL3298-0BA11-0EP0335SINAMICS G110 ПЕРЕЧЕНЬ ПАРАМЕТРОВ CPM110 НА ИСПАНСКОМ ЯЗЫКЕ 18.71
6SL3298-0BA11-0EP0335SINAMICS G110 ПЕРЕЧЕНЬ ПАРАМЕТРОВ CPM110 НА ИСПАНСКОМ ЯЗЫКЕ 56.71
6SL3298-0BA11-0EP0335SINAMICS G110 ПЕРЕЧЕНЬ ПАРАМЕТРОВ CPM110 НА ИСПАНСКОМ ЯЗЫКЕ 33.46
6SL3298-0BA11-0EP0335SINAMICS G110 ПЕРЕЧЕНЬ ПАРАМЕТРОВ CPM110 НА ИСПАНСКОМ ЯЗЫКЕ 26.65
6SL3298-0BA11-0EP0335SINAMICS G110 ПЕРЕЧЕНЬ ПАРАМЕТРОВ CPM110 НА ИСПАНСКОМ ЯЗЫКЕ 22.12