0

Разделы

Скачать Интеграция 
SIMATIC MV440

Компактные системы считывания кода Simatic MV440 с высокой степенью защиты (IP67), предназначены, прежде всего, для считывания матричных кодов, таких как прямая маркировка изделий (DPM), в тяжёлых промышленных условиях на объекте. Благодаря регулируемым настройкам подсветки систему можно адаптировать к конкретным условиям эксплуатации. Существуют несколько версий новой системы считывания линейных и двухмерных кодов Simatic MV440: со встроенной подсветкой для работы на расстоянии до 80 см, с внешней подсветкой для работы на расстоянии до трех метров, с системой проверки кодов и без нее, с разрешением 640х480 или 1024х768 пикселей. Устройство Simatic MV440 способно считывать до 80 кодов в секунду и надежно распознавать до пятнадцати видов кодов, предварительно сохраненных в памяти устройства. Функция считывания нескольких кодов одновременно позволяет распознавать до 50 кодов на одном записанном изображении. Это – существенное преимущество, если, к примеру, необходимо просканировать несколько объектов с кодами, сложенных в стопку.

Устройство распознаёт следующие варианты кодов(различного качества):

 

  • 1D коды (штрих-коды):
    • Int. 2/5 (без контрольной суммы)
    • Int. 2/5+CS (с контрольной суммой)
    • Код 128
    • Код 39 (без контрольной суммы)
    • Код 39+CS (с контрольной суммой)
    • EAN 13
    • EAN 8
    • UPC-A
    • UPC-E
    • UPC Suppl.
    • GS1 Databar 14
    • GS1 Databar Мульти
    • GS1 Databar Ограниченный
    • GS1 Databar Расширенный
  • 2D коды:
    • DMC
    • PDF417
    • QR
    • Vericode

 

Сенсоры SIMATIC MV440 считывают коды с различных поверхностей таких как:

  • Бумажные или пластиковые бирки
  • Пластиковые детали
  • Микросхемы
  • Металлические объекты

 

 Сенсоры SIMATIC MV440 считываю коды нанесённые разными способами:

  • Напечатанные 
  • Нанесённые ударно-механическим способом
  • нанесённые лазером 
  • просверленные 

Важными техническими характеристиками системы являются:

  • Не обязателен экспертный уровень знаний для параметризации параметров считывания. "Setup" представляет автоматически образцы кодов пригодные для считывания. Программирование и параметризация не требуется.
  • Принципиально может использоваться в таких применениях как:
    • Считывание закодированной информации
    • Сравнение закодированной информации с заданным параметром
    • Контроль качества нанесённых кодов
  • Web-интерфейс позволяет оператору управлять с платформ с мин. Треб. (IE6.0 или выше), JAVA-VM (MS, SUN).
  • Пользовательский интерфейс защищён паролем с интегрированным разделением прав доступа.
  • Веб-интерфейс пользователя позволяет оператору осуществлять комплексный контроль над процессом и использовать функции визуализации даже в режиме оценки. Более того, ЧМИ  позволяют отображать информацию в графическом виде
  • Возможно удалённое управление
  • Устройство Simatic MV440 подключается через интерфейсы Profinet IO, Industrial Ethernet.

 


Особенности

Скачать Интеграция 

 


Область применения

Скачать Интеграция 
SIMATIC MV440

Основные функции SIMATIC MV440 

• Считывание кода • Контроль качества кода  • Сравнение считанных результатов с эталонным значением • Форматирование считанных результатов для отправки

 

      Список возможных применений продуктовой линейки SIMATIC MV440 содержит практически все сектора промышленного производства, начиная с идентификации неподвижных активов до активов быстро движущихся по конвейеру. Очень компактная установка благодаря мощнейшему  встроенному источнику света. Все компоненты, включая сменные C-mount линзы, защищены от внешнего воздействия в производственных условиях (степень защиты IP67). Поэтому системы для считывания кодов MV440s подходят для применений в промышленности, где используется непосредственное нанесение маркировки, сопровождение активов, что позволяет контролировать выпуск запасных частей.Система считывания кодов MV440 поддерживает все стандартные интерфейсы, такие как Ethernet или PROFINET  и др. Все коммуникационные модули RFID напр. Для подключения к PROFIBUS, могут быть интегрированные по средствам интерфейса RS422.

      Система считывания кодов и устройство чтения/записи RFID могут так же быть объединены через коммуникационные модули. Несмотря на широкий спектр возможных применений, этой системой очень просто управлять. Параметры автоматически для большинства применений. Если же всё-таки необходимы дополнительные изменения в настройках, то параметризация может быть выполнена через интегрированный web интерфейс через Internet браузер. Для этого не требуется специального ПО.

Ниже приведён список характеристик хорошо нанесённого кода:

Штрих-Код

SIMATIC MV440 считывает штрих-коды различных размеров (смотри "Обзор").

Коды могут находиться в любом месте изображения.

 

• Коды могут быть нанесены тёмным цветом на светлом фоне или светлым на тёмном фоне. • Могут быть считаны коды высотой 25 пикселей и соотношением длинны/ширины ≥ 0.15. • Угол под которым система может считывать коды должен быть в диапазоне от 80° до 90°. • Коды не должны быть нанесены на выпуклую поверхность. • Недолжно быть помех в области кода. • Код и его фон должны быть унифицированной яркости и цвета. • Ширина штриха не должна превышать 2 пикселя. • Для максимальной ширины штриха, следующие значения не должны превышаться :      • Код 39: 8 пикселей      • Код 128: 12 пикселей      • Int. 2/5: 5 пикселей      • EAN 13/UPC-A/UPC-E/EAN 8: 12 pixels      • Код 93: 14 пикселей     • Штрих-код: 9 пикселей

 

Матричный код

SIMATIC MV440 может считать 2-х мерные матричные коды со следующими характеристиками:

• Любое расположение кода на картинке. • Коды могут быть нанесены тёмным цветом на светлом фоне или светлым на тёмном фоне. • Считывание в перевёрнутого кода. • Нижний предел угла расположения объектива приблизительно 40 градусов. • Размер точки от 5 до 35 пикселей.

Система считывания кодов гибкая и может использоваться для разного типа маркировки продукции в зависимости от поставленной задачи. 

PDF417

SIMATIC MV440 может раскодировать PDF417 со следующими характеристиками:• Следующие типы кодов не поддерживаются: усечённый PDF417, Micro PDF417, Macro PDF417. • Коды могут располагаться в любом месте изображения. • Коды могут быть нанесены тёмным цветом на светлом фоне или светлым на тёмном фоне. • Могут быть считаны коды с шириной штриха ≥ 3 пикселя или индивидуальным набором символов                                                          с шириной ≥ 9пикселей. • Угол, под которым система может считывать коды должен быть в диапазоне от 70° до 90°. • Фон кода должен быть светлее  (напр. Нет текстуры в желобке). • Не должна быть скрыта коррекция ошибок  (iнапр. нижняя часть штрих-кода). • Приведено максимальное число кодов, которые могут быть считаны следующим разрешением:      • MV440 SR устройство считывания: до 40 кодовых линий и до 6 колонок кода.       • MV440 HR устройство считывания: до 60 кодовых линий и до12колонок кода.

 

QR

SIMATIC MV440 может распознавать QR со следующими характеристиками:

• Размер точки от 5 до 35 . • Максимальное разрешение считываемого кода  89x89 . • Следующие типы кодов не поддерживаются : Micro QR code, Macro QR code. • Коды могут располагаться в любом месте изображения. • Коды могут быть нанесены тёмным цветом на светлом фоне или светлым на тёмном фоне. • Угол, под которым система может считывать коды должен быть в диапазоне от 70° до 90°. • Изображение должно унифицировано быть светлее фона.

Список характеристик позволяющих определять сферу применения каждого типа кодов может использоваться для предварительной оценки. Более полная информация содержится в поставляемой инструкции.

 

 

 

 

 

 

 

 

 

 

 

 

 

 

 

 


Дизайн

Скачать Интеграция 
SIMATIC MV440

SIMATIC MV440 это компактная система, но не смотря на это, устройство может быть сформировано под специальные условия применения путём подбора конфигурации. Следующие комплекты доступны для конфигурации:

  • Основное устройство (камера)
    •  Стандартное разрешение
    •  Высокое разрешение
  •  Объектив
    •  Pentax мини объектив (6 фокусных расстояний от 12 мм до 75 мм, без ”колпака” )
  •  Освещение
    •  Встроенное светодиодное кольцо
    •  Внешняя лампа (5 типов)
  •  Защитный корпус для объектива
    •  IP67 защитный корпус для объектива D = 65 мм
    •  IP65 защитный корпус для объектива  D = 50 мм
  • • Соединительные кабели
    •  DIO-RS232
    •  ASM кабель (разной длины)
    •  Ethernet кабель (разной длины)
  •  CD / инструкции

2 основных типа конфигурации доступно:

  • Near field
  • Distant field

Конфигурация near field, защищает объектив с диаметром 65 мм. На защитном колпаке есть место для установки освещения и объективов. Эта конфигурация предназначена для крупного плана на расстоянии до 80 cм. Встраиваемое светодиодное кольцо освещения может быть заменено на внешнее освещение предназначенное для работы на большом расстоянии.

Конфигурация distant field  защитный корпус для объектива диаметром 50мм имеет степень защиты IP65 с максимальным фокусным расстоянием f = 75мм , а с использованием различных аксессуаров дистанция съёмки может быть увеличена до 300 см. Версия со светодиодным кольцом с высокотехнологичным объективом позволяет считывать код на таком расстоянии. Отклонение так же может быть сконфигурировано. Встроенное осветительное кольцо не может быть использовано в сочетании с защитным колпаком объектива

.

 

Следующие средства могут быть использованы для коммуникации:

PROFINET IO (FB79)

Встроенный интерфейс MV440-PROFINET

PROFINET IO (FB45, PIB)

Через MV440 ASM  интерфейс используя F180C ASM модуль

PROFIBUS DP V0/1 (FB45, PIB)

Через MV440 ASM интерфейс используя ASM456 модуль

TCP/IP native

Встроеный PROFINET интерфейс

Для более полной информации пользуйтесь инструкцией.

 


Функции

Скачать Интеграция 
SIMATIC MV440

Основные функции SIMATIC MV440

Считываемые коды (смотри "Общее" и "Применения")

Оценка качества кода  - поддерживаются следующие стандарты качества:

  • SIMATIC MV440-SR и SIMATIC MV440-HR поддерживает:
    • Верификация в соответствии ISO/IEC 16022 (согласно AIM спецификации)
  • SIMATIC MV440-SR V и MV440-HR V поддерживает:
    • Верификация матричных кодов в соответствии с ISO/IEC 15415
    • Верификация матричных кодов в соответствии с  AS9132 Rev. A (согласно IAQG)
    • Siemens DPM
    • Верификация матричных кодов в соответствии с AIM DPM-1-2006
    • Верификация Штрих-кода в соответствии с ISO/IEC 15416 (согласно ANSI X3.182-1990)

Форматирование результатов чтения для отправки и/или сравнения

Сравнение считанных результатов с заданным значением

  • Задание значения для сравнения задаётся через один из серийных интерфейсов (PROFINET (ASM и встроенный), PROFIBUS (ASM), RS232).
  • Сравнение отформатированных результатов считывания с заданным значением.

Функции могут использоваться индивидуально или комбинировано.

Режим работы

Следующие шаги требуются для использования SIMATIC MV440:

  • Монтаж SIMATIC MV440 и подключение кабелей типа plug-in (дополнительное освещение, если требуется).
  • Регулировка камеры, проверка света:

Настройка параметров и ввод в эксплуатацию системы считывания кодов Simatic MV440 осуществляется через встроенный веб-сервер. Для этого можно использовать ПК или любое другое программирующее устройство с установленным на нем приложением Internet Explorer и JVM.

  • Устройство считывания «ищет» коды в последовательности изображений любой длины, даже не получая внешних сигналов запуска:
    • Оптимизация и настройка освещения.
    • Адаптация и обработка изображения путём представления отдельных кодов.
  • Запуск автоматизированного оценочного режима (RUN режим) активирует устройство.

 


Интеграция

Скачать Интеграция 
SIMATIC MV440

 


Технические данные

Скачать Интеграция 
SIMATIC MV440

Тип

SIMATIC MV440

Основное устройство

 

Изображение

  • CCD  1/3", 640 x 480 пикселей
  • CCD  1/3", 1024 x 768 пикселей
  • Полноразмерная съёмка с автоматической выдержкой

Передача данных

(по) кадровым переносом

Доступная версия

 

  • Варианты объективов

Легко заменяющиеся объективы позволяют изменять дистанцию, разрешение, область съёмки :

  • Выбранный объектив
  • Выбранное разрешение : 640 x 480 пикселей или 1024 x 768 пикселей

Смотри "Применение"

Напряжение питания

24 V DC, + 20% … - 15%

Max. входящий ток(at 24 V DC)

250 mA (без сигналов I/O )

Max. начальный ток

Max. 4 A; < 1 ms

Время демпфирования (at 24 V DC)

10 ms

Температура коружающей среды

0 ... 50 °C

Механические требования 

 

Вибрация в соответствии сIEC 60068-2-6

 

  • 10 Hz <= f < 58 Hz

Постоянная амплитуда 0.0075 мм

  • 58 Hz <= f < 500Hz

Постоянное ускорение. 1 g

  • 10 Hz <= f < 58 Hz

Постоянная амплитуда . 1 мм

Ударная нагрузка в соответствии с IEC 60068-2-29

Тип удара: полусинусойдный

Жёсткий удар ридера(reader):

  • пиковое значение10 g
  • длительность 16 мс 

Направление удара: 100 ударов под каждым из 3-х углов  

Цифровые выходные сигналы

(все значения выходного сигнала отправляют OUTPUT_COMMON сигнал)

 

  • OUTPUT1 … OUTPUT5

 

  • изоляция и защита от коротких замыканий

да

  • Max. ток нагрузки

50 мA

  • Max. ток короткого замыкания

240 мA

  • Время отклика на включение/выключение 

0 … 2 мс

Входной сигнал 

(все значения выходного сигнала отправляют OUTPUT_COMMON сигнал)

 

  • Вход 1

 

  • Входное сопротивление при 24 V DC

16 kΩ

  • Входное напряжение для "1" сигнала

15 ... 30 V

  • Входной ток для "1" сигнала

2 ... 5 мA

  • Входное напряжение для "0" сигнала

0 ... 5 V

  • Входной ток для "0" сигнала

0 … 1.4 мA

  • INPUT2 ... INPUT5

 

  • Входное сопротивление при 24 V DC

16 kΩ

  • Входное напряжение для "1" сигнала

15 ... 30 V

  • Входной ток для "1" сигнала 

0.6 ... 2 мA

  • Входное напряжение для "0" сигнала

0 ... 5 V

  • Входной ток для "0" сигнала

0 … 0.3 мA

Селекторный [стробирующий] сигнал

 

 

Быстрый селекторный выход (мах. ток нагрузки при 24 V DC)

25 мA

Интерфейсы

 

  • Цифровой, изолированные входы/выходы
  • 6 параметризируемых входов/выходом; один быстрый вход для запуска изображения,
  • 1выход синхронизации изображения для управления внешним освещением
  • ASM интерфейс

M12 (8-pin)  для подключения к ASM модулю (PROFIBUS/PROFINET)

  • Ethernet/PROFINET I/O интерфейс

M12 (4-pin) для операторского софта, передача в режиме реального времени результатов тестирования и отслеживание процесса

  • Сигнальный контроль

10-pin мультиточечный коннектор (штекер) для подключения источника питания и встроенного  кольца освещения

Напряжение питания

 

  • Номинальное значение

24 V DC

  • Пропуское значение

20.4 ... 28.8 V DC (безопасное екстра-низкое напряжение, SELV)

Плавка

Max. 10 A

Защитный корпус

 

Материал/цвет

Аллюминий

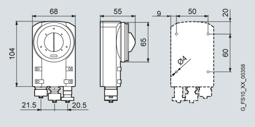
Размеры (Ш x В x Д) в мм

65 x 122 x 55

Степень защиты

IP67 в сооветствии с DIN EN 60529

Приблизительный вес.

  • 0.45 kg (без защитного корпуса для объектива )
  • 0.55 kg (с защитным корпусом для объектива)

 

 


Технические данные

Скачать Интеграция 

 


Чертеж

Скачать Интеграция 
SIMATIC MV440

Стационарная система считывания кодов SIMATIC MV440

Защитный корпус для объектива SIMATIC MV440

 


Заказные данные

Скачать Интеграция 

Цена на сайте указана розничная в ЕВРО без учета НДС.Для уточнения цены и размера предоставляемой скидки - звоните или присылайте заявки

Заказной номерPGОписание продуктаЦена
6GF3400-0SL01573TEXT-GENIUS; OCR LICENSE FOR MV440 CODE READER SYSTEMS; SINGLE LICENSE, SINGLE LICENSE ON USB STICK; CAN BE LOADED ON DEVICE VIA ALM; 669.92
6GF3400-0SL02573VERI-GENIUS VERIFIER SET FOR MV440 READER; SUPPLY CONTAINS: SINGLE LICENESE (ON USB-STICK) AND CALIBRATION CARD; CAN BE LOADED VIA ALM ON MV440 DEVICE 669.92
6GF3440-1CD10573SIMATIC MV440 SR CODE READER RESOLUTION: 640 X 480 PIXEL; FOR 1D/2D CODES AND OCR; FIELD OF VIEW AND DISTANCE: VARIABLE; POE; IP67 (MIT 6GF3440-8AC1X); DELIVERY: READER, CDROM AND PLASTIC-PROTECTION TUBE; (WITHOUT: CABLE, LIGHTS, LENS, LICENSES) 2650.00
6GF3440-1GE10573SIMATIC MV440 HR CODE READER RESOLUTION: 1024 X 768 PIXEL; FOR 1D/2D CODES AND OCR; FIELD OF VIEW AND DISTANCE: VARIABLE; POE; IP67 (MIT 6GF3440-8AC1X); DELIVERY: READER, CDROM AND PLASTIC-PROTECTION TUBE; (WITHOUT: CABLE, LIGHTS, LENS, LICENSES) 3349.60
6GF3440-1LE10573SIMATIC MV440 UR CODE READER RESOLUTION: 1600 X 1200 PIXEL; FOR 1D/2D CODES AND OCR; FIELD OF VIEW AND DISTANCE: VARIABLE; POE; IP67 (MIT 6GF3440-8AC1X); DELIVERY: READER, CDROM AND PLASTIC-PROTECTION TUBE; (WITHOUT: CABLE, LIGHTS, LENS, LICENSES) 5734.60

 


Аксессуары

Скачать Интеграция 

Цена на сайте указана розничная в ЕВРО без учета НДС.Для уточнения цены и размера предоставляемой скидки - звоните или присылайте заявки

Заказной номерPGОписание продуктаЦена
6GF3400-0BH15573SIMATIC MV400 POWER CABLE FOR MV420/440, M16 - PUSH-PULL, PUR, 1QMM, LENGTH 1.5 M PREASSEMBLED PIN ASS. H+G (24V PS ONLY) 162.18
6GF3400-1BH20573SIMATIC MV400 POWER CABLE FOR MV420/440, M16 - PUSH-PULL, PUR, 1QMM, LENGTH 2 M M16 CONF., PUSH-PULL OPEN PIN ASS. H+G (24V PS ONLY) 159.00
6GF3440-8AC11573D65 LENS PROTECTION HOUSING METAL-GLASS, PROT. MODE IP67 FOR MV440 UNITS FACE-PLATE: GLASS HOUSING: METAL CONTAINS: TUBE, O-RING AND PROTECTION CAPS (M12,M12,M16), DIAMETER INSIDE: 57MM MAX LENGTH OF LENS: 57MM APPLICABLE LENS (MLFB): E.G. 6GF9001-1BL01, ..-1BF01, ...-1BG01, ...-1BH01, ...-1BJ01 SUITABLE LAMPS (MLFB): 6GF3440-8DA1, ...8DA2,...8DA11 W X H X D (MM): 65 X 65 X 60 265.00
6GF3440-8AC12573D65 LENS PROTECTION HOUSING PC-PC, PROTECTION MODE IP67 FOR MV440 UNITS, FACE PLATE: PC, HOUSING: PC, PC:= POLYCARBONAT CRYSTAL CLEAR, INCLUDED IN SCOPE OF SUPPLY: PROTECTION TUBE, O-RING AND 3 PROTECTION CAPS (M12,M12,M16), MAX. DIAMETER INSIDE: 57 MM, MAX. LENGTH OF LENS: 57MM; SUITABLE LENS (MLFB): E. G. 6GF9001-1BL01, ..-1BF01, ..-1BG01, ..-1BH01, ..-1BJ01; SUITABLE LAMPS (MLFB): 6GF3440-8DA1, ...-8DA2,...8DA11 W X H X D (MM): 65 X 65 X 60 65.72
6GF3440-8AC21573D65-LENS-PROTECTION METAL-PMMA PROTECTION MODE IP67 FOR MV440 DEVICES FRONT PANE: PLASTIC HOUSING: METAL CONTAINS: TUBE, O-RING AND PROTECTION CAPS (M12,M12,M16), INNER-DIAMETER: 57MM MAX LENGTH OF LENS: 57MM SUITABLE LENSES (MLFB): E. G.. 6GF9001-1BL01, ..-1BF01, ...-1BG01, ...-1BH01, ...-1BJ01 SUITABLE LIGHTS (MLFB): 6GF3440-8DA1,...8DA2,...8DA11 W X H X D (MM): 65 X 65 X 60 265.00
6GF3440-8BA2573POWER-IO-RS232 CABLE 10M FOR MV 400 UNITS (MLFB: 6GF3440-0CD10, ...-0GE10, ...-0CD11,...-0GE11,...-0CD21; 6GF3420-0AA20, ...0AA40) M16 PREASSEMBLED ONE-SIDE, OPEN END, LENGTH: 10M 89.78
6GF3440-8BA4573POWER-IO-RS232-CABLE 30M FOR MV 440 UNITS (MLFB:6GF3440-0CD10, ...-0GE10, ...-0CD11,...-0GE11,...-0CD21; 6GF3420-0AA20, ...0AA40) M16 PREASSEMBLED ONE-SIDE, OPEN END, LENGTH: 30M 156.88
6GF3440-8BC4573CABLE F. SIMATIC VS100 LIGHTS 4 POLE, 10M PUR-CABLE, LAMP SIDE WITH M12 ANGULAR CABLE PLUG; ONE END FREE; 10M PUR-CABLE; 4 POLE; 4 X 0.34SQMM, SUITABLE LIGHTS: 6GF9004-7AA01; ...-7BA01; -8BA0; ...-8CA01;...-8DA01 45.37
6GF3440-8CA573MV440 MOUNTING PLATE READER VERY SOLID (4MM MATERIAL), APPLICABLE MANIFOLD METRIC AND INCH THREAD W X H X D (MM): 80 X 80 X 60 97.31
6GF3440-8DA11573BUILTIN RINGLIGHT RED FOR ALL MV440 DEVICES (MLFB: 6GF3440-1CD10, -1GE10, -1LE10); FLUORESCENT MATERIAL: LED RED 630 NM; RANGE UP TO 0.8 M; MOUNTING MATERIAL INSIDE; USE WITH PROTECTION TUBE (MLFB: 6GF3440-8AC11, -8AC12); 339.20
6GF3440-8DA21573BUILTIN RINGLIGHT WHITE FOR ALL MV440 DEVICES (MLFB: 6GF3440-1CD10, -1GE10, -1LE10); FLUORESCENT MATERIAL: LED WHITE 440-650NM; RANGE UP TO 0.8 M; MOUNTING MATERIAL INSIDE; USE WITH PROTECTION TUBE (MLFB: 6GF3440-8AC11, -8AC12); 434.60
6GF3440-8DA31573BUILT-IN RINGLIGHT GREEN FOR ALL MV440 DEVICES (MLFB: 6GF3440-1CD10, -1GE10, -1LE10); FLUORESCENT MAT.: LED GREEN 500-570NM; RANGE UP TO 0.8 M; MOUNTING MATERIAL INCLUDED; USE WITH PROTECTION TUBE (MLFB: 6GF3440-8AC11, -8AC12); 432.48
6GF9001-1BB01573MINI-LENS 6MM, 1:1,4 PENTAX C60636KP WITH FIXED FOCAL DISTANCE, APERTURE AND FOCUS ADJUSTABLE D=32 MM, L=37.5 MM 254.40
6GF9001-1BE01573МИНИ ЛИНЗЫ 8.5ММ, 1:1.5 PENTAX C815B(TH) С ФИКСИРОВАННЫМ ФОКАЛЬНЫМ РАССТОЯНИЕМ, APERTURE AND FOCUS ADJUSTABLE D=42 MM, L=47 MM 212.00
6GF9001-1BF01573МИНИ ЛИНЗЫ 16ММ, 1:1.4 PENTAX C1614-M(KP С ФИКСИРОВАННЫМ ФОКАЛЬНЫМ РАССТОЯНИЕМ, APERTURE AND FOCUS ADJUSTABLE D=29.5 MM, L=37.2 MM 249.10
6GF9001-1BG01573МИНИ ЛИНЗЫ 25ММ, 1:1.4 PENTAX C2514-M(KP С ФИКСИРОВАННЫМ ФОКАЛЬНЫМ РАССТОЯНИЕМ, APERTURE AND FOCUS ADJUSTABLE D=29.5 MM, L=38.9 MM 259.70
6GF9001-1BH01573МИНИ ЛИНЗЫ 25ММ, 1:1.6 PENTAX C3516-M(KP) С ФИКСИРОВАННЫМ ФОКАЛЬНЫМ РАССТОЯНИЕМ, APERTURE AND FOCUS ADJUSTABLE D=29.5 MM, L=41.4 MM 265.00
6GF9001-1BJ01573MINI LENS 50 MM, 1:2.8 PENTAX C5028-M(KP) С ФИКСИРОВАННЫМ ФОКУСОМ, ДИАФРАГМА И НАСТРАИВАЕМЫЙ ФОКУС D=29.5 MM, L=38 MM 259.70
6GF9001-1BK01573ТЕЛЕ ЛИНЗЫ, 1:2.8 PENTAX C7528-M(KP), С ФИКСИРОВАННЫМ ФОКУСОМ, ДИАФРАГМА И НАСТРАИВАЕМЫЙ ФОКУС D=34 MM, L=63.6 MM 561.80
6GF9001-1BL01573МИНИ ЛИНЗЫ 12ММ, 1:1.4 PENTAX H1214-M(KP) С ФИКСИРОВАННЫМ ФОКУСОМ, ДИАФРАГМА И НАСТРАИВАЕМЫЙ ФОКУС D=29.5 MM, L=35.7 MM 238.50
6GF9001-1BU573НАБОР ПРОКЛАДОК, ДЛИНА: 0.5, 1, 5, 10, 20, 40 MM, ДИАМЕТР: 31ММ С С-РЕЗЬБОЙ ДЛЯ ВКРУЧИВАНИЯ МЕЖДУ ЛИНЗАМИ ИКАМЕРОЙ, ИСПОЛЬЗУЕТСЯ ДЛЯ ИЗОБРАЖЕНИЙ В МАКРО РЕЖИМЕ 58.30
6GF9001-1BU01573INTERMEDIATE RING SET 0.5/1/1MM LENGTHS: 1X0.5MM, 2X1MM 31 MM DIAMETER WITH C-THREAD TO BE SCREWED IN BETWEEN LENS AND CAMERA, USED FOR PICTURES IN CLOSE-UP RANGE 19.08
6GF9002-7AD573СИСТЕМА ФИКСАЦИИ ТРЕХСЛОЙНАЯ, ДЛЯ ГОЛОВКИ СЕНСОРА, НЕВЫСОКАЯ, МАССИВНАЯ, РАЗМЕРЫ 165 X 175 X 65 MM 151.58
6GF9002-8PS573POWER SUPPLY DIN RAIL 16.5 V FOR SIMATIC VS100 RING LIGHTS MLFB: 6GF9004-7AA01, ...-7BA01, ...-8BA01, ...-8C01, ...-8DA1 INPUT-VOLTAGE: 110-230 VOLT OUTPUT-VOLTAGE: 16.5 =VOLT 167.48
6GF9004-7BA01573КОЛЬЦЕВОЙ СВЕТОДИОДНЫЙ СВЕТИЛЬНИК SIMATIC VS100 ИНФРАКРАСНОГО ДИАПАЗОНА (850NM) , ФЛЮАРИСЦЕНТНЫЙ МАТЕРИАЛ, РАССТОЯНИЕ 500ММ…3000ММ, ДЛЯ ЗАЩИТЫ ЛИНЗ, IP65, РАЗМЕРЫ ДЛЯ КОРПУСА 116 X 116 X 42 MM, КОРОТКИЕ СКОБЫ ДЛЯ ФИКСАЦИИ 890.40
6GF9004-8DA01573LED RING LIGHT METAL RED CLEAR RANGE: 500MM...3000MM, FOR SIMATIC VS100, PREP. FOR LENS PROT. HOUSING DIM. 116 X 116 X 42 MM (W X H X D), DEGREE OF PROTECTION IP65; SHORT FIXING BRACKETS INCLUDED 723.98
6GK1901-1BB10-2AA05K1SIMATIC NET IE FC RJ45 ШТЕКЕР, 180 RJ45, ШТЕКЕРНЫЙ СОЕДИНИТЕЛЬ С МЕТАЛ. КОРПУСОМ ДЛЯ ПРОМ. УСЛОВИЙ, ПРЕДНАЗНАЧЕН ДЛЯ БЫСТРОГО МОНТАЖА, 180 ГРАД. УГОЛ ВЫВОДА КАБЕЛЯ, 1 УПАКОВКА = 1 ШТ. 16.85
6GK5108-0PA00-2AA35N1SCALANCE XB108POE НЕУПРАВЛЯЕМЫЙ КОММУТАТОР INDUSTRIAL ETHERNET ДЛЯ 10/100МБИТ/С; 2 X 10/100МБИТ/С RJ45 ПОРТАМИ С ПИТАНИЕМ Ч/З ETHERNET ПОРТЫ И 6 X 10/100 МБИТ/С RJ45-ПОРТАМИ, КОНТАКТ СИГНАЛИЗАЦИИ ОШИБКИ С КНОПКОЙ НАСТРОЙКИ, СВЕТОДИОДНАЯ ДИАГНОСТИКА, РЕЗЕРВИРОВАННОЕ ПИТАНИЕ, ВКЛЮЧАЯ РУКОВОДСТВА 556.50
6GT2891-4FH20572SIMATIC RF, MV CONNECT. CABLE, PREASSEMBLED, BETWEEN ASM 456, RF160C, RF170C, RF18XC AND READER OR EXTENSION CABLE FOR ASM 456, RF160C, RF170C, RF18XC WITH RF, MV, MOBY PUR, CMG, TRAILING, LENGTH 2 M 39.96
6GT2891-4FH50572SIMATIC RF, MV CONNECT. CABLE, PREASSEMBLED, BETWEEN ASM 456, RF160C, RF170C, RF18XC AND READER, OR EXTENSION CABLE FOR ASM 456, RF160C, RF170C, RF18XC WITH RF, MV, MOBY PUR, CMG, TRAILING, LENGTH 5 M 45.37
6GT2891-4FN10572SIMATIC RF, MV CONNECT. CABLE, PREASSEMBLED, BETWEEN ASM 456, RF160C, RF170C, RF18XC AND READER, OR EXTENSION CABLE FOR ASM 456, RF160C, RF170C, RF18XC WITH RF, MV, MOBY PUR, CMG, LENGTH 10 M 55.12
6GT2891-4FN20572SIMATIC RF, MV CONNECT. CABLE, PREASSEMBLED, BETWEEN ASM 456, RF160C, RF170C, RF18XC AND READER, OR EXTENSION CABLE FOR ASM 456, RF160C, RF170C, RF18XC MIT RF, MV, MOBY PUR, CMG, TRAILING, LENGTH 20 M 75.68
6GT2891-4FN50572SIMATIC RF, MV CONNECT. CABLE, PREASSEMBLED, ZWISCHEN ASM 456, RF160C, RF170C, RF18XC AND READER, OR EXTENSION CABLE FOR ASM 456, RF160C, RF170C, RF18XC MIT RF, MV, MOBY PUR, CMG, TRAILING, LENGTH 50 M 135.68
6XV1870-8AE305K1SIMATIC NET, IE СОЕДИНИТЕЛЬНЫЙ КАБЕЛЬ M12-180/M12-180, ПРЕДСОБРАННЫЙ IE FC ШЛЕЙФОВЫЙ КАБЕЛЬ GP, С 2 M12 РАЗЪЕМАМИ (D-CODED), ДЛИНА 0.3 M 20.99
6XV1870-8AE505K1SIMATIC NET, IE СОЕДИНИТЕЛЬНЫЙ КАБЕЛЬ M12-180/M12-180, ПРЕДСОБРАННЫЙ IE FC ШЛЕЙФОВЫЙ КАБЕЛЬ GP, С 2 M12 РАЗЪЕМАМИ (D-CODED), ДЛИНА 0.5 M 22.05
6XV1870-8AH105K1SIMATIC NET, IE СОЕДИНИТЕЛЬНЫЙ КАБЕЛЬ M12-180/M12-180, ПРЕДСОБРАННЫЙ IE FC ШЛЕЙФОВЫЙ КАБЕЛЬ GP, С 2 M12 РАЗЪЕМАМИ (D-CODED), ДЛИНА 1.0 M 24.17
6XV1870-8AH155K1SIMATIC NET, IE СОЕДИНИТЕЛЬНЫЙ КАБЕЛЬ M12-180/M12-180, ПРЕДСОБРАННЫЙ IE FC ШЛЕЙФОВЫЙ КАБЕЛЬ GP, С 2 M12 РАЗЪЕМАМИ (D-CODED), ДЛИНА 1.5 M 26.50
6XV1870-8AH205K1SIMATIC NET, IE СОЕДИНИТЕЛЬНЫЙ КАБЕЛЬ M12-180/M12-180, ПРЕДСОБРАННЫЙ IE FC ШЛЕЙФОВЫЙ КАБЕЛЬ GP, С 2 M12 РАЗЪЕМАМИ (D-CODED), ДЛИНА 2.0 M 28.62
6XV1870-8AH305K1SIMATIC NET, IE СОЕДИНИТЕЛЬНЫЙ КАБЕЛЬ M12-180/M12-180, ПРЕДСОБРАННЫЙ IE FC ШЛЕЙФОВЫЙ КАБЕЛЬ GP, С 2 M12 РАЗЪЕМАМИ (D-CODED), ДЛИНА 3.0 M 33.07
6XV1870-8AH505K1SIMATIC NET, IE СОЕДИНИТЕЛЬНЫЙ КАБЕЛЬ M12-180/M12-180, ПРЕДСОБРАННЫЙ IE FC ШЛЕЙФОВЫЙ КАБЕЛЬ GP, С 2 M12 РАЗЪЕМАМИ (D-CODED), ДЛИНА 5.0 M 41.98
6XV1870-8AN105K1SIMATIC NET, IE СОЕДИНИТЕЛЬНЫЙ КАБЕЛЬ M12-180/M12-180, ПРЕДСОБРАННЫЙ IE FC ШЛЕЙФОВЫЙ КАБЕЛЬ GP, С 2 M12 РАЗЪЕМАМИ (D-CODED), ДЛИНА 10.0 M 56.18
6XV1870-8AN155K1SIMATIC NET, IE СОЕДИНИТЕЛЬНЫЙ КАБЕЛЬ M12-180/M12-180, ПРЕДСОБРАННЫЙ IE FC ШЛЕЙФОВЫЙ КАБЕЛЬ GP, С 2 M12 РАЗЪЕМАМИ (D-CODED), ДЛИНА 15.0 M 73.88
6XV1871-5TH205K1IE CONNECTING CABLE M12-180/IE FC RJ45 PLUG-145; IE FC TRAILING CABLE GP PREASSEMBLED WITH M12 CONNECTOR (D-CODED) A. IE FC RJ45 PLUG; LENGTH 2.0 M 44.10