0

Разделы

SIMATIC RF360T

Универсальная память данных в формате кредитной карточки (ферроэлектрическое ОЗУ 8 Кбайт + 4 байта ЭСППЗУ).

 


Дизайн

 


Технические данные

SIMATIC RF360T

SIMATIC RF360T

Емкость памяти

Ферроэлектрическое ОЗУ 8 Кбайт (чтение/запись), ЭСППЗУ - 20 байтов (чтение/запись), универсальный идентификатор -  4 байта (только чтение)

Среднее время безотказной работы

1 500 000 час

Число циклов чтения

не ограничено

Число циклов записи

> 1010

Время хранения данных

> 10 лет (при < +40°C)

Расстояние чтения/записи

(см. эксплуатационные данные)

Организация памяти

Байтовый доступ, возможна защита от записи блоками по 4 байта для 20-байтовой области ЭСППЗУ

Источник энергии

Индуктивная электропередача

Удары/вибрации в соответствии с EN 60721-3-7

50 g/20 g

Нагрузка на кручение и изгиб

Недопустима

Крепление

2 винта M3 или с фиксатором 6GT2190-0AB00

Рекомендуемое расстояние от металла

> 20 мм; напр., с помощью прокладки 6GT2190-0AA00 в соединении с фиксатором 6GT2190-0AB00

Степень защиты в соответствии с EN 60529

IP68

Корпус

Формат кредитной карточки

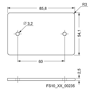
Д x Ш x В, в мм

85.8 x 54.8 x 2.5

Цвет/материал

Антрацит / эпоксидная смола

Температура окружающей среды

  • Во время работы
  • При транспортировке и хранении

 

от -25 до +75 °C

от -40 до +85 °C

Вес, ок.

25 г

Эксплуатационные данные в мм

SIMATIC RF360T to:

SIMATIC RF310R

Рабочее расстояние (Sa)

от 2 до 26

Предельное расстояние (Sg)

35

Окно передачи (L)

45

 

 


Технические данные

 


Чертеж

SIMATIC RF360T

 


Заказные данные

Цена на сайте указана розничная в ЕВРО без учета НДС.Для уточнения цены и размера предоставляемой скидки - звоните или присылайте заявки

Заказной номерPGОписание продуктаЦена
6GT2800-4AC00572SIMATIC RF300 ТРАНСПОРДЕР RF360T EPOXY-КАРТА, 8 КБАЙТ FRAM, СТЕПЕНЬ ЗАЩИТЫ IP 67, РАБОЧАЯ ТЕМПЕРАТУРА ОТ -25 ДО +70 ГРАД. ЦЕЛЬСИЯ, 85 X 54 X 2.5 MM 48.65

 


Аксессуары

Цена на сайте указана розничная в ЕВРО без учета НДС.Для уточнения цены и размера предоставляемой скидки - звоните или присылайте заявки

Заказной номерPGОписание продуктаЦена
6GT2190-0AA00572MOBY E/F/L; РАССТОЯНИЕ 20 MM, ДЕРЖАТЕЛЬ ДЛЯ MDS E600/611 F100/400 L201/701 С ФИКСАТОРОМ 6GT2190-0AB00 (ДЛЯ ОБЛАСТИ, СВОБОДНОЙ ОТ МЕТАЛЛА) 1.65
6GT2190-0AA00572MOBY E/F/L; РАССТОЯНИЕ 20 MM, ДЕРЖАТЕЛЬ ДЛЯ MDS E600/611 F100/400 L201/701 С ФИКСАТОРОМ 6GT2190-0AB00 (ДЛЯ ОБЛАСТИ, СВОБОДНОЙ ОТ МЕТАЛЛА) 1.74
6GT2190-0AA00572MOBY E/F/L; РАССТОЯНИЕ 20 MM, ДЕРЖАТЕЛЬ ДЛЯ MDS E600/611 F100/400 L201/701 С ФИКСАТОРОМ 6GT2190-0AB00 (ДЛЯ ОБЛАСТИ, СВОБОДНОЙ ОТ МЕТАЛЛА) 1.93
6GT2190-0AA00572MOBY E/F/L; РАССТОЯНИЕ 20 MM, ДЕРЖАТЕЛЬ ДЛЯ MDS E600/611 F100/400 L201/701 С ФИКСАТОРОМ 6GT2190-0AB00 (ДЛЯ ОБЛАСТИ, СВОБОДНОЙ ОТ МЕТАЛЛА) 2.37
6GT2190-0AB00572MOBY E/L; ФИКСАТОР ДЛЯ MDS E600/611 L201/701 1.65
6GT2190-0AB00572MOBY E/L; ФИКСАТОР ДЛЯ MDS E600/611 L201/701 1.74
6GT2190-0AB00572MOBY E/L; ФИКСАТОР ДЛЯ MDS E600/611 L201/701 1.93
6GT2190-0AB00572MOBY E/L; ФИКСАТОР ДЛЯ MDS E600/611 L201/701 2.37