0

Разделы

SIMATIC RF630T

Интеллектуальный ярлык  спроектирован для пассивного и не требующего обслуживания использования на основе технологии УВЧ Class 1 Gen2  для сохранения электронного кода продукта "Electronic Product Code" (EPC) 96 бит /240 бит. Этот носитель информации доступен в двух частотных версиях: 868 MГц (для Европы) и 915 МГц (для США).

 


Технические данные

SIMATIC RF630T

Тип

SIMATIC RF630T

IC тип

EPC Class 1 Gen2

Частота

868 МГц (Европа)

915 МГц (США)

Листинг

В соответствии с ISO 18000-6C

Память

EPC 96/240 bit

Add-on memory

64 байта

Циклов чтения

не ограниченно

Циклов записи

мин. 10,000

Сохранение данных

10 лет

Расстояние чтения

0.15 м ... 1.5 м (см. поле данных)

Расстояние записи

0.15 м ... 1.2 м (см. поле данных)

Сконструировано для прикрепления к

металлу

Одновременное считывание нескольких ярлыков (возможность группового считывания)

Да

Механическое воздействие (по EN 60721-3-7, класс 7 M3)

 

  • Удар

100 г

  • Вибрация

20 г

Скручивание и изгибное напряжение

Не допускается

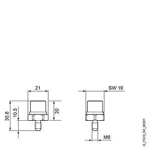
Крепление

Свинчивание

Размеры (Д x В)

21 x 31 мм

Материал

Пластик/коррозионно-стойкая сталь

Цвет

Черный/коричневый

Степень зищиты в соответствии с  EN 60529

IP68/IPx9K

Стойкость к химическим реактивам

см. инструкцию по использованию

Температурный диапазон

 

  • Работа

-25 °C ... +85 °C

  • Перевозка и хранение

-40 °C ... +125 °C

Вес

около 22 г

Соответствие

CE/FCC/UL, CSA

 

 


Технические данные

 


Чертеж

SIMATIC RF630T

 


Заказные данные

Цена на сайте указана розничная в ЕВРО без учета НДС.Для уточнения цены и размера предоставляемой скидки - звоните или присылайте заявки

Заказной номерPGОписание продуктаЦена
6GT2810-2EC00572SIMATIC RF630T SCREW-TAG; ACCORDING ISO 18000 6C; FREQUENCY 865-868 MHZ (EUROPE); 96 / 240 BIT EPC, ADDITIONAL 512 BIT USER MEMORY; -25 UP TO +85 DGR/C;IP 68/X9K; 21 X 21 MM (DXH) W/O THREAD; 19.08
6GT2810-2EC10572SIMATIC RF630T SCREW-TAG; ACCORDING ISO 18000 6C; FREQUENCY 902-928 MHZ (USA); 96 / 240 BIT EPC, ADDITIONAL 512 BIT USER MEMORY; -25 UP TO +85 DGR/C;IP 68/X9K; 21 X 21 MM (DXH) W/O THREAD; 19.08