0

Разделы

SIMOREG CCP

SIMOREG CCP

Устройство защиты коммутации SIMOREG CCP служит для защиты управляемого сетью  SINAMICS DC MASTER от срыва коммутации.

В управляемых сетью преобразователях для коммутации отдельных силовых полупроводниковых элементов требуется соответствующее обратное напряжение. Совершение коммутации может быть сорвано  (срыв коммутации инвертора) в результате неуправляемых переключений, вызванных падением напряжения в питающей сети (например, слабые сети, грозы и т.д.). Образуется большой ток в обратном направлении ( в сеть питания), или внутри преобразователя. Это может в свою очередь привести к перегоранию предохранителей или, при определенных условиях,  к разрушению силовых полупроводниковых элементов.

Программное обеспечение  SINAMICS DC MASTER обнаруживает срыв коммутации и в модуль SIMOREG CCP посылается сигнал на отключение силовых полупроводниковых ключей базового модуля. SIMOREG CCP отключает силовые полупроводниковые ключи, удостоверяется о соблюдении условий для снижения тока двигателя  и поглощает запасенную в двигателе магнитную энергию, переводя ее в электрическую.

 


Особенности

SIMOREG CCP

SIMOREG CCP ограничивает ток при срыве коммутации до безопасного значения так, что тиристоры и  плавкие предохранители были защищены. Это позволяет избежать  сложной и трудоёмкой замены плавких предохранителей после срыва коммутации инвертора.

Хотя недостатки инвертора коммутации не могут быть предотвращены, их последствия могут быть.

  • Редукторы и приводная машина  защищены при  отключении тока прежде чем он достигнет своего возможного максимального значения в случае неисправности, тем самым защищая их от недопустимо высокого крутящего момента скачков напряжения.
  • Для высоких номинальных токов до сих пор использовались высокоскоростные выключатели DC, чтобы защитить плавкие предохранители от разрыва. При использовании CCP защита теперь  возможна даже для более низких токов, в результате чего у SIMOREG CCP есть следующие преимущества по сравнению с высокоскоростными выключателями DC даже на уровне тока высокого напряжения:
    • Защита также для циркулирующих токов
    • Более низкие системные затраты  
    • Более низкие требования к пространству 
    • Никаких дополнительных воздушных реакторов для сокращения нынешних темпов нарастания при возникновении ошибки 
    • Более низкие эксплуатационные расходы, т.к. не требует обслуживания 
    • Высокая степень доступности 

 


Дизайн

SIMOREG CCP

SIMOREG CCP заметно отличается компактным и эргономичным дизайном.

 


Функции

SIMOREG CCP

Напряжение сети, ток сети, также как и напряжение якоря постоянно контролируются в SINAMICS DC MASTER.

Возможное опрокидывание инвертора (ской коммутации - прямой пробой) определяется из этих величин, что приводит к запуску следующего процесса:

1. Мгновенный запрет импульсов поджига в SINAMICS DC MASTER

2. Преобразователь посылает "команду выключения" на SIMOREG CCP (по последовательному интерфейсу).

3. SIMOREG CCP закрывает тиристоры, подключая предварительно заряженные конденсаторы антипараллельно тиристорам. В результате ток преключается с преобразователя в SIMOREG CCP. Конденсаторы разряжаются током, который они принимают и заряжаются до обратной полярности. Ток якоря начитает снижаться, как только напряжение на конденсаторах достигает значение ЭДС мотора.  Однако, напряжение якоря продолжает повышаться. Как только оно достигнет предела, резисторы включаются и поглощают энергию с мотора во время оставшейся фазы снижения тока.

4. SINAMICS DC MASTER выдает cообщение об отказе.

5. SIMOREG CCP перезаряжает конденсаторы с обратной полярностью, делая возможным новый цикл.

Каждый раз, когда подано напряжение сети (напр. контактором), SIMOREG CCP требует примерно 3 с до готовности, конденсаторы должны быть заряжены.

После срабатывания, SIMOREG CCP требует некоторого времени до повторного цикла. Пауза зависит от режима непосредсвенно перед срабатыванием и сразу после. С одной стороны, конденсаторы должны быть заряжены до требуемой величины с обратной полярностью (прим. 10 с). С другой стороны, резисторы, рассеивающие энергию в тепло при снижении тока якоря, требуеют времени вычисляемого программной в ССР. В зависимости от выделенной энергии, это может потребовать до прим. 20 мин.

SINAMICS DC MASTER снабжет параметрами для настройки и контроля, для работы, пусконаладки и диагностирования SIMOREG CCP. Состояние SIMOREG CCP сообщается посредством соединений и срабатывание SIMOREG CCP и его отказ выдаются соответсвующими сообщениями.

Обмен данным между SINAMICS DC MASTER и SIMOREG CCP происходит по последовательному каналу.

 


Интеграция

SIMOREG CCP
SINAMICS DC MASTER – SIMOREG CCP

В следующей таблице перечислены преобразователи SIMOREG CCP, которые подходят для конкретного SINAMICS DC MASTER.

Эта информация основана на номинальных данных (с учетом конкретных предельных значений) компонентов, а с другой стороны, типичных номинальных данных двигателей постоянного тока  Siemens  из каталога DA 12 • 2008 год.

Примечание: Для конфигурации систем и устройств с пониженным номинальным значением (например, ном. значение DC, ном. значение US,  снижение напряжения ), при определенных обстоятельствах, могут быть найдены подходящие комбинации, которые не перечислены в таблице.

Для детального инжиниринга и при выборе соответствующего CCP, наш технический персонал поддержки может предоставить вам помощь в местном офисе компании Siemens. Пожалуйста, сформулируйте следующие данные установки или системы:

  • Питание от сети напряжения и силового блока
  • Обязательный диапазон пониженного напряжения силовой части
  • Номинальное напряжение якоря
  • Номинальный ток двигателя
  • Необходимость перегрузки по току (величина, продолжительность цикла)
  • Индуктивность нагрузки (двигатель, кабель плюс при необходимости сглаживания дросселя)

SINAMICS DC MASTER

SIMOREG CCP

Тип

Номинальное напряжение DC

Номинальный ток DC

Тип

Номинальное напряжение

Номинальный ток

 

V

A

 

V

A

6RA8078-6DV62-0AA0

420

280

6RA7085-6FC00-0

460 V 3 AC

DC 600

6RA8081-6DV62-0AA0

400

6RA8085-6DV62-0AA0

600

6RA8078-6FV62-0AA0

480

280

6RA8082-6FV62-0AA0

450

6RA8085-6FV62-0AA0

600

6RA8085-6DV62-0AA0

420

600

6RA7091-6FC00-0

DC 1 200

6RA8087-6DV62-0AA0

850

6RA8091-6DV62-0AA0

1 200

6RA8085-6FV62-0AA0

480

600

6RA8087-6FV62-0AA0

850

6RA8091-6FV62-0AA0

1 200

6RA8091-6DV62-0AA0

420

1 200

6RA7095-6FC00-0

DC 2 000

6RA8093-4DV62-0AA0

1 600

6RA8095-4DV62-0AA0

2 000

6RA8081-6GV62-0AA0

600

400

6RA7090-6KC00-0

690 V 3 AC

DC 1 000

6RA8085-6GV62-0AA0

600

6RA8087-6GV62-0AA0

850

6RA8086-6KV62-0AA0

725

760

6RA8090-6KV62-0AA0

1 000

6RA8090-6GV62-0AA0

600

1 100

6RA7095-6KC00-0

DC 2 000

6RA8093-4GV62-0AA0

1 600

6RA8095-4GV62-0AA0

2 000

6RA8090-6KV62-0AA0

725

1 000

6RA8093-4KV62-0AA0

1 500

6RA8095-4KV62-0AA0

2 000

 

 


Технические данные

SIMOREG CCP
   

6RA7085-6FC00-0

6RA7091-6FC00-0

6RA7095-6FC00-0

6RA7090-6KC00-0

6RA7095-6KC00-0

Номинальное напряжение

V

460 (+15 %/-20 %)

690 (+10 %/-20 %)

Номинальный ток

A

600

1 200

2 000

1 000

2 000

Диапазон тока, который может быть покрыт 1)

A

до 600

до 1 200

до 2 000

до 1 000

до  2 000

Номинальное напряжение питания, питание электроники

В

380 (-20 %) … 60 V (+15 %) 2 AC; In = 1 A или190 (-20 %) … 230 V (+15 %) 1 AC; In = 2 A

Номинальная частота

Гц

45 ... 65

Потери мощности

Вт

100

Окружающая температура

 

 

  • Работа 

°C

0 ... 55

  • Хранение и транспортировка

°C

-25 ... +70

Уровень установки выше уровня моря

м

≤ 1 000 м

Климат.класс

 

3K3 согласно EN 60721-3-3

Степеь загрязнения

 

2 согласно EN 50178 2)

Степень защиты

 

IP00 согласно  EN 60529

Размеры

 

 

  • Ширина 

мм

406

  • Высота

мм

780

  • Глубина

мм

500

Приблиз.вес

кг

35

35

55

45

75

Предохранитель для соединений 1U1, 1V1, 1W1 и 1D1

 

3NA3365-61каждый

3NA3365-61 каждый

3NA3365-62 каждый в параллель

3NA3365-61 каждый

3NA3365-62 каждый в параллель

Предохранитель для соединений 2U1, 2V1, 2W1(защита кабеля 10 A)

 

DIAZED 5SD604

 

1) Диапазон тока, который может быть покрыт соответствует фактическому номинальному току SINAMICS DC MASTER. Если номинальный ток снижается (через параметр), то применяется нижнее полученное значение. Это означает, что для SINAMICS DC-MASTER с (в зависимости от типа платы) номинальным током выше чем 2 000 (необходимо, например, для поддержания большего времени перегрузки), можно использовать CCP, если фактический номинальный ток не превышает 2 000 А.  Возможность перегрузки 1.8 от фактического номинального тока может быть дополнительно использована

2) Определение степени загрязнения 2:Как правило, происходит только нетокопроводящее загрязнение. Однако,проводящее загрязнение может иногда  происходить в течение короткого периода времени, если электронное оборудование не будет эксплуатироваться.

 

Основыне технические данные

Соответствующие стандарты

EN 50178

Оснащение силовых электроустановок электронным оборудованием

EN 50274

Низковольтные комплектные устройства распределения и управления. Защита от поражения электрическим током. Защита от непреднамеренного прямого контакта с опасными токоведущими частями

EN 60146-1-1

Преобразователи полупроводниковые. Основные требования и преобразователи, переключаемые от сети. Технические условия на основные требования

EN 61800-1

Системы силовых электроприводов с регулируемой скоростью. Часть 1. Общие требования. Номинальные технические характеристики низковольтных систем силовых электроприводов постоянного тока с регулируемой скоростью

EN 61800-3

Системы электродвигательных приводов с регулируемой скоростью. Часть 3. Стандартные требования к электромагнитной совместимости продукции и специальные методы испытаний

EN 61800-5-1

Системы силовых электрических приводов с регулируемой скоростью. Часть 5-1. Требования безопасности, электрические, термические и энергетические

IEC 62103 (identical to EN 50178)

Оснащение силовых электроустановок электронным оборудованием

UBC 97

Единые строительные нормы

Механическая прочность

Хранение

Транспортировка

Эксплуатация

Вибрационная нагрузка

1M2 согласно EN 60721-3-1(не бросать)

2M2 согласно  EN 60721-3-2(не бросать)

Постоянное отклонение:0.075 мм от 10 до 58 ГцПостоянное ускорение:10 м/с2 от > 58 до 200 Гц (тестирование и измерение техники согласно EN 60068-2-6, Fc)

Ударная нагрузка

1M2 согласно EN 60721-3-1(не бросать)

2M2 согласно EN 60721-3-2(не бросать)

100 м/с2 at 11 ms (тестирование и измерение техники согласно EN 60068-2-27, Ea)

Группа по согласованиям

UL/cUL

UL файл № E145153

UL 508 C (UL стандарт для преобразования питания оборудования), сертификация преобразователей включаяя 575 В

ГОСТ

 

 

 


Дополнительно

SIMOREG CCP

Описание

Номер заказа

Инструкция по эксплуатации для SIMOREG CCP

в печатном виде

 

  • английский, немецкий

6RX1700‑0DD74

(издание 04)

  • французский, итальянский, испанский

6RX1700‑0DD83

(издание04)

Инструкция по эксплуатации

 для SINAMICS DC MASTER и SIMOREG CCP на DVD

английский, французский, немецкий, итальянский, испанский, русский 1)

6RX1800‑0AD64

Patch кабель UTP CAT5 согласно ANSI/EIA/TIA 568

Кабель для параллельного соединения SINAMICS DC MASTER и SIMOREG CCP, приблиз. 5 м, исоединительный кабель, для цепи блокировки импульсов управления при подключении  SIMOREG CCP в параллель

6RY1707‑0AA08

FiringUnitTrigger плата Печатная плата для блокировки импульсов управления для параллельного соединения

6RY1803‑0CP00

1) Русского для  SIMOREG CCP нет.

 


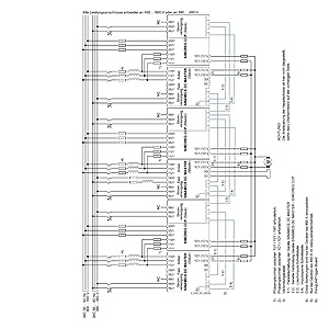
Схема подключения

SIMOREG CCP

Блок-схема

Работа без главного контактора не допускается. Управляющее напряжение для главного контактора (или выключателя) всегда должно быть направлено через клеммы XR (подключение 109 и 110) от преобразователя SINAMICS DC MASTER, а также через клеммы X_Contactor (соединения 4 и 5) SIMOREG CCP.

Для приложений с SIMOREG CM, в случае неисправности, конвертер или SIMOREG CCP должны иметь возможность безопасно отключить устройство от сети питания. Кроме того, необходимо обеспечить, чтобы в общей сложности задержка времени всех коммутационные элементов в цепи управления не должны превышать время, установленное с помощью соответствующих параметров. Когда SINAMICS DC MASTER преобразователи подключаются параллельно, каждый непосредственно параллельно связан с SIMOREG CCP (см. блок-схему для параллельного подключения).

 

Блок-схема для параллельного подключения

 


Заказные данные

Цена на сайте указана розничная в ЕВРО без учета НДС.Для уточнения цены и размера предоставляемой скидки - звоните или присылайте заявки

Заказной номерPGОписание продуктаЦена
6RA7085-6FC00-0691БЛОК ЗАЩИТЫ ПРЕОБРАЗОВАТЕЛЯ CCP-6RA70 600A/460V C98130-A7046-A5 9504.10
6RA7090-6KC00-0691БЛОК ЗАЩИТЫ ПРЕОБРАЗОВАТЕЛЯ CCP-6RA70 1000A/690V C98130-A7046-A2 15150.00
6RA7091-6FC00-0691БЛОК ЗАЩИТЫ ПРЕОБРАЗОВАТЕЛЯ CCP-6RA70 1200A/460V C98130-A7046-A4 11514.00
6RA7095-6FC00-0691БЛОК ЗАЩИТЫ ПРЕОБРАЗОВАТЕЛЯ CCP-6RA70 2000A/460V C98130-A7046-A3 18584.00
6RA7095-6KC00-0691БЛОК ЗАЩИТЫ ПРЕОБРАЗОВАТЕЛЯ CCP-6RA70 2000A/690V C98130-A7046-A1 24341.00

 


Аксессуары

Цена на сайте указана розничная в ЕВРО без учета НДС.Для уточнения цены и размера предоставляемой скидки - звоните или присылайте заявки

Заказной номерPGОписание продуктаЦена
6RX1700-0DD74691ИНСТРУКЦИЯ ПО ЭКСПЛ. GERMAN, ENGLISH 218.16
6RX1700-0DD83691ИНСТРУКЦИЯ ПО ЭКСПЛ. FRENCH ITALIAN, SPANISH 205.03
6RX1800-0AD64691OPERAT.INSTR. GERMAN, ENGLISH, FRENCH, SPANISH, ITALIAN, RUSSIAN ON DVD INCL. STARTER 194.93
6RY1707-0AA086S1КАБЕЛЬ ПАРАЛЛЕЛЬНОГО СОЕДИНЕНИЯ ДЛЯ 6RA7 189.20
6RY1803-0CP006S1FIRINGUNITTRIGGER-BOARD C98043-A7103-L1 418.00