0

Разделы

SITRANS LR 200

SITRANS LR 200 - 2-х проводный импульсный радар для измерения уровня жидкостей в отстойниках и простых рабочих резервуарах.

 


Особенности

SITRANS LR 200
  • Цельная стержневая полипропиленовая антенна как стандарт
  • Простой монтаж и ввод в эксплуатацию
  • Программирование с помощью искробезопасного инфракрасного ручного программатора или SIMATIC PDM
  • Коммуникация через HART® или PROFIBUS PA
  • Запатентованная Sonic Intelligence® для обработки сигнала
  • Очень высокая помехоустойчивость
  • Автоматическая фильтрация мешающего отражения от жестких встроенных деталей
  • Имеются различные фланцы, рупорные и волноводные опции антенн

 


Область применения

SITRANS LR 200

Оригинальный дизайн SITRANS LR 200 позволяет осуществлять простое программирование с помощью искробезопасного инфракрасного ручного программатора. Даже в Ex-зоне не требуется открывать крышку корпуса. Кроме этого прибор имеет встроенную алфавитно-цифровую индикацию на четырех языках. Стандартная антенна SITRANS LR 200 это цельная полипропиленовая стержневая антенна. Она предлагает высокую химическую стойкость и является герметичной. У других приборов для проверки химической совместимости необходимо учитывать несколько материалов, а также уплотнения между материалами. Цельная антенна имеет встроенный внутренний экран, который предотвращает помехи от монтажных штуцеров.

Простая настройка и программирование: для основных функций достаточно двух параметров. Электроника размещена в поворотном корпусе. Он может быть повернут для облегчения подключения и оптимальной обзорности индикации измеренного значения после монтажа.

SITRANS LR 200 имеет запатентованную технологию Sonic Intelligence® для обработки сигнала, обеспечивающую высочайшую надежность.

  • Основные применения: хранение жидкостей в танках, технических емкостях с мешалками, жидкостей с парообразованием, при высоких температурах.

 

 


Конфигурация

SITRANS LR 200

Установка SITRANS LR 200

 


Технические данные

SITRANS LR 200

Принцип работы

 

Принцип измерения

Радарное измерение уровня

Частота измерения

5.8 ГГц (Северная Америка 6.3 ГГц)

Диапазон измерения

0.3 до 20 м (1.0 до 65 ft)

Выход

 

  • Аналоговый выход 

4 до 20 мА

  • Точность

± 0.02 мА

  • Полная компенсация

Пропорциональная или обратнопропорциональная

  • Коммуникация

HART®

опция: PROFIBUS PA (Profile 3.0, Класс B)

  • Failsafe (безопасный режим)

мА-сигнал, программируется на макс., мин., или удержание (при потере отражения)

Точность

 

  • Интервал фильтрации

0.3 м

  • Точность 

± большее значение в 0,1 % от диапазона измерения или 10 мм

  • Влияние внешней температуры

0.006% / K

  • Воспроизводимость

± 5 мм

Рабочие условия 

 

Условия монтажа

 

  • Место монтажа

Внутри/снаружи

Внешние условия (корпус)

 

  • Внешняя температура

-40 до +80 °C (-40 до +176 °F)

  • Категория монтажа

I

  • Степень загрязнения

4

Свойства материала

 

  • Диэлектрическая постоянная εr

εr > 1.6  (если εr < 3, использовать трубную антенну или успокоительную трубу))

  • Температура и давление резервуара

В зависимости от подключения к процессу

Конструктивные особенности

 

  • Корпус 

 

  • Материал 

Алюминий, порошковое полиэстровое покрытие

  • Ввод кабеля 

2 M20x1.5 или 2 x ½" NPT с адаптером

  • Класс защиты 

Тип 4X/NEMA 4X, Тип 6/NEMA 6, IP67

  • Вес 

< 2 кг (полипропиленовая стержневая антенна)

  • Индикация (на приборе) 

Многосегментная, алфавитно-цифровая ЖК-индикация с гистограммной шкалой (для уровня), четыре языка

  • Антенна

 

  • Материал

полипропиленовая стержневая антенна, герметичная, PTFE опция

  • Размеры 

стандарт 100 мм (4”) экран для монтажных штуцеров макс.

 100 мм (4”), или как опция экран 250 мм (10”)

  • Опционные стержневые, рупорные и трубные антенны

см. Принадлежности SITRANS LR 200/LR 300

Подключение к процессу 

 

  • Подключение к процессу

1½” NPT, BSP, или G BS EN ISO 228-1 (полипропиленовая стержневая антенна)

 

  • Фланец 

Прочие подключения см. Принадлежности SITRANS LR 200/LR 300

Питание 

 

4 до 20 мА/HART

 

  • общие цели, Non-incendive, искробезопасность

ном. 24 V DC (макс. 30 V DC) при макс.. 550 Ом

  • жароустойчивая, искробезопасность, взрывозащита

ном. 24 V DC (макс. 30 V DC) при макс. 250 Ом

PROFIBUS PA

  • 10.5 мА
  • per IEC 61158-2

Сертификаты и допуски 

 

  • Общий 

CSAUS/C, CE, FM

  • Морской
  • Lloyd's Register of Shipping
  • ABS Type Approval
  • Радио

FCC, Industry Canada and European (R&TTE)

  • Ex-зоны

 

  • жароустойчивость (Европа)

ATEX II 1/2 G EEx dm ia IIC T4

  • искробезопасная защита (Европа)

ATEX II 1/2 G EEx em ia IIC T4

  • взрывозащита(США/Канада)

FM/CSA (барьер не требуется) T4, класс I, Div. 1, группы A, B, C, D; классы II, Div. 1, классы E, F, G; класс III,

  • Искробезопасный (США)

FM (барьер не требуется) T5, класс I, Div. 2, классы A, B, C, D

  • искробезопасная защита (Европа)

ATEX II 1 G EEx ia IIC T4

  • искробезопасная защита (США/Канада)

FM/CSA (искробезопасный с подходящим барьером) T4, класс I, Div. 1, группы A, B, C, D; класс II, Div. 1, группы E, F, G; класс III

  • искробезопасная защита (Австралия)

ANZEX Ex ia IIC T4 (Tamb=-40 to +80 °C) IP67

  • искробезопасная защита (Международный)

IECEX TSA 04.0020X T4

Программирование 

 

  • Искробезопасный ручной программатор Siemens Milltronics

Инфракрасный приемник

  • одобрения к переносному программатору

IS модель с ATEX EEx ia IIC T4, FM/CSA класс I, Div. 1, группы A, B, C, D

  • переносной коммуникатор

HART®

  • PC

SIMATIC PDM

  • Индикация (на приборе)

многосегментная, алфавитно-цифровая ЖК-индикация с гистограммной шкалой (для уровня), четыре языка

HART это товарный знак HART Coммunications Foundation.

 

 

 


Характеристика

SITRANS LR 200

 SITRANS LR200, кривая температура/давление

 


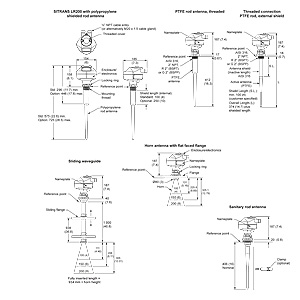
Чертеж

SITRANS LR 200

Размеры SITRANS LR 200 

см. Принадлежности SITRANS LR 200/LR 300 на странице ###  для большей информации о опциях антенны SITRANS LR 200.

 


Схема подключения

SITRANS LR 200

Соединения SITRANS LR 200

 


Заказные данные

Цена на сайте указана розничная в ЕВРО без учета НДС.Для уточнения цены и размера предоставляемой скидки - звоните или присылайте заявки

Заказной номерPGОписание продуктаЦена
7ML5422-.....852SITRANS LR 200: 2-Х ПРОВОДНЫЙ ИМПУЛЬСНЫЙ РАДАРНЫЙ УРОВНЕМЕР, СТЕРЖНЕВАЯ АНТЕННА ИЗ POLYPROPYLEN, 6 GHZ, ДИАПАЗОН ИЗМЕРЕНИЯ ДО 20 M; ДЛЯ НЕПРЕРЫВНОГО ИЗМЕРЕНИЯ ЖИДКОСТЕЙ И ШЛАМОВ В ТАНКАХ ХРАНЕНИЯ И РАБОЧИХ РЕЗЕРВУАРАХ С ВЫСОКИМИ ТЕМПЕРАТУРАМИ И ДАВЛЕНИЕМ 1153.28
7ML5423-.....-....852SITRANS LR 200: 2-Х ПРОВОДНЫЙ ИМПУЛЬСНЫЙ РАДАРНЫЙ УРОВНЕМЕР, СТЕРЖНЕВАЯ АНТЕННА, ФЛАНЦЕВОЕ ПРИСОЕДИНЕНИЕ, 6 GHZ, ДИАПАЗОН ИЗМЕРЕНИЯ ДО 20 M; ДЛЯ НЕПРЕРЫВНОГО ИЗМЕРЕНИЯ ЖИДКОСТЕЙ И ШЛАМОВ В ТАНКАХ ХРАНЕНИЯ И РАБОЧИХ РЕЗЕРВУАРАХ С ВЫСОКИМИ ТЕМПЕРАТУРАМИ И ДАВЛЕНИЕМ 1508.38
7ML5424-.....-....852SITRANS LR 200: 2-Х ПРОВОДНЫЙ ИМПУЛЬСНЫЙ РАДАРНЫЙ УРОВНЕМЕР, СТЕРЖНЕВАЯ АНТЕННА, ГИГИЕНИЧЕСКОЕ ПРИСОЕДИНЕНИЕ, ДИАПАЗОН ИЗМЕРЕНИЯ ДО 20 M; ДЛЯ НЕПРЕРЫВНОГО ИЗМЕРЕНИЯ ЖИДКОСТЕЙ И ШЛАМОВ В ТАНКАХ ХРАНЕНИЯ И РАБОЧИХ РЕЗЕРВУАРАХ С ВЫСОКИМИ ТЕМПЕРАТУРАМИ И ДАВЛЕНИЕМ 1611.20
7ML5425-.....-....852SITRANS LR 200: 2-Х ПРОВОДНЫЙ ИМПУЛЬСНЫЙ РАДАРНЫЙ УРОВНЕМЕР, РУПОРНАЯ АНТЕННА, 6 GHZ, ДИАПАЗОН ИЗМЕРЕНИЯ ДО 20 M; ДЛЯ НЕПРЕРЫВНОГО ИЗМЕРЕНИЯ ЖИДКОСТЕЙ И ШЛАМОВ В ТАНКАХ ХРАНЕНИЯ И РАБОЧИХ РЕЗЕРВУАРАХ С ВЫСОКИМИ ТЕМПЕРАТУРАМИ И ДАВЛЕНИЕМ 1508.38

 


Аксессуары

Цена на сайте указана розничная в ЕВРО без учета НДС.Для уточнения цены и размера предоставляемой скидки - звоните или присылайте заявки

Заказной номерPGОписание продуктаЦена
7MF4997-1DA807HART-модем с интерфейсом RS232 для подключения преобразователей к компьютеру. 414.46
7MF4997-1DB807HART-модем с интерфейсом USB для подключения преобразователей к компьютеру. 534.24
7ML1830-1CG8ZMУДЛИНЕНИЕ АНТЕННЫ 100 MM ДЛЯ IQ РАДАРНЫЙ УРОВНЕМЕР 160, 4 ZOLL 66.78
7ML1830-1CH8ZMУДЛИНЕНИЕ АНТЕННЫ 50 MM ДЛЯ IQ РАДАРНЫЙ УРОВНЕМЕР 160, 2 ZOLL 55.12
7ML1830-1HC852РУП.АНТЕНА PTFE, ДЛЯ RADAR IQ300 43.46
7ML1830-1HD851TVI-CLAMP 2 ДЮЙМ НЕРЖ.СТАЛЬ ДЛЯ RADAR IQ300 55.12
7ML1830-1HE852TRI-CLAMP 3 ДЮЙМ НЕРЖ.СТАЛЬ ДЛЯ RADAR IQ300 73.14
7ML1830-1HF852TRI-CLAMP 4 ДЮЙМ НЕРЖ.СТАЛЬ ДЛЯ RADAR IQ300 91.16
7ML1830-2AH851УНИВЕРСАЛЬНЫЙ РУЧНОЙ ПРОГРАММАТОР ИСКРОБЕЗОПАСНОГО ИСПОЛНЕНИЯ (IS, CENELEC) 108.12
7ML1930-1AM851КАБЕЛЬНЫЙ ВВОД М20 Х 1,5, ПЛАСТИК 16.96
7ML1930-1AP852КАБЕЛЬНЫЙ ВВОД М20 Х 1,5, МЕТАЛЛ 32.86
7ML1930-1AQ852один металлический кабель, диапазон температур (-40C…+80'C), с подключением PROFIBUS PA 32.86
7ML1930-1BK852ручной программатор, искробезопасная цепь, EEX IA 148.40
7ML1998-5FN048ZMинструкция по эксплуатации для SITRANS LR200, HART, Английский 28.62
7ML1998-5FN118ZMРУКОВОДСТВО для SITRANS LR200, HART, Французский 28.62
7ML1998-5FN348ZMинструкция по эксплуатации для SITRANS LR200, HART, немецкий 28.62
7ML1998-5HP018ZMинструкция по эксплуатации для SITRANS LR200, технология PROFIBUS, английский 28.62
7ML1998-5HP118ZMинструкция по эксплуатации для SITRANS LR200,технология PROFIBUS, французский 28.62
7ML1998-5HP318ZMинструкция по эксплуатации для SITRANS LR200, технология PROFIBUS, немецкий 28.62
7ML1998-5JP028ZMMANUAL,SITRANS LR200, HART, ENGLISH 32.86
7ML1998-5JP328ZMMANUAL,SITRANS LR200, HART, GERMAN 32.86
7ML1998-5JR028ZMMANUAL,SITRANS LR200 (PROFIBIS PA) ENGLISH 32.86
7ML1998-5JR328ZMMANUAL,SITRANS LR200 (PROFIBUS PA) GERMAN 32.86
7ML1998-5QG818ZMинструкция по эксплуатации, SITRANS LR200, 11 языков 33.92
7ML1998-5QL838ZMбыстрый старт, много языков, для SITRANS LR 200 40.28
7ML1998-5XC828ZMMANUAL,QUICK START SITRANS, LR200, HART, ALL LANGUAGES 43.46
7ML5830-2AH851ПОРТАТИВНЫЙ ПРОГРАММАТОР ДЛЯ SITRANS LR300, ВЗРЫВОЗАЩИТА EEX IA 148.40
7ML5830-2AJ851ПОРТАТИВНЫЙ ПРОГРАММАТОР, ИСКРОЗАЩИЩЕННЫЙ, IS CSA/FM/ATEX, PROFIBUS ВЕРСИЯ 148.40