0

Разделы

Скачать Заказные данные 
ENG: SITRANS P250 (differential pressure)

The SITRANS P250 transmitter measures the differential pressure of liquids and gases.

 


Особенности

Скачать Заказные данные 
ENG: SITRANS P250 (differential pressure)
  • High measuring accuracy
  • Sturdy stainless steel enclosure
  • For aggressive and non-aggressive media
  • For the measurement of the differential pressure of liquids and gases
  • Temperature-compensated measuring cell
  • Compact design

 


Область применения

Скачать Заказные данные 
ENG: SITRANS P250 (differential pressure)

The SITRANS P250 transmitter for differential pressure is primarily used in the following industries:

  • Chemical industry
  • Pharmaceutical industry
  • Food industry
  • Mechanical engineering
  • Shipbuilding
  • Water supply

 


Дизайн

Скачать Заказные данные 
ENG: SITRANS P250 (differential pressure)

Main components:

  • Stainless steel enclosure with piezo-resistive ceramic measuring cell and (temperature-compensated) electronics module
  • Process connection made of stainless steel in diverse designs (see Selection and ordering data)
  • Electrical connection through connectors acc. to EN 175301-803-A and round connectors M12, as well as with permanently fixed cable

 


Функции

Скачать Заказные данные 
ENG: SITRANS P250 (differential pressure)

The pressure transmitter measures the differential pressure of liquids and gases.

Mode of operation

SITRANS P250 pressure transmitter, function diagram

The piezo-resistive ceramic measuring cell (membrane) has a Wheatstone bridge circuit, on which the operating pressure P1 and P2 of the media acts at both ends.

The voltage output from the measuring cell is converted by an amplifier into an output current of 4 to 20 mA or an output voltage of 0 to 5 or 10 V DC.

The output current and voltage are linearly proportional to the input pressure.

 


Технические данные

Скачать Заказные данные 
ENG: SITRANS P250 (differential pressure)

SITRANS P250 differential pressure transmitter

Application

Differential pressure transmitter

Liquids and neutral gases

Mode of operation

Measuring principle

Piezo-resistive measuring cell (ceramic diaphragm)

Input

Measured variable

Differential pressure

Measuring range

0 ... 0.1 to 0 ... 25 bar

(0 ... 1.45 to 0 ... 363 psi)

Operating pressure

≤ 25 bar (363 psi) at a differential pressure range < 6 bar (87 psi)

≤ 50 bar (725 psi) at a differential pressure range > 10 bar (145 psi)

Burst pressure

1.5 x operating pressure

Output

 

Output signal

 
  • Current output signal

4 ... 20 mA

  • Voltage output signal

0 ... 5 V and 0 ... 10 V

Load

 

3-wire

> 10 kΩ

2-wire

≤ (UH - 11 V) / 0.02 A

Measuring accuracy

 

Dynamic behavior (at 25°C (77°F), including conformity error, hysteresis and repeatability)

≤ 1 % of typical full-scale value, see "Measuring range" table

Long-term drift acc. to IEC 60770

≤ 0.5 % of full-scale value/year

Influence of ambient temperature

 
  • Start of scale

≤ 0.6 %/10K of full-scale value

(≤ 1.2 % / 10K for measuring cell 0 ... 0.1 bar (1.45 psi))

  • Full-scale value

≤ 0.22 %/10K of full-scale value

(≤ 0,37 % / 10K for measuring cell 0 ... 0.1 bar (1.45 psi))

Dynamic behavior

Suitable for static and dynamic measurements

Response time T99

< 5 ms

Load variation

< 50 Hz

Rated conditions

 

Ambient conditions

 
  • Temperature of medium

-15 ...+ 85 °C (5 ... 185 ℉)

  • Ambient temperature

-15 ...+ 85 °C (5 ... 185 ℉)

  • Storage temperature

-40 ...+ 85 °C (-40 ... +185 °F)

Degree of protection acc. to EN 60529

IP65

Mounting position

Any

Mounting

Mounting bracket, included in delivery

Design

 

Weight

Approx. 430 g (approx. 0.95 lb)

Enclosure material

Stainless steel 1.4305/AISI 303

Electrical connection

  • Plug EN 175301-803-A
  • Circular plug EN 60130-9
  • Cable 1.5 m

Process connection

  • Hose sleeve Ø 4 mm/6 mm
  • Pipe union Ø 6 mm/8 mm
  • Male thread 7/16-20 UNF, G1/8
  • Female thread 1/8-27 NPT
  • (Standard), G1/8

Wetted parts materials

 
  • Process connection

Stainless steel 1.4305/AISI 303, CuZn nickel-plated

  • Diaphragm

Ceramic Al2O3 (96 %)

  • Sealing material

FPM (standard), EPDM, NBR, MVQ, CR

Power supply UH

 

Terminal voltage on pressure transmitter

 
  • 2-wire, 4 ... 20 mA

11 ... 33 V DC

  • 3-wire, 0 ... 5 V

11 ... 33 V/

24 V AC ±15 %

  • 3-wire, 0 ... 10 V

18 ... 33 V/

24 V AC ±15 %

Current consumption at nominal pressure

 
  • 2-wire

< 20 mA

  • 3-wire

< 5 mA

Protection against polarity reversal

Protected against short-circuit and polarity reversal. Each connection against the other with max. supply voltage.

Certificates and approvals

 

Approval

CE conformity

Measuring range

 

Max. permissible operating pressure(on either side)

Burst pressure

Max. permissible operating pressure(on one side)

Accuracy

[bar]

[psi]

       

0 ... 0.1

0 ... 1.45

25 bar(363 psi)

37.5 bar(544 psi)

0.6 bar(8.7 psi)

≤ 1.0 %

0 ... 0,2

0 ... 2.9

25 bar(363 psi)

37.5 bar(544 psi)

0.6 bar(8.7 psi)

≤ 0.8 %

0 ... 0,25

0 ... 3.63

25 bar(363 psi)

37.5 bar(544 psi)

0.6 bar(8.7 psi)

≤ 0.5 %

0 ... 0,3

0 ... 4.35

25 bar(363 psi)

37.5 bar(544 psi)

0.6 bar(8.7 psi)

≤ 0.5 %

0 ... 0.4

0 ... 5.8

25 bar(363 psi)

37.5 bar(544 psi)

1.2 bar(17.4 psi)

≤ 0.8 %

0 ... 0.5

0 ... 7.25

25 bar(363 psi)

37.5 bar(544 psi)

1.2 bar(17.4 psi)

≤ 0.5 %

0 ... 0,6

0 ... 8.7

25 bar(363 psi)

37.5 bar(544 psi)

1.2 bar(17.4 psi)

≤ 0.5 %

0 ... 1

0 ... 14.5

25 bar(363 psi)

37.5 bar(544 psi)

2 bar(29psi)

≤ 0.5 %

0 ... 1.6

0 ... 23.2

25 bar(363 psi)

37.5 bar(544 psi)

3.2 bar(46.4 psi)

≤ 0.5 %

0 ... 2.5

0 ... 36.3

25 bar(363 psi)

37.5 bar(544 psi)

5 bar(72.5 psi)

≤ 0.5 %

0 ... 4

0 ... 58

25 bar(363 psi)

37.5 bar(544 psi)

8 bar(116 psi)

≤ 0.5 %

0 ... 6

0 ... 87

25 bar(363 psi)

37.5 bar(544 psi)

12 bar(174 psi)

≤ 0.5 %

0 ... 10

0 ... 145

50 bar(725 psi)

75 bar(1088 psi)

20 bar(290 psi)

≤ 0.5 %

0 ... 16

0 ... 232

50 bar(725 psi)

75 bar(1088 psi)

32 bar(464 psi)

≤ 0.5 %

0 ... 25

0 ... 363

50 bar(725 psi)

75 bar(1088 psi)

50 bar(725 psi)

≤ 0.5 %

 


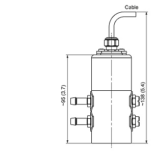
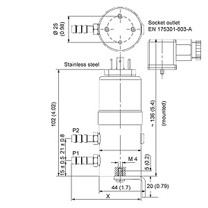
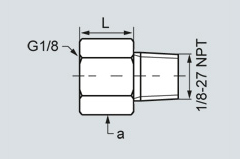
Чертеж

Скачать Заказные данные 
ENG: SITRANS P250 (differential pressure)

SITRANS P250 differential pressure transmitter with socket outlet to EN 175301-803-A, dimensions in mm (inch)

SITRANS P250 differential pressure transmitter with round connector to EN 60130-9, dimensions in mm (inch)

SITRANS P250 differential pressure transmitter with cable, dimensions in mm (inch)

Process connections

Width across flats

L

X

 

[mm]

[inch]

 

[mm]

[inch]

[mm]

[inch]

 

Hose connection for hose (CuZn nickel-plated, PVDF)

4

0.16

a = 10

20

0.79

61

2.40

6

0.24

a = 10

25

0.99

66

2.60

 

Pipe union with screw-in nipple for outer pipe (CuZn nickel-plated)

6

0.24

a = 10

b = 12

24

0.95

65

2.56

8

0.32

a = 12

b = 14

25

0.99

66

2.60

 

Pipe union with screw-in nipple for outer pipe (stainless steel 1.4305/AISI 303)

6

0.24

a = 10

b = 12

24

0.95

65

2.56

8

0.32

a = 12

b = 14

26

1

67

2.64

 

Male thread G1/87/16-20 UNF (CuZn nickel-plated)

-

-

a = 14

18

0.71

59

2.32

 

Female thread G1/8(stainless steel 1.4305/AISI 303)

-

-

b = 14

12

0.47

53

2

 

Male thread G1/8(CuZn nickel-plated)

-

-

a = 10b = 12

20

0.79

61

2.40

 


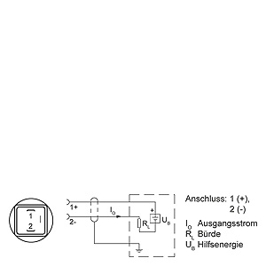
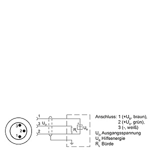
Схема подключения

Скачать Заказные данные 
ENG: SITRANS P250 (differential pressure)

Connection with current output 4 ... 20 mA and plug to EN 175301-803-A

Connection with current output 4 ... 20 mA and round connector

Connection with current output 4 ... 20 mA and permanently fixed cable

Connection with voltage output 0 ... 5 V DC (0 ... 10 V DC) and plug to EN 175301-803-A

Connection with voltage output 0 ... 5 V DC (0 ... 10 V DC) and round connector

Connection with voltage output 0 ... 5 V DC (0 ... 10 V DC) and permanently fixed cable

 


Заказные данные

Скачать Заказные данные 

Цена на сайте указана розничная в ЕВРО без учета НДС.Для уточнения цены и размера предоставляемой скидки - звоните или присылайте заявки

Заказной номерPGОписание продуктаЦена
7MF1641-.....-....8067MF1641 - Преобразователь давления измерительный SITRANS P250 для дифференциального давления, погрешность не более 1%, материал мембраны: керамика, материал корпуса: нерж. сталь 1.4301, без взрывозащиты, в комплект поставки включён монтажный уголок, 343.44