0

Разделы

ENG: SITRANS P280

SITRANS P280 for flexible and cost-effective applications in pressure monitoring

  • Supports the WirelessHART standard (HART V 7.1)
  • Very high security level for wireless data transmission
  • Built-in local user interface (LUI) with 3-button operation
  • Optimum representation and readability using graphical display (104 x 80 pixels) with integrated backlight
  • Stand-by (deep sleep phase) can be activated and deactivated device with push of a button
  • Battery power supply
  • Battery life time up to 5 years
  • Extend battery life time with switch off the HART modem interface
  • Optimized power consumption through new design, and increase in battery life time
  • Simple configuration thanks to SIMATIC PDM
  • Device meets IP65 degree of protection
  • Can be used for absolute and gauge pressure measurements

 


Особенности

ENG: SITRANS P280

The SITRANS P280 is a pressure transmitter that features Wireless HART as the standard communication interface.

Also available is a wired interface to connect a HART modem:

  • Flexible pressure measurements
  • Save costs on wiring at difficult installation conditions. Wireless technology offers cost advantages in cases where extensive wiring cost would normally apply
  • It enables additional hitherto unfeasible measuring points, particularly for monitoring purposes
  • Easy installation on moveable equipment
  • Enables cost-effective temporary measurements, for example for process optimizations
  • Optimum solution in addition to wired communication and new possibilities for system solutions in process automation

 


Область применения

ENG: SITRANS P280

The SITRANS P280 is a WirelessHART field device for measuring absolute and gauge pressure.

The measuring ranges for absolute and gauge pressure measurements are 0 to 2, 10, 50, 200 and 400 bar (0 to 29, 145, 725, 2900 and 5800 psi).

The sensor is integrated into the transmitter’s housing.

On the wireless communication side, the transmitter supports the WirelessHART standard. A HART modem can be connected to the transmitter particularly for initial commissioning.

It can be used in all industries and applications in non-explosive areas.

 


Дизайн

ENG: SITRANS P280

The SITRANS P280 has a robust aluminum enclosure and is suitable for outside use. It conforms with the IP65 safety class.

The operation temperature range is -40 to +80 °C (-40 to +176 °F). Power supply is provided through an integrated battery, which is available as an accessory. The device is only approved for operation with this battery.

The antenna features a rotatable joint which can be used for directional alignment. Wireless signals can thus be optimally received and transmitted.

A special highlight is tthe possibility can operate directly on the device with 3 push buttons. It fits perfect with the strategy of all new Siemens field devices.

Using the device’s push buttons, it is easy to turn the HART modem interface of the device on and off. The device can be put to passive status and reactivated at any time. This helps to extend the life time of the battery.

The SITRANS P280 transmitter features a ceramic measuring cell for gauge and absolute pressure measurements.

 


Функции

ENG: SITRANS P280

The SITRANS P280 can join to a WirelessHART network. It can be parameterized and operated through this network. Measured process values are transmitted via the network to the SIEMENS IE/WSN-PA LINK.

Field device data received by the IE/WSN-PA LINK is transmitted to the connected systems, for example the process control system SIMATIC PCS 7. For an introduction of WirelessHART, please see the FI 01 catalogue Sec. 9 or http://www.siemens.com/wirelesshart.

Detailed information on IE/WSN-PA LINK can be found in the FI 01 catalogue Sec. 9 or http://www.siemens.com/wirelesshart.

 


Интеграция

ENG: SITRANS P280
Connecting to SIMATIC PCS 7

The integration of field devices in SIMATIC PCS 7 and other process control systems can be now done seamlessly and cost-effectively with wireless technology, especially in situations where high wiring costs may be expected. Of particular interest are measuring points which are to be added and for which no wiring is available.

Where larger distances between the IE/WSN-PA LINK and control systems need to be overcome, this connection can also be implemented on a wireless and cost-effective basis using the SCALANCE W series of products.

Integration of a meshed network in SIMATIC PCS7

 


Конфигурация

ENG: SITRANS P280

Configuration of the SITRANS P280 may be carried out as follows:

  • Initial commissioning for the SITRANS P280 with SIMATIC PDM is generally carried out via a HART modem or the integrated local user interface, since the network ID and join key must be set up on the device before it can be accepted and integrated into the WirelessHART network.
  • Once it is integrated into the network, the device can be conveniently operated with the WirelessHART network, or onsite with a HART modem or via the local user interface.

 


Технические данные

ENG: SITRANS P280

WirelessHART Pressure Transmitter SITRANS P280

Mode of operation

 

Measuring principle

piezo-resistive

Measured variable

Gauge and absolute pressure

Gauge pressure input

 

Measuring range

Overload limit/Bursting pressure

0 ... 2 bar g

5 bar g (72.5 psi g)

0 ... 10 bar g

50 bar g (363 psi g)

0 ... 50 bar g

250 bar g (1740 psi g)

0 ... 200 bar g

650 bar g (7250 psi g)

0 ... 400 bar g

650 bar g (7250 psi g)

Units

mbar, bar, mmH2O, inH2O, atm, Torr, gcm², kgcm², mPa, kPa, Pa, psi, mmHG, mmH2O, ftH2O, inHG, inH2O

Absolute pressure input

 

Measuring range

Overload limit/Bursting pressure

0 ... 2 bar a

5 bar a (72.5 psi a)

0 ... 10 bar a

50 bar a (363 psi a)

0 ... 50 bar a

250 bar a (1740 psi a)

0 ... 200 bar a

650 bar a (7250 psi a)

0 ... 400 bar a

650 bar a (7250 psi a)

Units

mbar, bar, mmH2O, inH2O, atm, Torr, gcm², kgcm², mPa, kPa, Pa, psi, mmHG, mmH2O, ftH2O, inHG, inH2O

Output

 

Output signal

2.4 GHz Wireless signal with TSMP (Time Synchronized Mesh Protocol)

Measuring accuracy

as per EN60770-1

Error in measurement (including hysteresis and repeatability, at 25 °C (77 °F))

max. ± 0.325 % of sensor's span

Long-term drift

max. ≤ 0.25 % of sensor's/yearly span

Ambient temperature effect

max. ≤ 0.025 %/K of sensor's span

Rated conditions

 

Ambient conditions

 

Ambient temperature

-40 ... +80 °C (-40 ... +176 °F) (in ambient temperatures below -20 °C (-4 °F) and above +70 °C (158 °F), readability of the display is limited.)

Storage temperature

-40 ... +85 °C (-40 ... +185 °F)

Relative humidity

< 95 %

Climatic class

4K4H in accordance with EN 60721-3-4(stationary use at locations not protected against weather)

Degree of protection

IP65/NEMA 4

Design

 

Enclosure material

low-copper die-cast aluminum, GD-AISi12

Shock resistance

in accordance with DIN EN 60068-2-29/03.95

Resistance to vibration

in accordance with DIN EN 60068-2-6/12.07

20 ≤ f ≤ 2000 Hz

0.01 g²/Hz

Weight

 
  • without battery

1.5 kg (3.31 lb)

  • with battery

1.6 kg (3.53 lb)

Dimensions (W x H x D)

See Dimensional drawing

Process connection

  • G½B male thread as per EN837-1
  • ½-14 NPT

Sensor break

Is recognized

  • Displays and controls
 

Display (with illumination)

 
  • Size of display

104 x 80 pixels

  • Number of digits

adjustable

  • Number of spaces after comma

adjustable

Setting options

  • on site with 3 push buttons
  • with SIMATIC PDM or HART Communicator

Auxiliary power

 

Battery

3.6 V DC

Communication

 

Radio

WirelessHART V7.1 conforming

Transmission frequency band

2.4 GHz (ISM-Band)

Transmission range under reference conditions

Up to 250 m (line of sight) in outside areas

Up to 50 m (greatly dependent on obstacles) in inside areas

Communication interfaces

  • HART communication with HART modem
  • WirelessHART

Certificates and approvals

 

Wireless communication approvals

R&TTE

FCC

Classification according to PED 97/23/EC

Gases: Fluid group 1

Liquids: Fluid group 1;

meets requirements as per Section 3, Subsection 3 (good engineering practice)

 


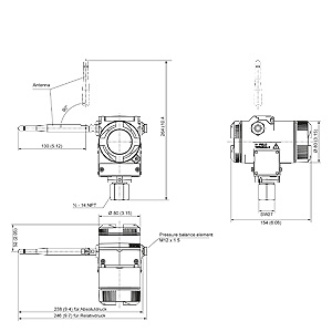
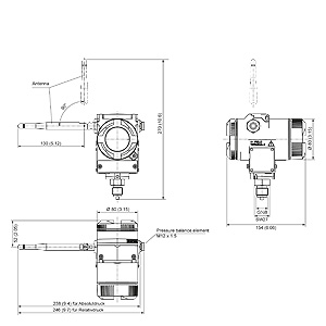
Чертеж

ENG: SITRANS P280

SITRANS P280 WirelessHART pressure transmitter, process connection G½", dimensions in mm (inch)

SITRANS P280 WirelessHART pressure transmitter, process connection ½ - 14 NPT, dimensions in mm (inch)

 


Заказные данные

Цена на сайте указана розничная в ЕВРО без учета НДС.Для уточнения цены и размера предоставляемой скидки - звоните или присылайте заявки

Заказной номерPGОписание продуктаЦена

 


Аксессуары

Цена на сайте указана розничная в ЕВРО без учета НДС.Для уточнения цены и размера предоставляемой скидки - звоните или присылайте заявки

Заказной номерPGОписание продуктаЦена
7MF4997-1AC807Монтажный кронштейн и крепёжные элементы для преобразователей давления MK II, MS И DS (7MF4010/4013/4032/403*/423*-.. ...-1.A. -1.B. И -1.D.) и термопреобразователей 7NG313*-**B**, материал: угл. сталь.TER 7NG313.-..B.. 34.98
7MF4997-1AJ807Монтажный кронштейн и крепёжные элементы для преобразователей давления MK II,MS И DS (7MF4010/4013/4032/403*/423*-.. ...-1.A. -1.B. И -1.D.) и термопреобразователей 7NG313*-**B**, материал: нерж. сталь.TURE TRANSMITTER 7NG313. -..B.. 56.82
7MF4997-1BB807Крышка без стекла, включая прокладку, для преобразователей давления MF4*1*-..., 7MF4*3*-..., материал: алюминий. 50.24
7MF4997-1BE807Крышка со стеклом, включая прокладку, для преобразователей давления MF4*1*-..., 7MF4*3*-..., материал: алюминий. 103.77
7MF4997-1DA807HART-модем с интерфейсом RS232 для подключения преобразователей к компьютеру. 414.46
7MF4997-1DB807HART-модем с интерфейсом USB для подключения преобразователей к компьютеру. 534.24