0

Разделы

Скачать Заказные данные 
SITRANS TH100 для монтажа в головку сенсора

Для измерений  Pt100 предлагается SITRANS TH100 который, благодаря отказу от гальвонического разделения и универсальному подключению сенсоров, представляет собой недорогую альтернативу.

Для параметрирования используется ПО SIPROM T в комбинации с модемом для SITRANS TH100/TH200.

Благодаря очень компактной конструкции, SITRANS TH100 идеально подходит для дооснащения мест измерения или для использования аналоговых измерительных преобразователей. Измерительный преобразователь поставляется как в не Ех-исполнении, так  и для использования во взрывоопасных зонах.

 


Особенности

Скачать Заказные данные 
SITRANS TH100 для монтажа в головку сенсора
  • двухпроводной измерительный преобразователь
  • установка в соединительную головку типа B (DIN 43729) или большую, или на стандартную  DIN рейку
  • программируемый, что означает, что также можно программировать подключение к сенсору, диапазон измерения и т.д.
  • искробезопасная версия для использования во взрывоопасных зонах

 


Область применения

Скачать Заказные данные 
SITRANS TH100 для монтажа в головку сенсора

Используемые в сочетании с термометрами сопротивления Pt100, измерительные преобразователи температуры  SITRANS TH100 идеальны для измерения температуры во всех отраслях промышленности. Благодаря своему компактному размеру они могут монтироваться в соединительную коробку типа  B (DIN 43729) или большую.

Выходным сигналом является постоянный ток 4 - 20 мА, пропорциональный температуре.

Параметризация осуществляется с ПК с использованием ПО  SIPROM T и модема для SITRANS TH100/TH200. Если у вас уже есть  SITRANS TK" (номер. 7NG3190-6KB), вы можете использовать его для параметрирования SITRANS TH100.

Измерительные преобразователи с типом защиты "искробезопасность" могут устанавливаться в потенциально взрывоопасных зонах.  Приборе соответствуют директиве 94/9/EC (ATEX), a также нормам FM и CSA.

 


Функции

Скачать Заказные данные 
SITRANS TH100 для монтажа в головку сенсора
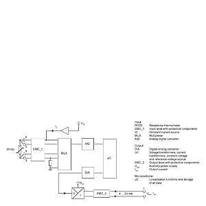
Принцип работы

Подаваемый с  Pt100 (2, 3 или 4-проводная схема) сигнал измерения усиливается на входном каскаде. Пропорциональное входной величине напряжение после этого преобразуется в аналого-цифровом преобразователе в цифровые сигналы. В микропроцессоре они пересчитываются в соответствии с характеристикой сенсора и прочими параметрами (диапазон измерения, демпфирование, внешняя температура).

Подготовленный таким образом сигнал преобразуется в цифрово/аналоговом преобразователе в независимый от нагрузки постоянный ток от 4-20 мА.

Фильтр ЭМС защищает входную и выходную схемы от электромагнитных помех.

SITRANS TH100, функциональная схема

 


Технические данные

Скачать Заказные данные 
SITRANS TH100 для монтажа в головку сенсора

SITRANS TH100

 

Вход

 

термометр сопротивления

 

измеряемая величина

температура

тип сенсора

PT100 по  IEC 60751

характеристика

линейная по температуре

тип подключения

2, 3 или 4-проводное

разрешение

14 бит

погрешность измерения

 

  • интервал измерения <250 °C

< 0.25 °C

  • интервал измерения >250 °C (450 °F)

< 0.1% от интервала измерения

повторяемость

< 0.1 °C

ток измерения

приблизительно 0.4 мА

цикл измерения

< 0.7 s

диапазон измерения

-200 ... +850 °C (-328 ... +1562 °F)

интервал измерения

25 ... 1050 °C (77 ... 1922 °F)

единица

°C или °F

смещение

программируется:-100 ... +100 °C (-180 ... +180 °F)

сопротивление кабеля

Max. 20 Ω

подавление помех

50 и 60 Гц

Выход

 

Выходной сигнал

4 ... 20 mA, 2-х проводный

Питание

8.5 ... 36 V DC (30 V для Ex)

мак. нагрузка

(Uaux – 8.5 V)/0.023 A

выход за диапазон

3.6 ... 23 mA, непрерывно настраиваемый (знач. по умолчанию: 3.84 ... 20.5 mA)

сигнал ошибки (в случае отказа сенсора)

3.6 ... 23 mA, непрерывно настраиваемый (знач. по умолчанию: 3.6 mA bzw. 22.8 mA)

время демпфирования

0 ... 30 с

защита

от обратной полярности

разрешение

12 бит

точность при  23 °C

< 0.1% от интервала

влияние температуры

< 0.1%/10 °C (0.1%/18 °F)

влияние питания

< 0.01% of span/V

влияние сопротивления нагрузки

< 0.025% of max. span/100 Ω

долгосрочный дрейф

 

  • за первый месяц

< 0.025% от максимального интервала

  • через год

< 0.035% от максимального интервала

  • через 5 лет

< 0.05% от максимального интервала

Внешняя температура

 

внешняя температура

-40 ... +85 °C

температура хранения

-40 ... +85 °C

относительная влажность воздуха

98%, конденсат

электромагнитная совместимость

согласно EN 61326 и NAMUR NE21

Констукция

 

приб. вес

50 g

размеры

см. габаритные чертежи

материал

пластик, залитый

поперечное сечение жил

макс. 2.5 mm2 (AWG 13)

степень защиты по EN 60529

 

  • корпус

IP40

  • клеммы

IP00

Сертификаты и допуски

 

Взрывозащита  ATEX

 

  • тип защиты "искробезопасность"

II 1G EEx ia IIC T6/T4II 2(1)G EEx ia/ib IIC T6/T4

  • тип защиты "невоспламеняющееся рабочее оборудование с ограниченной энергией"

II 3G EEx nAL IIC T6/T4

  • EC сертификат поверки

PTB 05 ATEX 2049X

взрывозащита по FM для USA и Canada (cFMUS)

 

  • FM допуск

PID 3024169

  • степень защиты

IS Cl I, II, III, Div 1, GP ABCDEFG T4/T5/T6IS Cl I, ZN 0, 1 AEx ia IIC T4/T5/T6Nl Cl I, II, III, Div 2, GP ABCDFG T4/T5/T6Cl I, ZN 2, GP IIC T4/T5/T6

 

 

требования к программному обеспечению для SIPROM T

 

Операционная система

Windows ME, 2000 и XP; также Windows 95, 98 и 98SE, но только при подключении модема RS 232.

Заводская установка:

 

  • Pt100 (IEC 751) с 3-х проводным соединением
  • диапазон измерения: 0 ... 100 °C (32 ... 212 °F)
  • ошибка сигнала в случае поломки датчика: 22.8 mA
  • смещение сенсора: 0 °C (0 °F)

Демпфирование: 0.0 s

 

 


Чертеж

Скачать Заказные данные 
SITRANS TH100 для монтажа в головку сенсора

SITRANS TH100, размеры в мм (дюймах)

SITRANS TH100, монтаж преобразователя на DIN-рейку

Адаптер на DIN-рейку, размеры в мм (дюймах)

 


Схема подключения

Скачать Заказные данные 
SITRANS TH100 для монтажа в головку сенсора

SITRANS TH100, схема подключения сенсора

 


Заказные данные

Скачать Заказные данные 

Цена на сайте указана розничная в ЕВРО без учета НДС.Для уточнения цены и размера предоставляемой скидки - звоните или присылайте заявки

Заказной номерPGОписание продуктаЦена
7NG3211-0....806TEMPERATURE TRANSMITTER SITRANS TH100 FOR PT100 FOR INSTALLATION IN CONNECTION HEAD TYPE B (DIN 43729), TWO-WIRE SYSTEM, 4...20 MA, PROGRAMMABLE, WITHOUT ELECTRICAL ISOLATION 75.37

 


Аксессуары

Скачать Заказные данные 

Цена на сайте указана розничная в ЕВРО без учета НДС.Для уточнения цены и размера предоставляемой скидки - звоните или присылайте заявки

Заказной номерPGОписание продуктаЦена
7NG3092-8KA806АДАПТЕР ДЛЯ МОНТАЖА НА ОПОРНУЮ БАЛКУ ПРЕОБРАЗОВАТЕЛЯ МОНТИРУЕМОГО В ГОЛОВУ (5 ШТ.) 57.88
7NG3092-8KC806RTD SENSOR CABLE FOR HEAD MOUNTED TRANSMITTERS, 4 WIRES, 150 MM , PACKAGE WITH 5 PCS. 73.14
7NG3092-8KM806МОДЕМ С ИНТЕРФЕЙСОМ RS232 ДЛЯ ПАРАМЕТРИРОВАНИЯ ИЗМЕРИТЕЛЬНЫХ ПРЕОБРАЗОВАТЕЛЕЙ ТЕМПЕРАТУРЫ SITRANS TH100/200, С ПРОГРАММНЫМ ОБЕСПЕЧЕНИЕМ SIPROM T 287.26
7NG3092-8KU806МОДЕМ С USB- ИНТЕРФЕЙСОМ ДЛЯ ПАРАМЕТРИРОВАНИЯ ИЗМЕРИТЕЛЬНЫХ ПРЕОБРАЗОВАТЕЛЕЙ ТЕМПЕРАТУРЫ SITRANS TH100/200, С ПРОГРАММНЫМ ОБЕСПЕЧЕНИЕМ SIPROM T 228.96
A5E00364512806CD-ROM FOR TEMPERATURE MEASURE- MENT DEVICES WITH DOKUMENTATION AND SOFTWARE SIPROM T 7.74