0

Разделы

SLG D10 ANT D5/SLG D10S ANT D5

Основные устройства SLG D10 / SLG D10S являются устройствами чтения/записи верхнего диапазона производительности и могут работать совместно с антеннами ANT D5 и ANT D6.

Устройства чтения/записи имеют встроенный последовательный интерфейс RS 232 для подключения к ПК/ПЛК или RS 422 интерфейс, который позволяет организовать связь через интерфейсные модули ASM 452, ASM 473 или ASM 475 с SIMATIC S7 или PROFIBUS.

Подключаемые переключатели и антенны:

Aнтенный переключатель

Антенный переключатель дает возможность нескольким антеннам или воротам работать только с одним устройством  чтения/записи (SLG D10 / SLG D10S).

ANT D5

Антенна универсального применения для верхнего диапазона производительности, сконструирована для применения в складских помещениях, логистике и распределении. Высокая степень защиты (IP65) позволяет использовать антенны в условиях жестких промышленных условий.

ANT D6

Антенна для верхнего диапазона производительности, сконструирована для применения в складских помещениях, логистике и распределении. Она может быть использована в тех случаях, когда требуется высокая скорость передачи совместно с большим расстоянием чтения/записи.

 


Технические данные

SLG D10 ANT D5/SLG D10S ANT D5

 

 

SLG D10 ANT D5

SLG D10S ANT D5

Индуктивный интерфейс с MDS

Отдельная антенна

Частота передачи (энергия/данные)

13.6 МГц, ISO/IEC 15693

Поддерживаемые накопители данных / транспондеры

для интеллектуальных ярлыков (SmartLabels) на основе стандарта ISO/IEC 15693, напр., I Code, Tag-it

Возможность одновременной работы с несколькими MDS

да, ок. 20 накопителей данных/с

Да, скоро будет доступен

Расстояние записи/чтения, макс. 1)

600 мм, см. эксплуатационные данные MDS

Длина кабеля антенны

3.5 м

Мощность передачи

4 Вт

Длина кабеля антенны

RS 232 с ПК/системой автоматизации

RS422 с ASM 452, ASM 473, ASM 475

макс. длина кабеля при 24 В пост. тока

30 м

300 m

Штекер

9-контактный сверхминиатюрный (штифт)

Скорость передачи

от 1200 Бод до 115,2 кБод (настраивается)

до 115,2 кБод (зависит от ASM)

Процедура/достоверность передачи данных

Binary, CRC16

протокол 3964R

Функции программного обеспечения

 

  • программирование

Библиотека языка C для ПК с Windows 9x/2000 и NT

FC45 для S7

  • команды

Чтение данных из MDS, запись данных на MDS, права доступа, работа с несколькими MDS одновременно и т.д.

Чтение данных из MDS, запись данных на MDS

Питающее напряжение, номинальное значение / допустимый диапазон

через 4-контактный штекер устройства M12(IP65), 24 В пост. тока / от 20 до 30 В пост. тока

Потребление тока

 

(при комнатной температуре)

 

  • кратковременный ток включения

до 2,8 A/50 мс

  • работа

ок. 0.9 A

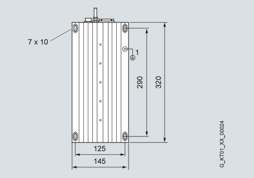
Корпус

 

  • размеры (в мм)

 

    • для антенной головки

340 x 325 x 38

    • для электроники без штекера

320 x 145 x 100

  • цвет

черный/антрацит

  • материал

Пластмасса ASA/алюминий

Род защиты по EN 60529, корпус/антенна (передняя сторона)

IP65/IP65

Удар по EN 60721-3-7

30 g,класс 7M2

Вибрации по EN 60721-3-7

1,5 g (от 200 до 500 Гц), класс 7M2

Крепление корпуса

4 винта M6

Крепление антенны

4 винта M6

Температура окружающей среды

 

  • во время эксплуатации

от -20 дo +55 °C

Вес

 

  • основное устройство

3.5 кг

  • антенна

1 кг

1) Чтобы обеспечить оптимальные эксплуатационные характеристики также и в металлическом окружении, антенна настраивается с рабочей стороны на расстоянии 100 мм от металла (см. набор расстояний).

 


Технические данные

 


Чертеж

SLG D10 ANT D5/SLG D10S ANT D5

 


Дальнейшая информация

 


Аксессуары

Цена на сайте указана розничная в ЕВРО без учета НДС.Для уточнения цены и размера предоставляемой скидки - звоните или присылайте заявки

Заказной номерPGОписание продуктаЦена
6GT2080-2AA20572RFID SYSTEMS SOFTWARE & DOCUMENTATION ON DVD, FB/FC FOR SIMATIC, RFID PC LIBRARIES, RFID TOOLS 56.18
6GT2090-4AN50572RFID SYSTEMS CONNEC. CABLE ASM - READER W/O CONNECTOR, PACKED SEPARAT. PUR, CMG, TRAILING, 50 M 124.02
6GT2090-4AT12572RFID SYSTEMS CONNEC. CABLE ASM - READER W/O CONNECTOR, PACKED SEPARAT. PUR, CMG, TRAILING, 120 M 270.30
6GT2090-4AT80572RFID SYSTEMS CONNEC. CABLE ASM - READER W/O CONNECTOR, PACKED SEPARAT. PUR, CMG, TRAILING, 800 M 1674.80
6GT2390-1AB00572MOBY D/E/F/I/U; РАЗЪЕМ ДЛЯ ИСТОЧНИКА НАПРЯЖЕНИЯ (РОЗЕТКА) SLG/SIM 8X, ASM 824, ASM 850 ASM 854, ASM 724, ASM 754 ASM 424, ASM 454, ASM 455 SLG D1X И SLG U92 17.28
6GT2490-1AA00572MOBY D/F; СОПРЯГАЮЩИЙ СОЕДИНИТЕЛЬ ДЛЯ SLG/SIM 8X И SLG D1X, 9 ШТ. СВЕРХМИНИАТЮРНЫЙ D-ОБРАЗНЫЙ, IP65 48.65
6GT2491-1HH50572MOBY; СОЕДИНИТЕЛЬНЫЙ КАБЕЛЬ ДЛЯ БЛОКА ПИТАНИЯ 6GT2494-0AA00, 24В ПОСТОЯННОГО ТОКА; ДЛИНА: 5 M 44.31
6GT2690-0AC00572MOBY D АНТЕННЫЙ ПЕРЕКЛЮЧАТЕЛЬ AДЛЯ ПОДКЛЮЧЕНИЯ ДВУХ ANT D5 ИЛИ ANT D6 К SLG D10/ SLG D10S, IP 65; IP65, ТЕМПЕРАТУРНЫЙ ДИАПАЗОН ОТ -25 ДО +65 ГРАД. ЦЕЛЬСИЯ 699.60
6GT2690-0AD00572MOBY D ЗАЩИТНАЯ КРЫШКА ДЛЯ АНТЕННЫ ANT D6 (ЗАЩИТА КОНТАКТОВ) 411.28
6GT2691-0CH33572MOBY D СОЕДИНИТЕЛЬНЫЙ КАБЕЛЬ ДЛЯ АНТЕННЫ ANT D6 МЕЖДУ ANT D6 И SLG D10/SLG D10S, IP 65, ДЛИНА 3.3 M 54.06
6GT2691-0CN10572MOBY D АНТЕННЫЙ КАБЕЛЬ МЕЖДУ АНТЕННОЙ ANT D6/D10 И SLG D10/D10S/SLG D11/D11S, ПЕРЕКЛЮЧАТЕЛЬ АНТЕННЫ, IP 65, ДЛИНА: 10.5M 64.87
6GT2691-0DH72572MOBY D РАСШИРЕНИЕ АНТЕННЫ ДЛЯ AНТ. D5 И АНТ. D6; МЕЖДУ АНТЕННОЙ И SLG D10/SLG D10S, IP 65, ДЛИНА 7.2 M 66.99
6GT2691-4BH50572MOBY D RS 232 CONNEC. CABLE BETWEEN PC A. SLG D10ANT/SLG D11ANT D5 /SLG D12, PUR, CMG, TRAILING, LENGTH 5 M 66.99
6GT2691-4BN20572MOBY D RS 232 CONNECTING CABLE BETWEEN PC AND SLG D10ANT/SLG D11 ANT D5/SLG D12 PUR, CMG, TRAILING, LENGTH 20 M 97.31
6GT2698-5AA10572MOBY D ANTENNA ANT D5 FOR CONNECTION TO SLG D10/SLG D10S BASIC DEVICE, SLG D11/SLG D11S BASIC DEVICE INCL. SPACER 380 X380 X110 (LXWXH) ANTENNA CABLE 3.3 M INCLUDED 643.42
6GT2698-5AB00572MOBY D АНТЕННА ANT D6 ДЛЯ ПОДКЛЮЧЕНИЯ К БАЗОВЫМ БЛОКАМ SLG D10/SLG D10S, РАССТОЯНИЕ ЧТЕНИЯ/ЗАПИСИ ДО 600 MM (В ЗАВИСИМОСТИ ОТ МОДУЛЯ ПАМЯТИ), КАБЕЛЬ 3.3 M (ВХОДИТ В ПОСТАВКУ), 580 X 480 X 100 MM 1409.80
6GT2698-5AF00572MOBY D АНТЕННА ANT D6 ДЛЯ ПОДКЛЮЧЕНИЯ К БАЗОВЫМ БЛОКАМ SLG D10/SLG D10S, РАССТОЯНИЕ ЧТЕНИЯ/ЗАПИСИ ДО 550 MM (В ЗАВИСИМОСТИ ОТ МОДУЛЯ ПАМЯТИ), КАБЕЛЬ 3.3 M (ВХОДИТ В ПОСТАВКУ), 1150 X 365 X 115 MM 1950.40
6GT2894-0EA00572MOBY D ANTENNA MULTIPLEXER RF260X FOR SLG D10; ANTENNA OUTPUTS 6X (ANT D5, ANT D6, ANT D10); PROTECTION MODE IP65; 240 X 150 X 70 MM; 2374.40
6GT2898-0AA00572SIMATIC RF600 ИСТОЧНИК ПИТАНИЯ С РАСШИРЕННЫМ ДИАПАЗОНОМ НАПРЯЖЕНИЙ ДЛЯ RF-СИСТЕМ SIMATIC, ~100-240В, =120-353В, 3 A, НОРМЫ EN 55011/B, VDE, СТЕПЕНЬ ЗАЩИТЫ IP65, ЕВРО-ШТЕККЕР 389.02
6GT2898-0AA10572SIMATIC RF600 ИСТОЧНИК ПИТАНИЯ С РАСШИРЕННЫМ ДИАПАЗОНОМ НАПРЯЖЕНИЙ ДЛЯ RF-СИСТЕМ SIMATIC, ~100-240В, =120-353В, 3 A, НОРМЫ EN 55011/B, VDE, СТЕПЕНЬ ЗАЩИТЫ IP65, БРИТАНСКИЙ ШТЕККЕР 389.02
6GT2898-0AA20572SIMATIC RF600 ИСТОЧНИК ПИТАНИЯ С РАСШИРЕННЫМ ДИАПАЗОНОМ НАПРЯЖЕНИЙ ДЛЯ RF-СИСТЕМ SIMATIC, ~100-240В, =120-353В, 3 A, НОРМЫ EN 55011/B, VDE, UL, СТЕПЕНЬ ЗАЩИТЫ IP65, ШТЕККЕР США 389.02