Блок питания AS-Interface со степенью защиты IP65, которые могут монтироваться на непосредственно на машинах и оборудовании без шкафов управления.
Входное напряжение =24 В может формироваться стандартными блоками питания серии SITOP power.
| Тип | 30 V/2.4 A |
|---|---|
| Заказной номер | 6EP1 632-1AL01 |
| Вход | постоянное напряжение |
| Номинальное напряжение Vвх ном. | 24 В DC |
| Диапазон напряжений | от 20.4 до 28.8 В DC (динамика от 18.5 до 30.2 В) |
| Крутизна всплеска | 35 В DC для макс. 500 мс |
| Буферизация перебоев в питающей цепи при Iвых ном | 10 мс при Vвх = 20.4 В, Vвых > 25 В 20 мс при Vвх = 20.4 В, Vвых > 14 В |
| Номинальная частота в сети питания | 0 Гц |
| Диапазон частоты | 0 Гц |
| Номинальный ток Iвх ном | 3.6 A |
| Предельный ток в импульсе (+250C) | < 40A, < 3 мс |
| I2t | < 4.7 A²с |
| Встроенный входной предохранитель | 6.3 A (не доступен) |
| Рекомендуемый автомат защиты (IEC 898) на питающем кабеле | от 10 A, с характеристикой C или от 6 A, с характеристикой D |
| Выход | Регулируемый, гальваническая развязка для ASi спецификации |
| Номинальное напряжение Vвых. ном. | 30 В DC |
| Общая устойчивость | от 29.5 до 31.6 В DC |
| Остаточная пульсация (0 до 10 кГц, ASi+/ASi-) | < 300 mVpp, (стандартно 4mVpp) |
| Всплески (ширина диапазона примерно. 20 MГц) | < 50 mVpp |
| Устанавливаемый диапазон | - |
| Индикатор состояния | Зеленый светодиод для 30 В OK |
| Реакция на переключение вкл/выкл | Без перерегулирования Vвых (мягкий старт) |
| Номинальный выходной ток Iвых ном | 2.4 A |
| Диапазон тока при +45 0C | от 0 до 2.8 A (-10°C до +45 C) |
| Диапазон тока при +55 0C | от 0 до 2.4 A (-25°Сдо +55 С) |
| Эффективность (КПД) |
|
| Эффективность при Vвых ном, Iвых ном | > 81 % (стандартно 82 %) |
| Потери энергии при Vвых.ном., Iвых. ном. | < 17 Вт |
| Защита и контроль |
|
| Выходная защита от перенапряжения | - |
| Ограничение тока | Примерно 2.9 A |
| Защита от короткого замыкания | Постоянная токовая характеристика примерно до 2.9 A |
| Длительное короткое замыкание RMS тока | Примерно. 3 A |
| Индикатор перегрузка/ короткое замыкание | - |
| Безопасность |
|
| Изоляция первичная/вторичная | Да, SELV вых. напряжение Vвых по EN 60950 |
| Класс защиты (IEC 536, VDE 0106 T1) | Класс I |
| Потери тока | Не применяется для DC |
| Испытания TÜV типа | - |
| Маркировка CE | Да |
| UL/cUL (CSA) одобрение | Да, UL/cUL в списке (UL 508, CSA 22.2) |
| Морской сертификат | GL, ABS, LRS, BV, DNV, PRS, RINA |
| FM одобрение | - |
| Степень защиты (EN 60 529; VDE 0470 T1) | IP65 (с винтовой клеммой со степенью защиты IP20 по запросу) |
| EMC |
|
| Помехи | EN 50081-1, EN 55022 Класс B |
| Ограничение гармоник | Не применяется |
| Помехоустойчивость | EN 50082-2, IEC 801-2, -3, -4 уровень 3 |
| Рабочие спецификации |
|
| Диапазон температуры окружающего воздуха | от -20 до +55 °C (при Ia=0 до 2.4 A) |
| Диапазон температур транспортировки и хранения | от -25 до +85 °C |
| Влажность | F по DIN 40040: относительная влажность до 75 %, 95 % в 30 дней / год; без конденсации |
| Механические характеристики |
|
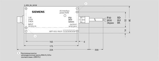
| Клеммы, Входное питание L1, N, PE | Цилиндрический разъем от 0.5 до 2,5 мм2. Важно: элемент не поставляется с блоком; см. Аксессуары. |
| Клеммы, Выход ASi+ Клеммы, Выход ASi- Клеммы, Выход земля | кабель 500 мм AWG 14, примерно. 2.08 мм2 кабель 500 мм AWG 14, примерно. 2.08 мм2 кабель 500 мм АWG 14, примерно. 2 08 мм2 |
| Размеры (Ш x В x Г) в мм | 221 x 80 x 57 |
| Вес, примерно | 1.0 кг |
| Установка | Привинчивается на плоскую поверхность |
| Аксессуары | 6-контактный цилиндрический разъем и AS-Interface соединительный модуль PG (см. Аксессуары) |
Номер заказа:
6EP1 632-1AL01