0

Разделы

SONOFLO SONO 3300/3000 Custody Transfer - ультразвуковой расходомер

Ультразвуковые расходомеры SITRANS F US SONOFLO типа SONO 3000 CT предназначены для точного измерения расхода с высоким разрешением в водопроводящих теплоцентралях, например, в местных сетях, центральных и вспомогательных котельнях и в приложениях с холодной водой.

Состоящая из ультразвуковых расходомеров SONOFLO типа SONO и измерительного преобрахователя SONO 3000 CT комбинация приборов имеет допуск для использования с обязательной калибровкой по РТВ, класс С, OIML R75, класс 4 и множество допусков для отдельных стран.

Измерительные датчики имеют допуск согласно руководству ЕС 97/23/EF от 29 мая 1997 года для флюидной группы 1, классификация по категории III. Конструкция по EN 13480.

 


Особенности

SONOFLO SONO 3300/3000 Custody Transfer - ультразвуковой расходомер
  • Нет перепада давления
  • Надежные и точные измерения расхода 
  • Долговременная стабильность 
  • Измерения могут осуществляться во всех системах централизованного водоснабжения и при любом качестве и проводисоти воды 
  • Небольшие затраты для собственника
  • Калибровка в пару всей системы 
  • Допуски для соответствующей страны 
  • Выходы: один аналоговый импульсный/частотный и релейный выход 
  • Самодиагностика

 


Область применения

SONOFLO SONO 3300/3000 Custody Transfer - ультразвуковой расходомер

Ультразвуковые расходомеры SONOFLO типа SONO 3300/3000 CT используется преимущественно для измерения объёма воды при температурах от 3 до 200°C (37.4 до 392 °F) (в соответствии с допусками) в следующих областях:

  • Cистемы централизованного теплоснабжения
  • Cистемы холодного водоснабжения
  • Комбинированные системы горячего и холодного водоснабжения 

 


Дизайн

SONOFLO SONO 3300/3000 Custody Transfer - ультразвуковой расходомер

Расходометр SONO 3300/3000 CT состоит из измерительного датчика типа SONO 3300 CT, измерительного преобразователя SONO 3000 CT вкл. приспособление для раздельного монтажа, а также 4 коаксиальных кабеля для соединения измерительного датчика и измерительного преобразователя.

Измерительный датчик работает с двумя прямыми измерительными трактами без отражений. Он оборудован фланцами, поставляется с диаметрами DN 50 до DN 1200 (2" до 48")

 


Интеграция

SONOFLO SONO 3300/3000 Custody Transfer - ультразвуковой расходомер

Импульсный выход расходомера часто используется как вход для тепловых калькуляторов. Область расходомера обеспечивает оптимальное измерение расхода энергии. Через аналоговый выход система SCADA получает информацию о фактической величине объемного потока в распределительной сети.

 


Технические данные

SONOFLO SONO 3300/3000 Custody Transfer - ультразвуковой расходомер

SITRANS F US SONOFLO SONO 3300 CT

SITRANS F US SONOFLO SONO 3300 CT

 

Точность

 

Погрешность измерения при эталонных условиях; в % от  змеренного значения

 

Динамический диапазон

 

  • 1:20

Импульсный выход ≤ ± 0,5%

  • 1:50

Импульсный выход ≤ ± 3%

Воспроизводимость

≤ ± 0,25%

Вход

 

Диаметр

DN 50 ... DN 1200 (2“ ... 48”)

Подключения к процессу, по ступени давления, EN 1092-1, тип 11, B

  • PN 10 (DN 500 ... DN 1200 (20” ... 48”))
  • PN 16 (DN 50 ... DN 1200 (2” ... 48”))
  • PN 25 (DN 200 ... DN 1000 (8” ... 40”))
  • PN 40 (DN 50 ... DN 100 (2” ... 4”))

Электроакустический преобразователь

Встроенная версия, вварена в трубу

Рабочие условия 

 

Окружающие условия

 

Окружающая температура

 

  • Эксплуатация

-10 … +160°C (14 … 320 °F) в зависимости от допуска

  • Хранение

-40 … +85°C (-40 … +185 °F)

Класс защиты (корпус)

Стандартная версия IP67

Свойства вещества

 

Температура жидкости

-10 … +200°C (14 … 392 °F) в зависимости от допуска

Макс. скорость потока

10 м/сек (32 ft/s)

Конструкция

2-трековый измерительный датчик с фланцами и встроенными электроакустическими преобразователями

Материал

 

  • Труба
  • DN 50 ... DN 150 (2” ... 6”):сталь GS-16 Mn5, мат. No. 1.1131
  • DN 200 ... DN 1200 (8” ... 48”): сталь EN 1.0345
  • Фланец

DN 50 ... DN 1200 (2” ... 48”):сталь EN 1.0025-S235JRG2

  • Электроакустический преобразователь

Нерж.сталь

 

 

Сертификат соответствия материала

Измерительный датчик стандартно поставляется со свидетельством о соответствии Siemens. При необходимости имеется сертификат материала для соприкасающихся с веществом компонентов.

NDT контрольный отчет

По запросу

Коаксильный кабель

Первые 0,5 м (19.7 дюймов) коаксиального кабеля

 

Диаметр

5.3 мм (0.21”)

Длина

0.5 м (19.7”)

Материал

PTFE

Окружающая температура

-200 … +200 °C (-328 ... +392 F)

Коаксиальный кабель > 0,5 м (19.7 дюймов)

 

Диаметр

5.8 мм (0.23“)

Длина

Макс. 250 м (820 ft) между измерительным датчиком и измерительным преобразователем. При удалении больше 30 м (98.5 ft) обращаться на Siemens.

Материал

Полиэтилен

Окружающая температура

-40 … +70 °C (-40 ... +158 °F)

Измерительный преобразователь SONO 3000 CT

Выход

 

Аналоговый выход

Гальваническая развязка, изоляционное напряжение 500 В

  • Измерение

Объемный расход, скорость звука (как опция через меню)

  • Ток

0 ... 20 мА или 4 ... 20 мА

  • Нагрузка

< 800 Ω

  • Постоянная времени

0.8…30 s adjustable

Частотный/импульсный выход

Макс. 500 В

  • Измерение

Объемный расход, скорость звука, общий объем, общая масса (как опция через меню)

  • Постоянная времени 

0,8 ... 30 сек, устанавливаемая

  • Частота

0 ... 1 кГц, 0 ... 10 кГц

  • Длительность импульса 

0,5 мсек, 5 мсек, 20 мсек, 50 мсек, 100 мсек

Выходной режим

В завсимости от электрического соединения выход может быть активным или пассивным

  • Активный
  • DC 24 ... 30 В / 25 мА макс. (50 μсек ... 5 сек) (50 мсек электромеханический счетчик, 75 мА макс. если f < Гц)
  • DC 24 ... 30 В / 50 мА макс. (500 Гц ... 10 кГц)
  • Пассивный

DC 5 ... 30 В / 200 мА макс.

Релейный выход

 

  • Переключение

Ошибка/направление потока

  • Постоянная времени/ гистерезис

5 s/0.5% F.S.O.

  • Нагрузка

42 В, 0.5 A

Отсечка малого расхода: малый расход

0 ... 9.9% F.S.O.

Рабочие условия

 

Окружающая температура

 

  • Версия IP67

 

  • Работа 

-20 ... +55 °C (-4 ... +131 °F)

  • Хранение 

-40 ... +85 °C (-40 ... +185 °F)

  • IP20 монтаж в переднюю панель /IP65 настенный монтаж

 

  • Работа

0 ... +55 °C (32 ... 131 °F)

  • Храниние 

-40 ... +85 °C (-40 ... +185 °F)

Механическая вибрация

 

  • IP67

2 гр, 1… 800 Гц, синусоидальная во всех направлениях по IEC 68-2-6

  • IP20 монтаж в переднюю панель/IP65 настенный монтаж

1 гр, 1… 800 Гц, синусоидальная во всех направлениях по IEC 68-2-6

Класс защиты (корпус)

 

  • IP67

IP67 дo IEC 60529 и DIN 40050

  • IP20 монтаж в переднююпанель

IP20 дo EN 60529 и DIN 40050

  • IP65 версия для настенного монтажа

IP65 дo IEC 60529 и DIN 40050

Элементы индикации и управления

 

Встроенные счетчики

Два встроенных счетчика. Одно- или двунаправленный подсчет по выбору (нетто-расход)

  • Измерение

Общий объем

Индикация

Фоновая подсветка, алфавитно-цифровой текст, 2 x 16 знаков для представления: измеренных значений, суммирующего подсчета, установок, кодов ошибок и тревог.

Конструкция

 

Материал корпуса

 

  • Версия IP67

Усиленный стекловолокном полиамид

  • IP20 монтаж в переднюю панель/IP65 настенный монтаж

Стандартный модуль 19" (алюминий/сталь) по DIN 41494

Габаритные чертежи и вес

См. габаритные чертежи

Питание

 

Напряжение питания и потребляемая мощность

 

  • Версия IP67/IP20 для монтажа в переднюю панель

AC 115/230 В +10%/-15%, 50 ... 60 Гц, 10 ... 20 ВA

  • IP65 для настенного монтажа
  • DC 24 В +25%/-15%, AC 24 В ±15%, 15 ВA, полное сопротивление кабеля < 7 Ω при 24 В
  • AC 115/230 В +10%/-15%, 50 ... 60 Гц, 10 ... 20 ВA

Сертификаты и допуски

 

  • ЭМС

Излучение помех EN 61000-6-4

Помехоустойчивость EN 61000-6-2

  • Низкое напряжение

По EN 61010-1

  • Допуски

 

  • Версия IP67

PTB класс C, OIML R75 класс 4

  • IP20 монтаж в переднюю панель/IP65 настенный монтаж

PTB, класс C

 

 


Дополнительно

SONOFLO SONO 3300/3000 Custody Transfer - ультразвуковой расходомер
Данные для выбора и заказа

SONO 3000 располагается вместе с расходомером под заказным номером конструкции.

См. руководство расходомера SONO 3100/3000, 3300/3000, SONOKIT, SONO 3300/3000 CT и компонента расхода SONOCAL 3000.

Принадлежности/запасные части

Имеющиеся стандартные версии

Описание

Конструкция

Корпус

Питание

Заказной номер

Символ

Измерительный преобразователь SONO 3000 для компактного и  настенного монтажа

1 токовый выход

1 частотный/импульсный выход

1 релейный выход

IP67 (NEMA 4X/6)

 

усиленный стекловолокном полиамид

115 … 230 V AC 50/60 Гц

7ME3150-1AA10-1AA0

 

24 V AC/DC

7ME3150-1AA20-1AA0

Измерительный преобразователь SONO 3000 для монтажа в 19" стойку и панель управления

1 токовый выход

1 частотный/импульсный выход

1 релейный выход

IP00

115/230 V AC 50/60 Гц

7ME3150-2CA10-1AA0

 

3 токовых выхода

2 частотных/импульсных выхода

2 релейных выхода

IP00

115/230 V AC 50/60 Гц

7ME3150-2CC10-1AA0

24 V AC/DC

7ME3150-2CC20-1AA0

Измерительный преобразователь SONO 3000 с модулем 19", полностью  смонтирован в корпусе для настенного монтажа

1 токовый выход

1 частотный/импульсный выход

1 релейный выход

IP65 (NEMA 4)

 

ABS пластик

115/230 V AC 50/60 Гц

7ME3150-2EA10-1AA0

 

3 токовых выхода

2 частотных/импульсных выхода

2 релейных выхода

IP65 (NEMA 4)

 

ABS пластик

115/230 V AC 50/60 Гц

7ME3150-2EC10-1AA0

24 V AC/DC

7ME3150-2EC20-1AA0

Измерительный преобразователь SONO 3000 Ex-d для раздельного монтажа на стену, EEx de [ia/ib] IIC T5-T6

1 токовый выход

1 частотный/импульсный выход

1 релейный выход

IP65 (NEMA 4)

 

AISI 316/Duplex

24 V AC/DC

7ME3150-2FA22-1AA0

 

 

Принадлежности/запасные части

Принадлежности для измерительного преобразователя SONO 3000

Описание

Заказной номер

Символ

Комплект для настенного монтажа для 7ME3150-1AA10- 1AA0 и 7ME3150- 1AA20-1AA0, с 4x коаксиальный кабель измерительного датчика, кронштейны Pg 13.5, резьбовые, с 4 вводами кабеля.

FDK: 085F5027

 

Блок памяти SENSORPROM для SONOFLO При заказе: просьба указать заказной и серийный номер измерительного датчика.

FDK: 085F5029

Комплект для монтажа в переднюю панель для модуля 19" (28TE), IP20 корпус из пластика ABS для монтажа в переднюю панель.

FDK: 083F3087

 

Комплект для монтажа в заднюю панель для модуля 19" (28TE), IP00 алюминиевый корпус.

FDK: 083F3084

 

Блок памяти SENSORPROM для всех измерительных преобразователей:

Описание

Заказной номер

Символ

Блок памяти SENSORPROM для SONOFLO

При заказе: просьба указать заказной и серийный номер измерительного датчика.

FDK: 085B5329

 

Запасные части для измерительного преобразователя SONO 3000

Тип/описание

Заказной номер

Символ

SONO 3000 EEx‑d insert, no ATEX

FDK: 085F5210

 

SONO 3000 19” задняя панель для настенного мотажа по IP65 (NEMA 4), версия 230 V

FDK: 085F5327

 

SONO 3000 панель для коаксиальных соединений

FDK: 085L1023

 

SONO 3000 нижняя панель

FDK: 085L1015

 

SONO 3000 EEx‑d, переднее стекло с рамкой

FDK: 085U2109

 

SONO 3000 EEx‑d, уплотнения для корпуса измерительного преобразователя

FDK: 085U2002

 

Запасные части/принадлежности

Описание

Заказной номер

Измерительный преобразователь SONO 3000 CT, IP67 (NEMA 4X/6) (вкл. комплект для настенного монтажа) 1)2)

7ME3150-2AA10-1AC0

Измерительный преобразователь SONO 3000 CT, IP67 (NEMA 4X/6), 115/230 V AC, 50 ... 60Hz 1)

7ME3150-1AA10-1AA0

Измерительный преобразователь SONO 3000 CT, IP67 (NEMA 4X/6), 24 V AC/DC 1)2)

7ME3150-1AA20-1AA0

Измерительный преобразователь SONO 3000 CT 19", IP20 (NEMA 1) 1)

7ME3150-2DA10-1AC0

Коаксиальный кабель с соединением электроакустического преобразователя

 

1 x 10 m

FDK:085L2400

1 x 20 m

FDK:085L2401

1 x 30 m

FDK:085L2402

1) Все измерительные преобразователи имеют по 1 выходу тока, 1 частотному/импульсному выходу и 1 релейному выходу соответственно.

2) 115/230 V AC, 50 ... 60 Hz

Важно:

В соответствии с правилами для использования с обязательной калибровкой после замены одного из выше указанных компонентов необходимо получить в официальной лаборатории новый допуск для всей системы.

 

SONO 3100

Преобразователь SONO 3200 цельный блок с кабельными штуцерами PG 13.5

Типпреобразователя

Материал

Уплотнение

Ступень давления

Корпус клеммной коробки

Допуск

Диапазонтемперату [°C]

Длина[мм]

Заказной номер

Символ

O-уплотнение

316 SS

O-уплотнение

PN 40

Plastic PA 6.6

 

-20…+100 (-4 … +212 °F)

50 (1.97)

FDK:085B5306

 

O-уплотнение

316 SS

O-уплотнение

PN 40

316 SS

 

-20…+200 (-4 … +392 °F)

50 (1.97)

FDK:085B5300

O-уплотнение

316 SS

O-уплотнение

PN 40

316 SS

EExd1)

-20…+200 (-4 … +392 °F)

50 (1.97)

FDK:085B5312

Фланец

316 SS

Графит

PN 40

Plastic PA 6.6

 

-20…+100 (-4 … +212 °F)

88 (3.47)

FDK:085B5411

Фланец

316 SS

Графит

PN 40

316 SS

 

-20…+200 (-4 … +392 °F)

88 (3.47)

FDK:085B5321

Фланец

316 SS

Графит

PN 40

316 SS

EExd1)

-20…+200 (-4 … +392 °F)

88 (3.47)

FDK:085B5425

Фланец

316 SS

Графит

PN 160

316 SS

EExd1)

-20…+200 (-4 … +392 °F)

88 (3.47)

FDK:085B5432

Фланец

316 SS

Алюминий

PN 40

316 SS

 

-20…+100 (-4 … +212 °F)

88 (3.47)

FDK:085B5416

1) без ATEX

Преобразователь SONO 3200 цельный блок с кабельными штуцерами М20

Тип преобразо вателя

Материал

Уплотнение

Ступень давления

Корпус клеммной коробки

Допуск

Диапазонтемператур[°C]

Длина[мм]

Заказной номер

Символ

O-уплотнение

316 SS

O-уплотнение

PN 40

Plastic PA 6.6

 

-20…+100 (-4 … +212 °F)

50 (1.97)

FDK:085B5353

 

O-уплотнение

316 SS

O-уплотнение

PN 40

316 SS

 

-20…+200 (-4 … +392 °F)

50 (1.97)

FDK:085B5350

O-уплотнение

316 SS

O-уплотнение

PN 40

316 SS

EExd1)

-20…+200 (-4 … +392 °F)

50 (1.97)

FDK:085B5351

Фланец

316 SS

Графит

PN 40

Plastic PA 6.6

 

-20…+100 (-4 … +212 °F)

88 (3.47)

FDK:085B5461

Фланец

316 SS

Графит

PN 40

316 SS

 

-20…+200 (-4 … +392 °F)

88 (3.47)

FDK:085B5362

Фланец

316 SS

Графит

PN 40

316 SS

EExd1)

-20…+200 (-4 … +392 °F)

88 (3.47)

FDK:085B5463

Фланец

316 SS

Графит

PN 160

316 SS

EExd1)

-20…+200 (-4 … +392 °F)

88 (3.47)

FDK:085B5465

Фланец

316 SS

Алюминий

PN 40

316 SS

 

-20…+100 (-4 … +212 °F)

88 (3.47)

FDK:085B5471

1) ATEX (Ex) IIC 2G EEx d IIC T3 ... T6

Электроакустический преобразователь SONO 3200 вставка

Температурный диапазон [°C]

Длина [мм]

Заказной номер

Символ

-20…+200 (-4 … +392 °F)

50 (1.97)

FDK:085B1411

 

-20…+200 (-4 … +392 °F)

88 (3.47)

FDK:085B1459

SONO 3200 transducer (Transducer body with insert)

Температурный диапазон

Ступень давления

Длина [мм]

Заказной номер

Символ

-20…+200 (-4 … +392 °F)

 

50 (1.97)

FDK: 085B14051)

 

-20…+200 (-4 … +392 °F)

 

88 (3.47)

FDK: 085B1464

 

-20…+200 (-4 … +392 °F)

PN 160

88 (3.47)

FDK: 085B1706

1) Химически стойкое O-уплотнение

 

 

SONOKIT

Преобразователь SONO 3200 цельный блок с кабельными штуцерами PG 13.5

Тип преобразо вателя

Материал

Уплотнение

Ступень давления

Корпус клеммной коробки

Допуск

Диапазон температур[°C]

Длина [мм]

Заказной номер

Символ

O-уплотнение

316 SS

O-уплотнение

PN 40

Plastic PA 6.6

 

-20…+100 (-4 … +212 °F)

160 (6.3)

FDK:085B5307

 

O-уплотнение

316 SS

O-уплотнение

PN 40

316 SS

 

-20…+200 1)(-4 … +392 °F)

160 (6.3)

FDK:085B5301

O-уплотнение

316 SS

O-уплотнение

PN 40

Пластик PA 6.6

 

-20…+100 (-4 … +212 °F)

230 (9.41)

FDK:085B5308

O-уплотнение

316 SS

O-уплотнение

PN 40

316 SS

EEx d2)

-20…+200 (-4 … +392 °F)

160 (6.3))

FDK:085B5413

O-уплотнение

316 SS

O-уплотнение

PN 40

316 SS

 

-20…+200 (-4 … +392 °F)

230 (9.41)

FDK:085B5319

1) 316 SS корпус для -20 … +200 °C (-4 … +392 °F) но кабельные сальники для -20 … +100 °C (-4 … +212 °F)

2) без ATEX

Преобразователь SONO 3200 цельный блок с кабельными штуцерами М20

Тип преобразо вателя

Материал

Уплотнение

Ступень давления

Корпус клеммной коробки

Допуск

Диапазон температур[°C]

Длина [мм]

Заказной номер

Символ

O-уплотнение

316 SS

O-уплотнение

PN 40

Plastic PA 6.6

 

-20…+100 (-4 … +212 °F)

160 (6.3)

FDK:085B5454

 

O-уплотнение

316 SS

O-уплотнение

PN 40

316 SS

 

-20…+200 1)(-4 … +392 °F)

160 (6.3)

FDK:085B5455

O-уплотнение

316 SS

O-уплотнение

PN 40

Пластик PA 6.6

 

-20…+100 (-4 … +212 °F)

230 (9.41)

FDK:085B5458

O-уплотнение

316 SS

O-уплотнение

PN 40

316 SS

EEx d2)

-20…+200 (-4 … +392 °F)

160 (6.3))

FDK:085B5452

O-уплотнение

316 SS

O-уплотнение

PN 40

316 SS

 

-20…+200 (-4 … +392 °F)

230 (9.41)

FDK:085B5459

1) 316 SS корпус для -20 … +200 °C (-4 … +392 °F) но кабельные сальники для -20 … +100 °C (-4 … +212 °F)

2) ATEX (Ex) IIC 2G EEx d IIC T3 ... T6

Электроакустический преобразователь SONO 3200 вставка

Температурный диапазон [°C]

Длина [мм]

Заказной номер

Символ

-20…+200 (-4 … +392 °F)

90 (3.54)

FDK:085B1100

 

-20…+200 (-4 … +392 °F)

160 (6.3)

FDK:085B1419

-20…+200 (-4 … +392 °F)

230 (9.41)

FDK:085B1420

SONO 3200 transducer (Transducer body with insert)

Температурный диапазон

Длина [мм]

Заказной номер

Символ

-20…+200 (-4 … +392 °F)

90 (3.54)

FDK: 085B1401

 

-20…+200 (-4 … +392 °F)

160 (6.3)

FDK: 085B14041)

-20…+200 (-4 … +392 °F)

230 (9.41)

FDK: 085B5511

-20…+200 (-4 … +392 °F)

230 (9.41)

FDK: 085B5510

1) Химически стойкое O-уплотнение

 

Terminal housing

Тип

Заказной номер

Символ

  • Материал: PA 6.6, Температурный диапазон: -20…+100°C (-4 … +212 °F)

FDK:085B1403

 

  • Материал: AISI 316, Температурный диапазон: -20…+200°C (-4 … +392 °F)

FDK:085B1402

  • Материал: PA 6.6, Температурный диапазон: -20…+100°C (-4 … +212 °F)

FDK:085B5501

 

  • Материал: AISI 316, Температурный диапазон: -20…+200°C (-4 … +392 °F)

FDK:085B5504

 

  • Материал: AISI 316, Температурный диапазон: -20…+200°C (-4 … +392 °F) с ATEX допуском

FDK:085B5505

 

 

Электроакустический преобразователь SONO 3200 вставка

Тип

Ступеньдавления

Материал

Температурныйдиапазон [°C]

Заказной номер

Символ

Уплотнительное O-кольцо

PN 40

70FFKM

-20…+200 (-4 … +392 °F)

FDK:085B1089

 

Уплотнительный фланец

PN 40/160

Графит

-20…+200 (-4 … +392 °F)

FDK:085B1080

Уплотнение и 12 мм болты и гайки для фланцевыхэлектроакустических преобразователей

PN 40

Графит, 316 SS

-20…+200 (-4 … +392 °F)

FDK:085B1083

Уплотнение и 16 мм болты и гайки для фланцевыхэлектроакустических преобразователей

PN 160

Графит, 316 SS

-20…+200 (-4 … +392 °F)

FDK:085B1084

Уплотнение для низкотемпературных приложений

PN 40

Алюминий, O-уплотнение

-200…+100 (-328 … +212 °F)

FDK:633L0047

 

 

 

Тип

Заказной номер

Символ

Уплотнения для O-колец аккустического преобразователя

PN 40, материал: 70 FFKM, температурный диапазон: -20…+200°C (-4 … +392 °F)

FDK:085B1089

 

Potting kit

Тип/описание

Заказной номер

Символ

Potting kit, IP68, 10 m (289 ft) w.g. rating

FDK: 085L2403

 

 

Инструменты

Тип/Описание

Заказной номер

Символ

Инструмент для замены SONO 3200 O-уплотнение датчика под давлением

 

 

 

Длина датчика:

 

  • 50  мм (1.97”)

FDK:085B5331

  • 160  мм (6.3”)

FDK:085B5333

  • 230 мм (9.1”)

FDK:085B5335

Инструмент для измерения угла для  SONOKIT

FDK:085B5330

 

Hot-tap drilling инструмент для SONOKIT

FDK:085B5392

 

Интсрумент для выравнивания SONOKIT

FDK:085B5393

 

Кабели

Тип / Описание

Заказной номер

Символ

Стандартный 75 Ω коаксиальный кабель, Tmax = 75 °C (167 °F)

 

 

  • 15 м (49.2 ft)

FDK:085B1373

  • 30  м (98.4 ft)

FDK:085B1374

  • 60  м (196.8 ft)

FDK:085B1375

  • 100  м (328 ft)

FDK:085B1376

Тефлоновый 75 Ω коаксиальный кабель, Tmax = 200 °C (392 °F)

 

  • 5 m (16.4 ft)

FDK:085B1378

  • 15 m (49.2 ft)

FDK:085B1379

 

Transducer holder

Tип/описание

Заказной номер

1-track

 

  • 330 мм for concrete pipe 60°, DN 600 … DN 4000

FDK:085L1656

  • 160 мм нерж. сталь 60°, DN 300 … DN 4000

FDK:085L1105

  • 160 мм carbon steel 60°, DN 300 … DN 4000

FDK:085L1104

2-track

 

  • 230 мм for concrete pipe 60°, DN 600 … DN 4000

FDK:085L1111

  • 160 мм нерж. сталь 60°, DN 300 … DN 4000

FDK:085L1109

  • 160 мм carbon steel 60°, DN 300 … DN 4000

FDK:085L1108

The part which is welded onto the pipe is either stainless steel or carbon steel.

Коробки для подключения кабеля и кабельные штуцеры

Тип/описание

Заказной номер

Символ

Распределительная коробка для коаксиального кабеля

 

 

  • IP68 металлическая коробка для 2 коаксиальных кабелей

FDK: 085B1360

  • IP68 металлическая коробка для 4 коаксиальных кабелей

FDK: 085B1361

  • IP68 EEx-e пластиковая коробка для 2 коаксиальных кабелей

FDK: 085B1362

  • IP68 EEx-e пластиковая коробка для 4 коаксиальных кабелей

FDK: 085B1363

Кабельный штуцер

 

 

  • Pg 13 для коаксиального кабеля 6 мм, хромированная латунь

FDK: 085B1381

 

  • Pg 13 для двух коаксиальных кабелей 6 мм, хромированная латунь

FDK: 614X6068

 

  • EEx, Pg 13 для коаксиального кабеля 6 мм, 316 SS

FDK: 085B1387

 

 

Mounting plate

Тип / описание

Заказной номер

1-трек

 

  • 160 mm, stainless steel, 60°, DN 300 … DN 4000

FDK:085L1115

  • 160 mm, carbon steel, 60°, DN 300 … DN 4000

FDK:085L1114

2-трек

 

  • 160 mm, stainless steel, 60°, DN 300 … DN 4000

FDK:085L1119

  • 160 mm, carbon steel, 60°, DN 300 … DN 4000

FDK:085L1118

The mounting plates are either completely in stainless steel or carbon steel.

 

Accessories

 

Order No.

Brackett for SITRANS FUE950 wall mounting (12 pcs)

 

FDK:087H0117

Infra red optical head for data acquisition

 

FDK:087H0108

Infolog complete with cable and SW for SONOCELL

 

FDK:085L1960

Flash and disc for Infolog for SONOCELL

 

FDK:085L1961

3.6 V D-cell for SITRANS FUE950

 

FDK:087H0113

AC 230 V supply module for SITRANS FUE950

 

FDK:087H0114

3.0 V battery CR2032 for Infocal 5 (back-up) (10 pcs.)

 

FDK:087H0116

 

Аксессуары

Accessories for calculator SITRANS FUE950

Type/description

Order No.

Data/pulse input module

FDK:087H0111

Data/pulse output module

FDK:087H0110

M-bus slave module/input module

FDK:087H0109

Infrared optical head for data acquisition

FDK:087H0108

Brackett for SITRANS FUE950 wall mounting (12 pcs)

FDK:087H0117

INFOLOG complete with cable and SW for SONOCELL

FDK:085L1960

Flash and disc for INFOLOG for SONOCELL/SONO 3301

FDK:085L1961

Cable for data aquisition PC/D-sub 9F/3 wire

FDK:087H0121

INFOLOG for SITRANS FUE950 complete, flash, SW for data transfer, 0-modem cable for data transfer

FDK:087H0124

Flash & disk for INFOLOG for SITRANS FUE950, english version

FDK:087H0125

0-modem cable for data transfer to PC from INFOLOG

FDK:087H0126

Verification equipment for calculator

FDK:087H0122

3.6 V DC-cell for SITRANS FUE950

FDK:087H0113

230 V AC supply module for SITRANS FUE950

FDK:087H0114

24 V AC supply module for SITRANS FUE950

FDK:087H0115

3.0 V battery CR 2032 for SITRANS FUE950 (10 pcs.)

FDK:087H0116

Re-programming tool (complete set)

FDK:087H0134

1) Also for SONOCELL

Pocket for temperature sensor Pt500 (2 pcs.)

Type/description

Order No.

Brass pocket G½B x 40 mm (PN 16)

FDK:087H01104

Brass pocket G½B x 85 mm (PN 16)

FDK:087H0105

Brass pocket G½B x 120 mm (PN 16)

FDK:087H0106

Stainless steel pocket G½B x 85 mm (PN 25)

FDK:087H0100

Stainless steel pocket G½B x 120 mm (PN 25)

FDK:087H0101

Stainless steel pocket G½B x 155 mm (PN 25)

FDK:087H0102

Stainless steel pocket G½B x 210 mm (PN 25)

FDK:087H0103

 

Please also see www.siemens.com/SITRANSForderingfor practical examples of ordering

 

 


Чертеж

SONOFLO SONO 3300/3000 Custody Transfer - ультразвуковой расходомер

Измерительный датчик SONO 3300 CT

Диаметр

Монтажная длина L между фланцами

Do

наружный

диаметр

Толщина стенки трубы для 1)

DN

PN 10[мм]

PN 16[мм]

PN 25[мм]

PN 40[мм]

[мм]

PN 10[мм]

PN 16[мм]

PN 25[мм]

PN 40[мм]

50

-

465 ±3

475 ±3

475 ±3

66.6

-

7.0

7.0

7.0

65

-

460 ±3

475 ±3

475 ±3

78.0

-

7.0

7.0

7.0

80

-

380 ±3

400 ±3

400 ±3

92.0

-

7.0

7.0

7.0

100

-

375 ±3

400 ±3

400 ±3

116.4

-

7.0

7.0

7.0

125

-

375 ±3

400 ±3

400 ±3

143.2

-

7.0

7.0

7.0

150

-

360 ±3

400 ±3

400 ±3

170.4

-

8.0

8.0

8.0

200

-

450 ±4

490 ±4

500 ±4

219.1

-

3.7

4.8

6.5

250

-

600 ±5

575 ±5

600 ±5

273.0

-

4.0

5.3

7.3

300

-

600 ±5

560 ±5

600 ±5

323.9

-

4.4

5.5

8.1

350

-

800 ±5

840 ±5

880 ±5

355.6

-

4.6

6.1

8.6

400

-

875 ±5

925 ±5

975 ±5

406.4

-

4.9

6.6

9.7

500

950 ±6

980 ±6

1050 ±6

1080 ±6

508.0

4.1

5.6

7.9

11.7

600

1075 ±6

1105 ±6

1165 ±6

-

610.0

4.5

6.4

9.1

-

700

1100 ±6

1140 ±6

1190 ±6

-

711.0

5.0

7.2

10.4

-

800

1150 ±6

1180 ±6

1240 ±6

-

813.0

5.6

8.0

11.7

-

900

1200 ±6

1230 ±6

1300 ±6

-

914.0

6.1

8.8

13.3

-

1000

1250 ±6

1300 ±6

1370 ±6

-

1016.0

6.6

9.7

14.3

-

1200

1330 ±6

1360 ±6

-

-

1220.0

7.6

11.3

-

-

1) Указанная толщина стенки трубы для DN 200 ... DN 1200 это мин. значения согласно руководству ЕС по приборам давления 97/23/EC.

Диаметр

Монтажная длина L между фланцами

Do

наружный

диаметр

Толщина стенки трубы для1)

[дюймов]

PN 10[дюймов]

PN 16[дюймов]

PN 25[дюймов]

PN 40[дюймов]

[дюймов]

PN 10[дюймов]

PN 16[дюймов]

PN 25[дюймов]

PN 40[дюймов]

2

-

18.3 ±0.12

18.7 ±0.12

18.7 ±0.12

2.6

-

0.27

0.27

0.27

-

18.1 ±0.12

18.7 ±0.12

18.7 ±0.12

3

-

0.27

0.27

0.27

3

-

14.4 ±0.12

15.7 ±0.12

15.7 ±0.12

3.6

-

0.27

0.27

0.27

4

-

14.7 ±0.12

15.7 ±0.12

15.7 ±0.12

4.6

-

0.27

0.27

0.27

5

-

14.7 ±0.12

15.7 ±0.12

15.7 ±0.12

5.6

-

0.27

0.27

0.27

6

-

14.2 ±0.12

15.7 ±0.12

15.7 ±0.12

6.7

-

0.31

0.31

0.31

8

-

17.7 ±0.16

19.3 ±0.16

19.7 ±0.16

8.6

-

0.14

0.19

0.25

10

-

23.6 ±0.2

22.6 ±0.2

23.6 ±0.2

10.7

-

0.16

0.21

0.29

12

-

23.6 ±0.2

22.0 ±0.2

23.6 ±0.2

12.7

-

0.17

0.21

0.32

14

-

31.5 ±0.2

33.1 ±0.2

34.6 ±0.2

14

-

0.18

0.24

0.34

16

-

34.4 ±0.2

36.4 ±0.2

38.4 ±0.2

16

-

0.19

0.26

0.38

20

37.4 ±0.24

38.6 ±0.24

41.3 ±0.24

42.5 ±0.24

20

0.16

0.22

0.31

0.46

24

42.3 ±0.24

43.5 ±0.24

45.8 ±0.24

-

24

0.18

0.25

0.36

-

28

43.3 ±0.24

44.8 ±0.24

46.8 ±0.24

-

28

0.19

0.28

0.41

-

32

45.3 ±0.24

46.4 ±0.24

48.8 ±0.24

-

32

0.22

0.31

0.46

-

36

47.2 ±0.24

48.4 ±0.24

51.2 ±0.24

-

36

0.24

0.35

0.52

-

40

49.2 ±0.24

51.2 ±0.24

53.9 ±0.24

-

40

0.26

0.38

0.56

-

48

52.3 ±0.24

53.5 ±0.24

-

-

48

0.30

0.44

-

-

1) Указанная толщина стенки трубы для 8" ... 48" это мин. значения согласно руководству ЕС по приборам давления 97/23/EC.

Диаметр

Вес

PN 10

PN 16

PN 25

PN 40

DN

дюймов

кг

lbs

кг

lbs

кг

lbs

кг

lbs

50

2

-

-

13

28.6

14

30.8

14

30.8

65

-

-

15

33

16

35.3

16

35.3

80

3

-

-

18

39.7

19

42

19

42

100

4

-

-

32

70.5

35

77.2

35

77.2

125

5

-

-

38

83.8

44

97

44

97

150

6

-

-

45

99

52

114.6

52

114.6

200

8

-

-

58

128

70

154

79

174

250

10

-

-

75

165

96

211.6

117

258

300

12

-

-

92

203

114

251

151

333

350

14

-

-

113

249

145

320

191

421

400

16

-

-

141

311

191

421

274

604

500

20

153

337

207

456

284

626

379

835

600

24

193

425

276

608

363

800

-

-

700

28

262

577

303

668

480

1058

-

-

800

32

329

725

400

882

650

1433

-

-

900

36

428

943

475

1047

835

1841

-

-

1000

40

500

1102

594

1309

1078

2377

-

-

1200

48

470

1036

732

1614

-

-

-

-

 

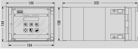
Измерительный преобразователь SONO 3000 CT, IP67, настенный монтаж

Добавить приблизительно по 30 мм (1.18 дюймов) с каждой стороны для проводки, около 2 кг (4.4 lb).

Измерительный преобразователь SONO 3000 CT, IP65, настенный монтаж

Вес 3.5 кг (7.72 lb)

 

Измерительный преобразователь SONO 3000 CT, IP20, монтаж в переднюю панель

Вес 2.8 кг (6.17 lb)

 


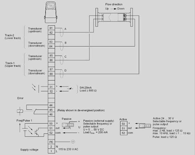
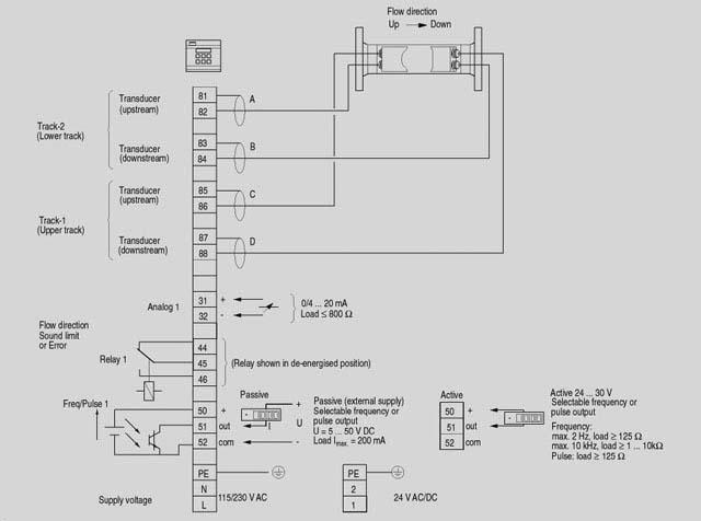
Схема подключения

SONOFLO SONO 3300/3000 Custody Transfer - ультразвуковой расходомер

SONO 3000/3300 CT (версия IP67), электрическое подключение

SONO 3000/3300 CT (настенный монтаж), электрическое соединение