0

Разделы

Стабилизированные блоки питания

Стабилизированные блоки питания включают в свой состав электронный регулятор, обеспечивающий стабилизацию выходного напряжения на заданном уровне с минимальным отклонением от этого уровня при изменениях входного напряжения или нагрузки.

Пульсации выходного напряжения лежат в милливольтовом диапазоне и зависят от нагрузки, подключенной к выходу блока питания.

Стабилизированные блоки питания могут строиться на основе различных принципов. Наиболее распространенными типами схем являются:

  • стабилизаторы последовательного типа,
  • магнитные стабилизаторы,
  • импульсные стабилизаторы с коммутацией на вторичной стороне, 
  • импульсные стабилизаторы с коммутацией на первичной стороне.

Выбор принципа стабилизации напряжения зависит, прежде всего, от конкретных условий применения данного блока питания

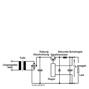
Стабилизаторы последовательного типа

Принципиальная схема стабилизатора последовательного типа

Стабилизаторы последовательного типа работают по обычному принципу. Они получают питание от сети 1- или 3-фазного переменного тока. С помощью трансформатора входное напряжение блока питания преобразуется в переменное напряжение требуемого уровня.

Это напряжение выпрямляется, сглаживается фильтром и поступает на вход электронного регулятора, формирующего выходное стабилизированное напряжение блока питания. Электронный регулятор включает в свой состав усилитель и регулирующий элемент, включенный последовательно с нагрузкой. Неизменность уровня выходного напряжения обеспечивается регулировкой степени открытия и падения напряжения на регулирующем элементе. При этом разность между напряжением на сглаживающем конденсаторе и падением напряжения на регулирующем элементе остается постоянной, равной заданному уровню Uвых. Возникающие тепловые потери пропорциональны произведению значения тока нагрузки и падение напряжения на регулирующем элементе.

Стабилизаторы последовательного типа хорошо адаптируются к различным условиям эксплуатации. Они позволяют создавать блоки питания с несколькими уровнями стабилизированных выходных напряжений. Для этого достаточно использовать трансформатор с несколькими вторичными обмотками с соответствующими выпрямителями, фильтрами и стабилизаторами. Некоторые решения могут базироваться только на этом принципе.

Стабилизаторы данного типа отличаются высоким быстродействием, высокой точностью стабилизации выходного напряжения, имеют низкий уровень пульсаций выходного напряжения. К их недостаткам следует отнести небольшой коэффициент полезного действия и значительные массогабаритные показатели. Поэтому стабилизаторы последовательного типа используются только в блоках питания небольшой мощности.

Преимущества:

  • простая и надежная схема,
  • регулировочные характеристики в диапазоне от хороших до наилучших,
  • малое время установки выходного напряжения. 

Недостатки:

  • относительно большая масса и габариты из-за использования 50 Гц трансформатора,
  • низкий коэффициент полезного действия, проблемы с отводом тепла.
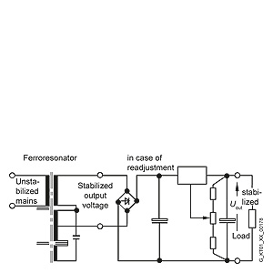
Магнитные стабилизаторы напряжения

Принципиальная схема магнитного стабилизаторы напряжения

Магнитные стабилизаторы состоят из ферромагнитного резонатора и дополнительного регулирующего блока. Ферромагнитный резонатор обеспечивает достаточно высокую точность стабилизации своего выходного напряжения переменного тока. Его входная и резонансная обмотки магнитного стабилизатора разделены большим воздушным зазором. Рабочей зоной резонатора является зона насыщения стали сердечника.

Для повышения точности стабилизации выходного напряжения к выходу ферромагнитного резонатора достаточно часто подключают стабилизатор последовательного типа или импульсный стабилизатор с коммутацией на вторичной стороне.

Магнитные стабилизаторы отличаются высокой надежностью, однако имеют относительно большие массогабаритные показатели и высокую стоимость.

Преимущества:

  • регулирвочные характеристики при использовании со стабилизатором последовательного типа в диапазоне от хороших до наилучших,
  • значительно более высокий КПД по сравнению со стабилизаторами последовательного типа.

Недостатки:

  • зависимость феррорезонатора от частоты питающего напряжения, 
  • относительно большие габариты и масса.
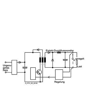
Импульсные стабилизаторы с коммутацией на вторичной стороне:

Принципиальная схема импульсного стабилизатора с коммутацией на вторичной стороне

Гальваническое разделение с питающей сетью обеспечивается применением 50 или 60 Гц трансформатора. После выпрямления и сглаживания напряжение подается на выходную цепь фильтрации и накопления через транзисторный ключ, работающий в импульсном режиме. Входной трансформатор обладает свойствами фильтра, поэтому блок питания практически не оказывает влияния на работу питающей сети. КПД такого стабилизатора очень высок.

Конструкция стабилизатора имеет множество преимуществ и позволяет создавать блоки питания с несколькими уровнями стабилизированных выходных напряжений.

В импульсных стабилизаторах с коммутацией на вторичной стороне необходимо предпринимать меры для защиты нагрузки, поскольку при пробое транзисторного ключа к нагрузке может быть приложено нестабильное напряжение сглаживающего конденсатора. Подобная проблема существует и в стабилизаторах последовательного типа.

Преимущества:

  • простота конструкции и высокий КПД, 
  • возможность применения многообмоточных трансформаторов и построения блоков питания с несколькими гальванически разделенными выходами,
  • малая степень воздействия блока питания на работу питающей сети.

Недостатки:

  • относительно большая масса и габариты из-за использования 50 Гц трансформатора,
  • относительно высокий уровень пульсаций и всплесков выходного напряжения.
Импульсные стабилизаторы с коммутацией на первичной стороне:

Для построения импульсных стабилизаторов с коммутацией на первичной стороне может использоваться большое количество схемотехнических решений. Хорошо известны схемы на основе 1- и 2-тактных, блокирующих, полумостовых и мостовых, а также резонансных преобразователей.

Принцип действия импульсных стабилизаторов с коммутацией на первичной стороне будет рассмотрен на примере схемы с 1-тактным преобразователем. 

Принципиальная схема 1-тактного преобразователя

Входное напряжение сети сначала выпрямляется и сглаживается. Емкость конденсатора в промежуточном контуре определяет допустимое время исчезновения входного напряжения. При входном напряжении ~230 В напряжение на промежуточном контуре составляет =320 В. Это напряжение подается на вход 1-тактного преобразователя, который использует высокочастотную широтно-импульсную модуляцию для передачи электроэнергии через импульсный трансформатор. Коммутирующий транзистор работает в ключевом режиме. Потери мощности на нем незначительны. В зависимости от величины выходного напряжения и тока нагрузки КПД стабилизатора может находиться в пределах от 70 до 90%.

Импульсный трансформатор работает на высокой частоте, поэтому его размеры достаточно малы. Увеличение частоты ведет к уменьшению габаритов импульсного трансформатора, но увеличивает потери на коммутацию, поэтому данный параметр должен выбираться с учетом обеспечения требуемого значения КПД. В подавляющем большинстве импульсных преобразователей в зависимости от их выходной мощности используются тактовые частоты в диапазоне от 20 до 250 кГц.

Напряжение вторичной обмотки импульсного трансформатора выпрямляется, фильтруется и сглаживается. Отклонение Uвых от заданного значения передается через оптрон в первичную цепь. Через широтно-импульсный регулятор (проводящая фаза коммутирующего транзистора в первичном контуре) необходимая энергия передается во вторичную цепь, стабилизируя выходное напряжение. Во время непроводящей фазы коммутирующего транзистора трансформатор через вспомогательную обмотку снова размагничивается. Максимальная скважность импульсов в этих схемах не превышает 50%.

Преимущества:

  • малые массогабаритные показатели высокочастотных магнитных компонентов,
  • высокий КПД,
  • компактная конструкция, 
  • использование естественного охлаждения даже в блоках питания киловаттного диапазона мощностей,
  • большое время буферирования входного напряжения без нарушения питания нагрузки,
  • широкий диапазон допустимых отклонений входного напряжения.

Недостатки:

  • высокая стоимость схемы, большое количество активных компонентов,
  • высокие затраты на защиту от помех,
  • исполнение, учитывающее требования к высокочастотным изделиям.

Благодаря своим небольшим массогабаритным показателям, высокому КПД и хорошему соотношению цена/ производительность импульсные блоки питания с коммутацией в первичной цепи получают все более широкое распространение по сравнению со стабилизаторами других типов.

Резюме

 

 

Виды схем

Критерии сравнения

Тактирование в первичной цепи

Тактирование во вторичной цепи

Линейный регулятор

Магнитный стабилизатор

Диапазон входных напряжений

очень большой

средний

очень маленький

большой

Скорость регулирования

средняя

средняя

очень большая

малая

Время сохранения напряжения после исчезновения напряжения питания

очень большое

большое

очень малое

большое

Остаточные пульсации

средние

средние

Очень малые

средний

Мощность потерь

очень маленькая

маленькая

большая

очень маленькая

Конструктивные размеры

очень маленькие

средние

очень большие

большие

Вес

Очень лёгкий

средний

большой

очень большой

Затраты на защиту от помех

очень большие

средние

незначительные

средние

Критерии  сравнения основных вариантов схем