0

Разделы

Таймеры 7LF6 1, 5TT1 3 - Таймеры

Таймеры 7LF6 1, 5TT1 3 - Таймеры

 

Выключатели с выдержкойвремени для освещения лестничной клетки

Выключатель освещения с выдержкой времени

Энергосберегаю-

щий выключа-

тель с выдержкой времени

Выключатель с выдержкой времени для вентиляторов

 

7LF6 110

7LF6 111

7LF6 113

5TT1 303

7LF6 114

7LF6 115

7LF6 112

Диапазон уставки в минутах

0.5 ... 10

0.5 ... 10

0.5 ... 10

1 ... 10

0.5 ... 10

0.5 ... 60

0.5 ... 10

Возможность ручного включения в режиме постоянного освещения

продолжительный режим работы

С возможностью перезапуска

Предупреждение перед отключением 

мигание

снижение яркости

мигание

снижение яркости

Для управления электронными ПРА 

Четырехкратное увеличение установленного времени при более продолжительном нажатии на кнопочный выключатель 

Отключение посредством двухкратного нажатия на кнопочный выключатель 

4-проводная схема с отключением фазного проводника

3-проводная схема с отключением фазного проводника

3-проводная схема с отключением нулевого рабочего проводника


 

Особенности

Дизайн

Выключатель для управления освещением лестничной клетки должен соотвествовать DIN 18015-2 "Электрические системы в жилых домах; Минимум типов и ограничения оборудования". Наиболее всего известно, что освещенность в 100 lux рекомендована в соответствии с DIN EN 12464-1, "Освещение рабочих мест" для проходных коридоров, секция 5.3. Это означает, что необходимо использовать лампы накаливания  мощностью приблизительно 60 Вт, либо энергосберегающие лампы или люминисцентные лампы мощностью приблизительно 25 Вт.

4-проводная схема с размыканием фазного проводника

В здании прокладываются 4 провода. Отсчет времени запускается коммутацией фазы L. В течение временной задержки в любой момент ее можно продлить, т.е. осуществить повторный запуск.

3-проводная схема с размыканием фазного проводника

В здании прокладываются 3 провода. Отсчет времени запускается коммутацией фазы L. В течение временной задержки ее продлить невозможно, т.к. на протяжении этого времени потенциалы на входе и выходе кнопочного выключателя равны между собой. Лампы тлеющего разряда во время выполнения функции не горят.

3-проводная схема с размыканием нулевого рабочего проводника

В здании прокладываются 3 провода. Отсчет времени запускается нулевым рабочим проводником. В течение временной задержки в любой момент ее можно продлить. Но эта схема уже не отвечает требованиям DIN VDE 0110. Она используется только для старых электропроводок.

Функции

Возможность ручного управления

Все выключатели с выдержкой времени имеют возможность перехода на ручное управление. Это позволяет оператору включить свет вручную в экстренном случае или случае переезда.

Полезный непрерывный контакт

Выключатели никогда не должны заклинивать. По этой причине, все выключатели с выдержкой времени имеют защиту для предотвращения такого рода неисправностей. Но есть также возможность вручную заблокировать контакт выключателя с выдержкой времени во включенном состоянии.

Точность настроек

Электронный  выключатель с выдержкой времени требует повышенного внимания к  точности. Рабочий цикл программы может быть установлен с точностью до +30 секунд при использовании фиксированной шкалы настроек выдержки времени. Заводские настройки гарантируют, что ограничения 1 и 10 или 60 минут могут быть реально установлены.

Устойчивость к токам короткого замыкания

Выключатель с выдержкой времени для освещения лестничных клеткок, прежде всего, используются для включения ламп накаливания, которые иногда могут стать причиной короткого замыкания. Ключевая особенность всех устройств в их высокой сопротивляемости коротким замыканиям без сваривания контактов.

Безопасное своевременное предупреждение об отключении

DIN 18015-2 " Электрические системы в жилых домах; Минимум типов и ограничения оборудования " обуславливает, что автоматический контроль отключения света выключателями для освещения лестничной клетки в мультифункциональных жилых помещениях должны быть оснащены функцией предупреждения для предотвращения внезапного исчезновения освещения в здании.
Эти требования безопасности выполняют две модели устройств. Выключатель с выдержкой времени для освещения лестничной клетки 7LF6 113 предупреждает об отключении миганием индикатора, выключатель с выдержкой времени для освещения лестничной клетки ECG 5TT1 303 предупреждает об отключении приглушением света, оставляя достаточное количество времени для того, чтобы снова нажать на кнопку выключателя.

Выключение люминисцентных ламп

Для того чтобы продлить время службы, на сколько это возможно, люминисцентные лампы необходимо выключать, только только при помощи выключателя с выдержкой времени для лестничных клеток, если, в зависимости от их использования, частота включения не слишком высока.
Электронный пускорегулирующий аппарат (ЭПРА) используется для  более бережного управления и сохранения энергии. Выключатель с выдержкой времени для лестничных клеток с ЭПРА 5TT1 303 выключает электронный пускорегулирующий аппарат и предупреждает об отключении освещения при помощи снижения яркости.

Выключение энергосберегающих ламп

Необходимость выключения энергосберегающих ламп жарко обсуждается. Энергосберегающие лампы требуют определенного времени после включения прежде, чем они заработают в полную силу и яркость. Характеристики электронного блока запуска лампы не совсем подходят для частого включения/ выключения освещения. Они не допускают регулирования яркости. Тяжело найти поставщика энергосберегающих ламп, подходящих для  выключателя с выдержкой времени и функцией предупреждения для лестничных клеток, и подходящих при том, под необходимые специальные требования.

Технические данные

   

7LF6 110

7LF6 111

7LF6 113

5TT1 303

7LF6 114

7LF6 115

7LF6 112

Номинальное оперативное напряжение ­Uc

В AC

230

Рабочий диапазон при 50/60 Гц

× Uc

0.9 ... 1.1

Номинальная мощность потерь Pv

ВA

ca. 5

Диапазон выдержек времени

мин

0.5 ... 10

1 ... 10

0.5 ... 10

3 ... 60

0.5 ... 10

Точность установки интервала

с

±30

Возможность ручного управления

 

да

Минимальное время нажатия кнопки управления

мс

30

Защита от длительного нажатия кнопки (неисправности кнопки)

 

да

Контакты

 

 

  • Раствор контактов

мм

> 3

  • Минимальная нагрузка

В; мА

10; 300

Номинальное рабочее напряжение Ue

В AC

250

Номинальный рабочий ток Is для p.f. = 1

A

16

10

16

Устойчивость к токам короткого замыкания, не менее

A

700

Макс. активная нагрузка

Вт

2000

Макс. индуктивная нагрузка

ВA

200

Контактные зажимы,
± винтовые (Pozidrive)

 

1

Поперечное сечение проводников

 

 

  • одножильного 

мм2

1.6 ... 6

  • многожильного с наконечником.

мм2

1

Степень защиты

 

IP20

Допустимая температура окружающей среды

°C

-10 ... +50

Климатическое исполнение в соотвествии с DIN 50016

 

FW 24


 

 

Чертеж

Дополнительную информацию Вы можете получить, нажав кнопку с этим символом.

Схема подключения

Примеры использования выключателей с выдержкой времени

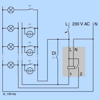
Таймер 7LF6 111 в 4-проводной цепи, L без  функции предупреждения, возможность перезапуска

Используется в стандартной схеме раздельной прокладки кабелей, питающих освещение и цепей, кнопок управления. Дополнительный выключатель DI позволяет включать свет постоянно. Также можно использовать выключатель с выдержкой времени. Кроме этого возможна классическая цепь, работающая независимо от  выключателя с задержкой времени, но на той же электрической цепи. Выключатель с задержкой времени может быть  перезапущен до истечения установленного времени.

t e = runtime

Таймер 7LF6 111 в 3-проводной цепи, N без  функции предупреждения, возможен перезапуск

Может использоваться только с ограниченным количеством проложенных проводников. Таймер может быть перезапущен до окончания установленного времени. В то время как  3-провдная цепь с N-мгновенным контактом технически возможна, она несовместима с текущей редакцией стандарта DIN VDE 0100-460 (похожий на IEC 60364-4-46). Тем не менее, он используется в старых системах в целях замены.

t e = runtime

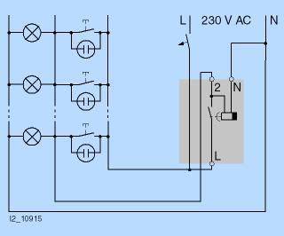
Таймер 7LF6 110 в 3-проводной цепи, L без  функции предупреждения, перезапуск невозможен

Используется в новых зданиях где осуществлена совместная прокладка проводников, питающих освещение и цепей кнопок управления. Таймер может быть перезапущен только после истечения установленного времени.

t e = runtime

Таймер 7LF6 113 с предупредительной индикацией

Таймер 7LF6 111 в  4-проводной цепи или 3-проводной цепи. За 40 секунд до истечения установленного времени, выключатель осуществляет мигание светом, чтобы предупредить об отключении освещения.

t e = runtime

Таймер/выключатель освещения с выдержкой времени 7LF6 114

Выключатель с выдержкой времени подсоединяется, так же как и 7LF6 111 - в 4-проводной цепи или в 3-проводной цепи. После нажатия на выключатель, выключатель освещения с выдержкой времени включается на установленное время, до 5 минут. Если выключатель остается нажатым более одной секунды, выключатель включается на четырехкратный размер установленного времени, то есть до 20 минут. Последнее нажатие на выключатель является определяющим.

t e = runtime

Энергосберегающий таймер 7LF6 115

Выключатель с выдержкой времени подсоединяется, так же как и 7LF6 111 - в 4-проводной цепи или в 3-проводной цепи. Энергосберегающий выключатель включается по первому нажатию и отключается по второму. Если он не выключен, то он автоматически выключится через установленное время, максимальное -  60 минут.

Выключатель с задеркой времени для вентилятора 200 VA, 7LF6 112

Выключатель включает и отключает свет немедленно по нажатию клавиши выключателя, например в уборной. Через минуту включается вентилятор. В тот момент, когда свет отключают, вентилятор продолжает работать столько времени, сколько установлено  в таймере.

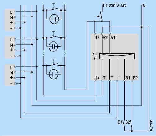
Пример использования для выключателя с выдержкой времени для ЭПРА 5TT1 303 

Устройство оснащено потенциальным выходом для прямого управления ЭПРА 5LZ. ...-4. когда кнопочный выключатель активирован, выключатель с выдержкой времени подает команду ЭПРА на включение освещения, в зависимости от настроек выключателя, на время до 10 минут.


По истечении этого времени, ЭПРА снижает яркость освещения в соответствии сзаранее заданным уровнем, если нажать на кнопку выключателя опять, то вновь появится яркое освещение. Если кнопка выключателя не нажимается в течение 30 секунд, выключатель освещения отключает свет совсем. В дополнение к этим функциям, время задержки и период снижения яркости могут быть так же контролируемы при использовании отдельных выключателей, подключенных к зажимам  B1 и B2.


Использование метода управления отключением света через канал управления ЭПРА  продлевает срок службы люминисцентных ламп насколько это возможно.

Освещение коридоров в домах для престарелых

Во время приема пищи с 5 до 7 вечера, свет в коридорах может быть постоянно включен при использовании выключателя с выдержкой времени (контакт B1). Между 7 и10 вечера, свет затухает благодаря выключателю B2. Простое нажатие кнопочного выключателя еще раз возвращает яркий свет в любое время. После 10 вечера, свет выключается. Он может быть включен заново нажатием на кнопочный выключатель.

Освещение коридоров в больницах

В течение дня – в часы пик, во время обеда, в приемное время, во время смены, докторского обхода – свет находится во включенном состоянии. Во время тихих часов, то есть, после обедов и по ночам, свет переключается в затухающий режим. Пациент может включить свет на полную яркость, в любое время, нажав кнопочный выключатель в коридоре. В экстренных случаях, медсестра может включить свет в  "экстренный режим", то есть, постоянно яркий, используя переключатель B1 (неограниченная по времени).

Дальнейшая информация

Заказные данные

Заказной №ОписаниеВес (кг)ДоставкаМин. зак. (шт)
5TT1303КОНТРОЛЬНЫЙ ВЫКЛЮЧАТЕЛЬ 230В 10А 1-10В EVG DINAMIC0.134 - 6 недель (B)1
7LF6110ПЕРЕКЛЮЧАТЕЛЬ СВЕТА СТУПЕНЧАТЫЙ 3-ПРОВОДНЫЙ 230В 2000ВТ0.0853 - 5 недель (P)1
7LF6111ПЕРЕКЛЮЧАТЕЛЬ СВЕТА СТУПЕНЧАТЫЙ 4-ПРОВОДНЫЙ 230В 2000ВТ0.0853 - 5 недель (A)1
7LF6112ТАЙМЕР ДЛЯ ВЕНТИЛЯТОРА С ЗАДЕРЖКОЙ 1-12 МИНУТ 230В 200ВА0.0854 - 6 недель (B)1
7LF6113ПЕРЕКЛЮЧАТЕЛЬ СВЕТА С КОРОТКИМ ПРЕДУПРЕЖДЕНИЕМ 230В 2000ВТ0.0853 - 5 недель (P)1
7LF6114ПЕРЕКЛЮЧАТЕЛЬ СВЕТА С ЗАДЕРЖКОЙ 5-20 МИНУТ 230В 2000ВТ0.0854 - 6 недель (B)1
7LF6115ПЕРЕКЛЮЧАТЕЛЬ СВЕТА ЭНЕРГОСБЕРЕГАЮЩИЙ С ЗАДЕРЖКОЙ 3-60 МИНУТ 230В 2000ВТ0.0853 - 5 недель (A)1