0

Разделы

Тормозные блоки

 

Тормозной блок необходим, если привод периодически тормозит или должена присутствовать возможность быстрой остановки (например Аварийный Останов категория 1). В состав тормозного модуля входят силовые ключи и соответствующая управляющая электроника. Питание берётся из звена постоянного тока.

При работе, энергия звена постоянного тока переводится в тепло на внешнем тормозном резисторе.

Тормозной блок работает автономно от остальной схемы преобразователя. Может быть использовано несколько блоков параллельно для увеличения мощности, при этом каждый блок должен иметь свой резистор.

 


Дизайн

Тормозные блоки

Тормозной блок устанавливается в слот внутри силового блока и обдувается вентилятором силового блока. Тормозной блок подключается к звену постоянного тока при помощи шин или гибких проводников, поставляемых с блоком.

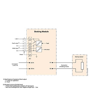
Штатно тормозной блок оснащён следующими интрефейсами:

  • подключение звена постоянного тока 
  • подключение тормозного резистора
  • 1 x цифровой вход(запретить торможение/сбой подтверждения)
  • 1 x цифровой выход (отказ)
  • PE (защитное заземление)

 


Интеграция

Тормозные блоки

Схема подключения тормозного блока

 


Технические данные

Тормозные блоки

Тормозной блок

 

6SL3300‑1AE32‑5BA0

6SL3300‑1AH32‑5AA0

6SL3300‑1AH32‑5BA0

Напряжение питания преобразователя 

 

от 380 В до 480 В

660 В до 690 В

660 В до 690 В

P DB

кВт

50

P 40

кВт

100

P 20 (номинальная мощность)

кВт

200

P 15

кВт

250

Цифровой вход

  • Напряжение

В

-3 to +30

  • Низкий уровень(неподключенный цифровой вход считается низким уровнем)

В

-3 to +5

  • Высокий уровень

В

15 to 30

  • Потребление(типовое при 24 V DC)

мA

10

  • Максимальное сечение проводников

мм2

1.5

Цифровой выход (защита от КЗ)

  • Напряжение

 

24 V DC

  • Максимальный ток нагрузки

мA

500

  • Максимальное сечение проводника

мм2

1.5

Допустимый ток шины

A

378

255

255

Конструкция соответсвует

 

UL and IEC

IEC

IEC

Terminal/R1/R2

 

винт M8

Максимальное сечение проводника R1/R2

мм2

50

Ширина

мм

152

120

152

Высота

мм

140

130

140

Глубина

мм

472

500

472

Вес, примерно.

кг

7.5

7.3

7.5

 

Мощность

 

P DB

Длительная мощность торможения

P 40 = 2 x PDB

импульс 40 с при периоде 90 с

P 20 = 4 x PDB

импульс 20 с при периоде 90 с

P 15 = 5 x PDB

импульс 15 с при периоде 90 с

 

 


Характеристика

Тормозные блоки

Нагрузочная диаграмма для тормозного модуля и тормозного сопротивления

 


Заказные данные

Цена на сайте указана розничная в ЕВРО без учета НДС.Для уточнения цены и размера предоставляемой скидки - звоните или присылайте заявки

Заказной номерPGОписание продуктаЦена
6SL3300-1AE32-5AA0751SINAMICS ТОРМОЗНОЙ МОДУЛЬ ВХОД: 600 В ПОСТ. ТОКА ВЫХОД: 250 КВТ/15С ДЛЯ УСТРОЙСТВ ШАССИ GX 2140.29