0

Разделы

Скачать Характеристика Скачать Заказные данные 
Трех- и пятиходовые вентильные блоки DN 5

3-х и 5-ти ходовые вентильные блоки DN 5 используются для блокировки импульсных линий и для проверки нулевой точки измерительного преобразователя давления.

5-ти ходовой вентильный блок дополнительно обеспечивает продувку импульсных линий.

 


Особенности

Скачать Характеристика Скачать Заказные данные 
Трех- и пятиходовые вентильные блоки DN 5
  • Для агрессивных и не агрессивных жидкостей и газов
  • Макс. рабочее давление 420 бар, при конструкции для кислорода макс. 100 бар

 


Область применения

Скачать Характеристика Скачать Заказные данные 
Трех- и пятиходовые вентильные блоки DN 5

3-х и 5-ти ходовой вентильный блок поставляется в версиях для агрессивных и не агрессивных жидкостей и газов.

С помощью соотв. монтажной панели возможен монтаж на стену, крепеж на монтажное основание или трубный монтаж.

 


Дизайн

Скачать Характеристика Скачать Заказные данные 
Трех- и пятиходовые вентильные блоки DN 5

Подключение к процессу 3-х и 5-ти ходового вентильного блока это трубное резьбовое соединение с накидным кольцом.

Оба вентильный блока имеют 2 фланцевых соединения для подключения измерительного преобразователя давления.

5-ти ходовой вентильный блок дополнительно имеет 2 продувочных соединения.

В зависимости от конструкции вентильный блок имеет 3 или 5 вентилей, с внутренней ходовой резьбой каждый.

Используемые материалы
 

Для не агрессивных жидкостей и газов

Для агрессивных жидкостей и газов

Деталь

Материал

мат. No.

Материал

мат. No.

Корпус

P250GH

1.0460

X 6 CrNiMoTi 17 12 2

1.4571/316Ti

Колпаки

C 35

1.0501

Шпиндели

X 12 CrMoS 17

1.4104

Конус

X 35 CrMo 17 улучшенный

1.4122

Седла вентиля

X 6 CrNiMoTi 17 12 2

1.4571/316Ti

Прокладки

PTFE

-

PTFE

-

 

 


Функции

Скачать Характеристика Скачать Заказные данные 
Трех- и пятиходовые вентильные блоки DN 5
  • Блокировка импульсных линий
  • Контроль нулевой точки измерительного преобразователя давления
  • 5-ти ходовой вентильный блок дополнительно обеспечивает продувку импульсных линий.

 


Дополнительно

Скачать Характеристика Скачать Заказные данные 
Трех- и пятиходовые вентильные блоки DN 5
Набор принадлежностей для 2-х и 5-ти ходового вентильного блока DN 5 для установки во фланец
  • B11: 4 винта M10x55 по DIN EN 24014, 4 шайбы, 2 плоских уплотнительных кольца
  • B15 (подходит для кислорода): 4 винта M10x55 по DIN EN 24014, 4 шайбы, 2 плоских уплотнительных кольца
  • B16: 4 винта M10x55 по DIN EN 24014, 4 шайбы, 2 O-кольца (FPM 90)
  • B31: 4 винта 7/16-20 UNF x 21/8 дюйма по ASME B18.2.1, 2 плоских уплотнительных кольца
  • B34: 4 винта 7/16-20 UNF x 21/8 дюйма по ASME B18.2.1, 2 O- кольца (FPM 90)

Шайбы Ø 10.5 по DIN 125

Плоские уплотнительные кольца из PTFE, макс. доп. 420 бар, 80 °C

O-кольцо по DIN 3771, 20 x 2,65 – S – FPM90; макс. доп. 420 бар, 120 °C

Указание: винты M10 разрешены только до PN 160!

Монтажная панель

Из стального листа, гальваническая оцинковка

  • M11: для монтажа на стену или для крепежа на монтажную опору (шаг растра 72 мм)Объем поставки:
    • 1 монтажная панель 7MF9006-6EA с крепежными винтами для установки на вентильный блок
  • M12: для трубного монтажаОбъем поставки:
    • 1 монтажная плата M11
    • 2 хомута с гайками и шайбами для трубы с макс. э 60,3 мм
Вентильный блок 100 бар, подходит для кислорода

S12: (только в комбинации с конструкциями для агрессивных жидкостей и газов): подходит для кислорода

 


Характеристика

Скачать Характеристика Скачать Заказные данные 
Трех- и пятиходовые вентильные блоки DN 5

Доп. рабочее давление в зависимости от рабочей температуры

 


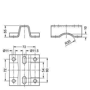
Чертеж

Скачать Характеристика Скачать Заказные данные 
Трех- и пятиходовые вентильные блоки DN 5

3-х ходовой вентильный блок DN 5, размеры в мм

5-ти ходовой вентильный блок DN 5, размеры в мм

Монтажная панель 7MF9006-6.. для вентильного блока, размеры в мм

 


Схема подключения

Скачать Характеристика Скачать Заказные данные 
Трех- и пятиходовые вентильные блоки DN 5

3-х и 5-ти ходовые вентильные блоки, схема

 


Заказные данные

Скачать Характеристика Скачать Заказные данные 

Цена на сайте указана розничная в ЕВРО без учета НДС.Для уточнения цены и размера предоставляемой скидки - звоните или присылайте заявки

Заказной номерPGОписание продуктаЦена
7MF9410-1E.8077MF9410-1E - Трёхвентильный блок DN 5, макс. давление 420 бар, подключение к процессу накидная гайка с обжимным кольцом под трубку Д12мм, для не агрессивных жидкостей и газов, 125.08
7MF9410-1F.8077MF9410-1F - Трёхвентильный блок DN 5, макс. давление 420 бар, подключение к процессу накидная гайка с обжимным кольцом под трубку Д12мм, для агрессивных жидкостей и газов, 230.02
7MF9410-3E.8077MF9410-3E - Пятивентильный блок DN 5, макс. давление 420 бар, подключение к процессу накидная гайка с обжимным кольцом под трубку Д12мм, для не агрессивных жидкостей и газов, 227.90
7MF9410-3F.8077MF9410-3F - Пятивентильный блок DN 5, макс. давление 420 бар, подключение к процессу накидная гайка с обжимным кольцом под трубку Д12мм, для агрессивных жидкостей и газов, 440.96

 


Аксессуары

Скачать Характеристика Скачать Заказные данные 

Цена на сайте указана розничная в ЕВРО без учета НДС.Для уточнения цены и размера предоставляемой скидки - звоните или присылайте заявки

Заказной номерPGОписание продуктаЦена
7MF9000-8AB807Сертификат производителя по EN 10204-2.2 для вентильных блоков. 60.10
7MF9000-8AD807Сертификат приёмки материала согласно EN 10204-3.1 для внтильных блоков. 118.72
7MF9006-6EA807Монтажная панель для вентильных блоков, материал оцинкованная угл. сталь 1.0122, для монтажа на плоскую поверхность, межцентровое расстояние 72 мм. 20.78
7MF9006-6GA807Монтажная панель для вентильных блоков, материал оцинкованная угл. сталь 1.0122, для монтажа на плоскую поверхность, межцентровое расстояние 72 мм, 2 U-образных хомута с шайбами и гайками для монтажа на трубу. 24.06
7MF9010-5CC807Крепёжный набор: 4 болта 7/16-20 UNF длиной 2 1/8 дюйма, 4 шайбы, 2 упл. кольца (материал PTFE). 14.63
7MF9010-6AD807Крепёжный набор: 4 болта М10*55, 4 шайбы, 2 упл. кольца (материал PTFE). 5.72
7MF9010-6AE807Крепёжный набор: 4 болта М10*55, 4 шайбы, 2 упл. кольца (материал PTFE), исполнение для измерения кислорода. 10.18
7MF9010-6CC807Крепёжный набор: 4 болта М10*55, 4 шайбы, 2 упл. кольца (материал FPM 90). 5.72
7MF9410-5CA807Крепёжный набор: 4 болта 7/16-20 UNF длиной 2 1/8 дюйма, 4 шайбы, 2 упл. кольца (материал FPM 90) 14.63