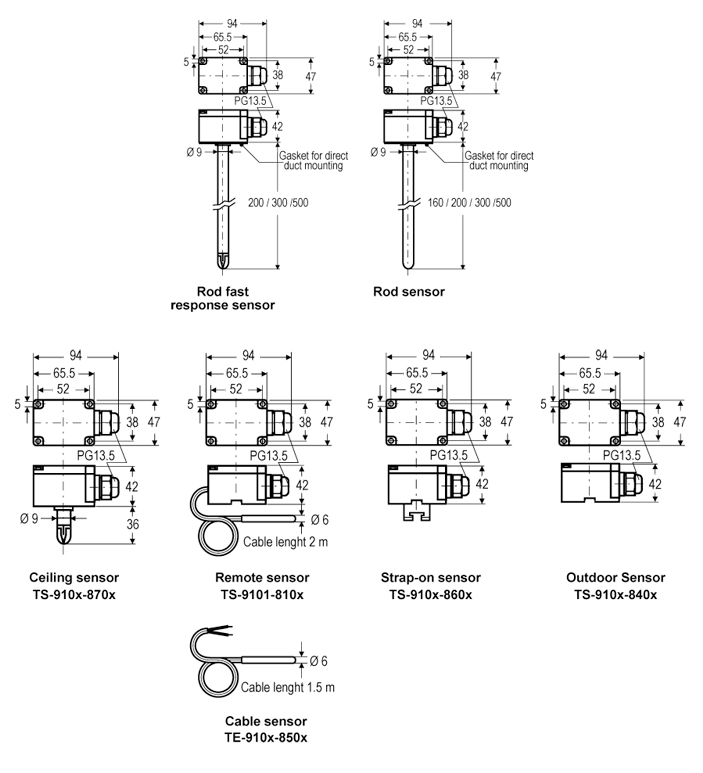
Датчики температуры
Датчики температуры ТS-9100 / TE-9100 выдают пассивный или активный сигнал, соответствующий температуре воздуха или воды в системах вентиляции, кондиционирования воздуха и отопления.
Этот сигнал может быть либо активным 0-10 VDC, пропорциональным контролируемой температуре, либо пассивным NTC, Pt1000 или Pt100.
• Большое семейство моделей и широкий диапазон выходных сигналов
• Гильзы могут устанавливаться до монтажа погружных датчиков
• Трубы и гильзы различной длины для погружных датчиков
• Степень защиты оболочки IP 54
Размеры в мм