0

Разделы

Ультразвуковые бесконтактные переключатели SIMATIC PXS
Ультразвуковые бесконтактные переключатели– от 6 см до 10 м – они улавливают все!

Ультразвуковые бесконтактные переключатели способны абсолютно точно, гибко и надежно обнаруживать объекты из раличных материалов, различных форм и цветов. Области их применения практически безграничны. В системах контроля измерения уровня заливки или высоты, измерения расстояния или подсчета бутылок с расстояния от 3 см до 10 м они надежно обнаруживают объекты с существенно отличающимися характеристиками - жидкости, твердые тела, порошки, прозрачные предметы и т.д. Поверхности этих предметов могут быть шероховатыми или гладкими, грязными и чистыми, влажными и сухими. Ультразвуковые датчики отличаются чрезвычайно высокой стойкостью и нечувствительностью к загрязнениям, вибрации, окружающему свету и шумам.

Серия PXS

Ультразвуковые бесконтактные переключатели организованы в различные семейства продуктов в соответствии с их техническими характеристиками и исполнением:

SIMATIC Sensors

Исполнение

PXS100

Компактное исполнение 0, компактное исполнение 3SG16, излучающий датчик

PXS200

Компактное исполнение M30 K1, компактное исполнение M18S, компактное исполнение K08,

PXS300

Компактное исполнение M30 K2, компактное исполнение M18, компактное исполнение K65

PXS400

Компактное исполнение M30 K3

PXS800

Компактное исполнение M18 ATEX, компактное исполнение M30 K3 ATEX

PXS900

Мониторинг двухслойных объектов

Конфигуратор

Для ультразвуковых бесконтактных переключателей существует конфигуратор в A&D Mall. На основе желаемых технических характеристиках, необходимый продукт можно быстро и легко выбрать, поместить в корзину продуктов и заказать.

https://mall.automation.siemens.com/RU/guest/configurators/ipc/ipcFrameset.asp?urlParams=PROD%5FID%3D3RG6&MLFB=&proxy=mall%2Eautomation%2Esiemens%2Ecom&retURL=%2FDE%2Fguest%2Findex%2Easp%3FnodeID%3D8220020%26lang%3Dde&lang=ru

 

Обзор
 

SIMATIC PXS100

Конструкция

Компактная конструкция K0

Ультразвуковой парный датчик

3SG16 компактный тип

 

Закрепленный датчик

Отдельный датчик

 

 

Рабочий диапазон (cм)

6 ... 30

20 ... 100

6 ... 30

20 ... 100

50 ... 150

20 ... 100

Рабочий режим

 

  • Рассеивающий датчик

 

  • Отражающий датчик

 

 

 

 

 

  • Парный датчик

 

 

 

 

 

Выход

 

  • 1 переключающий выход

 

  • 2 переключающих выхода 

 

 

 

 

 

  • Аналоговый выход 0 ... 20 мА

 

 

 

 

 

 

  • Аналоговый выход 4 ... 20 мА

 

 

 

 

 

 

  • Аналоговый выход 0 ... 10 В

 

 

  • Частотный выход 

 

 

 

 

 

 

Прямая связь с ПЛК

 

 

 

 

 

 

Температурная компенсация

 

 

Настройка

 

 

 

 

  • 1 потенциометр

 

 

  • 2 потенциометра

 

 

 

 

 

 

  • Обучение 

 

 

 

 

 

 

  • Съемная перемычка

 

 

 

 

 

  • Программирующее устройство SONPROG

 

 

 

 

 

 

Подключение

 

  • Разъем M8

 

 

 

 

 

  • Разъем M12

 

  • Кабель 

 

 

 

 

 

  • Клемник 

 

 

 

 

 

Класс защиты

 

  • IP65

 

  • IP67

 

 

 

 

 

 

 

SIMATIC PXS200

Конструкция

Компактная конструкция M30 K1

 

Закрепленная головка датчика

Шарнирное соединение головки датчика

Отдельный датчик

Рабочий диапазон (cм)

6 ... 30

20 ... 130

40 ... 300

60 ... 600

6 ... 30

20 ... 130

40 ... 300

60 ... 600

6 ... 30

20 ... 130

Рабочий режим

 

 

 

 

 

 

 

 

 

 

  • Рассеивающий датчик

  • Отражающий датчик

  • Парный датчик

 

 

 

 

 

 

 

 

 

 

Выход

 

 

 

 

 

 

 

 

 

 

  • 1 переключающий выход

  • 2 переключающих выхода

 

 

 

 

 

 

 

 

 

 

  • Аналоговый выход 0 ... 20 мА

 

 

 

 

 

 

 

 

 

 

  • Аналоговый выход 4 ... 20 мA

 

 

 

 

 

 

 

 

 

 

  • Аналоговый выход 0 ... 10 В

 

 

 

 

 

 

 

 

 

 

  • Частотный выход 

 

 

 

 

 

 

 

 

 

 

Прямая связь с ПЛК

 

 

 

 

 

 

 

 

 

 

Температурная компенсация

 

 

 

 

 

 

 

 

 

 

Настройка

 

 

 

 

 

 

 

  • 1 потенциометр

 

 

 

 

 

 

 

 

 

 

  • 2 потенциометра

  • Обучение 

 

 

 

 

 

 

 

 

 

 

  • Съемная перемычка

 

 

 

 

 

 

 

 

 

 

  • Программирующее устройство SONPROG

 

 

 

 

 

 

 

 

 

 

Подключение

 

 

 

 

 

 

 

 

 

 

  • Разъем M8

 

 

 

 

 

 

 

 

 

 

  • Разъем M12

  • Кабель 

 

 

 

 

 

 

 

 

 

 

  • Клемник 

 

 

 

 

 

 

 

 

 

 

Класс защиты

 

 

 

 

 

 

 

 

 

 

  • IP65

  • IP67

 

 

 

 

 

 

 

 

 

 

 

 

SIMATIC PXS200

Конструкция

Компактная конструкция K08

Компактная конструкция M18S

 

 

Прямая головка датчика

Угловая головка датчика

Рабочий диапазон (cм)

5 ... 40

0 ... 80

0 ... 40

3 ... 20

5 ... 40

10 ... 70

3 ... 20

5 ... 40

10 ... 70

Рабочий режим

 

  • Рассеивающий датчик

 

 

  • Отражающий датчик

 

 

  • Парный датчик

 

 

 

 

 

 

 

 

Выход

 

  • 1 переключающий выход

 

 

 

  • 2 переключающих выхода

 

 

 

 

 

 

  • Аналоговый выход 0 ... 20 мA

 

 

 

 

 

 

 

 

 

  • Аналоговый выход 4 ... 20 мA

 

 

 

 

 

 

 

 

 

  • Аналоговый выход  0 ... 10 В

 

 

 

 

 

 

 

 

 

  • Частотный выход 

 

 

 

Прямая связь с ПЛК

 

 

 

 

 

 

 

 

 

Температурная компенсация

 

 

 

 

 

 

 

 

 

Настройка

 

 

 

  • 1 потенциометр

 

 

 

 

 

 

 

 

 

  • 2 потенциометра

 

 

 

 

 

 

 

 

 

  • Обучение 

  • Съемная перемычка

 

 

 

 

 

 

 

 

 

  • Программирующее устройство SONPROG

 

 

 

 

 

 

 

 

 

Подключение

 

 

 

 

 

 

 

 

 

  • Разъем M8

 

 

 

 

 

 

 

 

 

  • Разъем M12

  • Кабель 

 

 

 

 

 

 

 

 

 

  • Клемник 

 

 

 

 

 

 

 

 

 

Класс защиты

 

 

 

 

 

 

 

 

 

  • IP65

 

 

 

 

 

 

 

 

 

  • IP67

 

 

SIMATIC PXS300

Конструкция

Компактная конструкция M30 K2

Компактная конструкция M18

Компактная конструкция K65

 

Закрепленная головка датчика

Шарнирное соединение головки датчика

Отдельный датчик

 

 

Рабочий диапазон (cм)

6 ... 30

20 ... 130

40 ... 300

60 ... 600

6 ... 30

20 ... 130

40 ... 300

60 ... 600

6 ... 30

20 ... 130

5 ... 30

15 ... 100

6 ... 50

20 ... 150

25 ... 250

Рабочий режим

 

  • Рассеивающий датчик

  • Отражающий датчик

 

 

 

  • Парный датчик

 

 

 

Выход

 

  • 1переключающий выход

  • 2 переключающих выхода

 

 

 

 

 

 

 

 

 

 

 

  • Аналоговый выход 0 ... 20 мA

 

 

 

 

 

 

 

 

 

 

  • Аналоговый выход 4 ... 20 мA

 

 

 

 

 

 

 

 

 

 

  • Аналоговый выход 0 ... 10 В

 

 

 

 

 

 

 

 

 

 

  • Частотный выход 

 

 

 

 

 

 

Прямая связь с ПЛК

 

 

 

 

 

 

 

 

 

 

S7-300, ET 200M, ET 200S (через IQ-Sense)

 

 

 

Температурная компенсация

Настройка

 

  • 1 потенциометр

 

 

 

 

 

 

 

 

 

 

 

 

 

  • 2 потенциометра

 

 

 

 

 

  • Обучение 

 

 

 

 

 

 

 

 

 

 

  • Съемная перемычка 

 

 

 

 

 

 

 

 

 

 

 

 

 

 

 

  • Программирующее устройство SONPROG

Подключение

 

  • Разъем M8

 

 

 

 

 

 

 

 

 

 

 

 

 

 

 

  • Разъем M12

  • Кабель 

 

 

 

 

 

 

 

 

 

 

 

 

 

 

 

  • Клемник 

 

 

 

 

 

 

 

 

 

 

 

 

 

 

 

Класс защиты

 

  • IP65

 

 

  • IP67

 

 

 

 

 

 

 

 

 

 

 

 

 

 

 

SIMATIC PXS400

Конструкция

Компактная конструкция M30 K3

 

Закрепленная головка датчика

Шарнирное соединение головки датчика

Отдельный датчик

Рабочий диапазон (cм)

6 ... 30

20 ... 130

40 ... 300

60 ... 600

6 ... 30

20 ... 130

40 ... 300

60 ... 600

6 ... 30

20 ... 130

Рабочий режим

 

  • Рассеивающий датчик

  • Отражающий датчик

  • Парный датчик

Выход

 

  • 1 переключающий выход

  • 2 переключающих выхода 

 

 

 

 

 

 

 

 

 

 

  • Аналоговый выход 0 ... 20 мA

  • Аналоговый выход 4 ... 20 мA

  • Аналоговый выход 0 ... 10 В

  • Частотный выход 

 

 

 

 

 

 

 

 

 

 

Прямая связь с ПЛК

 

 

 

 

 

 

 

 

 

 

Температурная компенсация

Настройка

 

  • 1 потенциометр

 

 

 

 

 

 

 

 

 

 

  • 2 потенциометра

  • Обучение 

 

 

 

 

 

 

 

 

 

 

  • Съемная перемычка 

 

 

 

 

 

 

 

 

 

 

  • Программирующее устройство SONPROG

Подключение

 

  • Разъем M8

 

 

 

 

 

 

 

 

 

 

  • Разъем M12

  • Кабель 

 

 

 

 

 

 

 

 

 

 

  • Клемник 

 

 

 

 

 

 

 

 

 

 

Класс защиты

 

  • IP65

  • IP67

 

 

 

 

 

 

 

 

 

 

 

 

SIMATIC PXS800

SIMATIC PXS 900

Конструкция

Компактная конструкция M18 ATEX

Компактная конструкция M30 K3 ATEX

контроль двойного слоя листа

Рабочий диапазон (cм)

5 ... 30

15 ... 100

6 ... 30

20 ... 130

40 ... 300

60 ... 600

2 ... 6

Рабочий режим

 

 

 

 

  • Рассеивающий датчик

 

  • Отражающий датчик

 

  • Парный датчик

Выход

 

  • 1 переключающий выход

 

  • 2 переключающих выхода 

 

 

 

 

 

 

  • Аналоговый выход 0 ... 20 мA

 

  • Аналоговый выход 4 ... 20 мA

 

  • Аналоговый выход 0 ... 10 В

 

  • Частотный выход 

 

 

 

 

 

  • Температурная компенсация 

 

Настройка

 

  • 1 потенциометр

 

 

 

 

 

  • 2 потенциометра

 

 

 

  • Обучение 

 

 

 

 

  • Съемная перемычка 

 

 

 

 

 

 

 

  • Программирующее устройство SONPROG

 

Подключение

 

  • Разъем M8

 

 

 

 

 

 

 

  • Разъем M12

  • Кабель 

 

 

 

 

 

 

 

  • Клемник 

 

 

 

 

 

 

 

Класс защиты

 

  • IP65

 

 

  • IP67

 

 

 

 

 

Версия опасной зоны

 

 

 

  • Зона 2/22

 

 

 


Особенности

Ультразвуковые бесконтактные переключатели SIMATIC PXS
  • Измерения с точностью до миллиметра
  • Не влияет цвет, материал, даже прозрачность объектов
  • Настройка индивидуальных параметров
  • Небольшие, в компактном исполнении (M18S)
  • Высокая точность повторения
  • Могут быть использованы по всему миру: одобрено UL/CSA
  • Устойчивость к температуре, к шумам, к воде или к свету
  • Поддержка технологии IQ-Sense
  • Ультразвуковой принцип действия

 


Область применения

Ультразвуковые бесконтактные переключатели SIMATIC PXS
Назначение

Ультразвуковые датчики Simatic PXS могут использоваться в качестве бесконтактных датчиков приближения во многих областях техники автоматизации. Приборы могут применяться везде, где необходимо проводить определение расстояний в воздушной среде, так как они в состоянии не только обнаруживать объекты, но определять и измерять абсолютную величину расстояния между ними и датчиком. При обработке результатов измерения осуществляется компенсация изменений условий среды (например, колебаний температуры).

Объекты

Регистрируемые объекты могут быть твёрдыми, жидкими, зернистыми или порошкообразными. Материал может быть прозрачным, или окрашенным, с полированной или матовой поверхностью.

Уверенно обнаруживаются все плоские или гладкие поверхности, в том числе и находящиеся на максимальном расстоянии срабатывания датчика с угловым отклонением от оси диаграммы направленности примерно до 3°.

В зависимости от глубины шероховатостей объекта угловое отклонение может быть и ещё большим.

Объекты в принципе могут входить в лепесток диаграммы направленности с любого направления.

Взрывозащита

Ультразвуковые датчики Simatic PXS типорядов от 0 до III,  M18 и K65, а также датчики УЗ-барьеров, компактной конструкции и модульного типоряда II годны для применения в зонах взрывоопасности 2 и 11.

Безопасность

В соответствии со своими физическими, ультразвуковые бесконтактные датчики Simatic PXS не могут применяться в технике безопасности (например, для защиты людей).

Примеры применений

 

 

Измерение размеров

 

Измерение высоты пакета

 

Измерение диаметра и скорости

 

Счет

 

Мониторинг петли

 

Контроль качества

 

Контроль расстояния

 

Измерение уровня

 


Дизайн

Ультразвуковые бесконтактные переключатели SIMATIC PXS
Монтаж

Ультразвуковые датчики способны функционировать в любом монтажном положении. При этом необходимо избегать положений, в которых на показания датчиков могут оказывать влияние посторонние предметы.

Наилучшие результаты достигаются при расположения датчика вблизи от вертикальной оси к контролируемой поверхности. Если это невозможно (например при контроле сыпучих материалов), то наилучшее расположение датчика должно определяться экспериментально.

Для исключения нежелательных отражений в конусе формируемых датчиком излучкений не должно быть посторонних предметов.

Между осью излучения и параллельными этой оси стенами должно выдерживаться расстояние b, исключающее возможность появления отражений. Расстояние c должно выдерживаться для исключения возможности попадания контролируемых предметов в слепую зону

(см. конус излучения).

Монтаж нескольких датчиков

Исключение взамного влияния ультразвуковых датчиков друг на друга обеспечивается установкой достаточных расстояний между чувствительными элементами или соответствующей ориентацией осей их излучения.

Если два одинаковых ультразвуковых датчика располагаются напротив друг друга, то расстояние между ними должно быть не менее значения d. Если два одинаковых ультразвуковых датчика формируют параллельные излучения, то расстояние между ними должно быть не менее значения e.

Для исключения взаимного влияния работа датчиков компактных диапазонов 0, M30 K2, M30 K3 и M18 может быть синхронизирована или осуществляться в мультиплексном режиме

(см. функции).

Загрязнение

Чувствительность ультразвукового датчика снижается, если его поверхность окрашена или повреждена, покрывается конденсатом или грязью.

 

Расстояния и зазоры

Зазор вокруг оси излучения: должен быть свободным от посторонних предметов

Дачтчики с диапазономобнаружения

a

см

см

6 (5) ... 30

20 ... 130 (100)

40 ... 300

60 ... 600

80 ... 1000

> 6

> 30

> 60

> 90

> 150

 

Расстояние b между датчиком и плоской поверхностью

Датчики с диапазономобнаружения

b

см

см

6 (5) ... 30

20 ... 130 (100)

40 ... 300

60 ... 600

80 ... 1000

> 3

> 15

> 30

> 40

> 70

 

Расстояние d между двумя датчиками, расположенными напротив друг друга и имеющими одинаковые диапазоны измерений

Датчики с диапазономобнаружения

d

см

см

6 (5) ... 30

20 ... 130 (100)

40 ... 300

60 ... 600

80 ... 1000

> 120

> 400

> 1200

> 2500

> 4000

 

Расстояние e между двумя датчиками с параллельными осями излучений и одинаковыми диапазонами измерений, при перпендикулярном размещении объектов к оси излучения

Датчики с диапазонамиобнаружения

e

см

см

6 (5) ... 30

20 ... 130 (100)

40 ... 300

60 ... 600

80 ... 1000

> 15

> 60

> 150

> 250

> 350

 

Расстояние e между двумя датчиками с параллельными осями излучений и одинаковыми диапазонами измерений, неблагоприятная ориентация объектов в пространстве

Расстояние e должно определяться экспериментальным путем в зависимости от угла между поверхностью и осью излучения датчика.

 


Функции

Ультразвуковые бесконтактные переключатели SIMATIC PXS

Ультразвуковые датчики Simatic PXS работают только в воздушной среде и могут фиксировать все объекты, отражающие ультразвук.

Приборы циклически излучают ультразвуковые импульсы. При отражении импульсов от объекта возникающий эхо-сигнал принимается и преобразуется в электрический сигнал. Прием поступающего эхо-сигнала зависит от его интенсивности, которая, в свою очередь, определяется расстоянием от объекта до датчика.

Датчики Simatic PXS работают по принципу измерения времени прохождения отраженного сигнала, т. е. измеряется временной интервал между излученным и отраженным импульсами.

Разрешающая способность

Разрешающая способность - это то необходимое незначительное изменение расстояния до объекта, которое вызывает изменение на выходе датчика. Внутренняя разрешающая способность равна 256 или, соответственно, 4096 дискретам. Если при программировании задаются значения, выходящие за пределы этой разрешающей способности, программа автоматически вносит в них поправки. В окне последовательно показываются адаптированные значения с соответствующим указанием.

Пример:

Simatic PXS 3RG6014- (от 60 до 600 см)

При дальности действия от 60 до 600 см разрешающая способность получается равной 1,3 мм:

6000 мм - 600 мм = 5400 мм 5400 мм/4096 = 1,3 мм (12 бит)

При ограничении диапазона измерений размер дискреты уменьшается, поскольку уменьшается расстояние, которое разбивается на 4096 шагов. Однако электроника ограничивает шаг минимальной величиной 1 мм. Ограничение дальности действия дает большее разрешение.

Температурная компенсация

Для компенсации изменений расстояния срабатывания из-за колебаний температуры датчики Simatic PXS типоряда компактных моделей II, III и М 18, а также модульного типоряда II снабжены датчиками температуры и схемой компенсации.

Компенсация действует во всем диапазоне температур. За счет этого достигается абсолютная точность +/- 1,5 % (типоряд II и III) и, соответственно, +/- 2,5 % (типоряд М 18).

Датчики BERO с коммутирующим выходом

Датчики Simatic PXS с коммутирующим выходом, в зависимости от типа, могут использоваться в следующих режимах:

Только излучатель, только приемник

Для этого режима используются два датчика Simatic PXS. Один параметрируется как приемник, другой как излучатель. Имеются две возможности применения:

  • УЗ-барьер однонаправленного действия:Определяется только наличие объекта между датчиками. Дальность действия удваивается. В этом случае настройка коммутационной зоны и обработка сигнала аналогового выхода являются излишними.
  • Активная измерительная система:Измеряется время прохождения ультразвука от излучателя до приемника. Для этого деблокирующие входы обоих датчиков должны быть связаны друг с другом. Все возможности применения сохраняются; дальность действия удваивается.

Излучатель и приемник

Это нормальный режим работы датчика Simatic PXS; он работает как классический сенсорный выключатель.

  • Датчик отражающего действия: При датчике отражающего действия объект, который должен быть обнаружен, действует как отражатель. Когда объект находится в установленной коммутационной зоне, эхо от этого предмета вызывает срабатывание.
  • Барьер отражающего действия:При работе в качестве барьера отражающего действия против устанавливается фиксированный отражатель (например, маленькая металлическая пластинка). Коммутационная зона настраивается под этот отражатель. При пересечении объектом промежутка между Simatic PXS и отражателем датчик перестает «видеть» отражатель, что вызывает изменение сигнала на коммутирующем выходе.
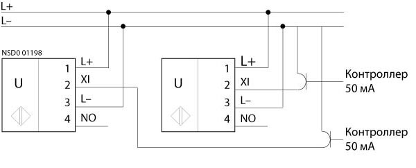
Синхронизация

Несколько датчиков компактных типорядов II, III и   М18 могут быть синхронизированы друг с другом путем соединения только их выходов синхронизации (контакт 2 при функции замыкающего контакта, контакт 4 при функции размыкающего контакта). Можно синхронизировать до 10 приборов (до 6 приборов компактной модели 0). Благодаря этому во многих случаях становится возможной установка датчиков очень близко друг к другу без их взаимного влияния.

Преимущества:

  • Не требуется дополнительной электропроводки, необходимо только соединение деблокирующих выходов отдельных Simatic PXS.
  • Быстрота реакции, поскольку каждый Simatic PXS постоянно активен.

Недостатки

  • Объект нельзя присвоить определенному Simatic PXS.

Пример

Два датчика Simatic PXS смонтированы на расстоянии е, которое меньше минимального (см. инструкции по монтажу). Объект находится в их общей коммутационной зоне. Эхо от B2 может путем отражения попасть на B1 (GB). Поэтому может иметь место взаимное влияние. Объект захватывается обоими эхо E1 и E2 от датчиков Simatic PXS B1 и B2. Благодаря синхронизации можно добиться, чтобы оба прибора перестали влиять друг на друга, так, например, эхо E1 приходит на BERO B2 только после E2. Приборы всегда реагируют только на первое эхо.

Мультиплексная функция

Внешний мультиплексный режим

Четвертый контакт может использоваться в качестве внешнего деблокирующего входа. При этом датчики Simatic PXS могут активизироваться или деактивизироваться внешней системой управления без включения и отключения рабочего напряжения. Внешний мультиплексный режим может быть включен, если датчики Simatic PXS поочередно включаются и отключаются по деблокирующему входу. В этом случае отсутствие влияния датчиков Simatic PXS друг на друга всегда гарантировано. В отличие от внутреннего мультиплексного режима, здесь в мультиплексном режиме могут эксплуатироваться более 10 Simatic PXS.

Контакт деблокирующего входа:

  • Simatic PXS активен, деблокирующий вход XI на L+ или открыт.
  • Simatic PXS не активен, деблокирующий вход XI на DC от 0 до 3 В

Преимущества:

  • Надежная защита от взаимного влияния.
  • Объект можно присвоить определенному Simatic PXS.

Недостатки

  • Дополнительное усложнение схемы (например, появление программируемого контроллера).
  • Большее время реакции, чем в схеме с синхронизацией, поскольку каждый Simatic PXS активен лишь короткое время и затем должен ожидать, пока все другие Simatic PXS в системе выдадут излучение.

Пример: обнаружение узких объектов

Необходимо обнаруживать узкие объекты и определять, сколько их - два, один или ни одного.

В этом примере эхо GB может имитировать на датчике B1 наличие реального объекта. Здесь синхронизация помочь не может, так как эховый импульс Е2 приходит на B1 только после GB, a датчик всегда регистрирует только первое эхо. В этом примере необходимо, чтобы программируемый контроллер циклически включал и отключал оба датчика.

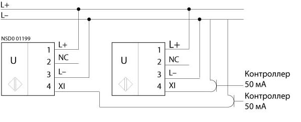
Внутренний мультиплексный режим

Датчики Simatic PXS компактных типорядов III, III и М 18 могут объединяться в группу. При этом последовательно и параллельно (см. "Синхронизация") можно включать до 10 приборов (до 6 приборов компактного типоряда 0). Для этого не нужно никакой дополнительной электроники. Следует только соединить вместе деблокирующие входы всех датчиков в группе. При программировании каждому прибору задается количество датчиков в группе, а также его позиция (адрес) в группе. После соединения и подключения напряжения питания датчики автоматически работают в мультиплексном режиме.

Программатор SONPROG

 

Программатор SONPROG 3RX4 000 используется для адаптации на месте рабочих параметров датчиков Simatic PXS компактных типорядов II, III и М 18 к местным условиям. Эта программа предоставляет интерфейс, с помощью которого можно:

  • проверять параметры датчика Simatic PXS
  • изменять параметры датчика Simatic PXS
  • адаптировать датчик Simatic PXS к конкретному применению.

Благодаря этому становится возможным специально оптимизировать датчик Simatic PXS под определенное применение. Найденные настройки могут быть введены в память или распечатаны, что облегчает обслуживание и документирование системы. После замены датчика Simatic PXS новый датчик легко и быстро программируется по данным, сохраненным в памяти. Тем самым отпадает необходимость повторных настроек.

К важнейшим настраиваемым параметрам относятся:

  • начало и конец коммутационной зоны
  • гистерезис
  • функция коммутационного элемента (замыкающий или размыкающий)
  • частота коммутации
  • начало и конец аналоговой характеристики (только компактные типоряды III и М 18)
  • аналоговая характеристика нарастающая или падающая
  • конец слепой зоны
  • конец дальности действия
  • формирование среднего значения
  • затухание

Кроме того, может быть задана функция датчика:

  • мультиплексная функция
  • температурная компенсация
  • функция кнопки или УЗ-барьера.

Благодаря специальным режимам работы датчики Simatic PXS лучше адаптируются к применениям, связанным с контролем уровней.

Подстройка с потенциометрами

Для выбора требуемых пределов диапазона срабатывания (мин. или макс.) используются потенциометры.

 


Характеристика

Ультразвуковые бесконтактные переключатели SIMATIC PXS
Звуковые конусы
Следующие диаграммы - результат измерений звуковой зоны датчиков Sonar BERO при комнатной температуре (20 °C). 

Диаграммы применяются для индивидуальных типов датчиков с различными расстояниями срабатывания

  • Измерение 1 с объектом с ровной поверхностью, с идеальным отражением ⇔ сохранять свободное пространство от объектов, которые не должны быть обнаружены.
  • Измерение 2 с объектом с частично ровной поверхностью ⇔ обнаружение круглых предметов и пластин с круглыми краями.
  • Измерение 3 с объектом с плоской поверхностью, движущимся перпендикулярно звуковому конусу ⇔ обнаружение плоских поверхностей и краев.

Определенные типы:

  • Измерение 1, 3: прямоугольного типа
    • 2 см × 2 см, для датчиков с дальностью действия 130 см
    • 10 см × 10 см, для датчиков с увеличенной дальностью действия
  • Измерение 2: цилиндрического типа,  диаметр 8 см

Представлены звуковые зоны для следующих типов датчиков::

  • Компактный типоряд 0
  • Ультразвуковой барьер
  • Компактный типоряд M18
  • Компактный типоряд I, II, III (M30).

 

Компактная серия 0, дальность действия 6 ... 30 см

Измерение 1 (идеальное отражение), затухание 0

 

Измерение 2 (цилиндрический объект), затухание 0

 

Измерение 3 (плоский объект), затухание 0

 

Компактная серия 0, дальность действия 20 ... 100 cм

Измерение 1 (идеальное отражение), затухание 0

 

Измерение 2 (цилиндрический объект), затухание 0

 

Измерение 3 (плоский объект), затухание 0

 

Компактная серия K65, дальность действия 25 ... 250 м

Измерение 1 (идеальное отражение), затухание 0

 

Измерение 2 (цилиндрический объект), затухание 0

 

Измерение 3 (плоский объект), затухание 0

 

Ультразвуковой сквозной датчик, дальность действия 5 ... 40 cм, 5 ... 80 cм, 5 ... 150 cм

угол приема 0

 

Изменяемый угол приема, идеально сглажен

 

Компактная серия M18, дальность действия 5 ... 30 cм

Измерение 1 (идеальное отражение), затухание 0

 

Измерение 2 (цилиндрический объект), затухание 0

 

Измерение 3 (плоский объект), затухание 0

 

Измерение 1 (идеальное отражение), затухание 2

 

Измерение 2 (цилиндрический объект), затухание 2

 

Измерение 3 (плоский объект), затухание 2

 

Измерение 1 (идеальное отражение), затухание 4

 

Измерение 2 (цилиндрический объект), затухание 4

 

Измерение 3 (плоский объект), затухание 4

 

Измерение 1 (идеальное отражение), затухание 6

 

Измерение 2 (цилиндрический объект), затухание 6

Недостаточная чувствительность 

Измерение 3 (плоский объект), затухание 6

 

Компактная серия M18, дальность действия 15 ... 100 cм

Измерение 1 (идеальное отражение), затухание 0

 

Измерение 2 (цилиндрический объект), затухание 0

 

Измерение 3 (плоский объект), затухание 0

 

Измерение 1 (идеальное отражение), затухание 2

 

Измерение 2 (цилиндрический объект), затухание 2

 

Измерение 3 (плоский объект), затухание 2

 

Измерение 1 (идеальное отражение), затухание 4

 

Измерение 2 (цилиндрический объект), затухание 4

 

Измерение 3 (плоский объект), затухание 4

 

Измерение 1 (идеальное отражение), затухание 6

 

Измерение 2 (цилиндрический объект), затухание 6

 

Измерение 3 (плоский объект), затухание 6

 

Компактная серия M18S, дальность действия 3 ... 20 cм

Измерение 1 (идеальное отражение), затухание 0

 

Измерение 2 (плоский объект), затухание 0

 

Компактная серия M18S, дальность действия 5 ... 40 cм

Измерение 1 (идеальное отражение), затухание 0

 

Измерение 2 (плоский объект), затухание 0

 

Компактная серия M18S, дальность действия 10 ... 70 cм

Измерение 1 (идеальное отражение), затухание 0

 

Измерение 2 (плоский объект), затухание 0

 

Компактная серия от M30 K1 дo M30 K3, дальность действия 6 ... 30 cм

Замечание: только звуковые конусы с нулевым затуханием используют компактную серию M30 K1.

Измерение 1 (идеальное отражение), затухание 0

 

Измерение 2 (цилиндрический объект), затухание 0

 

Измерение 3 (плоский объект), затухание 0

 

Измерение 1 (идеальное отражение), затухание 2

 

Измерение 2 (цилиндрический объект), затухание 2

 

Измерение 3 (плоский объект), затухание 2

 

Измерение 1 (идеальное отражение), затухание 4

 

Измерение 2 (цилиндрический объект), затухание 4

 

Измерение 3 (плоский объект), затухание 4

 

Измерение 1 (идеальное отражение), затухание 6

 

Измерение 2 (цилиндрический объект), затухание 6

Недостаточная чувствительность 

 

Измерение 3 (плоский объект), затухание 6

 

Компактная серия от M30 K1 дo M30 K3, дальность действия 20 ... 130 cм

Замечание: только звуковые конусы с нулевым затуханием используют компактную серию M30 K1.

Измерение 1 (идеальное отражение), затухание 0

 

Измерение 2 (цилиндрический объект), затухание 0

 

Измерение 3 (плоский объект), затухание 0

 

Измерение 1 (идеальное отражение), затухание 2

 

Измерение 2 (цилиндрический объект), затухание 2

 

Измерение 3 (плоский объект), затухание 2

 

Измерение 1 (идеальное отражение), затухание 4

 

Измерение 2 (цилиндрический объект), затухание 4

 

Измерение 3 (плоский объект), затухание 4

 

Измерение 1 (идеальное отражение), затухание 6

 

Измерение 2 (цилиндрический объект), затухание 6

Недостаточная чувствительность 

 

Измерение 3 (плоский объект), затухание 6

 

Компактная серия от M30 K1 дo M30 K3, дальность действия 40 ... 300 cм

Замечание: только звуковые конусы с нулевым затуханием используют компактную серию M30 K1.

Измерение 1 (идеальное отражение), затухание 0

 

Измерение 2 (цилиндрический объект), затухание 0

 

Измерение 3 (плоский объект), затухание 0

 

Измерение 1 (идеальное отражение), затухание 2

 

Измерение 2 (цилиндрический объект), затухание 2

 

Измерение 3 (плоский объект), затухание 2

 

Измерение 1 (идеальное отражение), затухание 4

 

Измерение 2 (цилиндрический объект), затухание 4

 

Измерение 3 (плоский объект), затухание 4

 

Измерение 1 (идеальное отражение), затухание 6

 

Измерение 2 (цилиндрический объект), затухание 6

 

Измерение 3 (плоский объект), затухание 6

 

Компактная серия от M30 K1 дo M30 K3, дальность действия 60 ... 600 cм

Замечание: только звуковые конусы с нулевым затуханием используют компактную серию M30 K1.

Измерение 1 (идеальное отражение), затухание 0

 

Измерение 2 (цилиндрический объект), затухание 0

 

Измерение 3 (плоский объект), затухание 0

 

Измерение 1 (идеальное отражение), затухание 2

 

Измерение 2 (цилиндрический объект), затухание 2

 

Измерение 3 (плоский объект), затухание 2

 

Измерение 1 (идеальное отражение), затухание 4

 

Измерение 2 (цилиндрический объект), затухание 4

 

Измерение 3 (плоский объект), затухание 4

 

Измерение 1 (идеальное отражение), затухание 6

 

Измерение 2 (цилиндрический объект), затухание 6

 

Измерение 3 (плоский объект), затухание 6

 

 

 


Схема подключения

Ультразвуковые бесконтактные переключатели SIMATIC PXS
Синхронизация

Функция NO

Внешний мультиплексерный режим

Функция NO

Внутренний мультиплексерный режим (аналоговый выход)

Функция NO

Функция NС

Функция NС

Функция NС

 


Дальнейшая информация

Ультразвуковые бесконтактные переключатели SIMATIC PXS
Активная поверхность

Активная поверхность ултрозвуковых датчиков - это поверхность, с которой испускается и принимается ультрозвук (IEC).

Базовые оси

Базовуе оси - это оси, перпендикулярные активной поверхности и проходящие через ее центр (IEC).

Дальность действия

Под дальностью действия датчика Sonar-BERO понимают диапазон, в котором датчик может обнаруживать объекты.

Для датчиков Sonar-BERO, диапазон дальности действия составляет от 5 см до 10 м , в зависимости от типа датчика.

Конструкция датчика такова, что ультразвук излучается коническим пучком. Отражающие объекты фиксируются только в пределах этого ультразвукового конуса. В слепой зоне, лежащей между поверхностью датчика и зоной дальности действия, по физическим причинам эхо-сигналы приниматься и обрабатываться не могут.

Расстояние срабатывания

Расстояние срабатывания - это расстояние, на котором измерительная пластина, приближающаяся к активной поверхности бесконтактного датчика, вызывает изменение сигнала. Измерение расстояния срабатывания производится согласно EN 50 010 со стандартной измерительной пластиной при ее движении в осевом направлении.

Расчетное расстояние срабатывания sn

Расчетное расстояние срабатывания sn датчика BERO -это характеристика датчика, не учитывающая индивидуального разброса параметров и отклонений, обусловленных такими внешними факторами как температура, напряжение и пр.

Реальное расстояние срабатывания s r

Расстояние срабатывания, измеренное для определенного экземпляра согласно EN 50 010

Точность

Точность определяется как допустимая погрешность, представляющая собой разницу между истинным расстоянием и его показываемым значением. Точность датчика Sonar-BERO зависит как от его внутренних допусков, так и от некоторых физических параметров воздуха, таких как его влажность, давление и движение. Эти параметры влияют на время прохождения звука и, соответственно, на результат измерения.

Давление воздуха 

При всех обычных измерениях атмосферных условий в конкретном месте влияние давления на скорость звука пренебрежимо малою С увеличением высоты над уровнем моря до 3000 м скорость звука уменьшается менее чем на 1 %. Распространение звука в вакууме невозможною

Влажность воздуха 

При температуре воздуха от комнатной и ниже, влияние влажности воздуха на скорость звука пренебрежимо мало. При более высокой температуре воздуха, скорость звука возрастает с увеличением влажности.

Температура воздуха 

Время прохождения звука зависит от температуры воздуха. Нормальной температурой воздуха считается 20 градусов. С ростом температуры скорость звука изменяется на 0,17 %/К. Это изменение времени прохождения звука в зависимости от температуры риводит к тому, что при повышении температуры происходит мнимое уменьшение расстояния до объекта.

Изменение температуры, например, на +10 градусов, вызывает изменение скорости звука примерно на +1,75% и, как следствие, изменение расстояния срабатывания на +1,75%.

Газовые среды 

Датчик Sonar-BERO рассчитан на работу в атмосферном воздухе. Эксплуатация в других газовых средах вследствие других значений скорости звука и затухания может приводить к грубым ошибкам измерения вплоть до утраты работоспособности (например, в углекислом газе).

Воздушные потоки

Изменения скорости звука, вызванные непрерывной сменой направленийи скоростей воздушных потоков, в общем виде сформулировать невозможно. Объекты с высокой температурой, например, раскалённый металл, вызывают турбулентное

Примеры факторов, не влияющих на результаты измерений:

Осадки

Дождь и снег при нормальной плотности не влияют на функционирование Sonar-BERO. Однако осадки не должны попадать на поверхность преобразователя. Образование конденсата допускается.

Красочные аэрозоли

Они не оказывают заметного влияния на работу датчиков Sonar-BERO. Однако, чтобы не ухудшалась чувствительность преобразователя, красочные аэрозоли не должны осаждаться на активной поверхности преобразователя.

Посторонний звук

Система отличает посторонний звук от собственных отраженных звуковых сигналов и он, как правило, не вызывает сбоев в работе.

Точность репродуцирования R

Точность репродуцирования -это различие в показаниях или в коммутационном состоянии при двух последовательных измерениях при заданных Точность репродуцирования у датчиков Sonar-BERO составляет 0,15 % от конечного значения.