| Область применения | Дальнейшая информация |
Устройства плавного пуска SIRIUS 3RW40 обладают такими же преимуществами, как и 3RW30/31. Однако данные модели оснащены функциями, уникальными в данном диапазоне мощности: полупроводниковая защита от перегрузки двигателя и встроенная защита устройства, регулируемые граничения тока и двухфазный метод управления (баланс полярности).
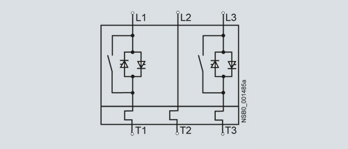
Устройства плавного пуска SIRIUS 3RW40 являются частью модульной системы SIRIUS. В результате этого, они имеют идентичные размеры и схемы подключения. Благодаря свои особо компактным размерам, устройства плавного пуска SIRIUS 3RW40 в два раза меньше по сравнению с устройствами пуска «звезда-треугольник», поэтому они занимают минимальное пространство в шкафу управления. Конфигурация и монтаж производятся легко и просто благодаря 3-проводному подключению.
Устройства плавного пуска мощностью до 250 кВт (при 400 В) подходят для стандартного применения в 3-фазных сетях. Очень маленький размер, низкие потери электроэнергии и простота в использовании – это только 3 из многих преимуществ применения устройств плавного пуска SIRIUS 3RW40.
| Область применения | Дальнейшая информация |
Полупроводниковые устройства плавного пуска SIRIUS 3RW40 подходят для плавного пуска/остановки 3-фазных асинхронных двигателей. Благодаря 2-фазному управлению, ток поддерживается на минимальных величинах во всех 3 фазах в течение всего процесса пуска. Кроме того, исключаются являющиеся нежелательными составляющие постоянного тока. В итоге, можно не только осуществить 2-фазный пуск двигателя до 250 кВт (при 400 В), но и избежать бросков тока и вращающего момента, которые возникают при использовании устройств пуска «звезда-треугольник».
| Область применения | Дальнейшая информация |
Полупроводниковые устройства плавного пуска 3RW предназначены для мягких условий пуска двигателя. В случае отклонения от заданных условий или при повышенном количестве пусков, возможно, следует выбрать более мощное устройство. Для точного подбора мощности воспользуйтесь программой выбора и симуляции Win-SOFTSTARTER (версии 2.0 или выше).
Если необходимо, то при длительном времени запуска возможно выбрать реле перегрузки для тяжелых условий запуска. Наряду с этим, рекомендуется установить термисторную защиту. Это же требование относится и к плавному торможению, так как во время такого торможения возникает дополнительная токовая нагрузка в отличие от свободного выбега двигателя.
Недопустимо использование емкостных элементов (таких как компенсаторы) в цепи двигатель – устройство плавного пуска SIRIUS 3RW. Кроме того, активные фильтры (например, для компенсации реактивной мощности) не должны работать параллельно цепи устройства плавного пуска.
Все элементы силовой цепи, такие как предохранители, коммутационные устройства и реле перегрузки, должны быть подобраны в соответствии с условиями прямого пуска, с учётом воздействия токов короткого замыкания на данном участке цепи. Предохранители, коммутационные устройства и реле перегрузки заказываются отдельно. Обратите внимание на максимальное число включений в соответствии с технической документацией на двигатель.
С помощью данной программы можно моделировать работу всех устройств плавного пуска Siemens с учётом различных параметров: характеристик цепи питания, данных о двигателе и нагрузке, а также с учётом требований для специальных применений. Данная программа является отличным инструментом, который делает просто излишними сложные и длительные ручные расчеты для выбора необходимого устройства плавного пуска.
Вы можете разместить заказ на CD-ROM с данной
программой:
Заказной номер: E20001-D1020-P302-V2-7400.
http://medaps.erlm.siemens.de/webeditor/
http://www.siemens.de/sanftstarter
| Область применения | Дальнейшая информация |
Цена на сайте указана розничная в ЕВРО без учета НДС.Для уточнения цены и размера предоставляемой скидки - звоните или присылайте заявки
| Заказной номер | PG | Описание продукта | Цена |
| 3RW4024-1BB04 | 42G | УСТРОЙСТВО ПЛАВНОГО ПУСКА SIRIUS, ТИПОРАЗМЕР S0, 12.5A, 5.5КВТ/400V, 40 ГРАД., НОМИНАЛЬНОЕ РАБОЧЕЕ НАПРЯЖЕНИЕ UE 200-480V AC, НОМИНАЛЬНОЕ НАПРЯЖЕНИЕ ЦЕПИ УПРАВЛЕНИЯ US 24V AC/DC, ВИНТОВЫЕ КЛЕММЫ | 266.80 |
| 3RW4024-1BB05 | 42G | УСТРОЙСТВО ПЛАВНОГО ПУСКА SIRIUS, ТИПОРАЗМЕР S0, 12.5A, 7.5КВТ/500V, 40 ГРАД., НОМИНАЛЬНОЕ РАБОЧЕЕ НАПРЯЖЕНИЕ UE 400-600V AC, НОМИНАЛЬНОЕ НАПРЯЖЕНИЕ ЦЕПИ УПРАВЛЕНИЯ US 24V AC/DC, ВИНТОВЫЕ КЛЕММЫ | 307.05 |
| 3RW4024-1BB14 | 42G | УСТРОЙСТВО ПЛАВНОГО ПУСКА SIRIUS, ТИПОРАЗМЕР S0, 12.5A, 5.5КВТ/400V, 40 ГРАД., НОМИНАЛЬНОЕ РАБОЧЕЕ НАПРЯЖЕНИЕ UE 200-480V AC, НОМИНАЛЬНОЕ НАПРЯЖЕНИЕ ЦЕПИ УПРАВЛЕНИЯ US 110-230V AC/DC , ВИНТОВЫЕ КЛЕММЫ | 266.80 |
| 3RW4024-1BB15 | 42G | УСТРОЙСТВО ПЛАВНОГО ПУСКА SIRIUS, ТИПОРАЗМЕР S0, 12.5A, 7.5КВТ/500V, 40 ГРАД., НОМИНАЛЬНОЕ РАБОЧЕЕ НАПРЯЖЕНИЕ UE 400-600V AC, НОМИНАЛЬНОЕ НАПРЯЖЕНИЕ ЦЕПИ УПРАВЛЕНИЯ US 110-230V AC/DC , ВИНТОВЫЕ КЛЕММЫ | 307.05 |
| 3RW4024-1TB04 | 42G | УСТРОЙСТВО ПЛАВНОГО ПУСКА SIRIUS, ТИПОРАЗМЕР S0, 12.5A, 5.5КВТ/400V, 40 ГРАД., НОМИНАЛЬНОЕ РАБОЧЕЕ НАПРЯЖЕНИЕ UE 200-480V AC, НОМИНАЛЬНОЕ НАПРЯЖЕНИЕ ЦЕПИ УПРАВЛЕНИЯ US 24V AC/DC, ВИНТОВЫЕ КЛЕММЫ, ВХОД ДЛЯ ТЕРМИСТОРНОЙ ЗАЩИТЫ ЭЛЕКТРОДВИГАТЕЛЯ | 346.15 |
| 3RW4024-1TB05 | 42G | УСТРОЙСТВО ПЛАВНОГО ПУСКА SIRIUS, ТИПОРАЗМЕР S0, 12.5A, 7.5КВТ/500V, 40 ГРАД., НОМИНАЛЬНОЕ РАБОЧЕЕ НАПРЯЖЕНИЕ UE 400-600V AC, НОМИНАЛЬНОЕ НАПРЯЖЕНИЕ ЦЕПИ УПРАВЛЕНИЯ US 24V AC/DC, ВИНТОВЫЕ КЛЕММЫ, ВХОД ДЛЯ ТЕРМИСТОРНОЙ ЗАЩИТЫ ЭЛЕКТРОДВИГАТЕЛЯ | 385.25 |
| 3RW4024-2BB04 | 42G | УСТРОЙСТВО ПЛАВНОГО ПУСКА SIRIUS, ТИПОРАЗМЕР S0, 12.5A, 5.5КВТ/400V, 40 ГРАД., НОМИНАЛЬНОЕ РАБОЧЕЕ НАПРЯЖЕНИЕ UE 200-480V AC, НОМИНАЛЬНОЕ НАПРЯЖЕНИЕ ЦЕПИ УПРАВЛЕНИЯ US 24V AC/DC, ПРУЖИННЫЕ КЛЕММЫ | 266.80 |
| 3RW4024-2BB05 | 42G | УСТРОЙСТВО ПЛАВНОГО ПУСКА SIRIUS, ТИПОРАЗМЕР S0, 12.5A, 7.5КВТ/500V, 40 ГРАД., НОМИНАЛЬНОЕ РАБОЧЕЕ НАПРЯЖЕНИЕ UE 400-600V AC, НОМИНАЛЬНОЕ НАПРЯЖЕНИЕ ЦЕПИ УПРАВЛЕНИЯ US 24V AC/DC, ПРУЖИННЫЕ КЛЕММЫ | 307.05 |
| 3RW4024-2BB14 | 42G | УСТРОЙСТВО ПЛАВНОГО ПУСКА SIRIUS, ТИПОРАЗМЕР S0, 12.5A, 5.5КВТ/400V, 40 ГРАД., НОМИНАЛЬНОЕ РАБОЧЕЕ НАПРЯЖЕНИЕ UE 200-480V AC, НОМИНАЛЬНОЕ НАПРЯЖЕНИЕ ЦЕПИ УПРАВЛЕНИЯ US 110-230V AC/DC , ПРУЖИННЫЕ КЛЕММЫ | 266.80 |
| 3RW4024-2BB15 | 42G | УСТРОЙСТВО ПЛАВНОГО ПУСКА SIRIUS, ТИПОРАЗМЕР S0, 12.5A, 7.5КВТ/500V, 40 ГРАД., НОМИНАЛЬНОЕ РАБОЧЕЕ НАПРЯЖЕНИЕ UE 400-600V AC, НОМИНАЛЬНОЕ НАПРЯЖЕНИЕ ЦЕПИ УПРАВЛЕНИЯ US 110-230V AC/DC , ПРУЖИННЫЕ КЛЕММЫ | 307.05 |
| 3RW4024-2TB04 | 42G | УСТРОЙСТВО ПЛАВНОГО ПУСКА SIRIUS, ТИПОРАЗМЕР S0, 12.5A, 5.5КВТ/400V, 40 ГРАД., НОМИНАЛЬНОЕ РАБОЧЕЕ НАПРЯЖЕНИЕ UE 200-480V AC, НОМИНАЛЬНОЕ НАПРЯЖЕНИЕ ЦЕПИ УПРАВЛЕНИЯ US 24V AC/DC, ПРУЖИННЫЕ КЛЕММЫ, ВХОД ДЛЯ ТЕРМИСТОРНОЙ ЗАЩИТЫ ЭЛЕКТРОДВИГАТЕЛЯ | 351.90 |
| 3RW4024-2TB05 | 42G | УСТРОЙСТВО ПЛАВНОГО ПУСКА SIRIUS, ТИПОРАЗМЕР S0, 12.5A, 7.5КВТ/500V, 40 ГРАД., НОМИНАЛЬНОЕ РАБОЧЕЕ НАПРЯЖЕНИЕ UE 400-600V AC, НОМИНАЛЬНОЕ НАПРЯЖЕНИЕ ЦЕПИ УПРАВЛЕНИЯ US 24V AC/DC, ПРУЖИННЫЕ КЛЕММЫ, ВХОД ДЛЯ ТЕРМИСТОРНОЙ ЗАЩИТЫ ЭЛЕКТРОДВИГАТЕЛЯ | 393.30 |
| 3RW4026-1BB04 | 42G | УСТРОЙСТВО ПЛАВНОГО ПУСКА SIRIUS, ТИПОРАЗМЕР S0, 25A, 11КВТ/400V, 40 ГРАД., НОМИНАЛЬНОЕ РАБОЧЕЕ НАПРЯЖЕНИЕ UE 200-480V AC, НОМИНАЛЬНОЕ НАПРЯЖЕНИЕ ЦЕПИ УПРАВЛЕНИЯ US 24V AC/DC, ВИНТОВЫЕ КЛЕММЫ | 315.10 |
| 3RW4026-1BB05 | 42G | УСТРОЙСТВО ПЛАВНОГО ПУСКА SIRIUS, ТИПОРАЗМЕР S0, 25A, 15КВТ/500V, 40 ГРАД., НОМИНАЛЬНОЕ РАБОЧЕЕ НАПРЯЖЕНИЕ UE 400-600V AC, НОМИНАЛЬНОЕ НАПРЯЖЕНИЕ ЦЕПИ УПРАВЛЕНИЯ US 24V AC/DC, ВИНТОВЫЕ КЛЕММЫ | 361.10 |
| 3RW4026-1BB14 | 42G | УСТРОЙСТВО ПЛАВНОГО ПУСКА SIRIUS, ТИПОРАЗМЕР S0, 25A, 11КВТ/400V, 40 ГРАД., НОМИНАЛЬНОЕ РАБОЧЕЕ НАПРЯЖЕНИЕ UE 200-480V AC, НОМИНАЛЬНОЕ НАПРЯЖЕНИЕ ЦЕПИ УПРАВЛЕНИЯ US 110-230V AC/DC , ВИНТОВЫЕ КЛЕММЫ | 315.10 |
| 3RW4026-1BB15 | 42G | УСТРОЙСТВО ПЛАВНОГО ПУСКА SIRIUS, ТИПОРАЗМЕР S0, 25A, 15КВТ/500V, 40 ГРАД., НОМИНАЛЬНОЕ РАБОЧЕЕ НАПРЯЖЕНИЕ UE 400-600V AC, НОМИНАЛЬНОЕ НАПРЯЖЕНИЕ ЦЕПИ УПРАВЛЕНИЯ US 110-230V AC/DC , ВИНТОВЫЕ КЛЕММЫ | 361.10 |
| 3RW4026-1TB04 | 42G | УСТРОЙСТВО ПЛАВНОГО ПУСКА SIRIUS, ТИПОРАЗМЕР S0, 25A, 11КВТ/400V, 40 ГРАД., НОМИНАЛЬНОЕ РАБОЧЕЕ НАПРЯЖЕНИЕ UE 200-480V AC, НОМИНАЛЬНОЕ НАПРЯЖЕНИЕ ЦЕПИ УПРАВЛЕНИЯ US 24V AC/DC, ВИНТОВЫЕ КЛЕММЫ, ВХОД ДЛЯ ТЕРМИСТОРНОЙ ЗАЩИТЫ ЭЛЕКТРОДВИГАТЕЛЯ | 392.15 |
| 3RW4026-1TB05 | 42G | УСТРОЙСТВО ПЛАВНОГО ПУСКА SIRIUS, ТИПОРАЗМЕР S0, 25A, 15КВТ/500V, 40 ГРАД., НОМИНАЛЬНОЕ РАБОЧЕЕ НАПРЯЖЕНИЕ UE 400-600V AC, НОМИНАЛЬНОЕ НАПРЯЖЕНИЕ ЦЕПИ УПРАВЛЕНИЯ US 24V AC/DC, ВИНТОВЫЕ КЛЕММЫ, ВХОД ДЛЯ ТЕРМИСТОРНОЙ ЗАЩИТЫ ЭЛЕКТРОДВИГАТЕЛЯ | 441.60 |
| 3RW4026-2BB04 | 42G | УСТРОЙСТВО ПЛАВНОГО ПУСКА SIRIUS, ТИПОРАЗМЕР S0, 25A, 11КВТ/400V, 40 ГРАД., НОМИНАЛЬНОЕ РАБОЧЕЕ НАПРЯЖЕНИЕ UE 200-480V AC, НОМИНАЛЬНОЕ НАПРЯЖЕНИЕ ЦЕПИ УПРАВЛЕНИЯ US 24V AC/DC, ПРУЖИННЫЕ КЛЕММЫ | 315.10 |
| 3RW4026-2BB05 | 42G | УСТРОЙСТВО ПЛАВНОГО ПУСКА SIRIUS, ТИПОРАЗМЕР S0, 25A, 15КВТ/500V, 40 ГРАД., НОМИНАЛЬНОЕ РАБОЧЕЕ НАПРЯЖЕНИЕ UE 400-600V AC, НОМИНАЛЬНОЕ НАПРЯЖЕНИЕ ЦЕПИ УПРАВЛЕНИЯ US 24V AC/DC, ПРУЖИННЫЕ КЛЕММЫ | 361.10 |
| 3RW4026-2BB14 | 42G | УСТРОЙСТВО ПЛАВНОГО ПУСКА SIRIUS, ТИПОРАЗМЕР S0, 25A, 11КВТ/400V, 40 ГРАД., НОМИНАЛЬНОЕ РАБОЧЕЕ НАПРЯЖЕНИЕ UE 200-480V AC, НОМИНАЛЬНОЕ НАПРЯЖЕНИЕ ЦЕПИ УПРАВЛЕНИЯ US 110-230V AC/DC , ПРУЖИННЫЕ КЛЕММЫ | 315.10 |
| 3RW4026-2BB15 | 42G | УСТРОЙСТВО ПЛАВНОГО ПУСКА SIRIUS, ТИПОРАЗМЕР S0, 25A, 15КВТ/500V, 40 ГРАД., НОМИНАЛЬНОЕ РАБОЧЕЕ НАПРЯЖЕНИЕ UE 400-600V AC, НОМИНАЛЬНОЕ НАПРЯЖЕНИЕ ЦЕПИ УПРАВЛЕНИЯ US 110-230V AC/DC , ПРУЖИННЫЕ КЛЕММЫ | 361.10 |
| 3RW4026-2TB04 | 42G | УСТРОЙСТВО ПЛАВНОГО ПУСКА SIRIUS, ТИПОРАЗМЕР S0, 25A, 11КВТ/400V, 40 ГРАД., НОМИНАЛЬНОЕ РАБОЧЕЕ НАПРЯЖЕНИЕ UE 200-480V AC, НОМИНАЛЬНОЕ НАПРЯЖЕНИЕ ЦЕПИ УПРАВЛЕНИЯ US 24V AC/DC, ПРУЖИННЫЕ КЛЕММЫ, ВХОД ДЛЯ ТЕРМИСТОРНОЙ ЗАЩИТЫ ЭЛЕКТРОДВИГАТЕЛЯ | 403.65 |
| 3RW4026-2TB05 | 42G | УСТРОЙСТВО ПЛАВНОГО ПУСКА SIRIUS, ТИПОРАЗМЕР S0, 25A, 15КВТ/500V, 40 ГРАД., НОМИНАЛЬНОЕ РАБОЧЕЕ НАПРЯЖЕНИЕ UE 400-600V AC, НОМИНАЛЬНОЕ НАПРЯЖЕНИЕ ЦЕПИ УПРАВЛЕНИЯ US 24V AC/DC, ПРУЖИННЫЕ КЛЕММЫ, ВХОД ДЛЯ ТЕРМИСТОРНОЙ ЗАЩИТЫ ЭЛЕКТРОДВИГАТЕЛЯ | 450.80 |
| 3RW4027-1BB04 | 42G | УСТРОЙСТВО ПЛАВНОГО ПУСКА SIRIUS, ТИПОРАЗМЕР S0, 32A, 15КВТ/400V, 40 ГРАД., НОМИНАЛЬНОЕ РАБОЧЕЕ НАПРЯЖЕНИЕ UE 200-480V AC, НОМИНАЛЬНОЕ НАПРЯЖЕНИЕ ЦЕПИ УПРАВЛЕНИЯ US 24V AC/DC, ВИНТОВЫЕ КЛЕММЫ | 373.75 |
| 3RW4027-1BB05 | 42G | УСТРОЙСТВО ПЛАВНОГО ПУСКА SIRIUS, ТИПОРАЗМЕР S0, 32A, 18.5КВТ/500V, 40 ГРАД., НОМИНАЛЬНОЕ РАБОЧЕЕ НАПРЯЖЕНИЕ UE 400-600V AC, НОМИНАЛЬНОЕ НАПРЯЖЕНИЕ ЦЕПИ УПРАВЛЕНИЯ US 24V AC/DC, ВИНТОВЫЕ КЛЕММЫ | 427.80 |
| 3RW4027-1BB14 | 42G | УСТРОЙСТВО ПЛАВНОГО ПУСКА SIRIUS, ТИПОРАЗМЕР S0, 32A, 15КВТ/400V, 40 ГРАД., НОМИНАЛЬНОЕ РАБОЧЕЕ НАПРЯЖЕНИЕ UE 200-480V AC, НОМИНАЛЬНОЕ НАПРЯЖЕНИЕ ЦЕПИ УПРАВЛЕНИЯ US 110-230V AC/DC , ВИНТОВЫЕ КЛЕММЫ | 373.75 |
| 3RW4027-1BB15 | 42G | УСТРОЙСТВО ПЛАВНОГО ПУСКА SIRIUS, ТИПОРАЗМЕР S0, 32A, 18.5КВТ/500V, 40 ГРАД., НОМИНАЛЬНОЕ РАБОЧЕЕ НАПРЯЖЕНИЕ UE 400-600V AC, НОМИНАЛЬНОЕ НАПРЯЖЕНИЕ ЦЕПИ УПРАВЛЕНИЯ US 110-230V AC/DC , ВИНТОВЫЕ КЛЕММЫ | 427.80 |
| 3RW4027-1TB04 | 42G | УСТРОЙСТВО ПЛАВНОГО ПУСКА SIRIUS, ТИПОРАЗМЕР S0, 32A, 15КВТ/400V, 40 ГРАД., НОМИНАЛЬНОЕ РАБОЧЕЕ НАПРЯЖЕНИЕ UE 200-480V AC, НОМИНАЛЬНОЕ НАПРЯЖЕНИЕ ЦЕПИ УПРАВЛЕНИЯ US 24V AC/DC, ВИНТОВЫЕ КЛЕММЫ, ВХОД ДЛЯ ТЕРМИСТОРНОЙ ЗАЩИТЫ ЭЛЕКТРОДВИГАТЕЛЯ | 454.25 |
| 3RW4027-1TB05 | 42G | УСТРОЙСТВО ПЛАВНОГО ПУСКА SIRIUS, ТИПОРАЗМЕР S0, 32A, 18.5КВТ/500V, 40 ГРАД., НОМИНАЛЬНОЕ РАБОЧЕЕ НАПРЯЖЕНИЕ UE 400-600V AC, НОМИНАЛЬНОЕ НАПРЯЖЕНИЕ ЦЕПИ УПРАВЛЕНИЯ US 24V AC/DC, ВИНТОВЫЕ КЛЕММЫ, ВХОД ДЛЯ ТЕРМИСТОРНОЙ ЗАЩИТЫ ЭЛЕКТРОДВИГАТЕЛЯ | 509.45 |
| 3RW4027-2BB04 | 42G | УСТРОЙСТВО ПЛАВНОГО ПУСКА SIRIUS, ТИПОРАЗМЕР S0, 32A, 15КВТ/400V, 40 ГРАД., НОМИНАЛЬНОЕ РАБОЧЕЕ НАПРЯЖЕНИЕ UE 200-480V AC, НОМИНАЛЬНОЕ НАПРЯЖЕНИЕ ЦЕПИ УПРАВЛЕНИЯ US 24V AC/DC, ПРУЖИННЫЕ КЛЕММЫ | 373.75 |
| 3RW4027-2BB05 | 42G | УСТРОЙСТВО ПЛАВНОГО ПУСКА SIRIUS, ТИПОРАЗМЕР S0, 32A, 18.5КВТ/500V, 40 ГРАД., НОМИНАЛЬНОЕ РАБОЧЕЕ НАПРЯЖЕНИЕ UE 400-600V AC, НОМИНАЛЬНОЕ НАПРЯЖЕНИЕ ЦЕПИ УПРАВЛЕНИЯ US 24V AC/DC, ПРУЖИННЫЕ КЛЕММЫ | 427.80 |
| 3RW4027-2BB14 | 42G | УСТРОЙСТВО ПЛАВНОГО ПУСКА SIRIUS, ТИПОРАЗМЕР S0, 32A, 15КВТ/400V, 40 ГРАД., НОМИНАЛЬНОЕ РАБОЧЕЕ НАПРЯЖЕНИЕ UE 200-480V AC, НОМИНАЛЬНОЕ НАПРЯЖЕНИЕ ЦЕПИ УПРАВЛЕНИЯ US 110-230V AC/DC , ПРУЖИННЫЕ КЛЕММЫ | 373.75 |
| 3RW4027-2BB15 | 42G | УСТРОЙСТВО ПЛАВНОГО ПУСКА SIRIUS, ТИПОРАЗМЕР S0, 32A, 18.5КВТ/500V, 40 ГРАД., НОМИНАЛЬНОЕ РАБОЧЕЕ НАПРЯЖЕНИЕ UE 400-600V AC, НОМИНАЛЬНОЕ НАПРЯЖЕНИЕ ЦЕПИ УПРАВЛЕНИЯ US 110-230V AC/DC , ПРУЖИННЫЕ КЛЕММЫ | 427.80 |
| 3RW4027-2TB04 | 42G | УСТРОЙСТВО ПЛАВНОГО ПУСКА SIRIUS, ТИПОРАЗМЕР S0, 32A, 15КВТ/400V, 40 ГРАД., НОМИНАЛЬНОЕ РАБОЧЕЕ НАПРЯЖЕНИЕ UE 200-480V AC, НОМИНАЛЬНОЕ НАПРЯЖЕНИЕ ЦЕПИ УПРАВЛЕНИЯ US 24V AC/DC, ПРУЖИННЫЕ КЛЕММЫ, ВХОД ДЛЯ ТЕРМИСТОРНОЙ ЗАЩИТЫ ЭЛЕКТРОДВИГАТЕЛЯ | 462.30 |
| 3RW4027-2TB05 | 42G | УСТРОЙСТВО ПЛАВНОГО ПУСКА SIRIUS, ТИПОРАЗМЕР S0, 32A, 18.5КВТ/500V, 40 ГРАД., НОМИНАЛЬНОЕ РАБОЧЕЕ НАПРЯЖЕНИЕ UE 400-600V AC, НОМИНАЛЬНОЕ НАПРЯЖЕНИЕ ЦЕПИ УПРАВЛЕНИЯ US 24V AC/DC, ПРУЖИННЫЕ КЛЕММЫ, ВХОД ДЛЯ ТЕРМИСТОРНОЙ ЗАЩИТЫ ЭЛЕКТРОДВИГАТЕЛЯ | 518.65 |
| 3RW4028-1BB04 | 42G | УСТРОЙСТВО ПЛАВНОГО ПУСКА SIRIUS, ТИПОРАЗМЕР S0, 38A, 18.5КВТ/400V, 40 ГРАД., НОМИНАЛЬНОЕ РАБОЧЕЕ НАПРЯЖЕНИЕ UE 200-480V AC, НОМИНАЛЬНОЕ НАПРЯЖЕНИЕ ЦЕПИ УПРАВЛЕНИЯ НАПРЯЖЕНИЕ УПРАВЛЕНИЯ AC/DC 24V, ВИНТОВЫЕ КЛЕММЫ | 448.50 |
| 3RW4028-1BB05 | 42G | УСТРОЙСТВО ПЛАВНОГО ПУСКА SIRIUS, ТИПОРАЗМЕР S0, 38A, 22КВТ/500V, 40 ГРАД., НОМИНАЛЬНОЕ РАБОЧЕЕ НАПРЯЖЕНИЕ UE 400-600V AC, НОМИНАЛЬНОЕ НАПРЯЖЕНИЕ ЦЕПИ УПРАВЛЕНИЯ US 24V AC/DC, ВИНТОВЫЕ КЛЕММЫ | 512.90 |
| 3RW4028-1BB14 | 42G | УСТРОЙСТВО ПЛАВНОГО ПУСКА SIRIUS, ТИПОРАЗМЕР S0, 38A, 18.5КВТ/400V, 40 ГРАД., НОМИНАЛЬНОЕ РАБОЧЕЕ НАПРЯЖЕНИЕ UE 200-480V AC, НОМИНАЛЬНОЕ НАПРЯЖЕНИЕ ЦЕПИ УПРАВЛЕНИЯ US 110-230V AC/DC , ВИНТОВЫЕ КЛЕММЫ | 448.50 |
| 3RW4028-1BB15 | 42G | УСТРОЙСТВО ПЛАВНОГО ПУСКА SIRIUS, ТИПОРАЗМЕР S0, 38A, 22КВТ/500V, 40 ГРАД., НОМИНАЛЬНОЕ РАБОЧЕЕ НАПРЯЖЕНИЕ UE 400-600V AC, НОМИНАЛЬНОЕ НАПРЯЖЕНИЕ ЦЕПИ УПРАВЛЕНИЯ US 110-230V AC/DC , ВИНТОВЫЕ КЛЕММЫ | 512.90 |
| 3RW4028-1TB04 | 42G | УСТРОЙСТВО ПЛАВНОГО ПУСКА SIRIUS, ТИПОРАЗМЕР S0, 38A, 18.5КВТ/400V, 40 ГРАД., НОМИНАЛЬНОЕ РАБОЧЕЕ НАПРЯЖЕНИЕ UE 200-480V AC, НОМИНАЛЬНОЕ НАПРЯЖЕНИЕ ЦЕПИ УПРАВЛЕНИЯ US 24V AC/DC, ВИНТОВЫЕ КЛЕММЫ, ВХОД ДЛЯ ТЕРМИСТОРНОЙ ЗАЩИТЫ ЭЛЕКТРОДВИГАТЕЛЯ | 526.70 |
| 3RW4028-1TB05 | 42G | УСТРОЙСТВО ПЛАВНОГО ПУСКА SIRIUS, ТИПОРАЗМЕР S0, 38A, 22КВТ/500V, 40 ГРАД., НОМИНАЛЬНОЕ РАБОЧЕЕ НАПРЯЖЕНИЕ UE 400-600V AC, НОМИНАЛЬНОЕ НАПРЯЖЕНИЕ ЦЕПИ УПРАВЛЕНИЯ US 24V AC/DC, ВИНТОВЫЕ КЛЕММЫ, ВХОД ДЛЯ ТЕРМИСТОРНОЙ ЗАЩИТЫ ЭЛЕКТРОДВИГАТЕЛЯ | 593.40 |
| 3RW4028-2BB04 | 42G | УСТРОЙСТВО ПЛАВНОГО ПУСКА SIRIUS, ТИПОРАЗМЕР S0, 38A, 18.5КВТ/400V, 40 ГРАД., НОМИНАЛЬНОЕ РАБОЧЕЕ НАПРЯЖЕНИЕ UE 200-480V AC, НОМИНАЛЬНОЕ НАПРЯЖЕНИЕ ЦЕПИ УПРАВЛЕНИЯ US 24V AC/DC, ПРУЖИННЫЕ КЛЕММЫ | 448.50 |
| 3RW4028-2BB05 | 42G | УСТРОЙСТВО ПЛАВНОГО ПУСКА SIRIUS, ТИПОРАЗМЕР S0, 38A, 22КВТ/500V, 40 ГРАД., НОМИНАЛЬНОЕ РАБОЧЕЕ НАПРЯЖЕНИЕ UE 400-600V AC, НОМИНАЛЬНОЕ НАПРЯЖЕНИЕ ЦЕПИ УПРАВЛЕНИЯ US 24V AC/DC, ПРУЖИННЫЕ КЛЕММЫ | 512.90 |
| 3RW4028-2BB14 | 42G | УСТРОЙСТВО ПЛАВНОГО ПУСКА SIRIUS, ТИПОРАЗМЕР S0, 38A, 18.5КВТ/400V, 40 ГРАД., НОМИНАЛЬНОЕ РАБОЧЕЕ НАПРЯЖЕНИЕ UE 200-480V AC, НОМИНАЛЬНОЕ НАПРЯЖЕНИЕ ЦЕПИ УПРАВЛЕНИЯ US 110-230V AC/DC , ПРУЖИННЫЕ КЛЕММЫ | 448.50 |
| 3RW4028-2BB15 | 42G | УСТРОЙСТВО ПЛАВНОГО ПУСКА SIRIUS, ТИПОРАЗМЕР S0, 38A, 22КВТ/500V, 40 ГРАД., НОМИНАЛЬНОЕ РАБОЧЕЕ НАПРЯЖЕНИЕ UE 400-600V AC, НОМИНАЛЬНОЕ НАПРЯЖЕНИЕ ЦЕПИ УПРАВЛЕНИЯ US 110-230V AC/DC , ПРУЖИННЫЕ КЛЕММЫ | 512.90 |
| 3RW4028-2TB04 | 42G | УСТРОЙСТВО ПЛАВНОГО ПУСКА SIRIUS, ТИПОРАЗМЕР S0, 38A, 18.5КВТ/400V, 40 ГРАД., НОМИНАЛЬНОЕ РАБОЧЕЕ НАПРЯЖЕНИЕ UE 200-480V AC, НОМИНАЛЬНОЕ НАПРЯЖЕНИЕ ЦЕПИ УПРАВЛЕНИЯ US 24V AC/DC, ПРУЖИННЫЕ КЛЕММЫ, ВХОД ДЛЯ ТЕРМИСТОРНОЙ ЗАЩИТЫ ЭЛЕКТРОДВИГАТЕЛЯ | 537.05 |
| 3RW4028-2TB05 | 42G | УСТРОЙСТВО ПЛАВНОГО ПУСКА SIRIUS, ТИПОРАЗМЕР S0, 38A, 22КВТ/500V, 40 ГРАД., НОМИНАЛЬНОЕ РАБОЧЕЕ НАПРЯЖЕНИЕ UE 400-600V AC, НОМИНАЛЬНОЕ НАПРЯЖЕНИЕ ЦЕПИ УПРАВЛЕНИЯ US 24V AC/DC, ПРУЖИННЫЕ КЛЕММЫ, ВХОД ДЛЯ ТЕРМИСТОРНОЙ ЗАЩИТЫ ЭЛЕКТРОДВИГАТЕЛЯ | 604.90 |
| 3RW4036-1BB04 | 42G | УСТРОЙСТВО ПЛАВНОГО ПУСКА SIRIUS, ТИПОРАЗМЕР S2, 45A, 22КВТ/400V, 40 ГРАД., НОМИНАЛЬНОЕ РАБОЧЕЕ НАПРЯЖЕНИЕ UE 200-480V AC, НОМИНАЛЬНОЕ НАПРЯЖЕНИЕ ЦЕПИ УПРАВЛЕНИЯ US 24V AC/DC, ВИНТОВЫЕ КЛЕММЫ | 533.60 |
| 3RW4036-1BB05 | 42G | УСТРОЙСТВО ПЛАВНОГО ПУСКА SIRIUS, ТИПОРАЗМЕР S2, 45A, 30КВТ/500V, 40 ГРАД., НОМИНАЛЬНОЕ РАБОЧЕЕ НАПРЯЖЕНИЕ UE 400-600V AC, НОМИНАЛЬНОЕ НАПРЯЖЕНИЕ ЦЕПИ УПРАВЛЕНИЯ US 24V AC/DC, ВИНТОВЫЕ КЛЕММЫ | 614.10 |
| 3RW4036-1BB14 | 42G | УСТРОЙСТВО ПЛАВНОГО ПУСКА SIRIUS, ТИПОРАЗМЕР S2, 45A, 22КВТ/400V, 40 ГРАД., НОМИНАЛЬНОЕ РАБОЧЕЕ НАПРЯЖЕНИЕ UE 200-480V AC, НОМИНАЛЬНОЕ НАПРЯЖЕНИЕ ЦЕПИ УПРАВЛЕНИЯ US 110-230V AC/DC , ВИНТОВЫЕ КЛЕММЫ | 533.60 |
| 3RW4036-1BB15 | 42G | УСТРОЙСТВО ПЛАВНОГО ПУСКА SIRIUS, ТИПОРАЗМЕР S2, 45A, 30КВТ/500V, 40 ГРАД., НОМИНАЛЬНОЕ РАБОЧЕЕ НАПРЯЖЕНИЕ UE 400-600V AC, НОМИНАЛЬНОЕ НАПРЯЖЕНИЕ ЦЕПИ УПРАВЛЕНИЯ US 110-230V AC/DC , ВИНТОВЫЕ КЛЕММЫ | 614.10 |
| 3RW4036-1TB04 | 42G | УСТРОЙСТВО ПЛАВНОГО ПУСКА SIRIUS, ТИПОРАЗМЕР S2, 45A, 22КВТ/400V, 40 ГРАД., НОМИНАЛЬНОЕ РАБОЧЕЕ НАПРЯЖЕНИЕ UE 200-480V AC, НОМИНАЛЬНОЕ НАПРЯЖЕНИЕ ЦЕПИ УПРАВЛЕНИЯ US 24V AC/DC, ВИНТОВЫЕ КЛЕММЫ, ВХОД ДЛЯ ТЕРМИСТОРНОЙ ЗАЩИТЫ ЭЛЕКТРОДВИГАТЕЛЯ | 614.10 |
| 3RW4036-1TB05 | 42G | УСТРОЙСТВО ПЛАВНОГО ПУСКА SIRIUS, ТИПОРАЗМЕР S2, 45A, 30КВТ/500V, 40 ГРАД., НОМИНАЛЬНОЕ РАБОЧЕЕ НАПРЯЖЕНИЕ UE 400-600V AC, НОМИНАЛЬНОЕ НАПРЯЖЕНИЕ ЦЕПИ УПРАВЛЕНИЯ US 24V AC/DC, ВИНТОВЫЕ КЛЕММЫ, ВХОД ДЛЯ ТЕРМИСТОРНОЙ ЗАЩИТЫ ЭЛЕКТРОДВИГАТЕЛЯ | 694.60 |
| 3RW4036-2BB04 | 42G | УСТРОЙСТВО ПЛАВНОГО ПУСКА SIRIUS, ТИПОРАЗМЕР S2, 45A, 22КВТ/400V, 40 ГРАД., НОМИНАЛЬНОЕ РАБОЧЕЕ НАПРЯЖЕНИЕ UE 200-480V AC, НОМИНАЛЬНОЕ НАПРЯЖЕНИЕ ЦЕПИ УПРАВЛЕНИЯ US 24V AC/DC, ГЛАВНАЯ ЦЕПЬ: ВИНТОВЫЕ КЛЕММЫ, ВСПОМОГАТЕЛЬНАЯ ЦЕПЬ: ГЛАВНАЯ ЦЕПЬ: ВИНТОВЫЕ КЛЕММЫ, СПОМОГАТЕЛЬНАЯ ЦЕПЬ: ПРУЖИННЫЕ КЛЕММЫ | 533.60 |
| 3RW4036-2BB05 | 42G | УСТРОЙСТВО ПЛАВНОГО ПУСКА SIRIUS, ТИПОРАЗМЕР S2, 45A, 30КВТ/500V, 40 ГРАД., НОМИНАЛЬНОЕ РАБОЧЕЕ НАПРЯЖЕНИЕ UE 400-600V AC, НОМИНАЛЬНОЕ НАПРЯЖЕНИЕ ЦЕПИ УПРАВЛЕНИЯ US 24V AC/DC, ГЛАВНАЯ ЦЕПЬ: ВИНТОВЫЕ КЛЕММЫ, ВСПОМОГАТЕЛЬНАЯ ЦЕПЬ: ПРУЖИННЫЕ КЛЕММЫ | 614.10 |
| 3RW4036-2BB14 | 42G | УСТРОЙСТВО ПЛАВНОГО ПУСКА SIRIUS, ТИПОРАЗМЕР S2, 45A, 22КВТ/400V, 40 ГРАД., НОМИНАЛЬНОЕ РАБОЧЕЕ НАПРЯЖЕНИЕ UE 200-480V AC, НОМИНАЛЬНОЕ НАПРЯЖЕНИЕ ЦЕПИ УПРАВЛЕНИЯ US 110-230V AC/DC , ГЛАВНАЯ ЦЕПЬ: ВИНТОВЫЕ КЛЕММЫ, ВСПОМОГАТЕЛЬНАЯ ЦЕПЬ: ПРУЖИННЫЕ КЛЕММЫ | 533.60 |
| 3RW4036-2BB15 | 42G | УСТРОЙСТВО ПЛАВНОГО ПУСКА SIRIUS, ТИПОРАЗМЕР S2, 45A, 30КВТ/500V, 40 ГРАД., НОМИНАЛЬНОЕ РАБОЧЕЕ НАПРЯЖЕНИЕ UE 400-600V AC, НОМИНАЛЬНОЕ НАПРЯЖЕНИЕ ЦЕПИ УПРАВЛЕНИЯ US 110-230V AC/DC , ГЛАВНАЯ ЦЕПЬ: ВИНТОВЫЕ КЛЕММЫ, ВСПОМОГАТЕЛЬНАЯ ЦЕПЬ: ПРУЖИННЫЕ КЛЕММЫ | 614.10 |
| 3RW4036-2TB04 | 42G | УСТРОЙСТВО ПЛАВНОГО ПУСКА SIRIUS, ТИПОРАЗМЕР S2, 45A, 22КВТ/400V, 40 ГРАД., НОМИНАЛЬНОЕ РАБОЧЕЕ НАПРЯЖЕНИЕ UE 200-480V AC, НОМИНАЛЬНОЕ НАПРЯЖЕНИЕ ЦЕПИ УПРАВЛЕНИЯ US 24V AC/DC, ПРУЖИННЫЕ КЛЕММЫ, ВХОД ДЛЯ ТЕРМИСТОРНОЙ ЗАЩИТЫ ЭЛЕКТРОДВИГАТЕЛЯ | 614.10 |
| 3RW4036-2TB05 | 42G | УСТРОЙСТВО ПЛАВНОГО ПУСКА SIRIUS, ТИПОРАЗМЕР S2, 45A, 30КВТ/500V, 40 ГРАД., НОМИНАЛЬНОЕ РАБОЧЕЕ НАПРЯЖЕНИЕ UE 400-600V AC, НОМИНАЛЬНОЕ НАПРЯЖЕНИЕ ЦЕПИ УПРАВЛЕНИЯ US 24V AC/DC, ПРУЖИННЫЕ КЛЕММЫ, ВХОД ДЛЯ ТЕРМИСТОРНОЙ ЗАЩИТЫ ЭЛЕКТРОДВИГАТЕЛЯ | 694.60 |
| 3RW4037-1BB04 | 42G | УСТРОЙСТВО ПЛАВНОГО ПУСКА SIRIUS, ТИПОРАЗМЕР S2, 63A, 30КВТ/400V, 40 ГРАД., НОМИНАЛЬНОЕ РАБОЧЕЕ НАПРЯЖЕНИЕ UE 200-480V AC, НОМИНАЛЬНОЕ НАПРЯЖЕНИЕ ЦЕПИ УПРАВЛЕНИЯ US 24V AC/DC, ВИНТОВЫЕ КЛЕММЫ | 632.50 |
| 3RW4037-1BB05 | 42G | УСТРОЙСТВО ПЛАВНОГО ПУСКА SIRIUS, ТИПОРАЗМЕР S2, 63A, 37КВТ/500V, 40 ГРАД., НОМИНАЛЬНОЕ РАБОЧЕЕ НАПРЯЖЕНИЕ UE 400-600V AC, НОМИНАЛЬНОЕ НАПРЯЖЕНИЕ ЦЕПИ УПРАВЛЕНИЯ US 24V AC/DC, ВИНТОВЫЕ КЛЕММЫ | 726.80 |
| 3RW4037-1BB14 | 42G | УСТРОЙСТВО ПЛАВНОГО ПУСКА SIRIUS, ТИПОРАЗМЕР S2, 63A, 30КВТ/400V, 40 ГРАД., НОМИНАЛЬНОЕ РАБОЧЕЕ НАПРЯЖЕНИЕ UE 200-480V AC, НОМИНАЛЬНОЕ НАПРЯЖЕНИЕ ЦЕПИ УПРАВЛЕНИЯ US 110-230V AC/DC , ВИНТОВЫЕ КЛЕММЫ | 632.50 |
| 3RW4037-1BB15 | 42G | УСТРОЙСТВО ПЛАВНОГО ПУСКА SIRIUS, ТИПОРАЗМЕР S2, 63A, 37КВТ/500V, 40 ГРАД., НОМИНАЛЬНОЕ РАБОЧЕЕ НАПРЯЖЕНИЕ UE 400-600V AC, НОМИНАЛЬНОЕ НАПРЯЖЕНИЕ ЦЕПИ УПРАВЛЕНИЯ US 110-230V AC/DC , ВИНТОВЫЕ КЛЕММЫ | 726.80 |
| 3RW4037-1TB04 | 42G | УСТРОЙСТВО ПЛАВНОГО ПУСКА SIRIUS, ТИПОРАЗМЕР S2, 63A, 30КВТ/400V, 40 ГРАД., НОМИНАЛЬНОЕ РАБОЧЕЕ НАПРЯЖЕНИЕ UE 200-480V AC, НОМИНАЛЬНОЕ НАПРЯЖЕНИЕ ЦЕПИ УПРАВЛЕНИЯ US 24V AC/DC, ВИНТОВЫЕ КЛЕММЫ, ВХОД ДЛЯ ТЕРМИСТОРНОЙ ЗАЩИТЫ ЭЛЕКТРОДВИГАТЕЛЯ | 711.85 |
| 3RW4037-1TB05 | 42G | УСТРОЙСТВО ПЛАВНОГО ПУСКА SIRIUS, ТИПОРАЗМЕР S2, 63A, 37КВТ/500V, 40 ГРАД., НОМИНАЛЬНОЕ РАБОЧЕЕ НАПРЯЖЕНИЕ UE 400-600V AC, НОМИНАЛЬНОЕ НАПРЯЖЕНИЕ ЦЕПИ УПРАВЛЕНИЯ US 24V AC/DC, ВИНТОВЫЕ КЛЕММЫ, ВХОД ДЛЯ ТЕРМИСТОРНОЙ ЗАЩИТЫ ЭЛЕКТРОДВИГАТЕЛЯ | 807.30 |
| 3RW4037-2BB04 | 42G | УСТРОЙСТВО ПЛАВНОГО ПУСКА SIRIUS, ТИПОРАЗМЕР S2, 63A, 30КВТ/400V, 40 ГРАД., НОМИНАЛЬНОЕ РАБОЧЕЕ НАПРЯЖЕНИЕ UE 200-480V AC, НОМИНАЛЬНОЕ НАПРЯЖЕНИЕ ЦЕПИ УПРАВЛЕНИЯ US 24V AC/DC, ГЛАВНАЯ ЦЕПЬ: ВИНТОВЫЕ КЛЕММЫ, ВСПОМОГАТЕЛЬНАЯ ЦЕПЬ: ПРУЖИННЫЕ КЛЕММЫ | 632.50 |
| 3RW4037-2BB05 | 42G | УСТРОЙСТВО ПЛАВНОГО ПУСКА SIRIUS, ТИПОРАЗМЕР S2, 63A, 37КВТ/500V, 40 ГРАД., НОМИНАЛЬНОЕ РАБОЧЕЕ НАПРЯЖЕНИЕ UE 400-600V AC, НОМИНАЛЬНОЕ НАПРЯЖЕНИЕ ЦЕПИ УПРАВЛЕНИЯ US 24V AC/DC, ГЛАВНАЯ ЦЕПЬ: ВИНТОВЫЕ КЛЕММЫ, ВСПОМОГАТЕЛЬНАЯ ЦЕПЬ: ПРУЖИННЫЕ КЛЕММЫ | 726.80 |
| 3RW4037-2BB14 | 42G | УСТРОЙСТВО ПЛАВНОГО ПУСКА SIRIUS, ТИПОРАЗМЕР S2, 63A, 30КВТ/400V, 40 ГРАД., НОМИНАЛЬНОЕ РАБОЧЕЕ НАПРЯЖЕНИЕ UE 200-480V AC, НОМИНАЛЬНОЕ НАПРЯЖЕНИЕ ЦЕПИ УПРАВЛЕНИЯ US 110-230V AC/DC , ГЛАВНАЯ ЦЕПЬ: ВИНТОВЫЕ КЛЕММЫ, ВСПОМОГАТЕЛЬНАЯ ЦЕПЬ: ПРУЖИННЫЕ КЛЕММЫ | 632.50 |
| 3RW4037-2BB15 | 42G | УСТРОЙСТВО ПЛАВНОГО ПУСКА SIRIUS, ТИПОРАЗМЕР S2, 63A, 37КВТ/500V, 40 ГРАД., НОМИНАЛЬНОЕ РАБОЧЕЕ НАПРЯЖЕНИЕ UE 400-600V AC, НОМИНАЛЬНОЕ НАПРЯЖЕНИЕ ЦЕПИ УПРАВЛЕНИЯ US 110-230V AC/DC , ГЛАВНАЯ ЦЕПЬ: ВИНТОВЫЕ КЛЕММЫ, ВСПОМОГАТЕЛЬНАЯ ЦЕПЬ: ПРУЖИННЫЕ КЛЕММЫ | 726.80 |
| 3RW4037-2TB04 | 42G | УСТРОЙСТВО ПЛАВНОГО ПУСКА SIRIUS, ТИПОРАЗМЕР S2, 63A, 30КВТ/400V, 40 ГРАД., НОМИНАЛЬНОЕ РАБОЧЕЕ НАПРЯЖЕНИЕ UE 200-480V AC, НОМИНАЛЬНОЕ НАПРЯЖЕНИЕ ЦЕПИ УПРАВЛЕНИЯ US 24V AC/DC, ПРУЖИННЫЕ КЛЕММЫ, ВХОД ДЛЯ ТЕРМИСТОРНОЙ ЗАЩИТЫ ЭЛЕКТРОДВИГАТЕЛЯ | 711.85 |
| 3RW4037-2TB05 | 42G | УСТРОЙСТВО ПЛАВНОГО ПУСКА SIRIUS, ТИПОРАЗМЕР S2, 63A, 37КВТ/500V, 40 ГРАД., НОМИНАЛЬНОЕ РАБОЧЕЕ НАПРЯЖЕНИЕ UE 400-600V AC, НОМИНАЛЬНОЕ НАПРЯЖЕНИЕ ЦЕПИ УПРАВЛЕНИЯ US 24V AC/DC, ПРУЖИННЫЕ КЛЕММЫ, ВХОД ДЛЯ ТЕРМИСТОРНОЙ ЗАЩИТЫ ЭЛЕКТРОДВИГАТЕЛЯ | 807.30 |
| 3RW4038-1BB04 | 42G | УСТРОЙСТВО ПЛАВНОГО ПУСКА SIRIUS, ТИПОРАЗМЕР S2, 72A, 37КВТ/400V, 40 ГРАД., НОМИНАЛЬНОЕ РАБОЧЕЕ НАПРЯЖЕНИЕ UE 200-480V AC, НОМИНАЛЬНОЕ НАПРЯЖЕНИЕ ЦЕПИ УПРАВЛЕНИЯ US 24V AC/DC, ВИНТОВЫЕ КЛЕММЫ | 734.85 |
| 3RW4038-1BB05 | 42G | УСТРОЙСТВО ПЛАВНОГО ПУСКА SIRIUS, ТИПОРАЗМЕР S2, 72A, 45КВТ/500V, 40 ГРАД., НОМИНАЛЬНОЕ РАБОЧЕЕ НАПРЯЖЕНИЕ UE 400-600V AC, НОМИНАЛЬНОЕ НАПРЯЖЕНИЕ ЦЕПИ УПРАВЛЕНИЯ US 24V AC/DC, ВИНТОВЫЕ КЛЕММЫ | 841.80 |
| 3RW4038-1BB14 | 42G | УСТРОЙСТВО ПЛАВНОГО ПУСКА SIRIUS, ТИПОРАЗМЕР S2, 72A, 37КВТ/400V, 40 ГРАД., НОМИНАЛЬНОЕ РАБОЧЕЕ НАПРЯЖЕНИЕ UE 200-480V AC, НОМИНАЛЬНОЕ НАПРЯЖЕНИЕ ЦЕПИ УПРАВЛЕНИЯ US 110-230V AC/DC , ВИНТОВЫЕ КЛЕММЫ | 734.85 |
| 3RW4038-1BB15 | 42G | УСТРОЙСТВО ПЛАВНОГО ПУСКА SIRIUS, ТИПОРАЗМЕР S2, 72A, 45КВТ/500V, 40 ГРАД., НОМИНАЛЬНОЕ РАБОЧЕЕ НАПРЯЖЕНИЕ UE 400-600V AC, НОМИНАЛЬНОЕ НАПРЯЖЕНИЕ ЦЕПИ УПРАВЛЕНИЯ US 110-230V AC/DC , ВИНТОВЫЕ КЛЕММЫ | 841.80 |
| 3RW4038-1TB04 | 42G | УСТРОЙСТВО ПЛАВНОГО ПУСКА SIRIUS, ТИПОРАЗМЕР S2, 72A, 37КВТ/400V, 40 ГРАД., НОМИНАЛЬНОЕ РАБОЧЕЕ НАПРЯЖЕНИЕ UE 200-480V AC, НОМИНАЛЬНОЕ НАПРЯЖЕНИЕ ЦЕПИ УПРАВЛЕНИЯ US 24V AC/DC, ВИНТОВЫЕ КЛЕММЫ, ВХОД ДЛЯ ТЕРМИСТОРНОЙ ЗАЩИТЫ ЭЛЕКТРОДВИГАТЕЛЯ | 813.05 |
| 3RW4038-1TB05 | 42G | УСТРОЙСТВО ПЛАВНОГО ПУСКА SIRIUS, ТИПОРАЗМЕР S2, 72A, 45КВТ/500V, 40 ГРАД., НОМИНАЛЬНОЕ РАБОЧЕЕ НАПРЯЖЕНИЕ UE 400-600V AC, НОМИНАЛЬНОЕ НАПРЯЖЕНИЕ ЦЕПИ УПРАВЛЕНИЯ US 24V AC/DC, ВИНТОВЫЕ КЛЕММЫ, ВХОД ДЛЯ ТЕРМИСТОРНОЙ ЗАЩИТЫ ЭЛЕКТРОДВИГАТЕЛЯ | 922.30 |
| 3RW4038-2BB04 | 42G | УСТРОЙСТВО ПЛАВНОГО ПУСКА SIRIUS, ТИПОРАЗМЕР S2, 72A, 37КВТ/400V, 40 ГРАД., НОМИНАЛЬНОЕ РАБОЧЕЕ НАПРЯЖЕНИЕ UE 200-480V AC, НОМИНАЛЬНОЕ НАПРЯЖЕНИЕ ЦЕПИ УПРАВЛЕНИЯ US 24V AC/DC, ГЛАВНАЯ ЦЕПЬ: ВИНТОВЫЕ КЛЕММЫ, ВСПОМОГАТЕЛЬНАЯ ЦЕПЬ: ПРУЖИННЫЕ КЛЕММЫ | 734.85 |
| 3RW4038-2BB05 | 42G | УСТРОЙСТВО ПЛАВНОГО ПУСКА SIRIUS, ТИПОРАЗМЕР S2, 72A, 45КВТ/500V, 40 ГРАД., НОМИНАЛЬНОЕ РАБОЧЕЕ НАПРЯЖЕНИЕ UE 400-600V AC, НОМИНАЛЬНОЕ НАПРЯЖЕНИЕ ЦЕПИ УПРАВЛЕНИЯ US 24V AC/DC, ГЛАВНАЯ ЦЕПЬ: ВИНТОВЫЕ КЛЕММЫ, ВСПОМОГАТЕЛЬНАЯ ЦЕПЬ: ПРУЖИННЫЕ КЛЕММЫ | 841.80 |
| 3RW4038-2BB14 | 42G | УСТРОЙСТВО ПЛАВНОГО ПУСКА SIRIUS, ТИПОРАЗМЕР S2, 72A, 37КВТ/400V, 40 ГРАД., НОМИНАЛЬНОЕ РАБОЧЕЕ НАПРЯЖЕНИЕ UE 200-480V AC, НОМИНАЛЬНОЕ НАПРЯЖЕНИЕ ЦЕПИ УПРАВЛЕНИЯ US 110-230V AC/DC , ГЛАВНАЯ ЦЕПЬ: ВИНТОВЫЕ КЛЕММЫ, ВСПОМОГАТЕЛЬНАЯ ЦЕПЬ: ПРУЖИННЫЕ КЛЕММЫ | 734.85 |
| 3RW4038-2BB15 | 42G | УСТРОЙСТВО ПЛАВНОГО ПУСКА SIRIUS, ТИПОРАЗМЕР S2, 72A, 45КВТ/500V, 40 ГРАД., НОМИНАЛЬНОЕ РАБОЧЕЕ НАПРЯЖЕНИЕ UE 400-600V AC, НОМИНАЛЬНОЕ НАПРЯЖЕНИЕ ЦЕПИ УПРАВЛЕНИЯ US 110-230V AC/DC , ГЛАВНАЯ ЦЕПЬ: ВИНТОВЫЕ КЛЕММЫ, ВСПОМОГАТЕЛЬНАЯ ЦЕПЬ: ПРУЖИННЫЕ КЛЕММЫ | 841.80 |
| 3RW4038-2TB04 | 42G | УСТРОЙСТВО ПЛАВНОГО ПУСКА SIRIUS, ТИПОРАЗМЕР S2, 72A, 37КВТ/400V, 40 ГРАД., НОМИНАЛЬНОЕ РАБОЧЕЕ НАПРЯЖЕНИЕ UE 200-480V AC, НОМИНАЛЬНОЕ НАПРЯЖЕНИЕ ЦЕПИ УПРАВЛЕНИЯ US 24V AC/DC, ПРУЖИННЫЕ КЛЕММЫ, ВХОД ДЛЯ ТЕРМИСТОРНОЙ ЗАЩИТЫ ЭЛЕКТРОДВИГАТЕЛЯ | 813.05 |
| 3RW4038-2TB05 | 42G | УСТРОЙСТВО ПЛАВНОГО ПУСКА SIRIUS, ТИПОРАЗМЕР S2, 72A, 45КВТ/500V, 40 ГРАД., НОМИНАЛЬНОЕ РАБОЧЕЕ НАПРЯЖЕНИЕ UE 400-600V AC, НОМИНАЛЬНОЕ НАПРЯЖЕНИЕ ЦЕПИ УПРАВЛЕНИЯ US 24V AC/DC, ПРУЖИННЫЕ КЛЕММЫ, ВХОД ДЛЯ ТЕРМИСТОРНОЙ ЗАЩИТЫ ЭЛЕКТРОДВИГАТЕЛЯ | 922.30 |
| 3RW4046-1BB04 | 42G | УСТРОЙСТВО ПЛАВНОГО ПУСКА SIRIUS, ТИПОРАЗМЕР S3, 80A, 45КВТ/400V, 40 ГРАД., НОМИНАЛЬНОЕ РАБОЧЕЕ НАПРЯЖЕНИЕ UE 200-480V AC, НОМИНАЛЬНОЕ НАПРЯЖЕНИЕ ЦЕПИ УПРАВЛЕНИЯ US 24V AC/DC, ВИНТОВЫЕ КЛЕММЫ | 828.00 |
| 3RW4046-1BB05 | 42G | УСТРОЙСТВО ПЛАВНОГО ПУСКА SIRIUS, ТИПОРАЗМЕР S3, 80A, 55КВТ/500V, 40 ГРАД., НОМИНАЛЬНОЕ РАБОЧЕЕ НАПРЯЖЕНИЕ UE 400-600V AC, НОМИНАЛЬНОЕ НАПРЯЖЕНИЕ ЦЕПИ УПРАВЛЕНИЯ US 24V AC/DC, ВИНТОВЫЕ КЛЕММЫ | 951.05 |
| 3RW4046-1BB14 | 42G | УСТРОЙСТВО ПЛАВНОГО ПУСКА SIRIUS, ТИПОРАЗМЕР S3, 80A, 45КВТ/400V, 40 ГРАД., НОМИНАЛЬНОЕ РАБОЧЕЕ НАПРЯЖЕНИЕ UE 200-480V AC, НОМИНАЛЬНОЕ НАПРЯЖЕНИЕ ЦЕПИ УПРАВЛЕНИЯ US 110-230V AC/DC , ВИНТОВЫЕ КЛЕММЫ | 828.00 |
| 3RW4046-1BB15 | 42G | УСТРОЙСТВО ПЛАВНОГО ПУСКА SIRIUS, ТИПОРАЗМЕР S3, 80A, 55КВТ/500V, 40 ГРАД., НОМИНАЛЬНОЕ РАБОЧЕЕ НАПРЯЖЕНИЕ UE 400-600V AC, НОМИНАЛЬНОЕ НАПРЯЖЕНИЕ ЦЕПИ УПРАВЛЕНИЯ US 110-230V AC/DC , ВИНТОВЫЕ КЛЕММЫ | 951.05 |
| 3RW4046-1TB04 | 42G | УСТРОЙСТВО ПЛАВНОГО ПУСКА SIRIUS, ТИПОРАЗМЕР S3, 80A, 45КВТ/400V, 40 ГРАД., НОМИНАЛЬНОЕ РАБОЧЕЕ НАПРЯЖЕНИЕ UE 200-480V AC, НОМИНАЛЬНОЕ НАПРЯЖЕНИЕ ЦЕПИ УПРАВЛЕНИЯ US 24V AC/DC, ВИНТОВЫЕ КЛЕММЫ, ВХОД ДЛЯ ТЕРМИСТОРНОЙ ЗАЩИТЫ ЭЛЕКТРОДВИГАТЕЛЯ | 907.35 |
| 3RW4046-1TB05 | 42G | УСТРОЙСТВО ПЛАВНОГО ПУСКА SIRIUS, ТИПОРАЗМЕР S3, 80A, 55КВТ/500V, 40 ГРАД., НОМИНАЛЬНОЕ РАБОЧЕЕ НАПРЯЖЕНИЕ UE 400-600V AC, НОМИНАЛЬНОЕ НАПРЯЖЕНИЕ ЦЕПИ УПРАВЛЕНИЯ US 24V AC/DC, ВИНТОВЫЕ КЛЕММЫ, ВХОД ДЛЯ ТЕРМИСТОРНОЙ ЗАЩИТЫ ЭЛЕКТРОДВИГАТЕЛЯ | 1031.55 |
| 3RW4046-2BB04 | 42G | УСТРОЙСТВО ПЛАВНОГО ПУСКА SIRIUS, ТИПОРАЗМЕР S3, 80A, 45КВТ/400V, 40 ГРАД., НОМИНАЛЬНОЕ РАБОЧЕЕ НАПРЯЖЕНИЕ UE 200-480V AC, НОМИНАЛЬНОЕ НАПРЯЖЕНИЕ ЦЕПИ УПРАВЛЕНИЯ US 24V AC/DC, ГЛАВНАЯ ЦЕПЬ: ВИНТОВЫЕ КЛЕММЫ, ВВСПОМОГАТЕЛЬНАЯ ЦЕПЬ: ПРУЖИННЫЕ КЛЕММЫ | 828.00 |
| 3RW4046-2BB05 | 42G | УСТРОЙСТВО ПЛАВНОГО ПУСКА SIRIUS, ТИПОРАЗМЕР S3, 80A, 55КВТ/500V, 40 ГРАД., НОМИНАЛЬНОЕ РАБОЧЕЕ НАПРЯЖЕНИЕ UE 400-600V AC, НОМИНАЛЬНОЕ НАПРЯЖЕНИЕ ЦЕПИ УПРАВЛЕНИЯ US 24V AC/DC, ГЛАВНАЯ ЦЕПЬ: ВИНТОВЫЕ КЛЕММЫ, ВСПОМОГАТЕЛЬНАЯ ЦЕПЬ: ПРУЖИННЫЕ КЛЕММЫ | 951.05 |
| 3RW4046-2BB14 | 42G | УСТРОЙСТВО ПЛАВНОГО ПУСКА SIRIUS, ТИПОРАЗМЕР S3, 80A, 45КВТ/400V, 40 ГРАД., НОМИНАЛЬНОЕ РАБОЧЕЕ НАПРЯЖЕНИЕ UE 200-480V AC, НОМИНАЛЬНОЕ НАПРЯЖЕНИЕ ЦЕПИ УПРАВЛЕНИЯ US 110-230V AC/DC , ГЛАВНАЯ ЦЕПЬ: ВИНТОВЫЕ КЛЕММЫ, ВСПОМОГАТЕЛЬНАЯ ЦЕПЬ: ПРУЖИННЫЕ КЛЕММЫ | 828.00 |
| 3RW4046-2BB15 | 42G | УСТРОЙСТВО ПЛАВНОГО ПУСКА SIRIUS, ТИПОРАЗМЕР S3, 80A, 55КВТ/500V, 40 ГРАД., НОМИНАЛЬНОЕ РАБОЧЕЕ НАПРЯЖЕНИЕ UE 400-600V AC, НОМИНАЛЬНОЕ НАПРЯЖЕНИЕ ЦЕПИ УПРАВЛЕНИЯ US 110-230V AC/DC , ГЛАВНАЯ ЦЕПЬ: ВИНТОВЫЕ КЛЕММЫ, ВСПОМОГАТЕЛЬНАЯ ЦЕПЬ: ПРУЖИННЫЕ КЛЕММЫ | 951.05 |
| 3RW4046-2TB04 | 42G | УСТРОЙСТВО ПЛАВНОГО ПУСКА SIRIUS, ТИПОРАЗМЕР S3, 80A, 45КВТ/400V, 40 ГРАД., НОМИНАЛЬНОЕ РАБОЧЕЕ НАПРЯЖЕНИЕ UE 200-480V AC, НОМИНАЛЬНОЕ НАПРЯЖЕНИЕ ЦЕПИ УПРАВЛЕНИЯ US 24V AC/DC, ПРУЖИННЫЕ КЛЕММЫ, ВХОД ДЛЯ ТЕРМИСТОРНОЙ ЗАЩИТЫ ЭЛЕКТРОДВИГАТЕЛЯ | 907.35 |
| 3RW4046-2TB05 | 42G | УСТРОЙСТВО ПЛАВНОГО ПУСКА SIRIUS, ТИПОРАЗМЕР S3, 80A, 55КВТ/500V, 40 ГРАД., НОМИНАЛЬНОЕ РАБОЧЕЕ НАПРЯЖЕНИЕ UE 400-600V AC, НОМИНАЛЬНОЕ НАПРЯЖЕНИЕ ЦЕПИ УПРАВЛЕНИЯ US 24V AC/DC, ПРУЖИННЫЕ КЛЕММЫ, ВХОД ДЛЯ ТЕРМИСТОРНОЙ ЗАЩИТЫ ЭЛЕКТРОДВИГАТЕЛЯ | 1031.55 |
| 3RW4047-1BB04 | 42G | УСТРОЙСТВО ПЛАВНОГО ПУСКА SIRIUS, ТИПОРАЗМЕР S3, 106A, 55КВТ/400V, 40 ГРАД., НОМИНАЛЬНОЕ РАБОЧЕЕ НАПРЯЖЕНИЕ UE 200-480V AC, НОМИНАЛЬНОЕ НАПРЯЖЕНИЕ ЦЕПИ УПРАВЛЕНИЯ US 24V AC/DC, ВИНТОВЫЕ КЛЕММЫ | 901.60 |
| 3RW4047-1BB05 | 42G | УСТРОЙСТВО ПЛАВНОГО ПУСКА SIRIUS, ТИПОРАЗМЕР S3, 106A, 75КВТ/500V, 40 ГРАД., НОМИНАЛЬНОЕ РАБОЧЕЕ НАПРЯЖЕНИЕ UE 400-600V AC, НОМИНАЛЬНОЕ НАПРЯЖЕНИЕ ЦЕПИ УПРАВЛЕНИЯ US 24V AC/DC, ВИНТОВЫЕ КЛЕММЫ | 1035.00 |
| 3RW4047-1BB14 | 42G | УСТРОЙСТВО ПЛАВНОГО ПУСКА SIRIUS, ТИПОРАЗМЕР S3, 106A, 55КВТ/400V, 40 ГРАД., НОМИНАЛЬНОЕ РАБОЧЕЕ НАПРЯЖЕНИЕ UE 200-480V AC, НОМИНАЛЬНОЕ НАПРЯЖЕНИЕ ЦЕПИ УПРАВЛЕНИЯ US 110-230V AC/DC , ВИНТОВЫЕ КЛЕММЫ | 901.60 |
| 3RW4047-1BB15 | 42G | УСТРОЙСТВО ПЛАВНОГО ПУСКА SIRIUS, ТИПОРАЗМЕР S3, 106A, 75КВТ/500V, 40 ГРАД., НОМИНАЛЬНОЕ РАБОЧЕЕ НАПРЯЖЕНИЕ UE 400-600V AC, НОМИНАЛЬНОЕ НАПРЯЖЕНИЕ ЦЕПИ УПРАВЛЕНИЯ US 110-230V AC/DC , ВИНТОВЫЕ КЛЕММЫ | 1035.00 |
| 3RW4047-1TB04 | 42G | УСТРОЙСТВО ПЛАВНОГО ПУСКА SIRIUS, ТИПОРАЗМЕР S3, 106A, 55КВТ/400V, 40 ГРАД., НОМИНАЛЬНОЕ РАБОЧЕЕ НАПРЯЖЕНИЕ UE 200-480V AC, НОМИНАЛЬНОЕ НАПРЯЖЕНИЕ ЦЕПИ УПРАВЛЕНИЯ US 24V AC/DC, ВИНТОВЫЕ КЛЕММЫ, ВХОД ДЛЯ ТЕРМИСТОРНОЙ ЗАЩИТЫ ЭЛЕКТРОДВИГАТЕЛЯ | 979.80 |
| 3RW4047-1TB05 | 42G | УСТРОЙСТВО ПЛАВНОГО ПУСКА SIRIUS, ТИПОРАЗМЕР S3, 106A, 75КВТ/500V, 40 ГРАД., НОМИНАЛЬНОЕ РАБОЧЕЕ НАПРЯЖЕНИЕ UE 400-600V AC, НОМИНАЛЬНОЕ НАПРЯЖЕНИЕ ЦЕПИ УПРАВЛЕНИЯ US 24V AC/DC, ВИНТОВЫЕ КЛЕММЫ, ВХОД ДЛЯ ТЕРМИСТОРНОЙ ЗАЩИТЫ ЭЛЕКТРОДВИГАТЕЛЯ | 1115.50 |
| 3RW4047-2BB04 | 42G | УСТРОЙСТВО ПЛАВНОГО ПУСКА SIRIUS, ТИПОРАЗМЕР S3, 106A, 55КВТ/400V, 40 ГРАД., НОМИНАЛЬНОЕ РАБОЧЕЕ НАПРЯЖЕНИЕ UE 200-480V AC, НОМИНАЛЬНОЕ НАПРЯЖЕНИЕ ЦЕПИ УПРАВЛЕНИЯ US 24V AC/DC, ГЛАВНАЯ ЦЕПЬ: ВИНТОВЫЕ КЛЕММЫ, ВСПОМОГАТЕЛЬНАЯ ЦЕПЬ: ПРУЖИННЫЕ КЛЕММЫ | 901.60 |
| 3RW4047-2BB05 | 42G | УСТРОЙСТВО ПЛАВНОГО ПУСКА SIRIUS, ТИПОРАЗМЕР S3, 106A, 75КВТ/500V, 40 ГРАД., НОМИНАЛЬНОЕ РАБОЧЕЕ НАПРЯЖЕНИЕ UE 400-600V AC, НОМИНАЛЬНОЕ НАПРЯЖЕНИЕ ЦЕПИ УПРАВЛЕНИЯ US 24V AC/DC, ГЛАВНАЯ ЦЕПЬ: ВИНТОВЫЕ КЛЕММЫ, ВСПОМОГАТЕЛЬНАЯ ЦЕПЬ: ПРУЖИННЫЕ КЛЕММЫ | 1035.00 |
| 3RW4047-2BB14 | 42G | УСТРОЙСТВО ПЛАВНОГО ПУСКА SIRIUS, ТИПОРАЗМЕР S3, 106A, 55КВТ/400V, 40 ГРАД., НОМИНАЛЬНОЕ РАБОЧЕЕ НАПРЯЖЕНИЕ UE 200-480V AC, НОМИНАЛЬНОЕ НАПРЯЖЕНИЕ ЦЕПИ УПРАВЛЕНИЯ US 110-230V AC/DC , ГЛАВНАЯ ЦЕПЬ: ВИНТОВЫЕ КЛЕММЫ, ВСПОМОГАТЕЛЬНАЯ ЦЕПЬ: ПРУЖИННЫЕ КЛЕММЫ | 901.60 |
| 3RW4047-2BB15 | 42G | УСТРОЙСТВО ПЛАВНОГО ПУСКА SIRIUS, ТИПОРАЗМЕР S3, 106A, 75КВТ/500V, 40 ГРАД., НОМИНАЛЬНОЕ РАБОЧЕЕ НАПРЯЖЕНИЕ UE 400-600V AC, НОМИНАЛЬНОЕ НАПРЯЖЕНИЕ ЦЕПИ УПРАВЛЕНИЯ US 110-230V AC/DC , ГЛАВНАЯ ЦЕПЬ: ВИНТОВЫЕ КЛЕММЫ, ВСПОМОГАТЕЛЬНАЯ ЦЕПЬ: ПРУЖИННЫЕ КЛЕММЫ | 1035.00 |
| 3RW4047-2TB04 | 42G | УСТРОЙСТВО ПЛАВНОГО ПУСКА SIRIUS, ТИПОРАЗМЕР S3, 106A, 55КВТ/400V, 40 ГРАД., НОМИНАЛЬНОЕ РАБОЧЕЕ НАПРЯЖЕНИЕ UE 200-480V AC, НОМИНАЛЬНОЕ НАПРЯЖЕНИЕ ЦЕПИ УПРАВЛЕНИЯ US 24V AC/DC, ПРУЖИННЫЕ КЛЕММЫ, ВХОД ДЛЯ ТЕРМИСТОРНОЙ ЗАЩИТЫ ЭЛЕКТРОДВИГАТЕЛЯ | 979.80 |
| 3RW4047-2TB05 | 42G | УСТРОЙСТВО ПЛАВНОГО ПУСКА SIRIUS, ТИПОРАЗМЕР S3, 106A, 75КВТ/500V, 40 ГРАД., НОМИНАЛЬНОЕ РАБОЧЕЕ НАПРЯЖЕНИЕ UE 400-600V AC, НОМИНАЛЬНОЕ НАПРЯЖЕНИЕ ЦЕПИ УПРАВЛЕНИЯ US 24V AC/DC, ПРУЖИННЫЕ КЛЕММЫ, ВХОД ДЛЯ ТЕРМИСТОРНОЙ ЗАЩИТЫ ЭЛЕКТРОДВИГАТЕЛЯ | 1115.50 |
| 3RW4055-2BB34 | 42G | УСТРОЙСТВО ПЛАВНОГО ПУСКА SIRIUS, ТИПОРАЗМЕР S6, 117 A, 75 HP/460 V, 50 ГРАД., НОМИНАЛЬНОЕ РАБОЧЕЕ НАПРЯЖЕНИЕ UE 200-460 В АС, НОМИНАЛЬНОЕ НАПРЯЖЕНИЕ ЦЕПИ УПРАВЛЕНИЯ US 115 V AC, ПРУЖИННЫЕ КОНТАКТЫ ВСПОМОГАТЕЛЬНЫХ ЦЕПЕЙ | 954.50 |
| 3RW4055-2BB35 | 42G | УСТРОЙСТВО ПЛАВНОГО ПУСКА SIRIUS, ТИПОРАЗМЕР S6, 117 A, 100 HP/575 V, 50 ГРАД., 400-600 V AC, НОМИНАЛЬНОЕ НАПРЯЖЕНИЕ ЦЕПИ УПРАВЛЕНИЯ US 115 V AC, ПРУЖИННЫЕ КОНТАКТЫ ВСПОМОГАТЕЛЬНЫХ ЦЕПЕЙ | 1097.10 |
| 3RW4055-2BB44 | 42G | УСТРОЙСТВО ПЛАВНОГО ПУСКА SIRIUS, ТИПОРАЗМЕР S6, 134 A, 75 КВТ/400 V, 40 ГРАД., НОМИНАЛЬНОЕ РАБОЧЕЕ НАПРЯЖЕНИЕ UE 200-460 В АС, НОМИАНЛЬНОЕ ПИТАЮЩЕЕ НАПРЯЖЕНИЕ ЦЕПИ УПРАВЛЕНИЯ US 230 В АС, ПРУЖИННЫЕ КОНТАКТЫ ВСПОМОГАТЕЛЬНЫХ ЦЕПЕЙ | 954.50 |
| 3RW4055-2BB45 | 42G | УСТРОЙСТВО ПЛАВНОГО ПУСКА SIRIUS, ТИПОРАЗМЕР S6, 134 A, 90 КВТ/500 V, 40 ГРАД., 400-600 V AC, НОМИАНЛЬНОЕ ПИТАЮЩЕЕ НАПРЯЖЕНИЕ ЦЕПИ УПРАВЛЕНИЯ US 230 В АС, ПРУЖИННЫЕ КОНТАКТЫ ВСПОМОГАТЕЛЬНЫХ ЦЕПЕЙ | 1097.10 |
| 3RW4055-6BB34 | 42G | УСТРОЙСТВО ПЛАВНОГО ПУСКА SIRIUS, ТИПОРАЗМЕР S6, 117 A, 75 HP/460 V, 50 ГРАД., НОМИНАЛЬНОЕ РАБОЧЕЕ НАПРЯЖЕНИЕ UE 200-460 В АС, НОМИНАЛЬНОЕ НАПРЯЖЕНИЕ ЦЕПИ УПРАВЛЕНИЯ US 115 V AC, ВИНТ.КОНТАКТЫ | 954.50 |
| 3RW4055-6BB35 | 42G | УСТРОЙСТВО ПЛАВНОГО ПУСКА SIRIUS, ТИПОРАЗМЕР S6, 117 A, 100 HP/575 V, 50 ГРАД., 400-600 V AC, НОМИНАЛЬНОЕ НАПРЯЖЕНИЕ ЦЕПИ УПРАВЛЕНИЯ US 115 V AC, ВИНТ.КОНТАКТЫ | 1097.10 |
| 3RW4055-6BB44 | 42G | УСТРОЙСТВО ПЛАВНОГО ПУСКА SIRIUS, ТИПОРАЗМЕР S6, 134 A, 75 КВТ/400 V, 40 ГРАД., НОМИНАЛЬНОЕ РАБОЧЕЕ НАПРЯЖЕНИЕ UE 200-460 В АС, НОМИАНЛЬНОЕ ПИТАЮЩЕЕ НАПРЯЖЕНИЕ ЦЕПИ УПРАВЛЕНИЯ US 230 В АС, ВИНТ. КОНТАКТЫ | 954.50 |
| 3RW4055-6BB45 | 42G | УСТРОЙСТВО ПЛАВНОГО ПУСКА SIRIUS, ТИПОРАЗМЕР S6, 134 A, 90 КВТ/500 V, 40 ГРАД., 400-600 V AC, НОМИАНЛЬНОЕ ПИТАЮЩЕЕ НАПРЯЖЕНИЕ ЦЕПИ УПРАВЛЕНИЯ US 230 В АС, ВИНТ. КОНТАКТЫ | 1097.10 |
| 3RW4056-2BB34 | 42G | УСТРОЙСТВО ПЛАВНОГО ПУСКА SIRIUS, ТИПОРАЗМЕР S6, 145 A, 100 HP/460 V, 50 ГРАД., НОМИНАЛЬНОЕ РАБОЧЕЕ НАПРЯЖЕНИЕ UE 200-460 В АС, НОМИНАЛЬНОЕ НАПРЯЖЕНИЕ ЦЕПИ УПРАВЛЕНИЯ US 115 V AC, ПРУЖИННЫЕ КОНТАКТЫ ВСПОМОГАТЕЛЬНЫХ ЦЕПЕЙ | 1196.00 |
| 3RW4056-2BB35 | 42G | УСТРОЙСТВО ПЛАВНОГО ПУСКА SIRIUS, ТИПОРАЗМЕР S6, 145 A, 150 HP/575 V, 50 ГРАД., 400-600 V AC, НОМИНАЛЬНОЕ НАПРЯЖЕНИЕ ЦЕПИ УПРАВЛЕНИЯ US 115 V AC, ПРУЖИННЫЕ КОНТАКТЫ ВСПОМОГАТЕЛЬНЫХ ЦЕПЕЙ | 1357.00 |
| 3RW4056-2BB44 | 42G | УСТРОЙСТВО ПЛАВНОГО ПУСКА SIRIUS, ТИПОРАЗМЕР S6, 162 A, 90 КВТ/400 V, 40 ГРАД., НОМИНАЛЬНОЕ РАБОЧЕЕ НАПРЯЖЕНИЕ UE 200-460 В АС, НОМИАНЛЬНОЕ ПИТАЮЩЕЕ НАПРЯЖЕНИЕ ЦЕПИ УПРАВЛЕНИЯ US 230 В АС, ПРУЖИННЫЕ КОНТАКТЫ ВСПОМОГАТЕЛЬНЫХ ЦЕПЕЙ | 1196.00 |
| 3RW4056-2BB45 | 42G | УСТРОЙСТВО ПЛАВНОГО ПУСКА SIRIUS, ТИПОРАЗМЕР S6, 162 A, 110 КВТ/500 V, 40 ГРАД., 400-600 V AC, НОМИАНЛЬНОЕ ПИТАЮЩЕЕ НАПРЯЖЕНИЕ ЦЕПИ УПРАВЛЕНИЯ US 230 В АС, ПРУЖИННЫЕ КОНТАКТЫ ВСПОМОГАТЕЛЬНЫХ ЦЕПЕЙ | 1357.00 |
| 3RW4056-6BB34 | 42G | УСТРОЙСТВО ПЛАВНОГО ПУСКА SIRIUS, ТИПОРАЗМЕР S6, 145 A, 100 HP/460 V, 50 ГРАД., НОМИНАЛЬНОЕ РАБОЧЕЕ НАПРЯЖЕНИЕ UE 200-460 В АС, НОМИНАЛЬНОЕ НАПРЯЖЕНИЕ ЦЕПИ УПРАВЛЕНИЯ US 115 V AC, ВИНТ.КОНТАКТЫ | 1196.00 |
| 3RW4056-6BB35 | 42G | УСТРОЙСТВО ПЛАВНОГО ПУСКА SIRIUS, ТИПОРАЗМЕР S6, 145 A, 150 HP/575 V, 50 ГРАД., 400-600 V AC, НОМИНАЛЬНОЕ НАПРЯЖЕНИЕ ЦЕПИ УПРАВЛЕНИЯ US 115 V AC, ВИНТ.КОНТАКТЫ | 1357.00 |
| 3RW4056-6BB44 | 42G | УСТРОЙСТВО ПЛАВНОГО ПУСКА SIRIUS, ТИПОРАЗМЕР S6, 162 A, 90 КВТ/400 V, 40 ГРАД., НОМИНАЛЬНОЕ РАБОЧЕЕ НАПРЯЖЕНИЕ UE 200-460 В АС, НОМИАНЛЬНОЕ ПИТАЮЩЕЕ НАПРЯЖЕНИЕ ЦЕПИ УПРАВЛЕНИЯ US 230 В АС, ВИНТ. КОНТАКТЫ | 1196.00 |
| 3RW4056-6BB45 | 42G | УСТРОЙСТВО ПЛАВНОГО ПУСКА SIRIUS, ТИПОРАЗМЕР S6, 162 A, 110 КВТ/500 V, 40 ГРАД., 400-600 V AC, НОМИАНЛЬНОЕ ПИТАЮЩЕЕ НАПРЯЖЕНИЕ ЦЕПИ УПРАВЛЕНИЯ US 230 В АС, ВИНТ. КОНТАКТЫ | 1357.00 |
| 3RW4073-2BB34 | 42G | УСТРОЙСТВО ПЛАВНОГО ПУСКА SIRIUS, ТИПОРАЗМЕР S12, 205 A, 150 HP/460 V, 50 ГРАД., НОМИНАЛЬНОЕ РАБОЧЕЕ НАПРЯЖЕНИЕ UE 200-460 В АС, НОМИНАЛЬНОЕ НАПРЯЖЕНИЕ ЦЕПИ УПРАВЛЕНИЯ US 115 V AC, ПРУЖИННЫЕ КОНТАКТЫ ВСПОМОГАТЕЛЬНЫХ ЦЕПЕЙ | 1334.00 |
| 3RW4073-2BB35 | 42G | УСТРОЙСТВО ПЛАВНОГО ПУСКА SIRIUS, ТИПОРАЗМЕР S12, 205 A, 200 HP/575 V, 50 ГРАД., 400-600 V AC, НОМИНАЛЬНОЕ НАПРЯЖЕНИЕ ЦЕПИ УПРАВЛЕНИЯ US 115 V AC, ПРУЖИННЫЕ КОНТАКТЫ ВСПОМОГАТЕЛЬНЫХ ЦЕПЕЙ | 1529.50 |
| 3RW4073-2BB44 | 42G | УСТРОЙСТВО ПЛАВНОГО ПУСКА SIRIUS, ТИПОРАЗМЕР S12, 230 A, 132 КВТ/400 V, 40 ГРАД., НОМИНАЛЬНОЕ РАБОЧЕЕ НАПРЯЖЕНИЕ UE 200-460 В АС, НОМИАНЛЬНОЕ ПИТАЮЩЕЕ НАПРЯЖЕНИЕ ЦЕПИ УПРАВЛЕНИЯ US 230 В АС, ПРУЖИННЫЕ КОНТАКТЫ ВСПОМОГАТЕЛЬНЫХ ЦЕПЕЙ | 1334.00 |
| 3RW4073-2BB45 | 42G | УСТРОЙСТВО ПЛАВНОГО ПУСКА SIRIUS, ТИПОРАЗМЕР S12, 230 A, 160 КВТ/500 V, 40 ГРАД., 400-600 V AC, НОМИАНЛЬНОЕ ПИТАЮЩЕЕ НАПРЯЖЕНИЕ ЦЕПИ УПРАВЛЕНИЯ US 230 В АС, ПРУЖИННЫЕ КОНТАКТЫ ВСПОМОГАТЕЛЬНЫХ ЦЕПЕЙ | 1529.50 |
| 3RW4073-6BB34 | 42G | УСТРОЙСТВО ПЛАВНОГО ПУСКА SIRIUS, ТИПОРАЗМЕР S12, 205 A, 150 HP/460 V, 50 ГРАД., НОМИНАЛЬНОЕ РАБОЧЕЕ НАПРЯЖЕНИЕ UE 200-460 В АС, НОМИНАЛЬНОЕ НАПРЯЖЕНИЕ ЦЕПИ УПРАВЛЕНИЯ US 115 V AC, ВИНТ.КОНТАКТЫ | 1334.00 |
| 3RW4073-6BB35 | 42G | УСТРОЙСТВО ПЛАВНОГО ПУСКА SIRIUS, ТИПОРАЗМЕР S12, 205 A, 200 HP/575 V, 50 ГРАД., 400-600 V AC, НОМИНАЛЬНОЕ НАПРЯЖЕНИЕ ЦЕПИ УПРАВЛЕНИЯ US 115 V AC, ВИНТ.КОНТАКТЫ | 1529.50 |
| 3RW4073-6BB44 | 42G | УСТРОЙСТВО ПЛАВНОГО ПУСКА SIRIUS, ТИПОРАЗМЕР S12, 230 A, 132 КВТ/400 V, 40 ГРАД., НОМИНАЛЬНОЕ РАБОЧЕЕ НАПРЯЖЕНИЕ UE 200-460 В АС, НОМИАНЛЬНОЕ ПИТАЮЩЕЕ НАПРЯЖЕНИЕ ЦЕПИ УПРАВЛЕНИЯ US 230 В АС, ВИНТ. КОНТАКТЫ | 1334.00 |
| 3RW4073-6BB45 | 42G | УСТРОЙСТВО ПЛАВНОГО ПУСКА SIRIUS, ТИПОРАЗМЕР S12, 230 A, 160 КВТ/500 V, 40 ГРАД., 400-600 V AC, НОМИАНЛЬНОЕ ПИТАЮЩЕЕ НАПРЯЖЕНИЕ ЦЕПИ УПРАВЛЕНИЯ US 230 В АС, ВИНТ. КОНТАКТЫ | 1529.50 |
| 3RW4074-2BB34 | 42G | УСТРОЙСТВО ПЛАВНОГО ПУСКА SIRIUS, ТИПОРАЗМЕР S12, 248 A, 200 HP/460 V, 50 ГРАД., НОМИНАЛЬНОЕ РАБОЧЕЕ НАПРЯЖЕНИЕ UE 200-460 В АС, НОМИНАЛЬНОЕ НАПРЯЖЕНИЕ ЦЕПИ УПРАВЛЕНИЯ US 115 V AC, ПРУЖИННЫЕ КОНТАКТЫ ВСПОМОГАТЕЛЬНЫХ ЦЕПЕЙ | 1495.00 |
| 3RW4074-2BB35 | 42G | УСТРОЙСТВО ПЛАВНОГО ПУСКА SIRIUS, ТИПОРАЗМЕР S12, 248 A, 250 HP/575 V, 50 ГРАД., 400-600 V AC, НОМИНАЛЬНОЕ НАПРЯЖЕНИЕ ЦЕПИ УПРАВЛЕНИЯ US 115 V AC, ПРУЖИННЫЕ КОНТАКТЫ ВСПОМОГАТЕЛЬНЫХ ЦЕПЕЙ | 1713.50 |
| 3RW4074-2BB44 | 42G | УСТРОЙСТВО ПЛАВНОГО ПУСКА SIRIUS, ТИПОРАЗМЕР S12, 280 A, 160 КВТ/400 V, 40 ГРАД., НОМИНАЛЬНОЕ РАБОЧЕЕ НАПРЯЖЕНИЕ UE 200-460 В АС, НОМИАНЛЬНОЕ ПИТАЮЩЕЕ НАПРЯЖЕНИЕ ЦЕПИ УПРАВЛЕНИЯ US 230 В АС, ПРУЖИННЫЕ КОНТАКТЫ ВСПОМОГАТЕЛЬНЫХ ЦЕПЕЙ | 1495.00 |
| 3RW4074-2BB45 | 42G | УСТРОЙСТВО ПЛАВНОГО ПУСКА SIRIUS, ТИПОРАЗМЕР S12, 280 A, 200 КВТ/500 V, 40 ГРАД., 400-600 V AC, НОМИАНЛЬНОЕ ПИТАЮЩЕЕ НАПРЯЖЕНИЕ ЦЕПИ УПРАВЛЕНИЯ US 230 В АС, ПРУЖИННЫЕ КОНТАКТЫ ВСПОМОГАТЕЛЬНЫХ ЦЕПЕЙ | 1713.50 |
| 3RW4074-6BB34 | 42G | УСТРОЙСТВО ПЛАВНОГО ПУСКА SIRIUS, ТИПОРАЗМЕР S12, 248 A, 200 HP/460 V, 50 ГРАД., НОМИНАЛЬНОЕ РАБОЧЕЕ НАПРЯЖЕНИЕ UE 200-460 В АС, НОМИНАЛЬНОЕ НАПРЯЖЕНИЕ ЦЕПИ УПРАВЛЕНИЯ US 115 V AC, ВИНТ.КОНТАКТЫ | 1495.00 |
| 3RW4074-6BB35 | 42G | УСТРОЙСТВО ПЛАВНОГО ПУСКА SIRIUS, ТИПОРАЗМЕР S12, 248 A, 250 HP/575 V, 50 ГРАД., 400-600 V AC, НОМИНАЛЬНОЕ НАПРЯЖЕНИЕ ЦЕПИ УПРАВЛЕНИЯ US 115 V AC, ВИНТ.КОНТАКТЫ | 1713.50 |
| 3RW4074-6BB44 | 42G | УСТРОЙСТВО ПЛАВНОГО ПУСКА SIRIUS, ТИПОРАЗМЕР S12, 280 A, 160 КВТ/400 V, 40 ГРАД., НОМИНАЛЬНОЕ РАБОЧЕЕ НАПРЯЖЕНИЕ UE 200-460 В АС, НОМИАНЛЬНОЕ ПИТАЮЩЕЕ НАПРЯЖЕНИЕ ЦЕПИ УПРАВЛЕНИЯ US 230 В АС, ВИНТ. КОНТАКТЫ | 1495.00 |
| 3RW4074-6BB45 | 42G | УСТРОЙСТВО ПЛАВНОГО ПУСКА SIRIUS, ТИПОРАЗМЕР S12, 280 A, 200 КВТ/500 V, 40 ГРАД., 400-600 V AC, НОМИАНЛЬНОЕ ПИТАЮЩЕЕ НАПРЯЖЕНИЕ ЦЕПИ УПРАВЛЕНИЯ US 230 В АС, ВИНТ. КОНТАКТЫ | 1713.50 |
| 3RW4075-2BB34 | 42G | УСТРОЙСТВО ПЛАВНОГО ПУСКА SIRIUS, ТИПОРАЗМЕР S12, 315 A, 250 HP/460 V, 50 ГРАД., НОМИНАЛЬНОЕ РАБОЧЕЕ НАПРЯЖЕНИЕ UE 200-460 В АС, НОМИНАЛЬНОЕ НАПРЯЖЕНИЕ ЦЕПИ УПРАВЛЕНИЯ US 115 V AC, ПРУЖИННЫЕ КОНТАКТЫ ВСПОМОГАТЕЛЬНЫХ ЦЕПЕЙ | 1748.00 |
| 3RW4075-2BB35 | 42G | УСТРОЙСТВО ПЛАВНОГО ПУСКА SIRIUS, ТИПОРАЗМЕР S12, 315 A, 300 HP/575 V, 50 ГРАД., 400-600 V AC, НОМИНАЛЬНОЕ НАПРЯЖЕНИЕ ЦЕПИ УПРАВЛЕНИЯ US 115 V AC, ПРУЖИННЫЕ КОНТАКТЫ ВСПОМОГАТЕЛЬНЫХ ЦЕПЕЙ | 2012.50 |
| 3RW4075-2BB44 | 42G | УСТРОЙСТВО ПЛАВНОГО ПУСКА SIRIUS, ТИПОРАЗМЕР S12, 356 A, 200 КВТ/400 V, 40 ГРАД., НОМИНАЛЬНОЕ РАБОЧЕЕ НАПРЯЖЕНИЕ UE 200-460 В АС, НОМИАНЛЬНОЕ ПИТАЮЩЕЕ НАПРЯЖЕНИЕ ЦЕПИ УПРАВЛЕНИЯ US 230 В АС, ПРУЖИННЫЕ КОНТАКТЫ ВСПОМОГАТЕЛЬНЫХ ЦЕПЕЙ | 1748.00 |
| 3RW4075-2BB45 | 42G | УСТРОЙСТВО ПЛАВНОГО ПУСКА SIRIUS, ТИПОРАЗМЕР S12, 356 A, 250 КВТ/500 V, 40 ГРАД., 400-600 V AC, НОМИАНЛЬНОЕ ПИТАЮЩЕЕ НАПРЯЖЕНИЕ ЦЕПИ УПРАВЛЕНИЯ US 230 В АС, ПРУЖИННЫЕ КОНТАКТЫ ВСПОМОГАТЕЛЬНЫХ ЦЕПЕЙ | 2012.50 |
| 3RW4075-6BB34 | 42G | УСТРОЙСТВО ПЛАВНОГО ПУСКА SIRIUS, ТИПОРАЗМЕР S12, 315 A, 250 HP/460 V, 50 ГРАД., НОМИНАЛЬНОЕ РАБОЧЕЕ НАПРЯЖЕНИЕ UE 200-460 В АС, НОМИНАЛЬНОЕ НАПРЯЖЕНИЕ ЦЕПИ УПРАВЛЕНИЯ US 115 V AC, ВИНТ.КОНТАКТЫ | 1748.00 |
| 3RW4075-6BB35 | 42G | УСТРОЙСТВО ПЛАВНОГО ПУСКА SIRIUS, ТИПОРАЗМЕР S12, 315 A, 300 HP/575 V, 50 ГРАД., 400-600 V AC, НОМИНАЛЬНОЕ НАПРЯЖЕНИЕ ЦЕПИ УПРАВЛЕНИЯ US 115 V AC, ВИНТ.КОНТАКТЫ | 2012.50 |
| 3RW4075-6BB44 | 42G | УСТРОЙСТВО ПЛАВНОГО ПУСКА SIRIUS, ТИПОРАЗМЕР S12, 356 A, 200 КВТ/400 V, 40 ГРАД., НОМИНАЛЬНОЕ РАБОЧЕЕ НАПРЯЖЕНИЕ UE 200-460 В АС, НОМИАНЛЬНОЕ ПИТАЮЩЕЕ НАПРЯЖЕНИЕ ЦЕПИ УПРАВЛЕНИЯ US 230 В АС, ВИНТ. КОНТАКТЫ | 1748.00 |
| 3RW4075-6BB45 | 42G | УСТРОЙСТВО ПЛАВНОГО ПУСКА SIRIUS, ТИПОРАЗМЕР S12, 356 A, 250 КВТ/500 V, 40 ГРАД., 400-600 V AC, НОМИАНЛЬНОЕ ПИТАЮЩЕЕ НАПРЯЖЕНИЕ ЦЕПИ УПРАВЛЕНИЯ US 230 В АС, ВИНТ. КОНТАКТЫ | 2012.50 |
| 3RW4076-2BB34 | 42G | УСТРОЙСТВО ПЛАВНОГО ПУСКА SIRIUS, ТИПОРАЗМЕР S12, 385 A, 300 HP/460 V, 50 ГРАД., НОМИНАЛЬНОЕ РАБОЧЕЕ НАПРЯЖЕНИЕ UE 200-460 В АС, НОМИНАЛЬНОЕ НАПРЯЖЕНИЕ ЦЕПИ УПРАВЛЕНИЯ US 115 V AC, ПРУЖИННЫЕ КОНТАКТЫ ВСПОМОГАТЕЛЬНЫХ ЦЕПЕЙ | 2311.50 |
| 3RW4076-2BB35 | 42G | УСТРОЙСТВО ПЛАВНОГО ПУСКА SIRIUS, ТИПОРАЗМЕР S12, 385 A, 400 HP/575 V, 50 ГРАД., 400-600 V AC, НОМИНАЛЬНОЕ НАПРЯЖЕНИЕ ЦЕПИ УПРАВЛЕНИЯ US 115 V AC, ПРУЖИННЫЕ КОНТАКТЫ ВСПОМОГАТЕЛЬНЫХ ЦЕПЕЙ | 2633.50 |
| 3RW4076-2BB44 | 42G | УСТРОЙСТВО ПЛАВНОГО ПУСКА SIRIUS, ТИПОРАЗМЕР S12, 432 A, 250 КВТ/400 V, 40 ГРАД., НОМИНАЛЬНОЕ РАБОЧЕЕ НАПРЯЖЕНИЕ UE 200-460 В АС, НОМИАНЛЬНОЕ ПИТАЮЩЕЕ НАПРЯЖЕНИЕ ЦЕПИ УПРАВЛЕНИЯ US 230 В АС, ПРУЖИННЫЕ КОНТАКТЫ ВСПОМОГАТЕЛЬНЫХ ЦЕПЕЙ | 2311.50 |
| 3RW4076-2BB45 | 42G | УСТРОЙСТВО ПЛАВНОГО ПУСКА SIRIUS, ТИПОРАЗМЕР S12, 432 A, 315 КВТ/500 V, 40 ГРАД., 400-600 V AC, НОМИАНЛЬНОЕ ПИТАЮЩЕЕ НАПРЯЖЕНИЕ ЦЕПИ УПРАВЛЕНИЯ US 230 В АС, ПРУЖИННЫЕ КОНТАКТЫ ВСПОМОГАТЕЛЬНЫХ ЦЕПЕЙ | 2633.50 |
| 3RW4076-6BB34 | 42G | УСТРОЙСТВО ПЛАВНОГО ПУСКА SIRIUS, ТИПОРАЗМЕР S12, 385 A, 300 HP/460 V, 50 ГРАД., НОМИНАЛЬНОЕ РАБОЧЕЕ НАПРЯЖЕНИЕ UE 200-460 В АС, НОМИНАЛЬНОЕ НАПРЯЖЕНИЕ ЦЕПИ УПРАВЛЕНИЯ US 115 V AC, ВИНТ.КОНТАКТЫ | 2311.50 |
| 3RW4076-6BB35 | 42G | УСТРОЙСТВО ПЛАВНОГО ПУСКА SIRIUS, ТИПОРАЗМЕР S12, 385 A, 400 HP/575 V, 50 ГРАД., 400-600 V AC, НОМИНАЛЬНОЕ НАПРЯЖЕНИЕ ЦЕПИ УПРАВЛЕНИЯ US 115 V AC, ВИНТ.КОНТАКТЫ | 2633.50 |
| 3RW4076-6BB44 | 42G | УСТРОЙСТВО ПЛАВНОГО ПУСКА SIRIUS, ТИПОРАЗМЕР S12, 432 A, 250 КВТ/400 V, 40 ГРАД., НОМИНАЛЬНОЕ РАБОЧЕЕ НАПРЯЖЕНИЕ UE 200-460 В АС, НОМИАНЛЬНОЕ ПИТАЮЩЕЕ НАПРЯЖЕНИЕ ЦЕПИ УПРАВЛЕНИЯ US 230 В АС, ВИНТ. КОНТАКТЫ | 2311.50 |
| 3RW4076-6BB45 | 42G | УСТРОЙСТВО ПЛАВНОГО ПУСКА SIRIUS, ТИПОРАЗМЕР S12, 432 A, 315 КВТ/500 V, 40 ГРАД., 400-600 V AC, НОМИАНЛЬНОЕ ПИТАЮЩЕЕ НАПРЯЖЕНИЕ ЦЕПИ УПРАВЛЕНИЯ US 230 В АС, ВИНТ. КОНТАКТЫ | 2633.50 |
| Область применения | Дальнейшая информация |
Цена на сайте указана розничная в ЕВРО без учета НДС.Для уточнения цены и размера предоставляемой скидки - звоните или присылайте заявки
| Заказной номер | PG | Описание продукта | Цена |
| 3RA1931-1AA00 | 41B | СОЕДИНИТЕЛЬНЫЙ МОДУЛЬ ЭЛЕКТРИЧЕСКИЙ И МЕХАНИЧЕСКИЙ ДЛЯ 3RV1.3 И 3RT1.3, 3RW303 1 ШТ. УПРАВЛЕНИЕ AС (ПРЕДПОЧТИТЕЛЬНЫЙ ТИП) | 15.30 |
| 3RA1941-1AA00 | 41B | СОЕДИНИТЕЛЬНЫЙ МОДУЛЬ ЭЛЕКТРИЧЕСКИЙ И МЕХАНИЧЕСКИЙ ДЛЯ 3RV1.4 И 3RT1.4, 3RW304 1 ШТ. УПРАВЛЕНИЕ AС (ПРЕДПОЧТИТЕЛЬНЫЙ ТИП) | 17.37 |
| 3RA2908-1A | 41B | ОТВЕРТКА SIRIUS С ЧАСТИЧНОЙ ИЗОЛЯЦИЕЙ, ДЛЯ ПРУЖИННЫХ КЛЕММ, TITANIUM GRAY, РАЗМЕРЫ 3.0X0.5X100 | 13.23 |
| 3RA2921-1BA00 | 41B | СОЕДИНИТЕЛЬНЫЙ МОДУЛЬ, ВИНТ., ЭЛЕКТР. И МЕХ. СОЕДИНЕНИЕ, ДЛЯ 3RV2.2 И 3RT2.2, УПРАВЛЕНИЕ DC ИЛИ УПП 3RW3 ИЛИ ПП КОНТАКТОР 3RF34 | 7.31 |
| 3RA2921-2GA00 | 41B | СОЕДИНИТЕЛЬНЫЙ МОДУЛЬ, ЭЛЕКТР. И МЕХ. СОЕДИНЕНИЕ, ДЛЯ 3RV2021 И 3RW3.2, 3RW402 ПРУЖИННЫЕ КЛЕММЫ | 17.25 |
| 3RT1900-1SB20 | 41B | ИДЕНТИФИКАЦИОННАЯ ТАБЛИЧКА 20X7 MM БИРЮЗОВЫЙ ЦВЕТ УПАКОВКА С 17 РАМК. 20 ТАБЛИЧЕК НА РАМКУ = 340 ТАБЛИЧЕК (ПРЕДПОЧТИТЕЛЬНЫЙ ТИП) | 26.68 |
| 3RT1936-4EA2 | 41B | КРЫШКА КЛЕММЫ ДЛЯ КЛЕММА S, ТИПОРАЗМЕР S2 ДЛЯ 3RT103. | 4.60 |
| 3RT1946-4EA1 | 41B | КРЫШКА КЛЕММЫ ДЛЯ КАБЕЛЬ LUG И ШИННОГО ПОДСОЕДИН., ТИПОРАЗМЕР S3 ДЛЯ 3RT10.4, | 8.73 |
| 3RT1946-4EA2 | 41B | КРЫШКА КЛЕММЫ ДЛЯ КЛЕММА S, ТИПОРАЗМЕР S3 ДЛЯ 3RT104. | 5.30 |
| 3RT1946-4F | 41B | КЛЕММА ДОП. ПРОВОДНИКА ДЛЯ 3RT104., 3-Х ПОЛ. | 8.26 |
| 3RT1955-4G | 41B | РАМОЧНЫЙ КЛЕММНЫЙ БЛОК ДЛЯ КОНТАКТОРОВ ТИПОРАЗМЕР S6, 3RT1054 ДЛЯ ПЕРЕГРУЗКА РЕЛЕЙНЫЕ 3RB105 (ПРЕДПОЧТИТЕЛЬНЫЙ ТИП) | 30.59 |
| 3RT1956-4EA1 | 41B | КЛЕММНАЯ КРЫШКА ДЛЯ ШИННОГО ПОДСОЕДИНЕНИЯ ДЛЯ КОНТАКТОРОВ ТИПОРАЗМЕР S6, 3RT1.5 ДЛЯ РЕЛЕ ПЕРЕГРУЗКИ 3RB105 | 16.91 |
| 3RT1956-4EA2 | 41B | КЛЕММНАЯ КРЫШКА ДЛЯ РАМОЧНОГО КЛЕММНОГО БЛОКА ДЛЯ КОНТАКТОРОВ ТИПОРАЗМЕР S6, 3RT1.5 ДЛЯ РЕЛЕ ПЕРЕГРУЗКИ 3RB105 | 13.80 |
| 3RT1956-4G | 41B | РАМОЧНЫЙ КЛЕММНЫЙ БЛОК ДЛЯ КОНТАКТОРОВ ТИПОРАЗМЕР S6, 3RT1.5 ДЛЯ РЕЛЕ ПЕРЕГРУЗКИ 3RB105 | 43.24 |
| 3RT1966-4EA1 | 41B | КЛЕММНАЯ КРЫШКА ДЛЯ ШИННОГО ПОДСОЕДИНЕНИЯ ДЛЯ КОНТАКТОРОВ ТИПОРАЗМЕР S10/S12 ДЛЯ РЕЛЕ ПЕРЕГРУЗКИ 3RB106 | 24.96 |
| 3RT1966-4EA2 | 41B | КЛЕММНАЯ КРЫШКА ДЛЯ РАМОЧНОГО КЛЕММНОГО БЛОКА ДЛЯ КОНТАКТОРОВ ТИПОРАЗМЕР S10/S12 ДЛЯ РЕЛЕ ПЕРЕГРУЗКИ 3RB106 | 20.13 |
| 3RT1966-4G | 41B | РАМОЧНЫЙ КЛЕММНЫЙ БЛОК ДЛЯ КОНТАКТОРОВ ТИПОРАЗМЕР S10/S12 ДЛЯ РЕЛЕ ПЕРЕГРУЗКИ 3RB106 | 119.60 |
| 3RT2900-1SB20 | 41B | IDENTIFICATION PLATES 20X7 MM TI - GREY . . . | 26.68 |
| 3RU1900-1A | 41F | ПЛУНЖЕР МЕХАНИЧЕСКОГО СБРОСА И FUNNEL | 4.83 |
| 3RU1900-1B | 41F | КАБЕЛЬНЫЙ ВЫПУСК С ДЕРЖАТЕЛЕМ 400 MM ДЛИНОЙ | 47.27 |
| 3RU1900-1C | 41F | КАБЕЛЬНЫЙ ВЫПУСК С ДЕРЖАТЕЛЕМ 600 MM ДЛИНОЙ | 47.27 |
| 3RU1900-2AB71 | 41F | МОДУЛЬ УДАЛЕННОГО СБРОСА, ЭЛЕКТРИЧЕСКИЙ AC/DC 24.30 V, ДЛЯ ПЕРЕГРУЗОЧНОГО РЕЛЕ 3RU11 | 42.78 |
| 3RU1900-2AF71 | 41F | МОДУЛЬ УДАЛЕННОГО СБРОСА, ЭЛЕКТРИЧЕСКИЙ AC/DC 110.127 V, ДЛЯ ПЕРЕГРУЗОЧНОГО РЕЛЕ 3RU11 | 42.78 |
| 3RU1900-2AM71 | 41F | МОДУЛЬ УДАЛЕННОГО СБРОСА, ЭЛЕКТРИЧЕСКИЙ AC/DC 220..250 V, ДЛЯ ПЕРЕГРУЗОЧНОГО РЕЛЕ 3RU11 | 42.78 |
| 3RV2925-5AB | 41E | 3-Ф. КЛЕММА ВВОДА ПИТАНИЯ, ДЛЯ 3-Ф. ШИНКИ, ПОДКЛЮЧЕНИЕ СВЕРХУ, ТИПОРАЗМЕР S00/S0 | 11.20 |
| 3RW4900-0PB00 | 42G | КРЫШКА ДЛЯ ПЛОМБИРОВАНИЯ ДЛЯ УСТРОЙСТВА ПЛАВНОГО ПУСКА SIRIUS 3RW40 S6...S12 | 16.33 |
| 3RW4900-0PB10 | 42G | КРЫШКА ДЛЯ ПЛОМБИРОВАНИЯ ДЛЯ УСТРОЙСТВА ПЛАВНОГО ПУСКА SIRIUS 3RW40 S0...S3 | 12.19 |
| 3RW4928-8VB00 | 42G | ВЕНТИЛЯТОР ОХЛАЖДЕНИЯ ДЛЯ УСТРОЙСТВА ПЛАВНОГО ПУСКА SIRIUS 3RW402 S0 | 49.34 |
| 3RW4936-8VX30 | 42G | ВЕНТИЛЯТОР ОХЛАЖДЕНИЯДЛЯ УСТРОЙСТВА ПЛАВНОГО ПУСКА SIRIUS 3RW405.-.BB3., 3RW442.-. BC3., 3RW443.-.BC3., НОМИНАЛЬНОЕ НАПРЯЖЕНИЕ ЦЕПИ УПРАВЛЕНИЯ US 115 V AC | 90.62 |
| 3RW4936-8VX40 | 42G | ВЕНТИЛЯТОР ОХЛАЖДЕНИЯДЛЯ УСТРОЙСТВА ПЛАВНОГО ПУСКА SIRIUS 3RW405.-.BB4., 3RW442.-. BC4., 3RW443.-.BC4., 230 V AC | 90.62 |
| 3RW4947-8VB00 | 42G | ВЕНТИЛЯТОР ОХЛАЖДЕНИЯ ДЛЯ УСТРОЙСТВА ПЛАВНОГО ПУСКА SIRIUS 3RW403 S2, 3RW404 S3 | 61.41 |
| 3RW4947-8VX30 | 42G | ВЕНТИЛЯТОР ОХЛАЖДЕНИЯДЛЯ УСТРОЙСТВА ПЛАВНОГО ПУСКА SIRIUS 3RW407.-.BB3., 3RW444.-. BC3., НОМИНАЛЬНОЕ НАПРЯЖЕНИЕ ЦЕПИ УПРАВЛЕНИЯ US 115 V AC | 90.62 |
| 3RW4947-8VX40 | 42G | ВЕНТИЛЯТОР ОХЛАЖДЕНИЯДЛЯ УСТРОЙСТВА ПЛАВНОГО ПУСКА SIRIUS 3RW407.-.BB4., 3RW444.-. BC4., 230 V AC | 90.62 |
| 3SB3000-0EA11 | 41J | ИСПОЛНИТЕЛЬНЫЙ ЭЛЕМЕНТ КНОПКА ВЫСТУПАЮЩАЯ 12MM, ЧЕРНАЯ, БЕЗ ПОДСВЕТКИ | 18.52 |
| 3SX1335 | 41J | ACCESSORY / SPARE PART FOR THE PLASTIC PROGRAM ROUND, 22MM: EXTENSION PLUNGER FOR PUSHBUTTON WITH EXTENDED STROKE, FOR COMPENSATION OF THE DISTANCE BETWEEN PUSHBUTTON AND UNLATCHING BUTTON OF A THERMAL OVERLOAD RELAY(E.G.) | 1.77 |
| 3TX7500-0A | 41B | КОНТАКТЫ ДЛЯ ПОДКЛЮЧЕНИЯ ДОП. ПРОВОДНИКОВ ДЛЯ 3TF46 ДO 3TF50 | 20.82 |
| 3ZX1012-0RW30-1AB1 | 4N1 | SIRIUS SOFT STARTER GERMAN 3RW30/40 | 34.50 |
| 3ZX1012-0RW30-1AB1 | 4N1 | SIRIUS SOFT STARTER GERMAN 3RW30/40 | 25.88 |
| 3ZX1012-0RW30-1AB1 | 4N1 | SIRIUS SOFT STARTER GERMAN 3RW30/40 | 23.00 |
| 3ZX1012-0RW30-1AB1 | 4N1 | SIRIUS SOFT STARTER GERMAN 3RW30/40 | 20.70 |
| 3ZX1012-0RW30-1AB1 | 4N1 | SIRIUS SOFT STARTER GERMAN 3RW30/40 | 18.98 |
| 3ZX1012-0RW30-1AB1 | 4N1 | SIRIUS SOFT STARTER GERMAN 3RW30/40 | 18.40 |
| 3ZX1012-0RW30-1AC1 | 4N1 | SIRIUS SOFT STARTER ENGLISH 3RW30/40 | 23.00 |
| 3ZX1012-0RW30-1AC1 | 4N1 | SIRIUS SOFT STARTER ENGLISH 3RW30/40 | 18.40 |
| 3ZX1012-0RW30-1AC1 | 4N1 | SIRIUS SOFT STARTER ENGLISH 3RW30/40 | 20.70 |
| 3ZX1012-0RW30-1AC1 | 4N1 | SIRIUS SOFT STARTER ENGLISH 3RW30/40 | 25.88 |
| 3ZX1012-0RW30-1AC1 | 4N1 | SIRIUS SOFT STARTER ENGLISH 3RW30/40 | 34.50 |
| 3ZX1012-0RW30-1AC1 | 4N1 | SIRIUS SOFT STARTER ENGLISH 3RW30/40 | 18.98 |
| 3ZX1012-0RW30-1AD1 | 4N1 | SIRIUS SOFT STARTER FRENCH 3RW30/40 | 34.50 |
| 3ZX1012-0RW30-1AD1 | 4N1 | SIRIUS SOFT STARTER FRENCH 3RW30/40 | 25.88 |
| 3ZX1012-0RW30-1AD1 | 4N1 | SIRIUS SOFT STARTER FRENCH 3RW30/40 | 23.00 |
| 3ZX1012-0RW30-1AD1 | 4N1 | SIRIUS SOFT STARTER FRENCH 3RW30/40 | 20.70 |
| 3ZX1012-0RW30-1AD1 | 4N1 | SIRIUS SOFT STARTER FRENCH 3RW30/40 | 18.98 |
| 3ZX1012-0RW30-1AD1 | 4N1 | SIRIUS SOFT STARTER FRENCH 3RW30/40 | 18.40 |
| 3ZX1012-0RW30-1AE1 | 4N1 | SIRIUS SOFT STARTER SPANISH 3RW30/40 | 18.40 |
| 3ZX1012-0RW30-1AE1 | 4N1 | SIRIUS SOFT STARTER SPANISH 3RW30/40 | 34.50 |
| 3ZX1012-0RW30-1AE1 | 4N1 | SIRIUS SOFT STARTER SPANISH 3RW30/40 | 25.88 |
| 3ZX1012-0RW30-1AE1 | 4N1 | SIRIUS SOFT STARTER SPANISH 3RW30/40 | 23.00 |
| 3ZX1012-0RW30-1AE1 | 4N1 | SIRIUS SOFT STARTER SPANISH 3RW30/40 | 20.70 |
| 3ZX1012-0RW30-1AE1 | 4N1 | SIRIUS SOFT STARTER SPANISH 3RW30/40 | 18.98 |