0

Устройства в корпусах, круглая программа - SIGNUM 3SB3

Устройства в корпусах, круглая программа - SIGNUM 3SB3

Комплектная поставка 

В наличии следующие ваианты 

  • Комплектные сборки со стандартными компонентами
  • Комплектные сборки с компонентами по требованию
  • Пустой корпус (компоненты должны быть заказаны отдельно)
  • Заказная спецификация компонентов по требованию 

Область применения

Кнопки в корпусе и светящиеся индикаторы используются для подачи команд вручную при удаленном управлении.Кнопки климатически защищены.

Спецификации

IEC 60 947-5-1 и DIN VDE 0660.

Дизайн

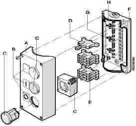
A Корпус
B Площадки с надписями
C Активатор с держателем
D Функциональный номер
E Контактные блоки, ламподержатели для нижнего монтажа
F Основание корпуса
G Буквы для идентификации командных точек
H Указатель контакта

Корпуса

Поставляется комплектно со стандартными компонентами или по требованию.

В наличии литой пластиковый корпус с 1, 2, 3, 4 или 6 командными точками. Монтажные отверстия располагаются снаружи от клеммных наконечников.

Кабельные отверстия под Pg 16/Pg 21 или M 20/M 25 винтовое подсоединение располагаются сверху или снизу короткой стороны корпуса.

Цвет корпуса:

  • Верх секции: RAL 7035 (светлосерый),
  • АВАРИЙНЫЙ-СТОП: RAL 1004 (желтый).
  • кнопочная секция: RAL 9005 (черный).

Литой пластиковый корпус соответствует защитным требованиям "Защитная изоляция".

Заказная-спецификация корпусов

Если требуется, корпус с более чем  6 командными точками, и с  AS- Интерфейсным подсоединением, то это также есть в наличии

 Активаторы

Активаторы и рассеиватели могут устанавливаться на  22 мм монтажный размер.

Активаторы устанавливаются через отверстие в верхней секции корпуса и подсоединяются к держателю оборудованному активатором и закрепляется на месте.

Контактные блоки и ламподержатели

Контактные блоки и ламподержатели защелкиваются в кнопочной секции корпуса. Каждая командная точка может быть оборудована 3 или 2 или 1 контактом и 1 ламподержателем/lламподержателем со встроенным понижителем напряжения.

Контактные блоки имеют подвижные двойные коммутационные контакты и поэтому повышают коммутационную надежность.     Поэтому они могут быть использованы в системах с жестким монтажем. Функциональная нумерация показывается на контактном блоке.

Однополюсные контактные блоки и ламподержатели могут быть использованы для фронтального монтажа.

Чертеж [PDF]

Загрузить PDF-файл.

Для просмотра информации в формате PDF необходимо установить Adobe Acrobat Reader.
Adobe Acrobat Reader

Чертеж

Дополнительную информацию Вы можете получить, нажав кнопку с этим символом.