0

Разделы

Устройство дифференциальной защиты 3UL2 - Контроль тока утечки

Устройство дифференциальной защиты 3UL2 - Контроль тока утечки

Допустимые величины сопротивлений замыкания на землю Ra

Номинальный ток утечки n

Допустимое сопротивление замыкания на землю R a при напряжении прикосновения U L

 

50 В AC

25 В AC

A

Ω

Ω

0.3

166

83

0.5

100

50

1

50

25

10

5

2.5

40

1.25

0.6


 

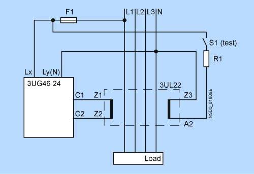
Когда установка функционирует нормально, сумма токов и их результирующее поле в суммирующем трансформаторе тока равны нулю, т.е.во вторичной обмотке трансформатора не индуктируется напряжение. Однако, если при возникновении повреждения изоляции после устройства дифференциальной защиты начинает протекать ток замыкания на землю, возникший результирующий  ток наводит во вторичной обмотке суммирующего трансформатора тока ЭДС. Это происходит независимо от того, происходит ли замыкание на землю на защищенном оборудовании или на одной из линий. Напряжение, индуктированное во вторичной обмотке, воздействует на катушку электромагнита, который переключает встроенные вспомогательные контакты 1 NO + 1 NC с блокировкой, отключающие автоматический выключатель или контактор, снимающий электропитание с поврежденного участка.

В зависимости от конкретных условий, трансформатор может быть установлен до или после автоматического выключателя.

Тестирующий резистор расцепляющего реле не предназначен для непрерывной работы. Поэтому после срабатывания реле питание с тестирующих цепей должно быть снято. Это относится к участку цепи, подключенному после автоматического выключателя. Если подключение производится  перед выключателем или выбран другой источник питания, цепи тестирования должны быть отключены с использованием вспомогательных контактов 15-16.

  • Подключение: Зажимы расцепляющих реле и суммирующих трансформаторов  типа SIGUT. Они допускают подключение двух однопроволочных проводников (от 1 до 2.5) мм или двух многопроволочных (от 0.75 до 1.5) мм2 проводников, оконцованных гильзами.
  • Монтажное положение: Расцепляющее реле и суммирующий трансформатор могут быть установлены в любом положении.

Область применения

Задача устройств дифференциальной защиты состоит в том, чтобы предотвратить чрезмерное увеличение напряжения прикосновения на открытых электропроводных частях оборудования путем отключения всех линейных и нейтрального проводников от источника питания в течение 0,2 сек. при обнаружении тока замыкания на землю, превышающего заданное значение.

В соединении с автоматическим выключателем устройство дифференциальной защиты расширяет диапазоны устройств дифференциальной защиты 5SV и 5SZ (см. Каталог I 2.1 или Интерактивный каталог ET 01).

Устройства дифференциальной защиты также пригодны для контроля замыкания на землю.

В исполнении с задержкой срабатывания возможна селективная работа с послевключенными автоматическими выключателями, объединенными с устройствами дифференциальной защиты мгновенного действия.

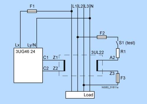
Отключающие реле 3UL21 и подключенные к ним,  но устанавливаемые отдельно суммирующие трансформаторы тока 3UL22 устойчивы к климатическим воздействиям.

Дизайн

Отключающее реле состоит из механизма расцепления и 1 NO + 1 NC (1 замыкающего и 1 размыкающего) вспомогательных контактов. Вспомогательные контакты воздействуют, например, на минимальный расцепитель связанного с устройством автоматического выключателя.

Устанавливаемый отдельно от отключающего реле суммирующий трансформатор тока также размещается в пластмассовом корпусе.

Силовые проводники, включая нейтральный, пропускаются непосредственно через окно суммирующего трансформатора тока.

Суммирующие трансформаторы тока обеспечены экранированием, которое предотвращает ошибочное срабатывание из-за больших пусковых токов двигателей.

Если требуется задержка срабатывания, то суммирующий трансформатор тока для устройств дифференциальной защиты с задержкой срабатывания следует комбинировать с предназначенным для этой же цели отключающим реле.

На лицевой панели реле находится синяя кнопка разблокировки "R", которой производится сброс (перезагрузка) самоблокирующегося после срабатывания реле в исходное состояние. Черная тестовая кнопка "T" предназначена для проверки работоспособности устройства дифференциальной защиты.

Для дифференциальной защиты все доступные для прикосновения проводящие части электрооборудования должны быть заземлены.

Однако нейтральный проводник после суммирующего трансформатора тока заземлять нельзя, т.к. в этом случае функционирование устройства дифференциальной защиты не обеспечивается.

Максимальное сопротивление заземления RA соответствующее допустимому продолжительному UL может быть получено из следующего выражения:

RA = допустимое продолжительное ULI  Номинальный ток замыкания n

Функции

Реле контроля 3UG46 24

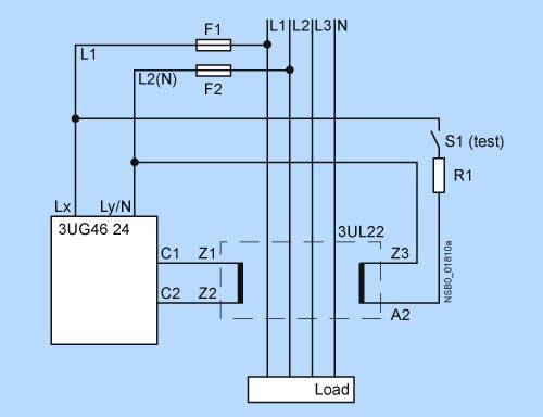
Главный проводник и любой нейтральный проводник, к которым подключается нагрузка, пропускаются через открытое центральное отверстие суммирующего трансформатора тока. Вторичная обмотка суммирующего трансформатора тока находится вокруг его центрального отверстия. Ко вторичной обмотке подключается реле контроля тока.

Если электроустановка работает в нормальном режиме, то сумма втекающих и вытекающих токов равна нулю. В этом случае,  во вторичной обмотке суммирующего трансформатора тока напряжение не индуцируется.

Однако, если происходит нарушение изоляции ниже устойства с функцией отключения по току утечки, то сумма входящих токов становится больше чем сумма выходящих токов.

Дифференциальный ток - ток утечки - индуцирует вторичный ток во вторичной обмотке трансформатора. Этот ток измеряется в реле контроля и используется с одной стороны, для отображения тока утечки, и с другой стороны, для коммутации реле, если установленные пороги предупреждения или срабатывания превышены.

Если измеренный ток утечки превышает установленный порог предупреждения, то соответствующий контакт мгновенно изменяет свое коммутационное состояние, а предупреждние выводится на индикатор. Если измеренный ток утечки превышает установленный порог срабатывания, то начинается отсчет времени задержки, а соответствующий индикотор реле начинает мигать. По истечении времени задержки, соответствующий контакт реле изменяет свое коммутационное состояние.

Контроль тока утечки с Авто-СБРОСОМ (без памяти)

Если устройство переведено в режим Авто-СБРОС, то реле коммутирует соответствующие контакты при пороге срабатывания единожды, когда значение тока падает ниже установленного гистерезиса порога и индицирует прекращением мигания соответсвующего индикатора. Соответственно, реле изменяет состояние других контактов, если значение тока падает ниже гистерезиса равного 5% от значения порога предупреждения. 

 

Контроль тока утечки с ручным СБРОСОМ (с памятью)

Если устройство переведено в режим с ручным СБРОСОМ, то  выход реле остается в сработавшем состоянии, а измеренное значение тока утечки и индикатор срабатывания продолжают мигать, даже когда значение тока утечки возвращается к допустимому значению. Для сброса реле в исходное состояние из состояния срабатывания необходимо нажать кнопки UP и DOWN одновременно более чем на две секунды или выключить и заново включить напряжение питания реле.

 

Замечание:

Нейтральный проводник  не должен быть заземлен ниже суммируещего трансформатора тока, иначе это может привести к снижению эффективности устройства защиты по току утечки.

Технические данные

 

Отключающее реле

Тип

3UL21 0, 3UL21 1

Номинальное напряжение изоляции Uii

AC 50/60 Гц

690 В

Тестирующее устройство

 

 

Пригодно для диапазона рабочих напряжений

AC 50/60 Гц

от 220 В до 415 В

 

AC 50/60 Гц

от 400 В до 690 В

Время срабатывания устройства дифференциальной защиты

 

 

3UL21 00 без задержки срабатывания

 

< 30 мс

3UL21 10 с задержкой срабатывания

 

< 200 мс

Степень защиты

 

IP20 согласно DIN 40050 и IEC 529

Вспомогательные контакты

 

1 NO + 1 NC

Номинальный рабочий ток Ie/AC-15 при 380 В

 

3 A

Допустимая температура окружающей среды

 

от -20 до +70°C

Допустимая длина соединительных проводов (подводящих и отходящих) между суммирующим трансформатором тока и отключающим реле

 

Сечение провода

1.5 мм2 ≤ 80

2.5 мм2 ≤ 140

2 x 2.5 мм2 ≤ 280


 

Суммирующий трансформатор тока

Тип

3UL22.1

3UL22.2

3UL22.3

Номинальное напряжение изоляции Ui

AC 50/60 Гц

690 В

690 В

1000 В

Номинальный ток замыкания на землю IΔn

 

 

 

 

Без задержки срабатывания

A

от 0.3 до 1

от 0.3 до 40

от 0.3 до 40

С задержкой срабатывания

A

1

от 1 до 40

от 1 до 40

Допустимая температура окружающей среды

°C

от -20 до +70°C

 

 

Размер окна 

мм

40

65

120

Для кабеля Protodur

 

 

 

 

может быть пропущен через

макс. мм2

4 x 95

4 x 240

8 x 300


 

Коммутационная способность и защита от короткого замыкания вспомогательных контактов

Обычный тепловой ток Ith

Коммутационная способность при переменном токе

 

Номинальное напряжение

Номинальный рабочий ток Ie/AC-15

A

AC В

A

6

до 230

3

6

380/400

3

500

1.5


 

Коммутационная способность и защита от короткого замыкания вспомогательных контактов

Обычный тепловой ток Ith

Коммутационная способность при постоянном токе

 

Номинальное напряжение

Номинальный рабочий ток Ie/AC-15

A

DC В

A

6

24

2

6

110

0,4

220

0.2


 

Коммутационная способность и защита от короткого замыкания вспомогательных контактов

Обычный тепловой ток Ith

Плавкий предохранитель, максимальное значение номинального тока плавкой вставки 

 

предохранитель от к.з.

миниатюрный автоматический выключатель

 

DIAZED

DIAZED

 

 

NEOZED

Быстродействующий

 

 

Класс gL/gG

 

A

A

A

A

6

10

10

6

 

10

10

6

 

10

10

6


 

Чертеж

3UG46 24

Схема подключения

3UG46 24

Пример схема 1

Пример схема 2

Пример схема 3

Расположение контактов

Заказные данные

Заказной №ОписаниеВес (кг)ДоставкаМин. зак. (шт)
3UG4624-1CS20DIGITAL MONITORING RELAY FOR FAULT CURRENT MONITORING (W. CO CONTACT 3UL22) SETTING RANGE 10 TO 100% OF CO CONTACT NOM. VALUE SEPARATE FOR ALARM THRESHOLD AND SWITCH-OFF VALUE AC 90 TO 690V AC 50 TO 60 HZ STARTUP AND TRIPPING DELAYED 0.1 TO 20S SWITCH-OFF0.1473 - 5 недель (A)1
3UG4624-2CS20DIGITAL MONITORING RELAY FOR FAULT CURRENT MONITORING (W. CO CONTACT 3UL22) SETTING RANGE 10 TO 100% OF CO CONTACT NOM. VALUE SEPARATE FOR ALARM THRESHOLD AND SWITCH-OFF VALUE AC 90 TO 690V AC 50 TO 60 HZ STARTUP AND TRIPPING DELAYED 0.1 TO 20S SWITCH-OFF0.133 - 5 недель (A)1

Аксессуары

Заказной №ОписаниеВес (кг)ДоставкаМин. зак. (шт)
3RP1902ПЛОМБИРУЕМАЯ КРЫШКА ДЛЯ УСТРОЙСТВ С 1 ИЛИ 2 ПЕРЕКИДНЫМИ КОНТАКТАМИ0.0043 - 5 недель (P)5
3RP1903АДАПТЕР ДЛЯ ВИНТОВОГО ПОДКЛЮЧЕНИЯ ДЛЯ УСТРОЙСТВ С 1 ИЛИ 2 ПЕРЕКИДНЫМИ КОНТАКТАМИ0.0023 - 5 недель (P)10
3RT1900-1SB20ИДЕНТИФИКАЦИОННАЯ ТАБЛИЧКА 20X7 MM БИРЮЗОВЫЙ ЦВЕТ УПАКОВКА С 17 РАМК. 20 ТАБЛИЧЕК НА РАМКУ = 340 ТАБЛИЧЕК (ПРЕДПОЧТИТЕЛЬНЫЙ ТИП)226 - 8 недель (C)340