0

Разделы

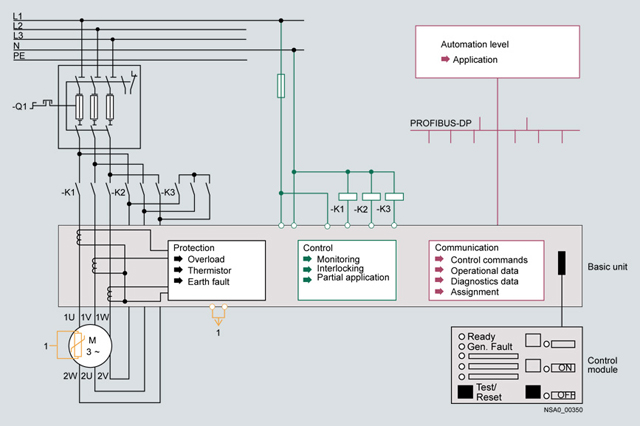
Устройство для защиты и пуска двигателей SIMOCODE-DP

Базовый модуль, модуль расширения и модуль управления SIMOCODE-DP

Микропроцессорный аппарат защиты и управления двигателями SIMOCODE-DP 3UF5 используется в основном в низковольтных распределительных устройствах для силовых шкафов управления двигателями в непрерывных процессах, и представляет собой интеллектуальное связующее звено между фидером двигателя (двигатели с постоянной частотой вращения) и автоматизированной системой управления процессом.

Эта техника позволяет повысить коэффициент готовности оборудования и одновременно сберечь средства на ввод в эксплуатацию, пуск и эксплуатационное обслуживание производственной линии.

SIMOCODE-DP решает самые различные задачи:

  • Многофункциональная электронная защита двигателей и мониторинг линии;
  • Всеобъемлющая диагностика двигателся и производственной линии;
  • Интегрированные программы управления (вместо сложных аппаратных решений);
  • Открытая коммуникация по шинам PROFIBUS-DP, стандарт для полевых шин.

Простейшая конфигурация фидера двигателя с аппаратом SIMOCODE-DP

 

Многофункциональная электронная защитадвигателя и мониторинг оборудования

SIMOCODE-DP объединяет в себе многочисленные механизмы защиты, такие как

  • Токозависимая защита двигателя (Класс 5-30),
  • Термисторная защита двигателя,
  • Блокирующая защита,
  • Контроль замыкания на землю,
  • Контроль регулируемых предельных значений тока 

чем обеспечивает бесперебойную работу.

 

Всеобъемлющая диагностика двигателей и производственной линии
  • Текущие значения тока,  
  • Коммутационное состояние двигателя,
  • Учет часов эксплуатации двигателя,
  • Число циклов коммутации двигателя,
  • Количество расцепленийвследствие перегрузки,
  • Детализированные ранние предупреждения или сообщения о сбоях.

Это дает следующие преимущества:

  • Возможность предотвращения поломок
  • Электрик/оператор производственного процесса имеют исчерпывающую информацию о рабочем состоянии фидера
  • Сбои диагностируются и устраняются в кратчайшие сроки
Интегрированная программа (вместо сложных аппаратных решений)
  • Прямой пуск,
  • Реверсивный пуск,
  • Пуск по схеме "звезда-треугольник",
  • Двухскоростные двигатели,
  • Двухскоростные двигатели Даландера,
  • Управление задвижками, 
  • Магнитный клапан, 
  • Плавный пуск. 

Эти функции уже содержат в себе на программном уровне все блокировки и связи, необходимые для обеспечения работы нужных устройств управления двигателями и через релейные выходы SIMOCODE-DP позволяют непосредственно включать и отключать контакторы двигателей.

Дополнительно эти готовые функции управления могут быть за счёт свободно параметрируемых элементов (как, например, таймеры, счётчики, логические связи И, ИЛИ, НЕ-ИЛИ ...) адаптированы к заданным пользователем специфическим особенностям фидера двигателя.

Тем самым сводятся к минимуму существенные расходы на монтаж управляющих цепей и достигается высокая степень стандартизации фидера двигателя в отношении аппаратного построения и принципиальных схем.

 

Открытая коммуникация по стандартным полевым шинам PROFIBUS DP

SIMOCODE-DP поддерживает следующие коммуникационные функции:

  • DP-V0 (цикличный обмен данными, GSD-конфигурация, диагностика)
  • DP-V1 (ацикличный обмен данными, интеграция в инженерные функции и оборудование через EDD, сигналы тревоги).

С помощью SIMOCODE-DP возможны следующие скорости передачи данных (кБит/сек):

  • 9.6
  • 45.45
  • 93.75
  • 187.5
  • 500
  • 1500

 


Дальнейшая информация

Устройство для защиты и пуска двигателей SIMOCODE-DP
Системное руководство

Для выбора оборудования и для проектирования рекомендуется использовать системное руководство 3UF57 (см. раздел Selection and Ordering Data).

CD-ROM "SIMOCODE-DP, Intelligence at the Field Level“

Краткое ознакомление с возможностями системы SIMOCODE-DP, включает руководство 3UF57, программу параметрирования Win-SIMOCODE-DP/Smart demo, примеры схем управления, и т.д. (Заказной No.: E2001-D1140-P21S-X-7400)

Курсы обучения

Двухдневный курс по конфигурированию SIMOCODE-DP (аппаратное обеспечение, функции, возможности коммуникации, практические примеры). За дальнейшей информацией и для регистрации обращайтесь:

  • Tel: +49 9131 7-27972
  • Fax: +49 9131 7-28172
Internet

http://www.siemens.de/simocode-dp

 


Аксессуары

Цена на сайте указана розничная в ЕВРО без учета НДС.Для уточнения цены и размера предоставляемой скидки - звоните или присылайте заявки

Заказной номерPGОписание продуктаЦена
3RB1900-0B41FВСТАВНЫЕ КОНТАКТЫ ДЛЯ ВИНТОВОГО МОНТАЖА НА МОНТАЖНОЙ ПЛАТЕ (1 КОМПЛЕКТ = 10 ШТУК) 38.07
3RW2920-1DA0042GСОЕДИНИТЕЛЬНЫЙ КАБЕЛЬ 5M ДЛЯ СВЯЗИ С PC 3RW22 БЛОК УПРАВЛЕНИЯ 58.65
3TX7506-0A41BКРЫШКА КОНТАКТОВ ДЛЯ ПРЕОБРАЗОВАТЕЛЯ ТОКА 3UF18 50,3UF18 52 ДЛЯ МОНТАЖА НА КОНТАКТОРЫ 3TF50 ДO 3TF52 И 3TK50 32.32
3TX7506-0B41BКРЫШКА КОНТАКТОВ, КОРОТКАЯ КРЫШКА ДЛЯ МОНТАЖА НА КОНТАКТОР БЕЗ БЛОКА РАМОЧНЫХ ЗАЖИМОВ ДЛЯ ПРЕОБРАЗОВАТЕЛЯ ТОКА 3UF1850,3UF1852 61.99
3TX7536-0A41BКРЫШКА КОНТАКТОВ ДЛЯ ПРЕОБРАЗОВАТЕЛЯ ТОКА 3UF1856,3UF1857 ДЛЯ ДЛЯ МОНТАЖА НА 3TF53 ДO 3TF57 И 3TK52/3TK54/3TK56 КОНТАКТОРЫ 48.99
3TX7536-0B41BКРЫШКА КОНТАКТОВ, КОРОТКАЯ КРЫШКА ДЛЯ МОНТАЖА НА КОНТАКТОРЫ БЕЗ БЛОКА РАМОЧНЫХ ЗАЖИМОВ ДЛЯ ПРЕОБРАЗОВАТЕЛЯ ТОКА 3UF1856/57 64.52
3TX7686-0A41BКРЫШКА КОНТАКТОВ ДЛЯ 3UF18683 ПРЕОБРАЗОВАТЕЛЯ ТОКА И ДЛЯ 3TF68 КОНТАКТОРА 57.50
3TX7686-0B41BКРЫШКА КОНТАКТОВ, КОРОТКАЯ ДЛЯ ВИНТОВОГО СОЕДИНЕНИЯ МЕЖДУ 3TF68 КОНТАКТОРОМ И 3UF18683 ПРЕОБРАЗОВАТЕЛЕМ ТОКА 54.63
3TX7696-0A41BКРЫШКА КОНТАКТОВ ДЛЯ 3UF18683G ПРЕОБРАЗОВАТЕЛЯ ТОКА И ДЛЯ 3TF69 ДЛЯ МОНТАЖА НА КОНТАКТОР 3TF69 69.23
3TX7696-0B41BКРЫШКА КОНТАКТОВ, КОРОТКАЯ ДЛЯ ВИНТОВОГО СОЕДИНЕНИЯ МЕЖДУ 3TF69 КОНТАКТОРОМ И 3UF18683G ПРЕОБРАЗОВАТЕЛЕМ ТОКА 64.40
3UF5710-0AA00-042JWIN SIMOCODE DP/PROFESSIONAL. ПРОГРАММНОЕ ОБЕСПЕЧЕНИЕ ДЛЯ ПАРАМЕТРИЗАЦИИ, УПРАВЛЕНИЯ И ВИЗУАЛИНЗАЦИИ УСТРОЙСТВА SIMOCODE-DP (3UF5) ЧЕРЕЗ PROFIBUS DPV1 ИЛИ RS 232, ЗАПУСКАЕМОЕ НА PU/PC, C WIN95/NT, НА 3.5-ДИСКЕТАХ 1943.50
3UF5711-0AA00-042JWIN SIMOCODE DP/SMART. ПРОГРАММНОЕ ОБЕСПЕЧЕНИЕ ДЛЯ ПАРАМЕТРИЗАЦИИ, УПРАВЛЕНИЯ И ВИЗУАЛИНЗАЦИИ УСТРОЙСТВА SIMOCODE-DP (3UF5) ЧЕРЕЗ 232, ЗАПУСКАЕМОЕ НА PU/PC C WIN95/NT НА 3.5 ДИСКЕТАХ 516.35
3UF5712-0AA00-042JOM SIMOCODE DP, STEP7-OBJECT- MANAGER ДЛЯ ВЫЗОВА WIN SIMOCODE-DP/ПРОФ. ИЗ STEP7, ЗАПУСКАЕМОЕ НА PU/PC C STEP7 ВЕРСИЯ 4.0 НА 3.5 ДИСКЕТАХ 649.75
3UF5720-0AA10-042JPCS7-ФУНКЦИОНАЛЬНЫЙ МОДУЛЬ SIMOCODE-DP, V6.0 ФУНКЦИОНАЛЬНЫЙ МОДУЛЬ И ЛИЦЕВАЯ ПЛАТА ДЛЯ УСТАНОВКИ SIMOCODE-DP В АСУ ТП PCS7, PCS7-ВЕРСИЯ V6.0, ФОРМА ПОСТАВКИ: НА CD, ЕДИНИЧНАЯ ЛИЦЕНЗИЯ 1299.50