0

Разделы

Устройство для защиты и пуска двигателей SIMOCODE-DP - Сиcтема обслуживания двигателей

Устройство для защиты и пуска двигателей SIMOCODE-DP - Сиcтема обслуживания двигателей

Базовый модуль, модуль расширения и модуль управления SIMOCODE-DP

Микропроцессорный аппарат защиты и управления двигателями SIMOCODE-DP 3UF5 используется в основном в низковольтных распределительных устройствах для силовых шкафов управления двигателями в непрерывных процессах, и представляет собой интеллектуальное связующее звено между фидером двигателя (двигатели с постоянной частотой вращения) и автоматизированной системой управления процессом.

Эта техника позволяет повысить коэффициент готовности оборудования и одновременно сберечь средства на ввод в эксплуатацию, пуск и эксплуатационное обслуживание производственной линии.

SIMOCODE-DP решает самые различные задачи:

  • Многофункциональная электронная защита двигателей и мониторинг линии;
  • Всеобъемлющая диагностика двигателся и производственной линии;
  • Интегрированные программы управления (вместо сложных аппаратных решений);
  • Открытая коммуникация по шинам PROFIBUS-DP, стандарт для полевых шин.

Простейшая конфигурация фидера двигателя с аппаратом SIMOCODE-DP

 

Многофункциональная электронная защитадвигателя и мониторинг оборудования

SIMOCODE-DP объединяет в себе многочисленные механизмы защиты, такие как

  • Токозависимая защита двигателя (Класс 5-30),
  • Термисторная защита двигателя,
  • Блокирующая защита,
  • Контроль замыкания на землю,
  • Контроль регулируемых предельных значений тока 

чем обеспечивает бесперебойную работу.

 

Всеобъемлющая диагностика двигателей и производственной линии

  • Текущие значения тока,  
  • Коммутационное состояние двигателя,
  • Учет часов эксплуатации двигателя,
  • Число циклов коммутации двигателя,
  • Количество расцепленийвследствие перегрузки,
  • Детализированные ранние предупреждения или сообщения о сбоях.

Это дает следующие преимущества:

  • Возможность предотвращения поломок
  • Электрик/оператор производственного процесса имеют исчерпывающую информацию о рабочем состоянии фидера
  • Сбои диагностируются и устраняются в кратчайшие сроки

Интегрированная программа (вместо сложных аппаратных решений)

  • Прямой пуск,
  • Реверсивный пуск,
  • Пуск по схеме "звезда-треугольник",
  • Двухскоростные двигатели,
  • Двухскоростные двигатели Даландера,
  • Управление задвижками, 
  • Магнитный клапан, 
  • Плавный пуск. 

Эти функции уже содержат в себе на программном уровне все блокировки и связи, необходимые для обеспечения работы нужных устройств управления двигателями и через релейные выходы SIMOCODE-DP позволяют непосредственно включать и отключать контакторы двигателей.

Дополнительно эти готовые функции управления могут быть за счёт свободно параметрируемых элементов (как, например, таймеры, счётчики, логические связи И, ИЛИ, НЕ-ИЛИ ...) адаптированы к заданным пользователем специфическим особенностям фидера двигателя.

Тем самым сводятся к минимуму существенные расходы на монтаж управляющих цепей и достигается высокая степень стандартизации фидера двигателя в отношении аппаратного построения и принципиальных схем.

 

Открытая коммуникация по стандартным полевым шинам PROFIBUS DP

SIMOCODE-DP поддерживает следующие коммуникационные функции:

  • DP-V0 (цикличный обмен данными, GSD-конфигурация, диагностика)
  • DP-V1 (ацикличный обмен данными, интеграция в инженерные функции и оборудование через EDD, сигналы тревоги).

С помощью SIMOCODE-DP возможны следующие скорости передачи данных (кБит/сек):

  • 9.6
  • 45.45
  • 93.75
  • 187.5
  • 500
  • 1500

Дизайн

Система SIMOCODE-DP состоит из следующих компонентов

  • Основной модуль
  • Модуль расширения
  • Модуль управления (панель оператора)

Основной модуль

Фронтальный вид основного модкля

Возможны следующие варианты исполнения основного модуля:

  • Шесть типоразмеров основного модуля со встроенными соответствующими трансформаторами тока до 820 A;
    трансформаторы тока для аппаратов с диапазоном тока уставки до 100 A выполнены в кострукции сквозного подключения, трансформаторы тока для более высоких токов имеют шинное подключение
  • Три варианта по напряжению управления 24 V DC, 120 V AC и 230 V AC
  • Два варианта по входу для подключения внешнего датчика:
    • Вход для подключения термистора (PTC/NTC/KTY) для прямого измерения температуры обмоток двигателя или
    • Вход для подключения суммирующего трансформатора (3UL2 20.-.A) для определения малых токов утечки на землю;
      этот вариант "внешнего" определения тока утечки обычно применяют для сетей с высоким полным сопротивлением заземления
  • Два варианта по выходным реле: Моностабильное исполнение (выходы отключаются при пропаже управляющего напряжения) или бистабильное исполнение (выходы не отключаются при пропаже управляющего напряжения)

Все исполнения основного модуля имеют четыре оптически развязанных входа, которые запитаны внутрисистемным напряжением 24 V DC. Эти входы свободно параметрируются, т.е. на них можно подать любой цифровой сигнал для управления / мониторинга фидерной сборкой.

Также есть четыре релейных, свободно параметрируемых выхода, с помощью которых можно управлять любыми исполнительными устройствами (например, контактором двигателя).

На основном модуле есть два коммуникационных интерфейса: интерфейс сетевой шины PROFIBUS DP и системный интерфейс RS232. Кабель PROFIBUS DP может быть подключен или через стандартный Sub-D разъем, или через клеммные зажимы (оптимальное решение при установке в выкатном модуле низковольтного распределительного щита).

Системный интерфейс RS232 можно использовать или для подключения дополнительных компонентов системы, таких как

  • модуль расширения
  • модуль управления (панель оператора)

или для поключения к PC с установленным программным обеспечением WIN-SIMOCODE-DP.

Модуль расширения

Фронтальный вид модуля расширения

Модуль расширения имеет дополнительно восемь свободно программируемых входов и четыре релейных выхода. Он необходим, если только недостаточно того числа входов и выходов, которое есть на основном модуле (примерно 10 % от всех прменений).

Модуль расширения получает напряжение управления от основного модуля. Входы должны запитываться от внешнего источника питания, в зависимости от исполнения модуля расширения 24 V DC, 115 V AC или 230 V AC.

Системный интерфейс RS232, расположенный слева, предназначен для подключения к основному модулю, а системный интерфейс RS232, расположенный справа, предназначен для подключения к модулю управления (панели оператора) или к PC с установленным программным обеспечением Win-SIMOCODE-DP.

Модуль управления (панель оператора)

Фронтальный вид модуля управления (панели оператора)

Мнодуль управления (панель оператора) применяется для управления моторным фидером с двери шкафа и заменяет все кнопки и лампочки, которые обычно применяются для управления и мониторинга электродвигателя.

Модуль управления (панель оператора) подключается к основному модулю или к модулю раширения через системный интерфейс RS232, расположенный сзади модуля управления. Питание на него подается от основного модуля.

Есть три свободно параметрируемых кнопки, которые предпочтительно применять для управления моторным фидером.

Есть всего восемь светодиодных индикаторов (LEDs), из которых шесть свободно параметрируются. В зависимости от поставленной задачи, можно реализовать индикацию всевозможных сигналов.

Компьютер (PC) с установленной программой  Win-SIMOCODE-DP можно подключить через системный интерфейс RS232 (расположен под крышкой IP54).

Безопасное разделение

Все электрические цепи в SIMOCODE-DP (версия изделия от 12, начало поставки с 01/2000) безопасно разделены друг от друга в соответствии с DIN VDE 0100/0106/0160, т. е. они спроектированы с двойным запасом по воздушным зазорам и расстояниям утечки. При аварии, таким образом, напряжение из аварийной цепи не воздействует на соседние цепи. В этом случае требуется соблюдение инструкций отчета испытаний "Safe isolation"  No. 1610a.

Подключение и установка

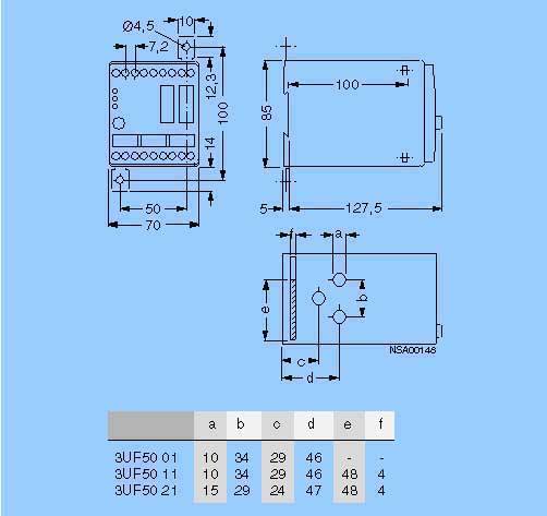
Аппараты с уставкой рабочего тока от 1.25 до 100A (типоразмер 70 мм) предназначены для отдельной установки благодаря трансформаторам тока сквозного подключения, т.е. они или устанавливаются на стандартную 35 мм рейку (по DIN EN 50 022) или прикручиваются на монтажную плату через втычные петли, которые поставляются отдельно.

Силовые проводники просто пропускаются через трансформаторы сквозного подключения, встроенные в корпус аппарата. С помощью шлейфования силового проводника можно обслуживать двигатель с номинальным током меньше чем 1.25 A.

Аппараты для номинальных токов от 100A до 820A (монтажная ширина: 120мм, 145мм и 230мм), могут быть установлены непосредственно на контакторах посредством присоединительных шин.

Узлы винтового крепления для этих аппаратов встроены в корпус.

Для аппаратов 3UF5 0 (ширина: 120мм) дополнительно имеется монтажная плата для установки на 75мм стандартной монтажной рейке.

Функции

Функции защиты и управления

Для защиты нагрузок от недопустимо высоких температур

Типы защит от перегрузки:

  • Токозависимая, электронная защита от перегрузки с переключаемым классом расцепления
    SIMOCODE-DP защищает трехфазную нагрузку или AC электродвигатель от перегрузки в соответствии с требованиями IEC 60947-4-1. Класс расцепления (trip class) определяет максимальное время расцепления, втечение которого SIMOCODE-DP должен сработать, при 7.2-кратной нагрузке из холодного состояния. Класс расцепления можно выбрать из шести значений - от Class 5 до Class 30. Таким образом, время отключения может быть точно подобрано в соответствии с моментом нагрузки на двигателе – чтобы оптимизировать эксплуатацию электродвигателя (см. также раздел Характеристика).
  • Выпадение фазы / контроль перекоса фаз
    В случае перекоса фаз более чем на 40 % выводится соответствующий сигнал. Время отключения по перегрузочной характеристике уменьшается из-за увеличенного нагрева двигателя, вызванного перекосом фаз (дополнительные потери от вихревых токов).
  • Термисторная защита электродвигателя 
    Температурозависимая защита двигателя основана на прямом измерении температуры двигателя. Эту защитную функцию особенно  рекомендуется использовать для двигателей с высокой частотой пусков, тяжелого пуска, толчкового и/или тормозного режимов, а также в случае блокирования воздухообмена или при скоростях меньше номинальной. Для этого существует широкий спектр разных температурных датчиков, которые встраиваются в обмотку статора или в корпус электродвигателя. SIMOCODE-DP может работать со следующими типами датчиков:
    • Дискретный PTC-датчик, сопротивление которого резко возрастает при достижении температурной границы
    • Аналоговый температурный датчик, такой как NTC, KTY83/84, который имеет почти линейную характеристику и, таким образом, позволяет установить любую температурную границу для предупреждения или отключения.

Тип защиты EEx e

Система SIMOCODE-DP выполнена в соответствии с нормами по защите от перегрузки двигателей во взрывозащищенном исполнении с типом защиты EEx e "Increased safety" по EN 50019 / DIN VDE 0165, DIN VDE 0170/0171 и нормам испытаний ATEX/PTB.

В случае применения SIMOCODE-DP с управляющим напряжением 24 V DC, следует использовать разделение посредством батареи или разделяющий трансформатор, в соответствии с DIN VDE 0551.

EU сертификат испытания образца No.: PTB01 ATEX 3219

Отчет испытания: PTB EX 01-30013

Защита от блокирования ротора

Когда рабочий ток двигателя превысит установленную токовую границу блокирования ротора, SIMOCODE-DP срабатывает мгновенно, а не в соответствии с токовременной характеристикой перегрузки. Предупреждение ненужных тепловых пртерь предотвращает преждевременное старение двигателя. В момент запуска двигателя защита от блокирования ротора не активна - в течении времени равному времени класса расцепления, например, для Class 10 - в течении 10 сек.

Контроль тока утечки на землю

Предлагаются два принципиально разных способа определения тока утечки на землю:

  • “Внутренний“ контроль тока утечки на землю посредством вычисления
    Внутренний контроль тока утечки на землю применяется только для электродвигателей с 3-проводным подключением и для сетей, которые имеют заземление по месту установки или с низким полным сопротивлением. В этом случае ток утечки на землю вычисляется векторным суммированием фазных токов в трансформаторах SIMOCODE-DP. Нет необходимости в дополнительном суммирующем трансформаторе тока. При отсутствии нарушений, суммарный векторный ток в трех фазах равен нулю; в противном случае сигнализируется о наличии тока утечки на землю. Ток утечки на землю регистрируется, если его значение больше 30 % от рабочего тока Ie.
  • “Внешний“ контроль тока утечки на землю посредством измерения
    Внешний контроль тока утечки на землю обычно применяется в системах, которые имеют высокое полное сопротивление заземления. Требуется дополнительный суммирующий трансформатор тока (3UL2 20.-.A) для этого метода, который также подходит для особо малых токов утечки. Регистрируемый ток утечки зависит от выбранного суммирующего трансформатора тока: 0.3 / 0.5 / 1 A

Контроль токовых границ I>, I<

Контроль токовых границ применяется не для защиты двигателя, а для мониторинга процесса.

Он применяется, чтобы определить нарушения на раннем этапе развития, например, механическая перегрузка тормозит двигатель (следствие: ток превышает верхнюю границу); или обрыв приводного ремня (следствие: ток ниже нижней границы).

Обширная диагностика двигателя и установки

SIMOCODE-DP предоставляет разнообразные данные измерения, рабочего процесса и диагностики моторного фидера:

    Актуальная информация в течении рабочего процесса
    • Текущий рабочий ток в % от установленного значения
    • Рабочее состояние двигателя (Вкл, Откл, Вправо, Влево, Быстро, Медленно), подтверждаемое рабочим током
    • Ручной/автоматический режим
    • Тестовый режим
    • Время охлаждения, активируемое после срабатывания защиты от перегрузки
    Предупреждение о предаварийном состоянии
    • Предупреждение о перегрузке
    • Выход за пределы токовых границ
    • Перекос фаз
    • Предупреждение от термистора
  • Быстрая диагностика в случае аварийного отключения по защите (до 30 специальных сообщений)
    • Защита от перегрузки
    • Термисторная защита
    • Защита от блокирования ротора
    • Выход за пределы токовых границ
    • Ошибка обратной связи (например, нет тока нагрузки после команды Включить)
  • Статистические данные для профилактического обслуживания
    • Число пусков
    • Число защитных отключений по перегрузке
    • Рабочий ток в момент отключения по перегрузке
    • Число отработанных часов

Встроенные стандартные программы для управления двигателем

В системе SIMOCODE-DP предопределены несколько готовых функций управления двигателем, которые могут назначаться путем выбора нужной функции из существующего списка:

  • Реле перегрузки
  • Прямой  пускатель
  • Реверсивный пускатель
  • Пускатель звезда-треугольник
  • Пускатель двухскоростного двигателя с обмоткой Dahlander
  • Пускатель двухскоростного двигателя с раздельными обмотками (с переключением полюсов)
  • Управление магнитным клапаном
  • Управление задвижкой
  • Управление устройством плавного пуска (SIKOSTART)

В эти стандартные программы управления уже включены все необходимые программные блокировки и логические операции, требуемые для реализации выбранной функции управления.

Кроме того, постоянно контролируется соответствие прошедшего сигнала управления полученному результату состояния моторного фидера через наличие/отсутствие рабочего тока. При обнаружении несоответствия, SIMOCODE-DP отключает контактор двигателя и выставляет сигнал ошибки.

Управление двигателем можно осуществлять сигналами от разной техники, в соответствии с поставленной задачей:

  • От компьютера/контроллера системы управления через сетевую шину PROFIBUS DP
  • От панели оператора (модуля управления), установленной на двери шкафа управления
  • От дистанционного пульта управления, кнопки/переключатели которого подключены проводами к входам SIMOCODE-DP

Стандартные функции управления могут быть также адаптированы к разным вариациям управления двигателем посредством свободно параметрируемых элементов, таких как таймеры, счетчики, логические операторы (AND, OR, NOR, и т.д.).

Более того, в системе SIMOCODE-DP уже записаны специальные стандартные функциональные блоки:

  • Самозапуск двигателя с задержкой времени после восстановления пропавшего напряжения в силовой цепи
    Для этого функционального блока необходимо обеспечить следующее:
    • Сигнал о пропаже напряжения в трехфазной силовой цепи должен быть получен от отдельного реле контроля напряжения
    • На самом устройстве SIMOCODE-DP должно присутствовать напряжение управления
  • Сигнальные модули различных ошибок с квитированием / без квитирования
    Они позволяют SIMOCODE-DP отключиться в случае возникновения внешних ошибок (например, по сигналу ограничителя скорости вращения)
  • Функция аварийного пуска
    Позволяет сбросить тепловую память устройства SIMOCODE-DP сразу после защитного отключения по перегрузке, т.е. позволяет сразу перезапустить двигатель (это важно, например, для насосов пожаротушения)
  • Функция разрешения тестирования фидера
    Она может быть активирована отключением главного выключателя Q1 (см. раздел Схема подключения) и позволяет тестировать цепи управления при отсутствии тока нагрузки в силовой цепи

Автономная работа

Значительной особенностью устройства SIMOCODE-DP является автономность работы всех встроенных функций защиты и управления, т.е. даже в случае сбоя шинной системы коммуникации или системы автоматизации, гарантируется корректная работа фидера электродвигателя.

Интеграция

Универсальное решение с SIMOCODE-DP для разных систем автоматизации

Для щитов управления в составе коммуникационной системы, кроме функциональных возможностей и аппаратного обеспечения, большое значение имеет способность к системной интеграции, т.е. способность к оптимальной интеграции в разные системы автоматизации с разной конфигурацией.

По этой причине, система SIMOCODE-DP предлагает на выбор широкий спектр программного обеспечения для быстрого конфигурирования всей системы и диагностики:

  • Программное обеспечение Win-SIMOCODE-DP для РС для пусконаладки и обслуживания
  • Объект-менеджер OM-SIMOCODE для "полной интеграции“ в SIMATIC S7
  • Функциональный блок FB-SIMOCODE для "полной интеграции“ в PCS7

Программное обеспечение Win-SIMOCODE-DP для пусконаладки и обслуживания

Win-SIMOCODE-DP - это "Plug and Play“, независимая от процесса, стандартная PC программа для пусконаладки и обслуживания.

Программа предлагает дружественный и удобный пользовательский интерфейс для

  • Параметрирования
  • Отображения данных и диагностики
  • Тестовых функций
  • Управления электродвигателем

Существуют две версии программы Win-SIMOCODE-DP:

  • Win-SIMOCODE-DP / Smart
    Соединяется с SIMOCODE-DP через интерфейс RS232, т.е. точка-с-точкой
  • Win-SIMOCODE-DP / Professional
    Соединяется с SIMOCODE-DP выборочно 
    • через интерфейс RS232, или 
    • через шину PROFIBUS DP (V1)

Объект-менеджер OM-SIMOCODE для "полной интеграции“ в SIMATIC S7

SIMOCODE-DP может быть интегрирован в SIMATIC S7 двумя разными способами:

  • Обычным способом с помощью GSD - файлов
    Таким образом, интеграция в SIMATIC S7 идентична интеграции в любую другую стандартную DP мастер-систему
  • С помощью объект-менеджера OM-SIMOCODE-DP  
    Здесь SIMOCODE-DP становится встроенным компонентом STEP 7, в этом случае объект-менеджер OM-SIMOCODE-DP следует всегда объединять с программой Win-SIMOCODE-DP/Professional

Оба программных пакета должны быть установлены на PG/PC, на котором представлена аппаратная конфигурация SIMATIC S7.

Это обеспечивает возможность вызова программы Win-SIMOCODE-DP/Professional непосредственно из HW-Config.

Набор параметров, созданный программой Win-SIMOCODE-DP/Professional загружается в данные STEP 7 при помощи OM и автоматически передается в SIMOCODE-DP во время запуска контроллера.

Поддерживаются специфические функции SIMATIC S7, такие как диагностика и аппаратные прерывания, что позволяет облегчить S7-конфигурирование а также повысить эффективность передачи данных диагностики

Функциональный блок FB-SIMOCODE для "полной интеграции“ в PCS7

Системно-ориентированная интеграция в систему PCS7 требует соответствующие функциональные блоки и экранные панели для соответствующих аппаратов.

PCS7-FB SIMOCODE-DP поддерживает стандартную обработку SIMOCODE-DP-специфичных данных в прикладной программе системы автоматизации.

Экранная панель (графический блок) SIMOCODE-DP предлагает стандартизированный пользовательский интерфейс для SIMOCODE-DP на станции оператора PCS7.

Это позволяет легко интегрировать SIMOCODE-DP в PCS7 и сэкономить время в процессе конфигурирования.

Process Device Manager "PDM“ поддерживает централизованную параметризацию и диагностику всех полевых приборов на PROFIBUS DP или применение Hart протокола со стороны станции разработчика PC S7 (Engineering Station).

SIMOCODE-DP интегрирован в PDM посредством соответствующего описания аппарата. Функциональные возможности соответствуют возможностям Win-SIMOCODE-DP, однако интерфейс пользователя унифицирован, как и для всех других типов полевых устройств.

Технические данные [PDF]

Загрузить PDF-файл.

Для просмотра информации в формате PDF необходимо установить Adobe Acrobat Reader.
Adobe Acrobat Reader

Технические данные

Общие технические данные для основного модуля / модуля расширения / модуля управления

Допустимая внешняя температура при работе, в °C

-25 ... +60

Допустимая температура при хранении, в °C

-40 ... +80

Высота установки над уровнем моря, в метрах

≤ 2000

Степень защиты (по IEC 60 529)

IP20 для max. рабочий ток Ie ≤ 100 A
IP00 для max. рабочий ток Ie > 100 A

Ударная стойкость (синусоидальный удар)

10 г / 5 мсек

Монтажное положение

Любое

Установка

 

  • Макс. рабочий ток Ie ≤ 100 A

Крепление защелкой на стандартной 35 мм монтажной рейке или винтовое крепление на монтажной плате через втычные петли.

  • Макс. рабочий ток  Ie > 100 A

Винтовое крепление прямо на контакторе или винтовое крепление на монтажной плате

EMC устойчивость к электромагнитным помехам

 

  • Помехи поступающие по линии, импульс по IEC 61 000-4-4

2 кВ (соответствует степени остроты 3)

  • Помехи поступающие по линии, синус по IEC 61 000-4-5

2 кВ (соответствует степени остроты 3)

  • Электростатический разряд по IEC 61 000-4-2

8 кВ (соответствует степени остроты 3)

  • Помехи создаваемые полями по IEC 61 000-4-3

10 В/м (соответствует степени остроты 3)

EMC излучение электромагнитных помех

Класс предельных величин B по DIN VDE 0875 Part 11/ EN 55 011

Безопасное разделение
в соотв. DIN VDE 0100 / 0106 / 0160 (версия продукта от 12, начало поставки 01/2000)

Все цепи в SIMOCODE-DP безопасно разделены друг от друга, они спроектированы с двойным запасом по воздушным зазорам и расстояниям утечки.

Силовая цепь от цепей управления/электроники:
безопасное разделение до 690 В или 1000 В

Между цепями управления и электроники:

безопасное разделение до 300 В

Следует соблюдать инструкции отчета испытаний "Безопасное разделение" No. 1610a.

Основной модуль

Индикация

 

  • Зеленый светодиод "Ready" ("Готов")

Горит постоянно: “Готов к работе"

Не горит: “Нет напряжения питания цепи управления" или "Отрицательный результат тестирования; аппарат блокирован"

  • Зеленый светодиод "Bus" ("Шина")

Горит постоянно: “Шина в работе"

  • Красный светодиод "General fault" ("Общая ошибка")

Горит постоянно/мигает: “Отказ фидера", например, отключение при перегрузке

Кнопка Test/Reset

Нажатием кнопки Test/Reset можно сбросить ошибку (блокировку) аппарата после срабатывания или протестировать аппарат

Системный интерфейс

RS 232 для подключения к модулю расширения, модулю управления или для подключения к PC

Интерфейс PROFIBUS DP

RS 485 для соединения с шиной PROFIBUS DP через клеммы (зажимы для обычного провода) или через 9-полюсный SUB D разъем

Главная силовая цепь

 

Номинальное напряжение изоляции Ui
(при степени загрязненности 3) в В

 

  • Для неизолированных проводников
    (3UF5 001 до 3UF5 021)

690

  • Для изолированных проводников
    (3UF5 001 до 3UF5 021)

1000

  • Для изолированных и неизолированных проводников
    (3UF5 031 до 3UF5 051)

1000

Расчетное импульсное выдерживаемое напряжение Uimp в кВ

 

  • 3UF50 001 ... 3UF50 021

6

  • 3UF5 031 ... 3UF5 051

8

Номинальная частота в Гц

50 / 60

Вид тока

Трехфазный

Защита от короткого замыкания

См. таблицу Защита от короткого замыкания плавкими вставками для фидеров двигателей ....

Диаметр сквозных проходных отверстий
(max. Ie = 100 A) в мм

 

  • Аппараты с max. рабочим током Ie ≤ 25 A

10

  • Аппараты с max. рабочим током Ie ≤ 100 A

15

  • Аппараты с max. рабочим током Ie > 100 A

Конструкция с присоединительными шинами

Присоединительные шины

 

  • Диапазон рабочего тока, в A

50 ... 205

125 ... 500

200 ... 820

  • Момент затяжки, в Нм (Nm)

M 8: 10 ... 14

M 10: 14 ... 24

M 10: 14 ... 24
M 12: 20 ... 35

  • Тонкожильное с кабельным наконечником, в мм2

35 ... 95

50 ... 240

50 ... 240

  • Многожильное с кабельным наконечником, в мм2

50 ... 120

70 ... 240

70 ... 240

Цепи управления/вспомогательные цепи

 

Номинальное напряжение управления Us

AC 50/60 Гц
115 В и 230 В

24 В DC

Рабочий диапазон

AC 50/60 Гц
0.85 ... 1.1 x Us

24 В DC
0.85 ... 1.2 × Us
(DIN 19 240)

Потребляемая мощность

50/60 Гц AC, 5 ВА

24 В DC, 5 Вт

Номинальное напряжение изоляции Ui в В

300 (при степени загрязненности 3)

Расчетное импульсное выдерживаемое напряжение Uimp в кВ

4

Выходы

 

  • Количество

4 моностабильных/бистабильных выхода (зависит от типа аппарата)

  • Вспомогательные контакты 4-х выходов

Срабатывание NC контакта можно параметризовать путем внутреннего согласования сигналов, 3 выхода подключены совместно и 1 раздельно к общему потенциалу; их можно свободно назначать для функций управления (например, для управления главным контактором, контактором звезды и треугольника, а также для сигнализации рабочего состояния)

  • Предписанная защита от короткого замыкания для вспомогательных контактов (выходов)

Плавкие вставки категории gL/gA 6 A, быстроплавкие 10 A; автоматический выключатель, 1.6 A, характеристика C

Номинальный длительный ток, в A

5

Номинальный рабочий ток
(коммутационная способность)

AC-15; 6 A/24 В; 6 A/120 В; 3 A/230 В
DC-13; 2 A/24 В; 0.55 A/60 В; 0.25 A/125 В

Входы

4 входа, запитаны от аппаратной электроники (24 В DC), совместно подключены к общему потенциалу, используются для ввода сигналов процесса, таких как кнопок местного управления, поворотных переключателей или граничных выключателей

Термисторная защита электродвигателя
(двоичный PTC термистор)

 

  • Полное сопротивление (в холодном состоянии), в kΩ

1.5

  • Порог срабатывания, в kΩ

2.7 ... 3.1

  • Порог возврата, в kΩ

1.5 ... 1.65

Поперечное сечение проводника

 

  • Момент затяжки, в Нм (Nm)

0.8 ... 1.2

  • Одножильный и многожильный провод, в мм2

1 × (0.5 ... 4.0); 2 × (0.5 ... 2.5)

  • Тонкожильный провод с/без гильзы, в мм2

1 × (0.5 ... 2.5); 2 × (0.5 ... 1.5)

Модуль расширения

Системный интерфейс

RS 232 для подключения к основному модулю и для подключения к модулю управления или к PC

Номинальное напряжение изоляции Ui в В

300 (при степени загрязненности 3)

Расчетное импульсное выдерживаемое напряжение Uimp в кВ

4

Выходы

 

  • Количество

4 бистабильных выхода

  • Вспомогательные контакты 4-х выходов

Каждый выход имеет 1 NO контакт, срабатывание NC контакта можно параметризовать путем внутреннего согласования сигналов, 3 выхода подключены совместно и 1 раздельно к общему потенциалу; их можно свободно назначать для функций управления (например, для управления главным контактором, контактором звезды и треугольника, а также для сигнализации рабочего состояния)

  • Предписанная защита от короткого замыкания для вспомогательных контактов (выходов)

Плавкие вставки категории gL/gA 6 A, быстроплавкие 10 A;
автоматический выключатель, 1.6 A, характеристика C

Номинальный длительный ток, в A

5

Номинальный рабочий ток
(коммутационная способность)

AC-15; 6 A/24 В; 6 A/120 В; 3 A/230 В
DC-13; 2 A/24 В; 0.55 A/60 В; 0.25 A/125 В

Входы

8 входов запитываются извне 24 В DC, или 115 В AC, или 230 В AC подключены совместно к общему потенциалу, используются для ввода сигналов процесса, таких как кнопок местного управления, поворотных переключателей или граничных выключателей

Поперечное сечение проводника

 

  • Момент затяжки, в Нм (Nm)

0.8 ... 1.2

  • Одножильный и многожильный провод, в мм2

1 × (0.5 ... 4.0); 2 × (0.5 ... 2.5)

  • Тонкожильный провод с/без гильзы, в мм2

1 × (0.5 ... 2.5); 2 × (0.5 ... 1.5)

Модуль управления (панель оператора)

Индикация

 

  • Зеленый светодиод "Ready"

Горит постоянно: “Готов к работе"
Не горит: “Нет напряжения питания цепи управления" или "Отрицательный результат тестирования; аппарат блокирован"

  • Красный светодиод "General fault"

Горит постоянно/мигает: “Отказ фидера", например, отключение при перегрузке

  • 3 зеленых и 3 желтых светодиода

Индикация особых состояний фидера, свободно назначаются, например, ручной/автоматический режим, отключение по термисторной защите, вращение влево/вправо и т.д.

Кнопки

 

  • Кнопка Test/Reset

Нажатием кнопки Test/Reset можно сбросить ошибку (блокировку) аппарата после срабатывания или протестировать аппарат

  • Кнопки управления

Для управления фидером двигателя, свободно параметрируются.

Системный интерфейс

RS 232 для подключения к основному модулю или модулю расширения и для подключения к PC


 

Защита от короткого замыкания плавкими вставками для фидеров двигателей при токах короткого замыкания до 50 кА при 690 В для 3RB1 2 и 3UF5 0. Часть 1

Реле перегрузки

Контактор

Класс расцепления

5 и 10

15

20

25

30

Номинальный рабочий ток I e AC-3 в A при ...В

400

500

690

400

500

690

400

500

690

400

500

690

400

500

690

Диапазон уставок тока 1.25 до 6.3 A

3UF5 00

3RT1 015

6.

50

0

63

50

4.0

6.3

5.0

4.0

6.3

5.0

4.0

6.3

5.0

4.0

3RT1 016

6.3

6.3

5.2

6.3

6.3

5.2

6.3

6.3

5.2

6.3

6.3

5.2

6.3

6.3

5.2

3RT1 017

6.3

6.3

6.3

6.3

6.3

6.3

6.3

6.3

6.3

6.3

6.3

6.3

6.3

6.3

6.3

Диапазон уставок тока 6.3 до 25 A

3UF5 01

3RT1 015

7.0

 

 

7.0

 

 

7.0

 

 

7.0

 

 

7.0

 

 

3RT1 016

9.0

6.5

 

9.0

6.5

 

9.0

6.5

 

9.0

6.5

 

9.0

6.5

 

3RT1 017

12.0

9.0

6.3

11.0

9.0

6.3

10.0

9.0

6.3

9.5

9.0

6.3

9.0

9.0

6.3

3RT1 024

12.0

12.0

9.0

12.0

12.0

9.0

12.0

12.0

9.0

12.0

12.0

9.0

12.0

12.0

9.0

3RT1 025

17.0

17.0

13.0

17.0

17.0

13.0

16.0

16.0

13.0

15.0

15.0

13.0

14.0

14.0

13.0

3RT1 026

25.0

18.0

13.0

18.0

18.0

13.0

16.0

16.0

13.0

15.0

15.0

13.0

14.0

14.0

13.0

3RT1 034

25.0

25.0

20.0

25.0

25.0

20.0

22.3

22.3

20.0

20.3

20.3

20.3

19.1

19.1

19.1

3RT1 035

25.0

25.0

24.0

25.0

25.0

24.0

25.0

25.0

24.0

25.0

25.0

24.0

25.0

25.0

24.0

Диапазон уставок тока 25 до 100 A

3UF5 02

3RT1 034

32.0

32.0

20.0

25.5

25.5

20.0

22.3

22.3

20.0

20.3

20.3

20.0

19.1

19.1

19.1

3RT1 035

40.0

40.0

24.0

33.0

33.0

24.0

29.4

29.4

24.0

28.0

28.0

24.0

26.5

26.5

24.0

3RT1 036

50.0

50.0

24.0

38.5

38.5

24.0

32.7

32.7

24.0

29.4

29.4

24.0

26.5

26.5

24.0

3RT1 044

65.0

65.0

47.0

56.0

56.0

47.0

49.0

49.0

47.0

45.0

45.0

45.0

41.7

41.7

41.7

3RT1 045

80

80

58

61

61

58

53

53

53

47

47

47

45

45

45

3RT1 046

95

95

58

69

69

58

59

59

58

53

53

53

50

50

50

Диапазон уставок тока 50 до 205 A

3UF5 03

3RT1 054

115

115

115

93

93

93

82

82

82

75

75

75

69

69

69

3RT1 055

150

150

150

122

122

122

107

107

107

98

98

98

90

90

90

3RT1 056

185

185

170

150

150

150

131

131

131

120

120

120

111

111

111

Диапазон уставок тока 125 до 500 A

3UF5 04

3RT1 064

225

225

225

182

182

182

160

160

160

146

146

146

135

135

135

3RT1 065

265

265

265

215

215

215

188

188

188

172

172

172

159

159

159

3RT1 066

300

300

280

243

243

243

213

213

213

195

195

195

180

180

180

3RT1 075

400

400

400

324

324

324

284

284

284

260

260

260

240

240

240

3RT1 076

500

500

450

405

405

405

355

355

355

325

325

325

300

300

300

3RT1 264

225

225

225

225

225

225

225

225

225

194

194

194

173

173

173

3RT1 265

265

265

265

265

265

265

265

265

265

228

228

228

204

204

204

3RT1 266

300

300

300

300

300

300

300

300

300

258

258

258

231

231

231

3RT1 275

400

400

400

400

400

400

400

400

400

344

344

344

308

308

308

3RT1 276

500

500

500

500

500

500

500

500

500

430

430

430

385

385

385

Диапазон уставок тока 200 до 820 A

3UF5 05

3TF6 8 1)

630

630

630

502

502

502

440

440

440

408

408

408

376

376

376

3TF6 9 1)

820

820

820

662

662

662

572

572

572

531

531

531

500

500

500


1) Возможна установка на контакторе.


Защита от короткого замыкания плавкими вставками для фидеров двигателей при токах короткого замыкания до 50 кА при 690 В для 3RB1 2 и 3UF5 0. Часть 2

Реле перегрузки

Контактор

Плавкие вставки 2 )

690 В

415 В

600 В

LV HRC
DIAZED
NEOZED
категория
gL (gG)

Тип 3NA
Тип 5SB
Тип 5SE

Тип 3ND
aM

Британский стандарт. Вставки BS88
тип T

U L -listed Вставки RK5

Тип координации 3 )

1

2

Диапазон уставок тока 1.25 до 6.3 A

3UF5 00

3RT1 015

35

20

 

20

25

3RT1 016

35

20

 

20

25

3RT1 017

35

20

 

20

25

Диапазон уставок тока 6.3 до 25 A

3UF5 01

3RT1 015

35

20

 

20

60

3RT1 016

35

20

 

20

60

3RT1 017

35

20

 

20

60

3RT1 024

63

25

20

25

70

3RT1 025

63

25

20

25

70

3RT1 026

100

35

20

25

100

3RT1 034

125

63

50

63

100

3RT1 035

125

63

50

63

100

Диапазон уставок тока 25 до 100 A

3UF5 02

3RT1 034

125

63

50

63

125

3RT1 035

125

63

50

63

150

3RT1 036

160

80

50

80

200

3RT1 044

250

125

63

125

250

3RT1 045

250

160

80

160

250

3RT1 046

250

160

100

160

350

Диапазон уставок тока 50 до 205 A

3UF5 03

3RT1 054

355

315

160

250

450

3RT1 055

355

315

200

315

500

3RT1 056

355

315

200

315

500

Диапазон уставок тока 125 до 500 A

3UF5 04

3RT1 064

500

400

250

-

700

3RT1 065

500

400

315

-

800

3RT1 066

500

400

315

-

800

3RT1 075

630

400

400

-

1000

3RT1 076

630

500

500

-

1200

3RT1 264

500

500

400

-

800

3RT1 265

500

500

400

-

800

3RT1 266

500

500

400

-

800

3RT1 275

800

800

630

-

1200

3RT1 276

800

800

630

-

1200

Диапазон уставок тока 200 до 820 A

3UF5 05

3TF6 8 1)

1000

500 4)

630

500

1200

3TF6 9 1)

1250

630 4)

630

630

2000
CLASS L


1) Возможна установка на контакторе.

2) Следует придерживаться рабочего напряжения.

3) Тип координации и аппараты защиты от короткого замыкания в соответствии с IEC 947-4-1/DIN VDE 660 часть 102:

  • Тип координации "1”: В случае короткого замыкания, контактор или пускатель не должен представлять опасность для персонала или для установки. Они не обязательно должны остаться пригодными для дальнейшей эксплуатации без ремонта и замены деталей.
  • Тип координации "2”: В случае короткого замыкания, контактор или пускатель не должен представлять опасность для персонала или для установки. Они должны остаться пригодными для дальнейшей эксплуатации. Возможно лишь залипание контактов.

4) Убедитесь, что максимальный рабочий ток AC-3 достаточно отличается от номинального тока предохранителя.

Характеристика

Характеристика отключения для 3-полюсной нагрузки

Время-токовая кривая для 3-полюсной симметричной нагрузки показывает зависимость между временем срабатывания из холодного состояния и кратным значением рабочего тока.

Если фидер был предварительно нагружен (100 % от тока уставки), то время срабатывания уменьшается.

 

Характеристика отключения для 2-полюсной нагрузки

В случае 2-полюсной нагрузки (выпадение одной фазы) или при токовой асимметрии > 40 % от тока уставки, время срабатывания уменьшается вследствии роста тепла, выделяемого из-за несбалансированной нагрузки на двигателе.

 

Чертеж

3UF5 001, 3UF5 011 и 3UF5 021 основные модули

 

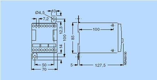
3UF5 031, 3UF5 041 и 3UF5 051 основные модули

 

3UF5 1 модуль расширения

 

3UF5 2 модуль управления (панель оператора)

Схема подключения

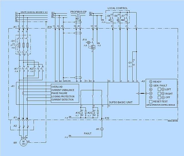
Схема реверсивного пускателя с SIMOCODE-DP

Все остальные схемы, реализующие функции управления: перегрузка, прямой пускатель, пускатель звезда-треугольник, пускатель двигателя с переключением полюсов, пускатель двигателя с обмотками Dahlander, управление магнитным клапаном, управление задвижкой(servo drive) и управление устройством плавного пуска SIKOSTART 3RW22, а также пример конфигурирования включены в состав системного руководства 3UF57.

Дальнейшая информация

Системное руководство

Для выбора оборудования и для проектирования рекомендуется использовать системное руководство 3UF57 (см. раздел Selection and Ordering Data).

CD-ROM "SIMOCODE-DP, Intelligence at the Field Level“

Краткое ознакомление с возможностями системы SIMOCODE-DP, включает руководство 3UF57, программу параметрирования Win-SIMOCODE-DP/Smart demo, примеры схем управления, и т.д. (Заказной No.: E2001-D1140-P21S-X-7400)

Курсы обучения

Двухдневный курс по конфигурированию SIMOCODE-DP (аппаратное обеспечение, функции, возможности коммуникации, практические примеры). За дальнейшей информацией и для регистрации обращайтесь:

  • Tel: +49 9131 7-27972
  • Fax: +49 9131 7-28172

Internet

Дополнительную информацию Вы можете получить в Интернете по адресу.

http://www.siemens.de/simocode-dp

Заказные данные

Заказной №ОписаниеВес (кг)ДоставкаМин. зак. (шт)
3UF5001-3AB00-1SIMOCODE-DP ОСНОВНОЙ МОДУЛЬ PROFIBUS-DP ИНТЕРФЕЙС 1.5 MBAUD, RS485 4I/40 СВОБОДНО ПАРАМЕТРИРУЕМЫЙ US: DC 24V 1.25-6.3A, ШИРИНА 70MM, ВХОД ДЛЯ ПОДКЛЮЧЕНИЯ ТЕРМИСТОРА, МОНОСТАБИЛЬНЫЕ ВЫХОДЫ0.6913 - 5 недель (A)1
3UF5001-3AB10-1SIMOCODE-DP ОСНОВНОЙ МОДУЛЬ PROFIBUS-DP ИНТЕРФЕЙС 1.5 MBAUD, RS485 4I/40 СВОБОДНО ПАРАМЕТРИРУЕМЫЙ US: DC 24V 1.25-6.3A, ШИРИНА 70MM, ВХОД ДЛЯ ПОДКЛЮЧЕНИЯ ТЕРМИСТОРА, БИСТАБИЛЬНЫЕ ВЫХОДЫ0.7084 - 6 недель (B)1
3UF5001-3AJ00-1SIMOCODE-DP ОСНОВНОЙ МОДУЛЬ PROFIBUS-DP ИНТЕРФЕЙС 1.5 MBAUD, RS485 4I/40 СВОБОДНО ПАРАМЕТРИРУЕМЫЙ US: AC 115V, 50/60HZ 1.25-6.3A, ШИРИНА 70MM, ВХОД ДЛЯ ПОДКЛЮЧЕНИЯ ТЕРМИСТОРА, МОНОСТАБИЛЬНЫЕ ВЫХОДЫ0.813 - 5 недель (A)1
3UF5001-3AJ10-1SIMOCODE-DP ОСНОВНОЙ МОДУЛЬ PROFIBUS-DP ИНТЕРФЕЙС 1.5 MBAUD, RS485 4I/40 СВОБОДНО ПАРАМЕТРИРУЕМЫЙ US: AC 115V, 50/60HZ 1.25-6.3A, ШИРИНА 70MM, ВХОД ДЛЯ ПОДКЛЮЧЕНИЯ ТЕРМИСТОРА, БИСТАБИЛЬНЫЕ ВЫХОДЫ0.824 - 6 недель (B)1
3UF5001-3AN00-1SIMOCODE-DP ОСНОВНОЙ МОДУЛЬ PROFIBUS-DP ИНТЕРФЕЙС 1.5 MBAUD, RS485 4I/40 СВОБОДНО ПАРАМЕТРИРУЕМЫЙ US: AC 230V, 50/60HZ 1.25-6.3A, ШИРИНА 70MM, ВХОД ДЛЯ ПОДКЛЮЧЕНИЯ ТЕРМИСТОРА, МОНОСТАБИЛЬНЫЕ ВЫХОДЫ0.8323 - 5 недель (A)1
3UF5001-3AN10-1SIMOCODE-DP ОСНОВНОЙ МОДУЛЬ PROFIBUS-DP ИНТЕРФЕЙС 1.5 MBAUD, RS485 4I/40 СВОБОДНО ПАРАМЕТРИРУЕМЫЙ US: AC 230V, 50/60HZ 1.25-6.3A, ШИРИНА 70MM, ВХОД ДЛЯ ПОДКЛЮЧЕНИЯ ТЕРМИСТОРА, БИСТАБИЛЬНЫЕ ВЫХОДЫ0.8334 - 6 недель (B)1
3UF5001-3BB00-1SIMOCODE-DP ОСНОВНОЙ МОДУЛЬ PROFIBUS-DP ИНТЕРФЕЙС 1.5 MBAUD, RS485 4I/40 СВОБОДНО ПАРАМЕТРИРУЕМЫЙ US: DC 24V 1.25-6.3A, ШИРИНА 70MM, ВХОД СУММИРУЮЩЕГО ТРАНСФОРМАТОРА ТОКА ДЛЯ КОНТРОЛЯ ЗАМЫКАНИЯ НА ЗЕМЛЮ, МОНОСТАБИЛЬНЫЕ ВЫХОДЫ0.7123 - 5 недель (A)1
3UF5001-3BB10-1SIMOCODE-DP ОСНОВНОЙ МОДУЛЬ PROFIBUS-DP ИНТЕРФЕЙС 1.5 MBAUD, RS485 4I/40 СВОБОДНО ПАРАМЕТРИРУЕМЫЙ US: DC 24V 1.25-6.3A, ШИРИНА 70MM, ВХОД СУММИРУЮЩЕГО ТРАНСФОРМАТОРА ТОКА ДЛЯ КОНТРОЛЯ ЗАМЫКАНИЯ НА ЗЕМЛЮ, БИСТАБИЛЬНЫЕ ВЫХОДЫ0.74 - 6 недель (B)1
3UF5001-3BJ00-1SIMOCODE-DP ОСНОВНОЙ МОДУЛЬ PROFIBUS-DP ИНТЕРФЕЙС 1.5 MBAUD, RS485 4I/40 СВОБОДНО ПАРАМЕТРИРУЕМЫЙ US: AC 115V, 50/60HZ 1.25-6.3A, ШИРИНА 70MM, ВХОД СУММИРУЮЩЕГО ТРАНСФОРМАТОРА ТОКА ДЛЯ КОНТРОЛЯ ЗАМЫКАНИЯ НА ЗЕМЛЮ, МОНОСТАБИЛЬНЫЕ ВЫХОДЫ0.8353 - 5 недель (A)1
3UF5001-3BJ10-1SIMOCODE-DP ОСНОВНОЙ МОДУЛЬ PROFIBUS-DP ИНТЕРФЕЙС 1.5 MBAUD, RS485 4I/40 СВОБОДНО ПАРАМЕТРИРУЕМЫЙ US: AC 115V, 50/60HZ 1.25-6.3A, ШИРИНА 70MM, ВХОД СУММИРУЮЩЕГО ТРАНСФОРМАТОРА ТОКА ДЛЯ КОНТРОЛЯ ЗАМЫКАНИЯ НА ЗЕМЛЮ, БИСТАБИЛЬНЫЕ ВЫХОДЫ0.8314 - 6 недель (B)1
3UF5001-3BN00-1SIMOCODE-DP ОСНОВНОЙ МОДУЛЬ PROFIBUS-DP ИНТЕРФЕЙС 1.5 MBAUD, RS485 4I/40 СВОБОДНО ПАРАМЕТРИРУЕМЫЙ US: AC 230V, 50/60HZ 1.25-6.3A, ШИРИНА 70MM, ВХОД СУММИРУЮЩЕГО ТРАНСФОРМАТОРА ТОКА ДЛЯ КОНТРОЛЯ ЗАМЫКАНИЯ НА ЗЕМЛЮ, МОНОСТАБИЛЬНЫЕ ВЫХОДЫ0.8263 - 5 недель (A)1
3UF5001-3BN10-1SIMOCODE-DP ОСНОВНОЙ МОДУЛЬ PROFIBUS-DP ИНТЕРФЕЙС 1.5 MBAUD, RS485 4I/40 СВОБОДНО ПАРАМЕТРИРУЕМЫЙ US: AC 230V, 50/60HZ 1.25-6.3A, ШИРИНА 70MM, ВХОД СУММИРУЮЩЕГО ТРАНСФОРМАТОРА ТОКА ДЛЯ КОНТРОЛЯ ЗАМЫКАНИЯ НА ЗЕМЛЮ, БИСТАБИЛЬНЫЕ ВЫХОДЫ0.84 - 6 недель (B)1
3UF5011-3AB00-1SIMOCODE-DP ОСНОВНОЙ МОДУЛЬ PROFIBUS-DP ИНТЕРФЕЙС 1.5 MBAUD, RS485 4I/40 СВОБОДНО ПАРАМЕТРИРУЕМЫЙ US: DC 24V 6.3A - 25A, ШИРИНА 70MM, ВХОД ДЛЯ ПОДКЛЮЧЕНИЯ ТЕРМИСТОРА, МОНОСТАБИЛЬНЫЕ ВЫХОДЫ0.6973 - 5 недель (A)1
3UF5011-3AB10-1SIMOCODE-DP ОСНОВНОЙ МОДУЛЬ PROFIBUS-DP ИНТЕРФЕЙС 1.5 MBAUD, RS485 4I/40 СВОБОДНО ПАРАМЕТРИРУЕМЫЙ US: DC 24V 6.3A - 25A, ШИРИНА 70MM, ВХОД ДЛЯ ПОДКЛЮЧЕНИЯ ТЕРМИСТОРА, БИСТАБИЛЬНЫЕ ВЫХОДЫ0.7144 - 6 недель (B)1
3UF5011-3AJ00-1SIMOCODE-DP ОСНОВНОЙ МОДУЛЬ PROFIBUS-DP ИНТЕРФЕЙС 1.5 MBAUD, RS485 4I/40 СВОБОДНО ПАРАМЕТРИРУЕМЫЙ US: AC 115V, 50/60HZ 6.3A - 25A, ШИРИНА 70MM, ВХОД ДЛЯ ПОДКЛЮЧЕНИЯ ТЕРМИСТОРА, МОНОСТАБИЛЬНЫЕ ВЫХОДЫ0.8213 - 5 недель (A)1
3UF5011-3AJ10-1SIMOCODE-DP ОСНОВНОЙ МОДУЛЬ PROFIBUS-DP ИНТЕРФЕЙС 1.5 MBAUD, RS485 4I/40 СВОБОДНО ПАРАМЕТРИРУЕМЫЙ US: AC 115V, 50/60HZ 6.3A - 25A, ШИРИНА 70MM, ВХОД ДЛЯ ПОДКЛЮЧЕНИЯ ТЕРМИСТОРА, БИСТАБИЛЬНЫЕ ВЫХОДЫ0.8194 - 6 недель (B)1
3UF5011-3AN00-1SIMOCODE-DP ОСНОВНОЙ МОДУЛЬ PROFIBUS-DP ИНТЕРФЕЙС 1.5 MBAUD, RS485 4I/40 СВОБОДНО ПАРАМЕТРИРУЕМЫЙ US: AC 230V, 50/60HZ 6.3A - 25A, ШИРИНА 70MM, ВХОД ДЛЯ ПОДКЛЮЧЕНИЯ ТЕРМИСТОРА, МОНОСТАБИЛЬНЫЕ ВЫХОДЫ0.8253 - 5 недель (A)1
3UF5011-3AN10-1SIMOCODE-DP ОСНОВНОЙ МОДУЛЬ PROFIBUS-DP ИНТЕРФЕЙС 1.5 MBAUD, RS485 4I/40 СВОБОДНО ПАРАМЕТРИРУЕМЫЙ US: AC 230V, 50/60HZ 6.3A - 25A, ШИРИНА 70MM, ВХОД ДЛЯ ПОДКЛЮЧЕНИЯ ТЕРМИСТОРА, БИСТАБИЛЬНЫЕ ВЫХОДЫ0.8374 - 6 недель (B)1
3UF5011-3BB00-1SIMOCODE-DP ОСНОВНОЙ МОДУЛЬ PROFIBUS-DP ИНТЕРФЕЙС 1.5 MBAUD, RS485 4I/40 СВОБОДНО ПАРАМЕТРИРУЕМЫЙ US: DC 24V 6.3A - 25A, ШИРИНА 70MM, ВХОД СУММИРУЮЩЕГО ТРАНСФОРМАТОРА ТОКА ДЛЯ КОНТРОЛЯ ЗАМЫКАНИЯ НА ЗЕМЛЮ, МОНОСТАБИЛЬНЫЕ ВЫХОДЫ0.7023 - 5 недель (A)1
3UF5011-3BB10-1SIMOCODE-DP ОСНОВНОЙ МОДУЛЬ PROFIBUS-DP ИНТЕРФЕЙС 1.5 MBAUD, RS485 4I/40 СВОБОДНО ПАРАМЕТРИРУЕМЫЙ US: DC 24V 6.3A - 25A, ШИРИНА 70MM, ВХОД СУММИРУЮЩЕГО ТРАНСФОРМАТОРА ТОКА ДЛЯ КОНТРОЛЯ ЗАМЫКАНИЯ НА ЗЕМЛЮ, БИСТАБИЛЬНЫЕ ВЫХОДЫ0.74 - 6 недель (B)1
3UF5011-3BJ00-1SIMOCODE-DP ОСНОВНОЙ МОДУЛЬ PROFIBUS-DP ИНТЕРФЕЙС 1.5 MBAUD, RS485 4I/40 СВОБОДНО ПАРАМЕТРИРУЕМЫЙ US: AC 115V, 50/60HZ 6.3A - 25A, ШИРИНА 70MM, ВХОД СУММИРУЮЩЕГО ТРАНСФОРМАТОРА ТОКА ДЛЯ КОНТРОЛЯ ЗАМЫКАНИЯ НА ЗЕМЛЮ, МОНОСТАБИЛЬНЫЕ ВЫХОДЫ0.8153 - 5 недель (A)1
3UF5011-3BJ10-1SIMOCODE-DP ОСНОВНОЙ МОДУЛЬ PROFIBUS-DP ИНТЕРФЕЙС 1.5 MBAUD, RS485 4I/40 СВОБОДНО ПАРАМЕТРИРУЕМЫЙ US: AC 115V, 50/60HZ 6.3A - 25A, ШИРИНА 70MM, ВХОД СУММИРУЮЩЕГО ТРАНСФОРМАТОРА ТОКА ДЛЯ КОНТРОЛЯ ЗАМЫКАНИЯ НА ЗЕМЛЮ, БИСТАБИЛЬНЫЕ ВЫХОДЫ0.8334 - 6 недель (B)1
3UF5011-3BN00-1SIMOCODE-DP ОСНОВНОЙ МОДУЛЬ PROFIBUS-DP ИНТЕРФЕЙС 1.5 MBAUD, RS485 4I/40 СВОБОДНО ПАРАМЕТРИРУЕМЫЙ US: AC 230V, 50/60HZ 6.3A - 25A, ШИРИНА 70MM, ВХОД СУММИРУЮЩЕГО ТРАНСФОРМАТОРА ТОКА ДЛЯ КОНТРОЛЯ ЗАМЫКАНИЯ НА ЗЕМЛЮ, МОНОСТАБИЛЬНЫЕ ВЫХОДЫ0.8363 - 5 недель (A)1
3UF5011-3BN10-1SIMOCODE-DP ОСНОВНОЙ МОДУЛЬ PROFIBUS-DP ИНТЕРФЕЙС 1.5 MBAUD, RS485 4I/40 СВОБОДНО ПАРАМЕТРИРУЕМЫЙ US: AC 230V, 50/60HZ 6.3A - 25A, ШИРИНА 70MM, ВХОД СУММИРУЮЩЕГО ТРАНСФОРМАТОРА ТОКА ДЛЯ КОНТРОЛЯ ЗАМЫКАНИЯ НА ЗЕМЛЮ, БИСТАБИЛЬНЫЕ ВЫХОДЫ0.8444 - 6 недель (B)1
3UF5021-3AB00-1SIMOCODE-DP ОСНОВНОЙ МОДУЛЬ PROFIBUS-DP ИНТЕРФЕЙС 1.5 MBAUD, RS485 4I/40 СВОБОДНО ПАРАМЕТРИРУЕМЫЙ US: DC 24V 25 - 100A, ШИРИНА 70MM, ВХОД ДЛЯ ПОДКЛЮЧЕНИЯ ТЕРМИСТОРА, МОНОСТАБИЛЬНЫЕ ВЫХОДЫ0.6753 - 5 недель (A)1
3UF5021-3AB10-1SIMOCODE-DP ОСНОВНОЙ МОДУЛЬ PROFIBUS-DP ИНТЕРФЕЙС 1.5 MBAUD, RS485 4I/40 СВОБОДНО ПАРАМЕТРИРУЕМЫЙ US: DC 24V 25 - 100A, ШИРИНА 70MM, ВХОД ДЛЯ ПОДКЛЮЧЕНИЯ ТЕРМИСТОРА, БИСТАБИЛЬНЫЕ ВЫХОДЫ0.6864 - 6 недель (B)1
3UF5021-3AJ00-1SIMOCODE-DP ОСНОВНОЙ МОДУЛЬ PROFIBUS-DP ИНТЕРФЕЙС 1.5 MBAUD, RS485 4I/40 СВОБОДНО ПАРАМЕТРИРУЕМЫЙ US: AC 115V, 50/60HZ 25 - 100A, ШИРИНА 70MM, ВХОД ДЛЯ ПОДКЛЮЧЕНИЯ ТЕРМИСТОРА, МОНОСТАБИЛЬНЫЕ ВЫХОДЫ0.8013 - 5 недель (A)1
3UF5021-3AJ10-1SIMOCODE-DP ОСНОВНОЙ МОДУЛЬ PROFIBUS-DP ИНТЕРФЕЙС 1.5 MBAUD, RS485 4I/40 СВОБОДНО ПАРАМЕТРИРУЕМЫЙ US: AC 115V, 50/60HZ 25 - 100A, ШИРИНА 70MM, ВХОД ДЛЯ ПОДКЛЮЧЕНИЯ ТЕРМИСТОРА, БИСТАБИЛЬНЫЕ ВЫХОДЫ0.8124 - 6 недель (B)1
3UF5021-3AN00-1SIMOCODE-DP ОСНОВНОЙ МОДУЛЬ PROFIBUS-DP ИНТЕРФЕЙС 1.5 MBAUD, RS485 4I/40 СВОБОДНО ПАРАМЕТРИРУЕМЫЙ US: AC 230V, 50/60HZ 25 - 100A, ШИРИНА 70MM, ВХОД ДЛЯ ПОДКЛЮЧЕНИЯ ТЕРМИСТОРА, МОНОСТАБИЛЬНЫЕ ВЫХОДЫ0.8023 - 5 недель (A)1
3UF5021-3AN10-1SIMOCODE-DP ОСНОВНОЙ МОДУЛЬ PROFIBUS-DP ИНТЕРФЕЙС 1.5 MBAUD, RS485 4I/40 СВОБОДНО ПАРАМЕТРИРУЕМЫЙ US: AC 230V, 50/60HZ 25 - 100A, ШИРИНА 70MM, ВХОД ДЛЯ ПОДКЛЮЧЕНИЯ ТЕРМИСТОРА, БИСТАБИЛЬНЫЕ ВЫХОДЫ0.8124 - 6 недель (B)1
3UF5021-3BB00-1SIMOCODE-DP ОСНОВНОЙ МОДУЛЬ PROFIBUS-DP ИНТЕРФЕЙС 1.5 MBAUD, RS485 4I/40 СВОБОДНО ПАРАМЕТРИРУЕМЫЙ US: DC 24V 25 - 100A, ШИРИНА 70MM, ВХОД СУММИРУЮЩЕГО ТРАНСФОРМАТОРА ТОКА ДЛЯ КОНТРОЛЯ ЗАМЫКАНИЯ НА ЗЕМЛЮ, МОНОСТАБИЛЬНЫЕ ВЫХОДЫ0.6843 - 5 недель (A)1
3UF5021-3BB10-1SIMOCODE-DP ОСНОВНОЙ МОДУЛЬ PROFIBUS-DP ИНТЕРФЕЙС 1.5 MBAUD, RS485 4I/40 СВОБОДНО ПАРАМЕТРИРУЕМЫЙ US: DC 24V 25 - 100A, ШИРИНА 70MM, ВХОД СУММИРУЮЩЕГО ТРАНСФОРМАТОРА ТОКА ДЛЯ КОНТРОЛЯ ЗАМЫКАНИЯ НА ЗЕМЛЮ, БИСТАБИЛЬНЫЕ ВЫХОДЫ0.6934 - 6 недель (B)1
3UF5021-3BJ00-1SIMOCODE-DP ОСНОВНОЙ МОДУЛЬ PROFIBUS-DP ИНТЕРФЕЙС 1.5 MBAUD, RS485 4I/40 СВОБОДНО ПАРАМЕТРИРУЕМЫЙ US: AC 115V, 50/60HZ 25 - 100A, ШИРИНА 70MM, ВХОД СУММИРУЮЩЕГО ТРАНСФОРМАТОРА ТОКА ДЛЯ КОНТРОЛЯ ЗАМЫКАНИЯ НА ЗЕМЛЮ, МОНОСТАБИЛЬНЫЕ ВЫХОДЫ0.813 - 5 недель (A)1
3UF5021-3BJ10-1SIMOCODE-DP ОСНОВНОЙ МОДУЛЬ PROFIBUS-DP ИНТЕРФЕЙС 1.5 MBAUD, RS485 4I/40 СВОБОДНО ПАРАМЕТРИРУЕМЫЙ US: AC 115V, 50/60HZ 25 - 100A, ШИРИНА 70MM, ВХОД СУММИРУЮЩЕГО ТРАНСФОРМАТОРА ТОКА ДЛЯ КОНТРОЛЯ ЗАМЫКАНИЯ НА ЗЕМЛЮ, БИСТАБИЛЬНЫЕ ВЫХОДЫ0.8244 - 6 недель (B)1
3UF5021-3BN00-1SIMOCODE-DP ОСНОВНОЙ МОДУЛЬ PROFIBUS-DP ИНТЕРФЕЙС 1.5 MBAUD, RS485 4I/40 СВОБОДНО ПАРАМЕТРИРУЕМЫЙ US: AC 230V, 50/60HZ 25 - 100A, ШИРИНА 70MM, ВХОД СУММИРУЮЩЕГО ТРАНСФОРМАТОРА ТОКА ДЛЯ КОНТРОЛЯ ЗАМЫКАНИЯ НА ЗЕМЛЮ, МОНОСТАБИЛЬНЫЕ ВЫХОДЫ0.8093 - 5 недель (A)1
3UF5021-3BN10-1SIMOCODE-DP ОСНОВНОЙ МОДУЛЬ PROFIBUS-DP ИНТЕРФЕЙС 1.5 MBAUD, RS485 4I/40 СВОБОДНО ПАРАМЕТРИРУЕМЫЙ US: AC 230V, 50/60HZ 25 - 100A, ШИРИНА 70MM, ВХОД СУММИРУЮЩЕГО ТРАНСФОРМАТОРА ТОКА ДЛЯ КОНТРОЛЯ ЗАМЫКАНИЯ НА ЗЕМЛЮ, БИСТАБИЛЬНЫЕ ВЫХОДЫ0.8044 - 6 недель (B)1
3UF5031-3AB00-1SIMOCODE-DP ОСНОВНОЙ МОДУЛЬ PROFIBUS-DP ИНТЕРФЕЙС 1.5 MBAUD, RS485 4I/40 СВОБОДНО ПАРАМЕТРИРУЕМЫЙ US: DC 24V 50 - 205A, ШИРИНА 120MM, ВХОД ДЛЯ ПОДКЛЮЧЕНИЯ ТЕРМИСТОРА, МОНОСТАБИЛЬНЫЕ ВЫХОДЫ1.54 - 6 недель (B)1
3UF5031-3AB10-1SIMOCODE-DP ОСНОВНОЙ МОДУЛЬ PROFIBUS-DP ИНТЕРФЕЙС 1.5 MBAUD, RS485 4I/40 СВОБОДНО ПАРАМЕТРИРУЕМЫЙ US: DC 24V 50 - 205A, ШИРИНА 120MM, ВХОД ДЛЯ ПОДКЛЮЧЕНИЯ ТЕРМИСТОРА, БИСТАБИЛЬНЫЕ ВЫХОДЫ1.524 - 6 недель (B)1
3UF5031-3AJ00-1SIMOCODE-DP ОСНОВНОЙ МОДУЛЬ PROFIBUS-DP ИНТЕРФЕЙС 1.5 MBAUD, RS485 4I/40 СВОБОДНО ПАРАМЕТРИРУЕМЫЙ US: AC 115V, 50/60HZ 50 - 205A, ШИРИНА 120MM, ВХОД ДЛЯ ПОДКЛЮЧЕНИЯ ТЕРМИСТОРА, МОНОСТАБИЛЬНЫЕ ВЫХОДЫ1.6354 - 6 недель (B)1
3UF5031-3AJ10-1SIMOCODE-DP ОСНОВНОЙ МОДУЛЬ PROFIBUS-DP ИНТЕРФЕЙС 1.5 MBAUD, RS485 4I/40 СВОБОДНО ПАРАМЕТРИРУЕМЫЙ US: AC 115V, 50/60HZ 50 - 205A, ШИРИНА 120MM, ВХОД ДЛЯ ПОДКЛЮЧЕНИЯ ТЕРМИСТОРА, БИСТАБИЛЬНЫЕ ВЫХОДЫ1.6424 - 6 недель (B)1
3UF5031-3AN00-1SIMOCODE-DP ОСНОВНОЙ МОДУЛЬ PROFIBUS-DP ИНТЕРФЕЙС 1.5 MBAUD, RS485 4I/40 СВОБОДНО ПАРАМЕТРИРУЕМЫЙ US: AC 230V, 50/60HZ 50 - 205A, ШИРИНА 120MM, ВХОД ДЛЯ ПОДКЛЮЧЕНИЯ ТЕРМИСТОРА, МОНОСТАБИЛЬНЫЕ ВЫХОДЫ1.6443 - 5 недель (A)1
3UF5031-3AN10-1SIMOCODE-DP ОСНОВНОЙ МОДУЛЬ PROFIBUS-DP ИНТЕРФЕЙС 1.5 MBAUD, RS485 4I/40 СВОБОДНО ПАРАМЕТРИРУЕМЫЙ US: AC 230V, 50/60HZ 50 - 205A, ШИРИНА 120MM, ВХОД ДЛЯ ПОДКЛЮЧЕНИЯ ТЕРМИСТОРА, БИСТАБИЛЬНЫЕ ВЫХОДЫ1.6514 - 6 недель (B)1
3UF5031-3BB00-1SIMOCODE-DP ОСНОВНОЙ МОДУЛЬ PROFIBUS-DP ИНТЕРФЕЙС 1.5 MBAUD, RS485 4I/40 СВОБОДНО ПАРАМЕТРИРУЕМЫЙ US: DC 24V 50 - 205A, ШИРИНА 120MM, ВХОД СУММИРУЮЩЕГО ТРАНСФОРМАТОРА ТОКА ДЛЯ КОНТРОЛЯ ЗАМЫКАНИЯ НА ЗЕМЛЮ, МОНОСТАБИЛЬНЫЕ ВЫХОДЫ1.5074 - 6 недель (B)1
3UF5031-3BB10-1SIMOCODE-DP ОСНОВНОЙ МОДУЛЬ PROFIBUS-DP ИНТЕРФЕЙС 1.5 MBAUD, RS485 4I/40 СВОБОДНО ПАРАМЕТРИРУЕМЫЙ US: DC 24V 50 - 205A, ШИРИНА 120MM, ВХОД СУММИРУЮЩЕГО ТРАНСФОРМАТОРА ТОКА ДЛЯ КОНТРОЛЯ ЗАМЫКАНИЯ НА ЗЕМЛЮ, БИСТАБИЛЬНЫЕ ВЫХОДЫ1.534 - 6 недель (B)1
3UF5031-3BJ00-1SIMOCODE-DP ОСНОВНОЙ МОДУЛЬ PROFIBUS-DP ИНТЕРФЕЙС 1.5 MBAUD, RS485 4I/40 СВОБОДНО ПАРАМЕТРИРУЕМЫЙ US: AC 115V, 50/60HZ 50 - 205A, ШИРИНА 120MM, ВХОД СУММИРУЮЩЕГО ТРАНСФОРМАТОРА ТОКА ДЛЯ КОНТРОЛЯ ЗАМЫКАНИЯ НА ЗЕМЛЮ, МОНОСТАБИЛЬНЫЕ ВЫХОДЫ1.6554 - 6 недель (B)1
3UF5031-3BJ10-1SIMOCODE-DP ОСНОВНОЙ МОДУЛЬ PROFIBUS-DP ИНТЕРФЕЙС 1.5 MBAUD, RS485 4I/40 СВОБОДНО ПАРАМЕТРИРУЕМЫЙ US: AC 115V, 50/60HZ 50 - 205A, ШИРИНА 120MM, ВХОД СУММИРУЮЩЕГО ТРАНСФОРМАТОРА ТОКА ДЛЯ КОНТРОЛЯ ЗАМЫКАНИЯ НА ЗЕМЛЮ, БИСТАБИЛЬНЫЕ ВЫХОДЫ1.6434 - 6 недель (B)1
3UF5031-3BN00-1SIMOCODE-DP ОСНОВНОЙ МОДУЛЬ PROFIBUS-DP ИНТЕРФЕЙС 1.5 MBAUD, RS485 4I/40 СВОБОДНО ПАРАМЕТРИРУЕМЫЙ US: AC 230V, 50/60HZ 50 - 205A, ШИРИНА 120MM, ВХОД СУММИРУЮЩЕГО ТРАНСФОРМАТОРА ТОКА ДЛЯ КОНТРОЛЯ ЗАМЫКАНИЯ НА ЗЕМЛЮ, МОНОСТАБИЛЬНЫЕ ВЫХОДЫ1.634 - 6 недель (B)1
3UF5031-3BN10-1SIMOCODE-DP ОСНОВНОЙ МОДУЛЬ PROFIBUS-DP ИНТЕРФЕЙС 1.5 MBAUD, RS485 4I/40 СВОБОДНО ПАРАМЕТРИРУЕМЫЙ US: AC 230V, 50/60HZ 50 - 205A, ШИРИНА 120MM, ВХОД СУММИРУЮЩЕГО ТРАНСФОРМАТОРА ТОКА ДЛЯ КОНТРОЛЯ ЗАМЫКАНИЯ НА ЗЕМЛЮ, БИСТАБИЛЬНЫЕ ВЫХОДЫ1.644 - 6 недель (B)1
3UF5041-3AB00-1SIMOCODE-DP ОСНОВНОЙ МОДУЛЬ PROFIBUS-DP ИНТЕРФЕЙС 1.5 MBAUD, RS485 4I/40 СВОБОДНО ПАРАМЕТРИРУЕМЫЙ US: DC 24V 125 - 500A, ШИРИНА 145MM, ВХОД ДЛЯ ПОДКЛЮЧЕНИЯ ТЕРМИСТОРА, МОНОСТАБИЛЬНЫЕ ВЫХОДЫ2.313 - 5 недель (A)1
3UF5041-3AB10-1SIMOCODE-DP ОСНОВНОЙ МОДУЛЬ PROFIBUS-DP ИНТЕРФЕЙС 1.5 MBAUD, RS485 4I/40 СВОБОДНО ПАРАМЕТРИРУЕМЫЙ US: DC 24V 125 - 500A, ШИРИНА 145MM, ВХОД ДЛЯ ПОДКЛЮЧЕНИЯ ТЕРМИСТОРА, БИСТАБИЛЬНЫЕ ВЫХОДЫ2.264 - 6 недель (B)1
3UF5041-3AJ00-1SIMOCODE-DP ОСНОВНОЙ МОДУЛЬ PROFIBUS-DP ИНТЕРФЕЙС 1.5 MBAUD, RS485 4I/40 СВОБОДНО ПАРАМЕТРИРУЕМЫЙ US: AC 115V, 50/60HZ 125 - 500A, ШИРИНА 145MM, ВХОД ДЛЯ ПОДКЛЮЧЕНИЯ ТЕРМИСТОРА, МОНОСТАБИЛЬНЫЕ ВЫХОДЫ2.4284 - 6 недель (B)1
3UF5041-3AJ10-1SIMOCODE-DP ОСНОВНОЙ МОДУЛЬ PROFIBUS-DP ИНТЕРФЕЙС 1.5 MBAUD, RS485 4I/40 СВОБОДНО ПАРАМЕТРИРУЕМЫЙ US: AC 115V, 50/60HZ 125 - 500A, ШИРИНА 145MM, ВХОД ДЛЯ ПОДКЛЮЧЕНИЯ ТЕРМИСТОРА, БИСТАБИЛЬНЫЕ ВЫХОДЫ2.4254 - 6 недель (B)1
3UF5041-3AN00-1SIMOCODE-DP ОСНОВНОЙ МОДУЛЬ PROFIBUS-DP ИНТЕРФЕЙС 1.5 MBAUD, RS485 4I/40 СВОБОДНО ПАРАМЕТРИРУЕМЫЙ US: AC 230V, 50/60HZ 125 - 500A, ШИРИНА 145MM, ВХОД ДЛЯ ПОДКЛЮЧЕНИЯ ТЕРМИСТОРА, ДЛЯ КОНТРОЛЯ ЗАМЫКАНИЯ НА ЗЕМЛЮ, МОНОСТАБИЛЬНЫЕ ВЫХОДЫ2.4233 - 5 недель (A)1
3UF5041-3AN10-1SIMOCODE-DP ОСНОВНОЙ МОДУЛЬ PROFIBUS-DP ИНТЕРФЕЙС 1.5 MBAUD, RS485 4I/40 СВОБОДНО ПАРАМЕТРИРУЕМЫЙ US: AC 230V, 50/60HZ 125 - 500A, ШИРИНА 145MM, ВХОД ДЛЯ ПОДКЛЮЧЕНИЯ ТЕРМИСТОРА, ДЛЯ КОНТРОЛЯ ЗАМЫКАНИЯ НА ЗЕМЛЮ, БИСТАБИЛЬНЫЕ ВЫХОДЫ2.434 - 6 недель (B)1
3UF5041-3BB00-1SIMOCODE-DP ОСНОВНОЙ МОДУЛЬ PROFIBUS-DP ИНТЕРФЕЙС 1.5 MBAUD, RS485 4I/40 СВОБОДНО ПАРАМЕТРИРУЕМЫЙ US: DC 24V 125 - 500A, ШИРИНА 145MM, ВХОД СУММИРУЮЩЕГО ТРАНСФОРМАТОРА ТОКА ДЛЯ КОНТРОЛЯ ЗАМЫКАНИЯ НА ЗЕМЛЮ, МОНОСТАБИЛЬНЫЕ ВЫХОДЫ2.2964 - 6 недель (B)1
3UF5041-3BB10-1SIMOCODE-DP ОСНОВНОЙ МОДУЛЬ PROFIBUS-DP ИНТЕРФЕЙС 1.5 MBAUD, RS485 4I/40 СВОБОДНО ПАРАМЕТРИРУЕМЫЙ US: DC 24V 125 - 500A, ШИРИНА 145MM, ВХОД СУММИРУЮЩЕГО ТРАНСФОРМАТОРА ТОКА ДЛЯ КОНТРОЛЯ ЗАМЫКАНИЯ НА ЗЕМЛЮ, БИСТАБИЛЬНЫЕ ВЫХОДЫ2.34 - 6 недель (B)1
3UF5041-3BJ00-1SIMOCODE-DP ОСНОВНОЙ МОДУЛЬ PROFIBUS-DP ИНТЕРФЕЙС 1.5 MBAUD, RS485 4I/40 СВОБОДНО ПАРАМЕТРИРУЕМЫЙ US: AC 115V, 50/60HZ 125 - 500A, ШИРИНА 145MM, ВХОД СУММИРУЮЩЕГО ТРАНСФОРМАТОРА ТОКА ДЛЯ КОНТРОЛЯ ЗАМЫКАНИЯ НА ЗЕМЛЮ, МОНОСТАБИЛЬНЫЕ ВЫХОДЫ2.4254 - 6 недель (B)1
3UF5041-3BJ10-1SIMOCODE-DP ОСНОВНОЙ МОДУЛЬ PROFIBUS-DP ИНТЕРФЕЙС 1.5 MBAUD, RS485 4I/40 СВОБОДНО ПАРАМЕТРИРУЕМЫЙ US: AC 115V, 50/60HZ 125 - 500A, ШИРИНА 145MM, ВХОД СУММИРУЮЩЕГО ТРАНСФОРМАТОРА ТОКА ДЛЯ КОНТРОЛЯ ЗАМЫКАНИЯ НА ЗЕМЛЮ, БИСТАБИЛЬНЫЕ ВЫХОДЫ2.444 - 6 недель (B)1
3UF5041-3BN00-1SIMOCODE-DP ОСНОВНОЙ МОДУЛЬ PROFIBUS-DP ИНТЕРФЕЙС 1.5 MBAUD, RS485 4I/40 СВОБОДНО ПАРАМЕТРИРУЕМЫЙ US: AC 230V, 50/60HZ 125 - 500A, ШИРИНА 145MM, ВХОД СУММИРУЮЩЕГО ТРАНСФОРМАТОРА ТОКА ДЛЯ КОНТРОЛЯ ЗАМЫКАНИЯ НА ЗЕМЛЮ, МОНОСТАБИЛЬНЫЕ ВЫХОДЫ2.444 - 6 недель (B)1
3UF5041-3BN10-1SIMOCODE-DP ОСНОВНОЙ МОДУЛЬ PROFIBUS-DP ИНТЕРФЕЙС 1.5 MBAUD, RS485 4I/40 СВОБОДНО ПАРАМЕТРИРУЕМЫЙ US: AC 230V, 50/60HZ 125 - 500A, ШИРИНА 145MM, ВХОД СУММИРУЮЩЕГО ТРАНСФОРМАТОРА ТОКА ДЛЯ КОНТРОЛЯ ЗАМЫКАНИЯ НА ЗЕМЛЮ, БИСТАБИЛЬНЫЕ ВЫХОДЫ2.4294 - 6 недель (B)1
3UF5051-3AB00-1SIMOCODE-DP ОСНОВНОЙ МОДУЛЬ PROFIBUS-DP ИНТЕРФЕЙС 1.5 MBAUD, RS485 4I/40 СВОБОДНО ПАРАМЕТРИРУЕМЫЙ US: DC 24V 200 - 820A, ШИРИНА 230MM, ВХОД ДЛЯ ПОДКЛЮЧЕНИЯ ТЕРМИСТОРА, МОНОСТАБИЛЬНЫЕ ВЫХОДЫ4.2764 - 6 недель (B)1
3UF5051-3AB10-1SIMOCODE-DP ОСНОВНОЙ МОДУЛЬ PROFIBUS-DP ИНТЕРФЕЙС 1.5 MBAUD, RS485 4I/40 СВОБОДНО ПАРАМЕТРИРУЕМЫЙ US: DC 24V 200 - 820A, ШИРИНА 230MM, ВХОД ДЛЯ ПОДКЛЮЧЕНИЯ ТЕРМИСТОРА, БИСТАБИЛЬНЫЕ ВЫХОДЫ4.214 - 6 недель (B)1
3UF5051-3AJ00-1SIMOCODE-DP ОСНОВНОЙ МОДУЛЬ PROFIBUS-DP ИНТЕРФЕЙС 1.5 MBAUD, RS485 4I/40 СВОБОДНО ПАРАМЕТРИРУЕМЫЙ US: AC 115V, 50/60HZ 200 - 820A, ШИРИНА 230MM, ВХОД ДЛЯ ПОДКЛЮЧЕНИЯ ТЕРМИСТОРА, МОНОСТАБИЛЬНЫЕ ВЫХОДЫ4.4054 - 6 недель (B)1
3UF5051-3AJ10-1SIMOCODE-DP ОСНОВНОЙ МОДУЛЬ PROFIBUS-DP ИНТЕРФЕЙС 1.5 MBAUD, RS485 4I/40 СВОБОДНО ПАРАМЕТРИРУЕМЫЙ US: AC 115V, 50/60HZ 200 - 820A, ШИРИНА 230MM, ВХОД ДЛЯ ПОДКЛЮЧЕНИЯ ТЕРМИСТОРА, БИСТАБИЛЬНЫЕ ВЫХОДЫ4.454 - 6 недель (B)1
3UF5051-3AN00-1SIMOCODE-DP ОСНОВНОЙ МОДУЛЬ PROFIBUS-DP ИНТЕРФЕЙС 1.5 MBAUD, RS485 4I/40 СВОБОДНО ПАРАМЕТРИРУЕМЫЙ US: AC 230V, 50/60HZ 200 - 820A, ШИРИНА 230MM, ВХОД ДЛЯ ПОДКЛЮЧЕНИЯ ТЕРМИСТОРА, МОНОСТАБИЛЬНЫЕ ВЫХОДЫ4.3313 - 5 недель (A)1
3UF5051-3AN10-1SIMOCODE-DP ОСНОВНОЙ МОДУЛЬ PROFIBUS-DP ИНТЕРФЕЙС 1.5 MBAUD, RS485 4I/40 СВОБОДНО ПАРАМЕТРИРУЕМЫЙ US: AC 230V, 50/60HZ 200 - 820A, ШИРИНА 230MM, ВХОД ДЛЯ ПОДКЛЮЧЕНИЯ ТЕРМИСТОРА, БИСТАБИЛЬНЫЕ ВЫХОДЫ4.4044 - 6 недель (B)1
3UF5051-3BB00-1SIMOCODE-DP ОСНОВНОЙ МОДУЛЬ PROFIBUS-DP ИНТЕРФЕЙС 1.5 MBAUD, RS485 4I/40 СВОБОДНО ПАРАМЕТРИРУЕМЫЙ US: DC 24V 200 - 820A, ШИРИНА 230MM, ВХОД СУММИРУЮЩЕГО ТРАНСФОРМАТОРА ТОКА ДЛЯ КОНТРОЛЯ ЗАМЫКАНИЯ НА ЗЕМЛЮ, МОНОСТАБИЛЬНЫЕ ВЫХОДЫ4.3374 - 6 недель (B)1
3UF5051-3BB10-1SIMOCODE-DP ОСНОВНОЙ МОДУЛЬ PROFIBUS-DP ИНТЕРФЕЙС 1.5 MBAUD, RS485 4I/40 СВОБОДНО ПАРАМЕТРИРУЕМЫЙ US: DC 24V 200 - 820A, ШИРИНА 230MM, ВХОД СУММИРУЮЩЕГО ТРАНСФОРМАТОРА ТОКА ДЛЯ КОНТРОЛЯ ЗАМЫКАНИЯ НА ЗЕМЛЮ, БИСТАБИЛЬНЫЕ ВЫХОДЫ4.324 - 6 недель (B)1
3UF5051-3BN00-1SIMOCODE-DP ОСНОВНОЙ МОДУЛЬ PROFIBUS-DP ИНТЕРФЕЙС 1.5 MBAUD, RS485 4I/40 СВОБОДНО ПАРАМЕТРИРУЕМЫЙ US: AC 230V, 50/60HZ 200 - 820A, ШИРИНА 230MM, ВХОД СУММИРУЮЩЕГО ТРАНСФОРМАТОРА ТОКА ДЛЯ КОНТРОЛЯ ЗАМЫКАНИЯ НА ЗЕМЛЮ, МОНОСТАБИЛЬНЫЕ ВЫХОДЫ4.3514 - 6 недель (B)1
3UF5051-3BN10-1SIMOCODE-DP ОСНОВНОЙ МОДУЛЬ PROFIBUS-DP ИНТЕРФЕЙС 1.5 MBAUD, RS485 4I/40 СВОБОДНО ПАРАМЕТРИРУЕМЫЙ US: AC 230V, 50/60HZ 200 - 820A, ШИРИНА 230MM, ВХОД СУММИРУЮЩЕГО ТРАНСФОРМАТОРА ТОКА ДЛЯ КОНТРОЛЯ ЗАМЫКАНИЯ НА ЗЕМЛЮ, БИСТАБИЛЬНЫЕ ВЫХОДЫ4.54 - 6 недель (B)1
3UF5100-0AB00РАСШИРИТЕЛЬНЫЙ МОДУЛЬ 8 ВХОДОВ И 4 ВЫХОДА ВХОДНОЕ НАПРЯЖЕНИЕ 24V DC ВХОДНОЕ НАПРЯЖЕНИЕ 24 V DC МОНОСТАБИЛЬНЫЕ / БИСТАБИЛЬНЫЕ ВЫХОДА В ЗАВИСИМОСТИ ОТ МОНОСТАБИЛЬНОГО / БИСТАБИЛЬНОГО ИСПОЛНЕНИЯ ОСНОВНОГО МОДУЛЯ0.4223 - 5 недель (A)1
3UF5100-0AJ00РАСШИРИТЕЛЬНЫЙ МОДУЛЬ 8 ВХОДОВ И 4 ВЫХОДА ВХОДНОЕ НАПРЯЖЕНИЕ 115V AC МОНОСТАБИЛЬНЫЕ / БИСТАБИЛЬНЫЕ ВЫХОДА В ЗАВИСИМОСТИ ОТ МОНОСТАБИЛЬНОГО / БИСТАБИЛЬНОГО ИСПОЛНЕНИЯ ОСНОВНОГО МОДУЛЯ0.4423 - 5 недель (A)1
3UF5100-0AN00РАСШИРИТЕЛЬНЫЙ МОДУЛЬ 8 ВХОДОВ И 4 ВЫХОДА ВХОДНОЕ НАПРЯЖЕНИЕ 230V AC МОНОСТАБИЛЬНЫЕ / БИСТАБИЛЬНЫЕ ВЫХОДА В ЗАВИСИМОСТИ ОТ МОНОСТАБИЛЬНОГО / БИСТАБИЛЬНОГО ИСПОЛНЕНИЯ ОСНОВНОГО МОДУЛЯ0.4453 - 5 недель (A)1
3UF5202-1AA00-1ПАНЕЛЬ УПРАВЛЕНИЯ ДЛЯ SIMOCODE-DP. МОНТАЖ НА ДВЕРИ ШКАФА;0.1373 - 5 недель (A)1

Аксессуары

Заказной №ОписаниеВес (кг)ДоставкаМин. зак. (шт)
3RB1900-0BВСТАВНЫЕ КОНТАКТЫ ДЛЯ ВИНТОВОГО МОНТАЖА НА МОНТАЖНОЙ ПЛАТЕ (1 КОМПЛЕКТ = 10 ШТУК)0.16 - 8 недель (C)10
3RW2920-1DA00СОЕДИНИТЕЛЬНЫЙ КАБЕЛЬ 5M ДЛЯ СВЯЗИ С PC 3RW22 БЛОК УПРАВЛЕНИЯ0.1763 - 5 недель (A)1
3TX7506-0AКРЫШКА КОНТАКТОВ ДЛЯ ПРЕОБРАЗОВАТЕЛЯ ТОКА 3UF18 50,3UF18 52 ДЛЯ МОНТАЖА НА КОНТАКТОРЫ 3TF50 ДO 3TF52 И 3TK500.041по запросу (D)1
3TX7506-0BКРЫШКА КОНТАКТОВ, КОРОТКАЯ КРЫШКА ДЛЯ МОНТАЖА НА КОНТАКТОР БЕЗ БЛОКА РАМОЧНЫХ ЗАЖИМОВ ДЛЯ ПРЕОБРАЗОВАТЕЛЯ ТОКА 3UF1850,3UF18520.019по запросу (D)1
3TX7536-0AКРЫШКА КОНТАКТОВ ДЛЯ ПРЕОБРАЗОВАТЕЛЯ ТОКА 3UF1856,3UF1857 ДЛЯ ДЛЯ МОНТАЖА НА 3TF53 ДO 3TF57 И 3TK52/3TK54/3TK56 КОНТАКТОРЫ0.112по запросу (D)2
3TX7536-0BКРЫШКА КОНТАКТОВ, КОРОТКАЯ КРЫШКА ДЛЯ МОНТАЖА НА КОНТАКТОРЫ БЕЗ БЛОКА РАМОЧНЫХ ЗАЖИМОВ ДЛЯ ПРЕОБРАЗОВАТЕЛЯ ТОКА 3UF1856/570.057по запросу (D)1
3TX7686-0AКРЫШКА КОНТАКТОВ ДЛЯ 3UF18683 ПРЕОБРАЗОВАТЕЛЯ ТОКА И ДЛЯ 3TF68 КОНТАКТОРА0.414 - 6 недель (B)1
3TX7686-0BКРЫШКА КОНТАКТОВ, КОРОТКАЯ ДЛЯ ВИНТОВОГО СОЕДИНЕНИЯ МЕЖДУ 3TF68 КОНТАКТОРОМ И 3UF18683 ПРЕОБРАЗОВАТЕЛЕМ ТОКА0.0856 - 8 недель (C)1
3TX7696-0AКРЫШКА КОНТАКТОВ ДЛЯ 3UF18683G ПРЕОБРАЗОВАТЕЛЯ ТОКА И ДЛЯ 3TF69 ДЛЯ МОНТАЖА НА КОНТАКТОР 3TF690.414 - 6 недель (B)1
3TX7696-0BКРЫШКА КОНТАКТОВ, КОРОТКАЯ ДЛЯ ВИНТОВОГО СОЕДИНЕНИЯ МЕЖДУ 3TF69 КОНТАКТОРОМ И 3UF18683G ПРЕОБРАЗОВАТЕЛЕМ ТОКА0.1026 - 8 недель (C)1
3UF1900-1DA00СОЕДИНИТЕЛЬНЫЙ КАБЕЛЬ К 3UF51 ИЛИ К ПАНЕЛИ УПРАВЛЕНИЯ 3UF52, 9-ПОЛЮСНЫЙ, 0.5M ДЛИНОЙ, ЭКРАНИРОВАННЫЕ РАЗЪЕМЫ0.0623 - 5 недель (A)1
3UF1900-1EA00СОЕДИНИТЕЛЬНЫЙ КАБЕЛЬ К 3UF51 ИЛИ К ПАНЕЛИ УПРАВЛЕНИЯ 3UF52, 9-ПОЛЮСНЫЙ, 1M ДЛИНОЙ, ЭКРАНИРОВАННЫЕ РАЗЪЕМЫ0.0883 - 5 недель (A)1
3UF1900-1KA00ОКОНЕЧНЫЙ МОДУЛЬ ПРИСОЕДИНЕНИЯ К ШИНЕ ДЛЯ SINEC L2-RS 485 И PROFIBUS RS 485 ДЛЯ ОКОНЧАНИЯ ШИНЫ ПОСЛЕ ПОСЛЕДНЕГО УСТРОЙСТВА НА ШИНЕ AC 24V, AC 110/115/120V, AC 220/230/240V,AC 380/400/415V0.2863 - 5 недель (A)1
3UF1900-1KB00ОКОНЕЧНЫЙ МОДУЛЬ ПРИСОЕДИНЕНИЯ К ШИНЕ ДЛЯ SINEC L2-RS 485 И PROFIBUS RS 485 ДЛЯ ОКОНЧАНИЯ ШИНЫ ПОСЛЕ ПОСЛЕДНЕГО УСТРОЙСТВА НА ШИНЕ ИСТОЧНИК ПИТАНИЯ DC 24V0.1923 - 5 недель (A)1
3UF1900-1MA00CONNECTION TO EXPANSION BLOCK 3UF51 OR TO CONTROL BLOCK 3UF52 9-ПОЛЮСА, 0.5 M LONG SHIELDED CONNECTOR ANGLED AT 45 DEG.0.0774 - 6 недель (B)1
3UF1900-1NA00CONNECTION TO EXPANSION BLOCK 3UF51 OR TO CONTROL BLOCK 3UF52 9-ПОЛЮСА, 2 M LONG SHIELDED CONNECTOR ANGLED AT 45 DEG.0.1684 - 6 недель (B)1
3UF1900-1PA00CONNECTION TO EXPANSION BLOCK 3UF51 OR TO CONTROL BLOCK 3UF52 9-ПОЛЮСА, 2.5 M LONG SHIELDED CONNECTOR ANGLED AT 45 DEG.0.1974 - 6 недель (B)1
3UF5700-0AA00-0СИСТЕМНОЕ РУКОВОДСТВО, НЕМЕЦКИЙ0.8413 - 5 недель (A)1
3UF5700-0AA00-1СИСТЕМНОЕ РУКОВОДСТВО, АНГЛИЙСКИЙ0.7493 - 5 недель (A)1
3UF5710-0AA00-0WIN SIMOCODE DP/PROFESSIONAL. ПРОГРАММНОЕ ОБЕСПЕЧЕНИЕ ДЛЯ ПАРАМЕТРИЗАЦИИ, УПРАВЛЕНИЯ И ВИЗУАЛИЗАЦИИ УСТРОЙСТВА SIMOCODE-DP (3UF5) ЧЕРЕЗ PROFIBUS DPV1 ИЛИ RS 232, ЗАПУСКАЕМОЕ НА PU/PC, C WIN95/NT, НА 3.5"-ДИСКЕТАХ0.233 - 5 недель (A)1
3UF5711-0AA00-0WIN SIMOCODE DP/SMART. ПРОГРАММНОЕ ОБЕСПЕЧЕНИЕ ДЛЯ ПАРАМЕТРИЗАЦИИ, УПРАВЛЕНИЯ И ВИЗУАЛИЗАЦИИ УСТРОЙСТВА SIMOCODE-DP (3UF5) ЧЕРЕЗ 232, ЗАПУСКАЕМОЕ НА PU/PC C WIN95/NT НА 3.5" ДИСКЕТАХ0.2313 - 5 недель (A)1
3UF5712-0AA00-0OM SIMOCODE DP, STEP7-OBJECT- MANAGER ДЛЯ ВЫЗОВА WIN SIMOCODE-DP/ПРОФ. ИЗ STEP7, ЗАПУСКАЕМОЕ НА PU/PC C STEP7 ВЕРСИЯ 4.0 НА 3.5" ДИСКЕТАХ0.2313 - 5 недель (A)1
3UF5720-0AA10-0PCS7-ФУНКЦИОНАЛЬНЫЙ МОДУЛЬ SIMOCODE-DP, V6.0 ФУНКЦИОНАЛЬНЫЙ МОДУЛЬ И ЛИЦЕВАЯ ПЛАТА ДЛЯ УСТАНОВКИ SIMOCODE-DP В АСУ ТП PCS7, PCS7-ВЕРСИЯ V6.0, ФОРМА ПОСТАВКИ: НА CD, ЕДИНИЧНАЯ ЛИЦЕНЗИЯ0.233 - 5 недель (A)1
3UF5900-0AA00СОЕДИНИТЕЛЬНЫЙ КАБЕЛЬ, РАЗЪЕМ 9-ПОЛЮСНЫЙ; 0.5M ДЛИНОЙ С ПЛОСКИМИ ЭКРАНИРОВАННМИ РАЗЪЕМАМИ, ДЛЯ СОЕДИНЕНИЯ МЕЖДУ 3UF50/3UF51 И ДВЕРЦЕЙ ШКАФА, БЕЗ ИСПОЛЬЗОВАНИЯ 3UF520.0613 - 5 недель (A)1
3UF5900-0BA00СОЕДИНИТЕЛЬНЫЙ КАБЕЛЬ, РАЗЪЕМ 9-ПОЛЮСНЫЙ; 1.0M ДЛИНОЙ С ПЛОСКИМИ ЭКРАНИРОВАННМИ РАЗЪЕМАМИ, ДЛЯ СОЕДИНЕНИЯ МЕЖДУ 3UF50/51 И ДВЕРЦЕЙ ШКАФА, БЕЗ ИСПОЛЬЗОВАНИЯ 3UF520.0953 - 5 недель (A)1
3UF5900-1AA00СОЕДИНИТЕЛЬНЫЙ КАБЕЛЬ, РАЗЪЕМ 9-ПОЛЮСНЫЙ; 0,03M ДЛИНОЙ С ПЛОСКИМИ ЭКРАНИРОВАННМИ РАЗЪЕМАМИ, ДЛЯ СОЕДИНЕНИЯ МЕЖДУ 3UF50 И 3UF510.023 - 5 недель (A)1
3UF5900-1GA00T-КОНТАКТ ДЛЯ СОЕДИНЕНИЯ ШИНЫ К PROFIBUS-DP-RS4850.0483 - 5 недель (A)1