
Весоизмерительная ячейка на базе срезного стержня, для эксплуатации в резервуарных, путевых и платформенных весах. |
ДизайнИзмерительный элемент представляет собой пружину напряжения среза из нержавеющей стали, на которой расположены расширительные измерительные полоски (DMS). DMS находятся под углом 45° к продольной оси сбоку на пружинном элементе и, таким образом, работают на срез. За счет воздействия нагрузки в измерительном направлении пружинное тело и связанные с ним DMS эластично деформируются. При этом вырабатывается измерительное напряжение, пропорциональное нагрузке. |
Технические данные | Весоизмерительные ячейки SIWAREX R, серия SB | | возм. области применения | Резервуарные весы, ленточные, подвесные путевые весы и платформенные весы | | Конструктивное исполнение | срезной стержень | | Ном. нагрузка/макс. нагрузкаEmax. | 0,5/1/2/5 т | | класс точности по OIML R60 | C3 | | Макс. цена деления nLC | 3000 | | Мин. цена деления Vmin | E макс./10000 | | Мин. диапазон применения Rmin(LC) | 30% | | Комбинированная погрешность Fcomb | ≤ ± 0,02% Cn | | Переменность Fv | ≤ ± 0,01% Cn | | Возврат нулевого сигнала | ≤ ± 0,0167% Cn1) | | Погрешность ползучести Fcr | | | | ≤ ± 0,0245% Cn1) | | | ≤ ± 0,0053% Cn1) | | Температурный коэффициент | | | | ≤ ± 0,007% Cn/5 K | | | ≤ ± 0,0045% Cn/5 K | | Минимальная предварительная нагрузка Emin | ≥ 0% Emax. | | Макс. рабочая нагрузка Lu | 150% Emax. | | Разрушающая нагрузка Ld | 300% Emax. | | Макс. поперечная нагрузка LIq | 100% Emax. | | Номинальный измерительный путь hn приEmax. | ≤ 0,5 мм | | Напряжение питания Usr (эталонное значение) | 10 В | | Напряжение питания (диапазон) | 5 ... 18 В | | Номинальный показательCn | 2 мВ/В | | Допуск показателя Dc | ± 1% | | Допуск нулевого сигналаDo | ≤ ± 1,0% Cn | | Входное сопротивлениеRe | 350 Ω ± 3,5 Ω | | Выходное сопротивлениеRa | 350 Ω ± 3,5 Ω | | Сопротивление изоляцииRis | ≥ 5000 MΩ | | Номинальный диапазон температур Btn | -10 ... + 40 °C | | Диапазон рабочих температур Btu | -40 ... + 80 °C | | Диапазон температур хранения Bts | -40 ... + 90 °C | | Материалы чувствительного элемента (DIN) | Нержавеющая сталь, заводской номер 1.4542 | | Степень защиты по DIN EN 60 529; IEC 60 529 | IP66/IP68 | | Рекомендуемый момент затяжки крепежных винтов | 110 Нм (0,5 - 2 т) 540 Нм (5 т) | | SC-калибровка током 2) | Стандарт | | EEx(i)-сертификация (на выбор) | II 2 G EEx ib IIC T6/T4 II 3 G EEx nA / nL IIC T6/T4 II 1D / 2D / 3D T 70 °C | | Кабельная разводка | | | Принцип действия | Цвет | | | | | | | | | | | | | - Экран (подставка для экрана на корпусе на стадии разработки)
| | 1) Для номинальной температуры от -10 до +40 °C. 2) "Калибровка током"; номинальный показатель и выходное сопротивление согласованы таким образом, что выходной ток не выходит за пределы 0,05% от эталонного значения. Это упрощает параллельно подключение нескольких весоизмерительных ячеек. |
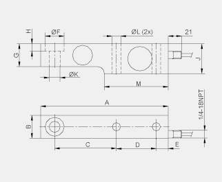
Чертеж | Номинальная нагрузка | A | B | C | D | E | ØF | G | H | J | ØK | ØL | M | | 0,5 ... 2 т | 203,2 | 36,5 | 98,4 | 63,5 | 19,1 | 30,2+0,2 | 36,5 | 11,9 | 47,6 | 17,5H11 | 14 | 101,6 | | 5 т | 235,0 | 47,5 | 123,8 | 66,7 | 20,6 | 41,3+0,2 | 47,6 | 15,8 | 69,9 | 25,5H11 | 22 | 111,2 | Весоизмерительная ячейка SIWAREX R, серия SB, размеры |
Заказные данные | Заказной № | Описание | Вес (кг) | Доставка | Мин. зак. (шт) | | 7MH4105-3KC01 | SIWAREX R НАГРУЗОЧНЫЕ ЯЧЕЙКИ СЕРИИ SB - РАСЧЕТНАЯ НАГРУЗКА 500 KG - 5 M КАБЕЛЬ - MAX. 3000 МАСШТАБНЫХ ИНТЕРВАЛОВ - СДЕЛАНО ИЗ НЕРЖАВЕЮЩЕЙ СТАЛИ ДЛЯ ИСПОЛЬЗОВАНИЯ С ПРОМЫШЛЕННЫМИ ВЕСАМИ КЛАССА 3 | 2 | по запросу (D) | 1 | | 7MH4105-3KC11 | SIWAREX R НАГРУЗОЧНЫЕ ЯЧЕЙКИ СЕРИИ SB - РАСЧЕТНАЯ НАГРУЗКА 500 KG - 5 M КАБЕЛЬ - MAX. 3000 МАСШТАБНЫХ ИНТЕРВАЛОВ - СДЕЛАНО ИЗ НЕРЖАВЕЮЩЕЙ СТАЛИ - С КЛАССОМ ЗАШИТЫ EEX IB IIC T6 ДЛЯ ИСПОЛЬЗОВАНИЯ С ПРОМЫШЛЕННЫМИ ВЕСАМИ КЛАССА 3 | 2 | по запросу (D) | 1 | | 7MH4105-4AC01 | SIWAREX R НАГРУЗОЧНЫЕ ЯЧЕЙКИ СЕРИИ SB - РАСЧЕТНАЯ НАГРУЗКА 1000 KG - 5 M КАБЕЛЬ - MAX. 3000 МАСШТАБНЫХ ИНТЕРВАЛОВ - СДЕЛАНО ИЗ НЕРЖАВЕЮЩЕЙ СТАЛИ ДЛЯ ИСПОЛЬЗОВАНИЯ С ПРОМЫШЛЕННЫМИ ВЕСАМИ КЛАССА 3 | 2 | по запросу (D) | 1 | | 7MH4105-4AC11 | SIWAREX R НАГРУЗОЧНЫЕ ЯЧЕЙКИ СЕРИИ SB - РАСЧЕТНАЯ НАГРУЗКА 1000 KG - 5 M КАБЕЛЬ - MAX. 3000 МАСШТАБНЫХ ИНТЕРВАЛОВ - СДЕЛАНО ИЗ НЕРЖАВЕЮЩЕЙ СТАЛИ - С КЛАССОМ ЗАШИТЫ EEX IB IIC T6 ДЛЯ ИСПОЛЬЗОВАНИЯ С ПРОМЫШЛЕННЫМИ ВЕСАМИ КЛАССА 3 | 2 | по запросу (D) | 1 | | 7MH4105-4DC01 | SIWAREX R НАГРУЗОЧНЫЕ ЯЧЕЙКИ СЕРИИ SB - РАСЧЕТНАЯ НАГРУЗКА 2000 KG - 5 M КАБЕЛЬ - MAX. 3000 МАСШТАБНЫХ ИНТЕРВАЛОВ - СДЕЛАНО ИЗ НЕРЖАВЕЮЩЕЙ СТАЛИ ДЛЯ ИСПОЛЬЗОВАНИЯ СС ПРОМЫШЛЕННЫМИ ВЕСАМИ КЛАССА 3 | 2 | по запросу (D) | 1 | | 7MH4105-4DC11 | SIWAREX R НАГРУЗОЧНЫЕ ЯЧЕЙКИ СЕРИИ SB - РАСЧЕТНАЯ НАГРУЗКА 2000 KG - 5 M КАБЕЛЬ - MAX. 3000 МАСШТАБНЫХ ИНТЕРВАЛОВ - СДЕЛАНО ИЗ НЕРЖАВЕЮЩЕЙ СТАЛИ - С КЛАССОМ ЗАШИТЫ EEX IB IIC T6 ДЛЯ ИСПОЛЬЗОВАНИЯ С ПРОМЫШЛЕННЫМИ ВЕСАМИ КЛАССА 3 | 2 | по запросу (D) | 1 | | 7MH4105-4KC01 | SIWAREX R НАГРУЗОЧНЫЕ ЯЧЕЙКИ СЕРИИ SB - РАСЧЕТНАЯ НАГРУЗКА 5000 KG - 5 M КАБЕЛЬ - MAX. 3000 МАСШТАБНЫХ ИНТЕРВАЛОВ - СДЕЛАНО ИЗ НЕРЖАВЕЮЩЕЙ СТАЛИ ДЛЯ ИСПОЛЬЗОВАНИЯ С ПРОМЫШЛЕННЫМИ ВЕСАМИ КЛАССА 3 | 4 | по запросу (D) | 1 | | 7MH4105-4KC11 | SIWAREX R НАГРУЗОЧНЫЕ ЯЧЕЙКИ СЕРИИ SB - РАСЧЕТНАЯ НАГРУЗКА 5000 KG - 5 M КАБЕЛЬ - MAX. 3000 МАСШТАБНЫХ ИНТЕРВАЛОВ - СДЕЛАНО ИЗ НЕРЖАВЕЮЩЕЙ СТАЛИ - С КЛАССОМ ЗАШИТЫ EEX IB IIC T6 ДЛЯ ИСПОЛЬЗОВАНИЯ С ПРОМЫШЛЕННЫМИ ВЕСАМИ КЛАССА 3 | 4 | по запросу (D) | 1 | |
Аксессуары | Заказной № | Описание | Вес (кг) | Доставка | Мин. зак. (шт) | | 7MH3701-1AA1 | ЗАЗЕМЛЯЮЩИЙ КАБЕЛЬ, ДЛИНА 400 MM | 0.26 | 6 - 8 недель (C) | 1 | | 7MH4710-2AA | КОРОБКА ДЛЯ УДЛИНЕНИЯ КАБЕЛЯ 4- ИЛИ 6-ПРОВОДНОГО, ЗАЩИТА IP66, РАЗМЕРЫ 80X75X57 MM. ВНИМАНИЕ: ЕСЛИ КАБЕЛЬ ОТ ТЕНЗОДАТЧКИОВ БУДЕТ УДЛИНЕН С ПОМОЩЬЮ SIWAREX- СИГНАЛЬНОГО КАБЕЛЯ И ЕСЛИ НЕСКОЛЬКОN IN EINE M SIWAREX ANSCHLUSSKASTEN PARAL LEL GESCHALTET MUESSENN IN EINE M SIWAREX ANSCHLUSSKASTEN PARAL LEL GESCHALTET MUESSEN DIE KABE LVERSCHRAUBUNGEN M16X1.5 DURCH M20X1.5 ERSETZT WERDEN. ES WIRD PRO ANZUSCHLIESSENDE WAEGEZELLE BENOETIGT: 1XEMV-KABELVERSCHRAU BUNG M20X1.... | 0.5 | 6 - 8 недель (C) | 1 | |
|