0

Разделы

Весоизмерительные ячейки - Серия RN

Весоизмерительные ячейки - Серия RN

Весоизмерительная ячейка на базе изгибной кольцевой пружины, для эксплуатации в резервуарных, ленточных, платформенных и рольганговых весах.

Дизайн

В качестве измерительного элемента выступает изгибная кольцевая пружина из нержавеющей стали. На верхней и нижней торцевой поверхности кольца расположены по две расширительных измерительных спирали (DMSp). За счет центрически воздействующей нагрузки в направлении измерения пружина наклоняется, т.е. диаметр верхней торцевой поверхности уменьшается, а диаметр внутренней - увеличивается. При этом пружина и динамически связанные с ней DMSp эластично деформируются. При этом вырабатывается измерительное напряжение, пропорциональное нагрузке.

Весоизмерительные ячейки с номинальной нагрузкой до 13 т оснащены внутренней защитой от перегрузки.

Технические данные

Весоизмерительные ячейки SIWAREX R, серия RN

возм. области применения

резервуарные весы, ленточные, платформенные, рольганговые весы

Конструктивное исполнение

изгибная кольцевая пружина

Ном. нагрузка/макс. нагрузкаEmax.

60/130/280 кг

0,5/1/2/3,5/
5/10 т

13/28/60 т

класс точности по OIML R60

C3

C3

C3

Макс. цена деления nLC

3000

3000

3000

Мин. цена деления Vmin

E макс./17500

E макс./10000

E макс./17500

Мин. диапазон применения Rmin(LC)

17%

30%

17%

Комбинированная погрешность Fcomb

≤ ± 0,018% Cn

≤ ± 0,023% Cn

≤ ± 0,018% Cn

Переменность Fv

≤ ± 0,01% Cn

≤ ± 0,01% Cn

≤ ± 0,01% Cn

Возврат нулевого сигнала

≤ ±0,0167% Cn1)

≤ ±0,0167% Cn1)

≤ ±0,0167% Cn1)

Погрешность ползучести Fcr

     
  • 30 min

≤ ±0,0120% Cn1)

≤ ±0,0245% Cn1)

≤ ±0,0120% Cn1)

  • 20 до 30 мин.

≤ ±0,0053% Cn1)

≤ ±0,0053% Cn1)

≤ ±0,0053% Cn1)

Температурный коэффициент

     
  • Нулевой сигнал TKo

≤ ± 0,004% Cn/5K

≤ ± 0,007% Cn/5K

≤ ± 0,004% Cn/5K

  • Показатель TKc

≤ ± 0,004% Cn/5K

≤ ± 0,005% Cn/5K

≤ ± 0,004% Cn/5K

Минимальная предварительная нагрузка Emin

≥ 0% Emax.

≥ 0% Emax.

≥ 0% Emax.

Макс. рабочая нагрузка Lu

200% Emax.

150% Emax.

150% Emax.

Разрушающая нагрузка Ld

500% Emax.

300% Emax.

300% Emax.

Макс. поперечная нагрузка LIq

75% Emax.

100% Emax.

75% Emax.

Номинальный измерительный путь hn приEmax.

0,07 мм

0,1 ± 0,02 мм

0,11 - 0,2 мм

Защита от перегрузки

интегрированная

интегрированная

интегрированная при
13 т

Напряжение питания Usr
(эталонное значение)

15 В

10 В

15 В

Напряжение питания

(Диапазон)

5 ... 30 В

5 ... 30 В

5 ... 30 В

Номинальный показательCn

1 мВ/В

2 мВ/В

2 мВ/В

Допуск показателя Dc

± 0,01 мВ/В

± 0,1 мВ/В

± 0,1 мВ/В

Допуск нулевого сигналаDo

≤ ± 1,0% Cn

≤ ± 1,0% Cn

≤ ± 1,0% Cn

Входное сопротивлениеRe

1260 ± 100 Ω

1110 ± 50 Ω

13 т:
1200 ± 100 Ω

28 т:
1075 ± 100 Ω

60 т:
1350 ± 100 Ω

Выходное сопротивлениеRa

1020 ± 0,5 Ω

1025 ± 25 Ω

13 т:
1000 ± 0,5 Ω

28 т:
930 ± 0,5 Ω

60 т:
1175 ± 0,5 Ω

Сопротивление изоляцииRis

≥ 20 MΩ

≥ 5000 MΩ

≥ 20 MΩ

Номинальный диапазон температур Btn

-10 ... + 40 °C

-10 ... + 40 °C

-10 ... + 40 °C

Диапазон рабочих температур Btu

-30 ... + 85 °C

-30 ... + 70 °C

-30 ... + 85 °C

Диапазон температур хранения Bts

-50 ... + 95 °C

-50 ... + 80 °C

-50 ... + 95 °C

Материалы чувствительного элемента (DIN)

Нержавеющая сталь,
заводской номер 14542

Нержавеющая сталь,
заводской номер 14542

Нержавеющая сталь,
заводской номер 14542

Степень защиты по DIN EN 60 529; IEC 60 529

IP66/IP68

IP66/IP68

IP66/IP68

Рекомендуемый момент затяжки крепежных винтов

8 Нм

14 Нм (0,5 ... 5 т)

SC-калибровка током 2)

Стандарт

Стандарт

Стандарт

EEx(i)-сертификация (на выбор)

II 2 G EEx ib IIC T6/T4
II 3 G EEx nA / nL IIC T6/T4
II 1D / 2D / 3D T 70 °C

II 2 G EEx ib IIC T6/T4
II 3 G EEx nA / nL IIC T6/T4
II 1D / 2D / 3D T 70 °C

II 2 G EEx ib IIC T6/T4
II 3 G EEx nA / nL IIC T6/T4
II 1D / 2D / 3D T 70 °C

Кабельная разводка

 

Принцип действия

Цвет

Цвет

Цвет

  • EXC +

розовый

розовый

розовый

  • EXC -

серый

серый

серый

  • SIG +

коричневый

коричневый

коричневый

  • SIG -

белый

белый

белый

  • Экран

прозрачный
(подставка для экрана на корпусе на стадии разработки)

Экран соединен с корпусом ячейки.
Экран не выведен из соединительного кабеля.

прозрачный
(подставка для экрана на корпусе на стадии разработки)


1) Для номинальной температуры от -10 до +40 °C.

2) "Калибровка током"; номинальный показатель и выходное сопротивление согласованы таким образом, что выходной ток не выходит за пределы 0,05% от эталонного значения. Это упрощает параллельно подключение нескольких весоизмерительных ячеек.

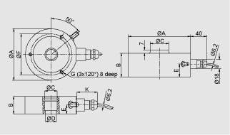
Чертеж

Номинальная нагрузка

ØA

B

ØC

ØD

E

ØF

G

макс. момент

K

60 кг, 130 кг, 280 кг

63

22

15,1

3,2

15

55,5

M5

8 Нм

34

0,5 т, 1 т

80

25

19

M10

-

70

M6

14 Нм

17,5

2 т, 3,5 т, 5 т

80

30

19

15H7

-

70

M6

14 Нм

17,5

10 т

95

35

29,1

24,9

-

-

-

-

17,5

13 т

95

35

29,1

24,9

20

-

-

-

40

28 т

120

46

35,9

-

25

-

-

-

-

60 т

140

62

47,9

 

34

-

-

-

-


Весоизмерительная ячейка SIWAREX R серии RN, размеры

Заказные данные

Заказной №ОписаниеВес (кг)ДоставкаМин. зак. (шт)
7MH5101-2QD00SIWAREX R НАГРУЗОЧНЫЕ ЯЧЕЙКИ СЕРИИ RN - РАСЧЕТНАЯ НАГРУЗКА 60 KG . - 3 M КАБЕЛЬ - MAX. 3000 МАСШТАБНЫХ ИНТЕРВАЛОВ ДЛЯ ИСПОЛЬЗОВАНИЯ С КЛАССОМ 3 КОММЕРЧЕСКОЙ ШКАЛЫ0.5по запросу (D)1
7MH5101-2QD01SIWAREX R НАГРУЗОЧНЫЕ ЯЧЕЙКИ СЕРИИ RN - РАСЧЕТНАЯ НАГРУЗКА 60 KG - 3 M КАБЕЛЬ - MAX. 3000 МАСШТАБНЫХ ИНТЕРВАЛОВ - С ВЗРЫВОЗАЩИТОЙ EEX IB IIC T6 ДЛЯ ИСПОЛЬЗОВАНИЯ С КЛАССОМ 3 КОММЕРЧЕСКОЙ ШКАЛЫ0.5по запросу (X)1
7MH5101-3DD00SIWAREX R НАГРУЗОЧНЫЕ ЯЧЕЙКИ СЕРИИ RN - РАСЧЕТНАЯ НАГРУЗКА 130 KG - 3 M КАБЕЛЬ - MAX. 3000 МАСШТАБНЫХ ИНТЕРВАЛОВ ДЛЯ ИСПОЛЬЗОВАНИЯ С КЛАССОМ 3 КОММЕРЧЕСКОЙ ШКАЛЫ0.5по запросу (D)1
7MH5101-3DD01SIWAREX R НАГРУЗОЧНЫЕ ЯЧЕЙКИ СЕРИИ RN - РАСЧЕТНАЯ НАГРУЗКА 130 KG - 3 M КАБЕЛЬ - MAX. 3000 МАСШТАБНЫХ ИНТЕРВАЛОВ - С ВЗРЫВОЗАЩИТОЙ EEX IB IIC T6 ДЛЯ ИСПОЛЬЗОВАНИЯ С КЛАССОМ 3 КОММЕРЧЕСКОЙ ШКАЛЫ0.5по запросу (X)1
7MH5101-3JD00SIWAREX R НАГРУЗОЧНЫЕ ЯЧЕЙКИ СЕРИИ RN - РАСЧЕТНАЯ НАГРУЗКА 280 KG - 3 M КАБЕЛЬ - MAX. 3000 МАСШТАБНЫХ ИНТЕРВАЛОВ ДЛЯ ИСПОЛЬЗОВАНИЯ С КЛАССОМ 3 КОММЕРЧЕСКОЙ ШКАЛЫ0.5по запросу (D)1
7MH5101-3JD01SIWAREX R НАГРУЗОЧНЫЕ ЯЧЕЙКИ СЕРИИ RN - РАСЧЕТНАЯ НАГРУЗКА 280 KG - 3 M КАБЕЛЬ - MAX. 3000 МАСШТАБНЫХ ИНТЕРВАЛОВ - С ВЗРЫВОЗАЩИТОЙ EEX IB IIC T6 ДЛЯ ИСПОЛЬЗОВАНИЯ С КЛАССОМ 3 КОММЕРЧЕСКОЙ ШКАЛЫ0.5по запросу (X)1
7MH5101-3PD00SIWAREX R НАГРУЗОЧНЫЕ ЯЧЕЙКИ СЕРИИ RN - РАСЧЕТНАЯ НАГРУЗКА 500 KG - 3 M КАБЕЛЬ - MAX. 3000 МАСШТАБНЫХ ИНТЕРВАЛОВ ДЛЯ ИСПОЛЬЗОВАНИЯ С КЛАССОМ 3 КОММЕРЧЕСКОЙ ШКАЛЫ2по запросу (D)1
7MH5101-3PD01SIWAREX R НАГРУЗОЧНЫЕ ЯЧЕЙКИ СЕРИИ RN - РАСЧЕТНАЯ НАГРУЗКА 500 KG - 3 M КАБЕЛЬ - MAX. 3000 МАСШТАБНЫХ ИНТЕРВАЛОВ - С ВЗРЫВОЗАЩИТОЙ EEX IB IIC T6 ДЛЯ ИСПОЛЬЗОВАНИЯ С КЛАССОМ 3 КОММЕРЧЕСКОЙ ШКАЛЫ2по запросу (X)1
7MH5101-4AD00SIWAREX R НАГРУЗОЧНЫЕ ЯЧЕЙКИ СЕРИИ RN - РАСЧЕТНАЯ НАГРУЗКА 1 T - 3 M КАБЕЛЬ - MAX. 3000 МАСШТАБНЫХ ИНТЕРВАЛОВ ДЛЯ ИСПОЛЬЗОВАНИЯ С КЛАССОМ 3 КОММЕРЧЕСКОЙ ШКАЛЫ0.8по запросу (D)1
7MH5101-4AD01SIWAREX R НАГРУЗОЧНЫЕ ЯЧЕЙКИ СЕРИИ RN - РАСЧЕТНАЯ НАГРУЗКА 1 T - 3 M КАБЕЛЬ - MAX. 3000 МАСШТАБНЫХ ИНТЕРВАЛОВ - С ВЗРЫВОЗАЩИТОЙ EEX IB IIC T6 ДЛЯ ИСПОЛЬЗОВАНИЯ С КЛАССОМ 3 КОММЕРЧЕСКОЙ ШКАЛЫ2по запросу (X)1
7MH5101-4GD00SIWAREX R НАГРУЗОЧНЫЕ ЯЧЕЙКИ СЕРИИ RN - РАСЧЕТНАЯ НАГРУЗКА 2 T - 5 M КАБЕЛЬ - MAX. 3000 МАСШТАБНЫХ ИНТЕРВАЛОВ ДЛЯ ИСПОЛЬЗОВАНИЯ С КЛАССОМ 3 КОММЕРЧЕСКОЙ ШКАЛЫ2по запросу (D)1
7MH5101-4GD01SIWAREX R НАГРУЗОЧНЫЕ ЯЧЕЙКИ СЕРИИ RN - РАСЧЕТНАЯ НАГРУЗКА 2 T - 5 M КАБЕЛЬ - MAX. 3000 МАСШТАБНЫХ ИНТЕРВАЛОВ - С ВЗРЫВОЗАЩИТОЙ EEX IB IIC T6 ДЛЯ ИСПОЛЬЗОВАНИЯ С КЛАССОМ 3 КОММЕРЧЕСКОЙ ШКАЛЫ2по запросу (X)1
7MH5101-4LD00SIWAREX R НАГРУЗОЧНЫЕ ЯЧЕЙКИ СЕРИИ RN - РАСЧЕТНАЯ НАГРУЗКА 3.5 T - 5 M КАБЕЛЬ - MAX. 3000 МАСШТАБНЫХ ИНТЕРВАЛОВ ДЛЯ ИСПОЛЬЗОВАНИЯ С КЛАССОМ 3 КОММЕРЧЕСКОЙ ШКАЛЫ2по запросу (D)1
7MH5101-4LD01SIWAREX R НАГРУЗОЧНЫЕ ЯЧЕЙКИ СЕРИИ RN - РАСЧЕТНАЯ НАГРУЗКА 3.5 T - 5 M КАБЕЛЬ - MAX. 3000 МАСШТАБНЫХ ИНТЕРВАЛОВ - С ВЗРЫВОЗАЩИТОЙ EEX IB IIC T6 ДЛЯ ИСПОЛЬЗОВАНИЯ С КЛАССОМ 3 КОММЕРЧЕСКОЙ ШКАЛЫ2по запросу (X)1
7MH5101-4PD00SIWAREX R НАГРУЗОЧНЫЕ ЯЧЕЙКИ СЕРИИ RN - РАСЧЕТНАЯ НАГРУЗКА 5 T - 5 M КАБЕЛЬ - MAX. 3000 МАСШТАБНЫХ ИНТЕРВАЛОВ ДЛЯ ИСПОЛЬЗОВАНИЯ С КЛАССОМ 3 КОММЕРЧЕСКОЙ ШКАЛЫ2по запросу (D)1
7MH5101-4PD01SIWAREX R НАГРУЗОЧНЫЕ ЯЧЕЙКИ СЕРИИ RN - РАСЧЕТНАЯ НАГРУЗКА 3.5 T - 5 M КАБЕЛЬ - MAX. 3000 МАСШТАБНЫХ ИНТЕРВАЛОВ - С ВЗРЫВОЗАЩИТОЙ EEX IB IIC T6 ДЛЯ ИСПОЛЬЗОВАНИЯ С КЛАССОМ 3 КОММЕРЧЕСКОЙ ШКАЛЫ2по запросу (X)1
7MH5101-5AD00SIWAREX R НАГРУЗОЧНЫЕ ЯЧЕЙКИ СЕРИИ RN - РАСЧЕТНАЯ НАГРУЗКА 10 T - 5 M КАБЕЛЬ - MAX. 3000 МАСШТАБНЫХ ИНТЕРВАЛОВ ДЛЯ ИСПОЛЬЗОВАНИЯ С КЛАССОМ 3 КОММЕРЧЕСКОЙ ШКАЛЫ2по запросу (D)1
7MH5101-5AD01SIWAREX R НАГРУЗОЧНЫЕ ЯЧЕЙКИ СЕРИИ RN - РАСЧЕТНАЯ НАГРУЗКА 10 T - 5 M КАБЕЛЬ - MAX. 3000 МАСШТАБНЫХ ИНТЕРВАЛОВ - С ВЗРЫВОЗАЩИТОЙ EEX IB IIC T6 ДЛЯ ИСПОЛЬЗОВАНИЯ С КЛАССОМ 3 КОММЕРЧЕСКОЙ ШКАЛЫ2по запросу (X)1
7MH5101-5DD00SIWAREX R НАГРУЗОЧНЫЕ ЯЧЕЙКИ СЕРИИ RN - РАСЧЕТНАЯ НАГРУЗКА 13 T - 10 M КАБЕЛЬ - MAX. 3000 МАСШТАБНЫХ ИНТЕРВАЛОВ ДЛЯ ИСПОЛЬЗОВАНИЯ С КЛАССОМ 3 КОММЕРЧЕСКОЙ ШКАЛЫ2по запросу (D)1
7MH5101-5DD01SIWAREX R НАГРУЗОЧНЫЕ ЯЧЕЙКИ СЕРИИ RN - РАСЧЕТНАЯ НАГРУЗКА 13 T - 10 M КАБЕЛЬ - MAX. 3000 МАСШТАБНЫХ ИНТЕРВАЛОВ - С ВЗРЫВОЗАЩИТОЙ EEX IB IIC T6 ДЛЯ ИСПОЛЬЗОВАНИЯ С КЛАССОМ 3 КОММЕРЧЕСКОЙ ШКАЛЫ2по запросу (X)1
7MH5101-5JD00SIWAREX R НАГРУЗОЧНЫЕ ЯЧЕЙКИ СЕРИИ RN - РАСЧЕТНАЯ НАГРУЗКА 28 T - 10 M КАБЕЛЬ - MAX. 3000 МАСШТАБНЫХ ИНТЕРВАЛОВ ДЛЯ ИСПОЛЬЗОВАНИЯ С КЛАССОМ 3 КОММЕРЧЕСКОЙ ШКАЛЫ4по запросу (D)1
7MH5101-5JD01SIWAREX R НАГРУЗОЧНЫЕ ЯЧЕЙКИ СЕРИИ RN - РАСЧЕТНАЯ НАГРУЗКА 28 T - 10 M КАБЕЛЬ - MAX. 3000 МАСШТАБНЫХ ИНТЕРВАЛОВ - С ВЗРЫВОЗАЩИТОЙ EEX IB IIC T6 ДЛЯ ИСПОЛЬЗОВАНИЯ С КЛАССОМ 3 КОММЕРЧЕСКОЙ ШКАЛЫ4по запросу (X)1
7MH5101-5QD00SIWAREX R НАГРУЗОЧНЫЕ ЯЧЕЙКИ СЕРИИ RN - РАСЧЕТНАЯ НАГРУЗКА 60 T - 15 M КАБЕЛЬ - MAX. 3000 МАСШТАБНЫХ ИНТЕРВАЛОВ ДЛЯ ИСПОЛЬЗОВАНИЯ С КЛАССОМ 3 КОММЕРЧЕСКОЙ ШКАЛЫ6.6по запросу (D)1
7MH5101-5QD01SIWAREX R НАГРУЗОЧНЫЕ ЯЧЕЙКИ СЕРИИ RN - РАСЧЕТНАЯ НАГРУЗКА 60 T - 15 M КАБЕЛЬ - MAX. 3000 МАСШТАБНЫХ ИНТЕРВАЛОВ - С ВЗРЫВОЗАЩИТОЙ EEX IB IIC T6 ДЛЯ ИСПОЛЬЗОВАНИЯ С КЛАССОМ 3 КОММЕРЧЕСКОЙ ШКАЛЫ6.6по запросу (X)1

Аксессуары

Заказной №ОписаниеВес (кг)ДоставкаМин. зак. (шт)
7MH3701-1AA1ЗАЗЕМЛЯЮЩИЙ КАБЕЛЬ, ДЛИНА 400 MM0.266 - 8 недель (C)1
7MH4710-2AAКОРОБКА ДЛЯ УДЛИНЕНИЯ КАБЕЛЯ 4- ИЛИ 6-ПРОВОДНОГО, ЗАЩИТА IP66, РАЗМЕРЫ 80X75X57 MM. ВНИМАНИЕ: ЕСЛИ КАБЕЛЬ ОТ ТЕНЗОДАТЧКИОВ БУДЕТ УДЛИНЕН С ПОМОЩЬЮ SIWAREX- СИГНАЛЬНОГО КАБЕЛЯ И ЕСЛИ НЕСКОЛЬКОN IN EINE M SIWAREX ANSCHLUSSKASTEN PARAL LEL GESCHALTET MUESSENN IN EINE M SIWAREX ANSCHLUSSKASTEN PARAL LEL GESCHALTET MUESSEN DIE KABE LVERSCHRAUBUNGEN M16X1.5 DURCH M20X1.5 ERSETZT WERDEN. ES WIRD PRO ANZUSCHLIESSENDE WAEGEZELLE BENOETIGT: 1XEMV-KABELVERSCHRAU BUNG M20X1....0.56 - 8 недель (C)1