
Весоизмерительная ячейка, действующая на усилие сжатия, для эксплуатации в резервуарных, бункерных и автомобильных весах. |
ДизайнВ качестве измерительных элементов используются четыре квадратных стойки из нержавеющей стали, на которых закреплены по четыре расширяющихся измерительных полоски (DMS). За счет центрического воздействия нагрузки в измерительном направлении пружинное тело и связанные с ним DMS эластично деформируются. При этом вырабатывается измерительное напряжение, пропорциональное нагрузке. |
Технические данные Весоизмерительные ячейки SIWAREX R, серия CC возм. области применения: Резервуарные, бункерные, автомобильные весы | Конструктивное исполнение | Сила сжатия | Сила сжатия | | Ном. нагрузка/макс. нагрузкаEmax. | 10/25/40/60 т | 100 т | | класс точности по OIML R60 | C3 | C1 | | Макс. цена деления nLC | 3000 | 1000 | | Мин. цена деления Vmin | E макс./12500 | E макс./10000 | | Мин. диапазон применения Rmin(LC) | 24% | 10% | | Комбинированная погрешность Fcomb | ≤ ± 0,02% Cn | ≤ ± 0,03% Cn | | Переменность Fv | ≤ ± 0,01% Cn | ≤ ± 0,02% Cn | | Возврат нулевого сигнала | ≤ ± 0,0167% Cn1) | ≤ ± 0,05% Cn1) | | Погрешность ползучести Fcr | | | | | ≤ ± 0,0245% Cn1) | ≤ ± 0,049% Cn1) | | | ≤ ± 0,0053% Cn1) | ≤ ± 0,0105% Cn1) | | Температурный коэффициент | | | | | ≤ ± 0,0056% Cn/5 K | ≤ ± 0,007% Cn/5 K | | | ≤ ± 0,0045% Cn/5 K | ≤ ± 0,0085% Cn/5 K | | Минимальная предварительная нагрузка Emin | ≥ 0% Emax. | ≥ 0% Emax. | | Макс. рабочая нагрузка Lu | 150% Emax. | 150% Emax. | | Разрушающая нагрузка Ld | 400% Emax. | 400% Emax. | | Макс. поперечная нагрузка LIq | 10% Emax. | 10% Emax. | | Номинальный измерительный путь hn приEmax. | макс. 0,36 мм | макс. 0,36 мм | | Напряжение питания Usr (эталонное значение) | 10 В | 10 В | | Напряжение питания (диапазон) | 5 ... 25 В | 5 ... 25 В | | Номинальный показательCn | 2 мВ/В | 2 мВ/В | | Допуск показателя Dc | ± 1% | ± 1% | | Допуск нулевого сигналаDo | ≤ ± 1,0% Cn | ≤ ± 1,0% Cn | | Входное сопротивлениеRe | 450 Ω ± 4,5 Ω | 450 Ω ± 4,5 Ω | | Выходное сопротивлениеRa | 480 Ω ± 4,8 Ω | 480 Ω ± 4,8 Ω | | Сопротивление изоляцииRis | ≥ 5000 MΩ | ≥ 5000 MΩ | | Номинальный диапазон температур Btn | -10 ... + 40 °C | -10 ... + 40 °C | | Диапазон рабочих температур Btu | -40 ... + 80 °C | -40 ... + 80 °C | | Диапазон температур хранения Bts | -40 ... + 90 °C | -40 ... + 90 °C | | Материалы чувствительного элемента (DIN) | Нержавеющая сталь, заводской номер 1.4542 | Нержавеющая сталь, заводской номер 1.4542 | | Степень защиты по DIN EN 60 529; IEC 60 529 | IP66/IP68 | IP66/IP68 | | SC-калибровка током 2) | Стандарт | Стандарт | | Eex(i)-сертификация (на выбор) | II 2 G EEx ib IIC T6/T4 II 3 G EEx nA / nL IIC T6/T4 II 1D / 2D / 3D T 70 °C | II 2 G EEx ib IIC T6/T4 II 3 G EEx nA / nL IIC T6/T4 II 1D / 2D / 3D T 70 °C | | Кабельная разводка | | | Принцип действия | Цвет | | | | | | | - SIG + (измерительный сигнал +)
| | - SIG - (измерительный сигнал -)
| | - Экран (подставка для экрана на корпусе на стадии разработки)
| | 1) Для номинальной температуры от -10 до +40 °C. 2) "Калибровка током"; номинальный показатель и выходное сопротивление согласованы таким образом, что выходной ток не выходит за пределы 0,05% от эталонного значения. Это упрощает параллельно подключение нескольких весоизмерительных ячеек. |
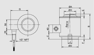
Чертеж | Номинальная нагрузка | ØA | B | C | ØD | E | F | G | ØH | J | R шарика | | 10 т, 25 т | 73,0 | 82,5 | 12,0 | 58,0 | 6,5 | 1,8 | 64,0 | 31,8 | M12x1,75 глубина 11 | 152 | | 40 т, 60 т | 105,0 | 127,0 | 34,0 | 82,5 | 8,0 | 11,0 | 87,5 | 58,7 | M20x2,5 глубина 20 | 152 | | 100 т | 152,4 | 184,2 | 72,3 | 123,8 | 23,6 | 21,8 | 108,2 | 79,2 | M20x2,5 глубина 20 | 432 | Весоизмерительная ячейка SIWAREX R, серия CC, размеры |
Заказные данные | Заказной № | Описание | Вес (кг) | Доставка | Мин. зак. (шт) | | 7MH4106-5AC01 | SIWAREX R НАГРУЗОЧНЫЕ ЯЧЕЙКИ СЕРИИ CC - РАСЧЕТНАЯ НАГРУЗКА 10 T - 10 M КАБЕЛЬ - MAX. 3000 МАСШТАБНЫХ ИНТЕРВАЛОВ - СДЕЛАНО ИЗ НЕРЖАВЕЮЩЕЙ СТАЛИ ДЛЯ ИСПОЛЬЗОВАНИЯ С ПРОМЫШЛЕННЫМИ ВЕСАМИ КЛАССА 3 | 3 | по запросу (D) | 1 | | 7MH4106-5AC11 | SIWAREX R НАГРУЗОЧНЫЕ ЯЧЕЙКИ СЕРИИ CC - РАСЧЕТНАЯ НАГРУЗКА 10 T - 10 M КАБЕЛЬ - MAX. 3000 МАСШТАБНЫХ ИНТЕРВАЛОВ - СДЕЛАНО ИЗ НЕРЖАВЕЮЩЕЙ СТАЛИ - С КЛАССОМ ЗАШИТЫ EEX IB IIC T6 ДЛЯ ИСПОЛЬЗОВАНИЯ С ПРОМЫШЛЕННЫМИ ВЕСАМИ КЛАССА 3 | 3 | по запросу (D) | 1 | | 7MH4106-5EC01 | SIWAREX R НАГРУЗОЧНЫЕ ЯЧЕЙКИ СЕРИИ CC - РАСЧЕТНАЯ НАГРУЗКА 25 T - 20 M КАБЕЛЬ - MAX. 3000 МАСШТАБНЫХ ИНТЕРВАЛОВ - СДЕЛАНО ИЗ НЕРЖАВЕЮЩЕЙ СТАЛИ ДЛЯ ИСПОЛЬЗОВАНИЯ С ПРОМЫШЛЕННЫМИ ВЕСАМИ КЛАССА 3 | 3 | по запросу (D) | 1 | | 7MH4106-5EC11 | SIWAREX R НАГРУЗОЧНЫЕ ЯЧЕЙКИ СЕРИИ CC - РАСЧЕТНАЯ НАГРУЗКА 25 T - 20 M КАБЕЛЬ - MAX. 3000 МАСШТАБНЫХ ИНТЕРВАЛОВ - СДЕЛАНО ИЗ НЕРЖАВЕЮЩЕЙ СТАЛИ - С КЛАССОМ ЗАШИТЫ EEX IB IIC T6 ДЛЯ ИСПОЛЬЗОВАНИЯ С ПРОМЫШЛЕННЫМИ ВЕСАМИ КЛАССА 3 | 3 | по запросу (D) | 1 | | 7MH4106-5HC01 | SIWAREX R НАГРУЗОЧНЫЕ ЯЧЕЙКИ СЕРИИ CC - РАСЧЕТНАЯ НАГРУЗКА 40 T - 20 M КАБЕЛЬ - MAX. 3000 МАСШТАБНЫХ ИНТЕРВАЛОВ - СДЕЛАНО ИЗ НЕРЖАВЕЮЩЕЙ СТАЛИ ДЛЯ ИСПОЛЬЗОВАНИЯ С ПРОМЫШЛЕННЫМИ ВЕСАМИ КЛАССА 3 | 7 | по запросу (D) | 1 | | 7MH4106-5HC11 | SIWAREX R НАГРУЗОЧНЫЕ ЯЧЕЙКИ СЕРИИ CC - РАСЧЕТНАЯ НАГРУЗКА 40 T - 20 M КАБЕЛЬ - MAX. 3000 МАСШТАБНЫХ ИНТЕРВАЛОВ - СДЕЛАНО ИЗ НЕРЖАВЕЮЩЕЙ СТАЛИ - С КЛАССОМ ЗАШИТЫ EEX IB IIC T6 ДЛЯ ИСПОЛЬЗОВАНИЯ С ПРОМЫШЛЕННЫМИ ВЕСАМИ КЛАССА 3 | 7 | по запросу (D) | 1 | | 7MH4106-5LC01 | SIWAREX R НАГРУЗОЧНЫЕ ЯЧЕЙКИ СЕРИИ CC - РАСЧЕТНАЯ НАГРУЗКА 60 T - 20 M КАБЕЛЬ - MAX. 3000 МАСШТАБНЫХ ИНТЕРВАЛОВ - СДЕЛАНО ИЗ НЕРЖАВЕЮЩЕЙ СТАЛИ ДЛЯ ИСПОЛЬЗОВАНИЯ С ПРОМЫШЛЕННЫМИ ВЕСАМИ КЛАССА 3 | 7 | по запросу (D) | 1 | | 7MH4106-5LC11 | SIWAREX R НАГРУЗОЧНЫЕ ЯЧЕЙКИ СЕРИИ CC - РАСЧЕТНАЯ НАГРУЗКА 60 T - 20 M КАБЕЛЬ - MAX. 3000 МАСШТАБНЫХ ИНТЕРВАЛОВ - СДЕЛАНО ИЗ НЕРЖАВЕЮЩЕЙ СТАЛИ - С КЛАССОМ ЗАШИТЫ EEX IB IIC T6 ДЛЯ ИСПОЛЬЗОВАНИЯ С ПРОМЫШЛЕННЫМИ ВЕСАМИ КЛАССА 3 | 7 | по запросу (D) | 1 | | 7MH4106-6AA01 | SIWAREX R НАГРУЗОЧНЫЕ ЯЧЕЙКИ СЕРИИ CC - РАСЧЕТНАЯ НАГРУЗКА 100 T - 20 M КАБЕЛЬ - СДЕЛАНО ИЗ НЕРЖАВЕЮЩЕЙ СТАЛИ ДЛЯ ИСПОЛЬЗОВАНИЯ С ПРОМЫШЛЕННЫМИ ВЕСАМИ КЛАССА 3 | 10 | по запросу (D) | 1 | | 7MH4106-6AA11 | SIWAREX R НАГРУЗОЧНЫЕ ЯЧЕЙКИ СЕРИИ CC - РАСЧЕТНАЯ НАГРУЗКА 100 T - 20 M КАБЕЛЬ - СДЕЛАНО ИЗ НЕРЖАВЕЮЩЕЙ СТАЛИ - С КЛАССОМ ЗАШИТЫ EEX IB IIC T6 ДЛЯ ИСПОЛЬЗОВАНИЯ С ПРОМЫШЛЕННЫМИ ВЕСАМИ КЛАССА 3 | 10 | по запросу (D) | 1 | |
Аксессуары | Заказной № | Описание | Вес (кг) | Доставка | Мин. зак. (шт) | | 7MH3701-1AA1 | ЗАЗЕМЛЯЮЩИЙ КАБЕЛЬ, ДЛИНА 400 MM | 0.26 | 6 - 8 недель (C) | 1 | | 7MH4710-2AA | КОРОБКА ДЛЯ УДЛИНЕНИЯ КАБЕЛЯ 4- ИЛИ 6-ПРОВОДНОГО, ЗАЩИТА IP66, РАЗМЕРЫ 80X75X57 MM. ВНИМАНИЕ: ЕСЛИ КАБЕЛЬ ОТ ТЕНЗОДАТЧКИОВ БУДЕТ УДЛИНЕН С ПОМОЩЬЮ SIWAREX- СИГНАЛЬНОГО КАБЕЛЯ И ЕСЛИ НЕСКОЛЬКОN IN EINE M SIWAREX ANSCHLUSSKASTEN PARAL LEL GESCHALTET MUESSENN IN EINE M SIWAREX ANSCHLUSSKASTEN PARAL LEL GESCHALTET MUESSEN DIE KABE LVERSCHRAUBUNGEN M16X1.5 DURCH M20X1.5 ERSETZT WERDEN. ES WIRD PRO ANZUSCHLIESSENDE WAEGEZELLE BENOETIGT: 1XEMV-KABELVERSCHRAU BUNG M20X1.... | 0.5 | 6 - 8 недель (C) | 1 | |
|