0

Разделы

Скачать Заказные данные 
Весоизмерительные ячейки

Весоизмерительные ячейки подходят для небольших платформенных весов с одной нагрузочной ячейкой (макс. размер платформы 600 x 600 мм) а также для использования в взвешивающих механизмах средней точности в соответствии с Class III с макс. ценой деления nmax = 3000 d.

 


Дизайн

Скачать Заказные данные 
Весоизмерительные ячейки

Измерительный элемент встроен герметически и его выходной сигнал откалиброван.

 


Технические данные

Скачать Заказные данные 
Весоизмерительные ячейки

SIWAREX WL260 SP-S AB

 

Возм. области применения

Подвесные путевые весы и платформенные весы

Конструктивное исполнение

Весоизмерительная ячейка

Ном. нагрузка/макс. нагрузка Emax.

50, 100, 200, 500 кг

Класс точности по OIML R60

C3

Макс. цена деления nlc

3 000

Мин. цена деления Vмин

E макс/10 000

Комбинированная погрешность Fcomb

± 0.02 % Cn

Переменность Fv

± 0.017 % Cn

Погрешность ползучести Fcr

 

  • 30 мин

± 0.02 % Cn

Температурный коэффициент

 

  • Нулевой сигналTKo

0.017 % Cn/5 K

  •  Показатель TKc

0.014 % Cn/5 K

Минимальная предварительная нагрузка E мин

0 кг

Макс. рабочая нагрузка Lu

150 % Eмакс

Разрушающая нагрузка Ld

300 % Eмакс

Макс. поперечная нагрузка LIq

0.01 % Eмакс

Номинальный измерительный путь hn при Eмакс

< 1.22 мм

Напряжение питания (диапазон)

5 ... 12 В пост. тока

Номинальный показатель Cn

2.0 ± 0.2 мВ/В

Допуск нулевого сигнала D0

< ± 2 % Cn

Входное сопротивление Re

409 Ω ± 6 Ω

Выходное сопротивление Ra

350 Ω ± 3 Ω

Сопротивление изоляции Ris

5 000 MΩ at 50 V DC

Номинальный диапазон температур Btn

-10 ... +40 °C

Диапазон рабочих температур Btu

-35 ... +65 °C

Диапазон температур хранения Bts

-35 ... +65 °C

Материалы чувствительного элемента (DIN)

Алюминий

Степень защиты в соответствии с  EN 60529

IP65

Рекомендуемый момент затяжки крепежных винтов

35 ... 40 Нм

Кабельная разводка

 

Принцип действия

Цвет

  • EXC + (питание +)
  • Красный
  • EXC – (питание -)
  • Черный
  • SIG + (измерительный сигнал +)
  • Зеленый
  • SIG – (измерительный сигнал -)
  • Белый
  • Sense + (сигнал датчика +)
  • Голубой
  • Sense - (сигнал датчика -)
  • Коричневый
  • Экран
  • Прозрачный

 

 


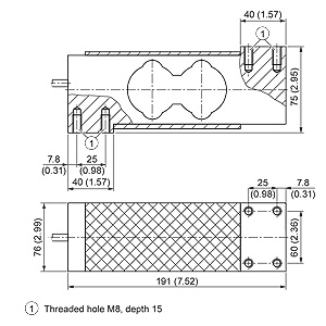
Чертеж

Скачать Заказные данные 
Весоизмерительные ячейки

Весоизмерительные ячейки SIWAREX WL 260 SP-S AB

 


Заказные данные

Скачать Заказные данные 

Цена на сайте указана розничная в ЕВРО без учета НДС.Для уточнения цены и размера предоставляемой скидки - звоните или присылайте заявки

Заказной номерPGОписание продуктаЦена
7MH5103-2PD00801SIWAREX WL 260 LOAD CELL SP-S AB 50KG C3 - RATED LOAD 50KG - ACCURACY CLASS C3 - 3M CABLE LENGTH, 6 CONDUCTOR - MATERIAL ALUMINIUM - DEGREE OF PROTECTION IP65 288.32
7MH5103-2SD00801SIWAREX WL 260 LOAD CELL SP-S AB 75KG C3 - RATED LOAD 75KG - ACCURACY CLASS C3 - 3M CABLE LENGTH, 6 CONDUCTOR - MATERIAL ALUMINIUM - DEGREE OF PROTECTION IP65 288.32
7MH5103-3AD00801SIWAREX WL 260 LOAD CELL SP-S AB 100KG C3 - RATED LOAD 100KG - ACCURACY CLASS C3 - 3M CABLE LENGTH, 6 CONDUCTOR - MATERIAL ALUMINIUM - DEGREE OF PROTECTION IP65 288.32
7MH5103-3ED00801SIWAREX WL 260 LOAD CELL SP-S AB 150KG C3 - RATED LOAD 150KG - ACCURACY CLASS C3 - 3M CABLE LENGTH, 6 CONDUCTOR - MATERIAL ALUMINIUM - DEGREE OF PROTECTION IP65 283.02
7MH5103-3GD00801SIWAREX WL 260 LOAD CELL SP-S AB 200KG C3 - RATED LOAD 200KG - ACCURACY CLASS C3 - 3M CABLE LENGTH, 6 CONDUCTOR - MATERIAL ALUMINIUM - DEGREE OF PROTECTION IP65 288.32
7MH5103-3PD00801SIWAREX WL 260 LOAD CELL SP-S AB 500KG C3 - RATED LOAD 500KG - ACCURACY CLASS C3 - 3M CABLE LENGTH, 6 CONDUCTOR - MATERIAL ALUMINIUM - DEGREE OF PROTECTION IP65 288.32