0

Разделы

Скачать Заказные данные 
Весоизмерительные ячейки

Весоизмерительная ячейка на базе изгибного стержня, для эксплуатации в небольших резервуарных и платформенных весах.

 


Дизайн

Скачать Заказные данные 
Весоизмерительные ячейки

Измерительный элемент представляет собой двойную изгибную полосу из нержавеющей стали, на которой расположены 4 расширительных измерительных полоски (DMS). DMS установлены таким образом, что две из них работают на растяжение, а две других - на сплющивание. За счет воздействия нагрузки в измерительном направлении пружинное тело и связанные с ним DMS эластично деформируются. При этом вырабатывается измерительное напряжение, пропорциональное нагрузке.

 


Технические данные

Скачать Заказные данные 
Весоизмерительные ячейки

SIWAREX WL 230 BB-S SA

Возм. области применения

Резервуарные весы, ленточные и платформенные весы

Конструктивное исполнение

Изгибный стержень

Ном. нагрузка/макс. нагрузка Eмакс.

10, 20, 50, 100, 200, 500 кг

Класс точности по OIML R60

C3

Макс. цена деления nLC

3 000

Мин. цена деления Vмин

 

  • E макс = 101), 20, 50,100 кг

E макс/15 000

  • E макс = 200, 500 кг

E макс/6000

Мин. диапазон применения Rмин(LC)

 

  • E макс = 10, 20, 50,100 кг

30 %

  • E макс = 200, 500 кг

50 %

Комбинированная погрешность Fcomb

≤ 0.02 % Cn

Переменность Fv

≤ 0.017 % Cn

Возврат нулевого сигнала

не применяется

Погрешность ползучести Fcr

 

  • 30 мин

≤ ± 0.02 % Cn

Температурный коэффицент

 

  • • Нулевой сигнал TKo

≤ ± 0.017 % Cn/5 K

  • • Показатель TKc

≤ ± 0.014 % Cn/5 K

Минимальная предварительная нагрузка Eмин

0 % Eмакс.

Макс. рабочая нагрузка Lu

150 % Eмакс.

Разрушающая нагрузка Ld

300 % Eмакс.

Макс. поперечная нагрузка LIq

0.01 % Eмакс.

Номинальный измерительный путь hn при Eмакс.

0.3 мм

Напряжение питания (диапазон)

5 ... 10 В пост. тока

Номинальный показатель Cn

2.0 ± 0.02 % мВ/В

Допуск нулевого сигнала D о

< ± 1.0 % Cn

Входное сопротивление Re

460 Ω ± 50 Ω

Выходное сопротивление Ra

350 Ω ± 3.5 Ω

Сопротивление изоляции Ris

5 000 MΩ при 50 V DC

Номинальный диапазон температур Btn

-10 ... +40 °C

Диапазон рабочих температур Btu

-35 ... +65 °C

Диапазон температур хранения Bts

-35 ... +65 °C

Материалы чувствительного элемента (DIN)

Нержавеющая сталь

 Степень защиты по DIN EN 60 529; IEC 60 529

IP68

Макс. момент затяжки крепежных винтов

 

  • E макс = 10, 20, 50, 100, 200 кг

23 Нм

  • E макс = 500 кг

70 Нм

SC-калибровка током

Стандарт

Кабельная разводка

 

Принцип действия

Цвет

  • EXC + (питание +)
  • Зеленый 
  • EXC - (питание -)
  • Черный
  • SIG + (измерительный сигнал +)
  • Белый
  • SIG - (измерительный сигнал -)
  • Красный
  • Экран
  • Прозрачный

 


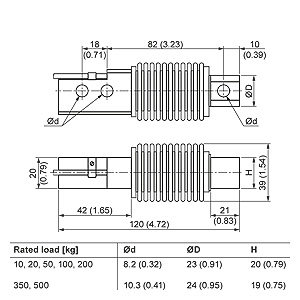
Чертеж

Скачать Заказные данные 
Весоизмерительные ячейки

Номинальная нагрузка в кг

d [мм]

D [мм]

H [мм]

10, 20, 50, 100, 200

8.2

23

20

500

10.3

24

19

Весоизмерительная ячейка SIWAREXWL 230 BB-S SA, размеры

 


Заказные данные

Скачать Заказные данные 

Цена на сайте указана розничная в ЕВРО без учета НДС.Для уточнения цены и размера предоставляемой скидки - звоните или присылайте заявки

Заказной номерPGОписание продуктаЦена
7MH5106-2AD00801SIWAREX WL 230 LOAD CELL BB-S SA 10KG C3 - RATED LOAD 10KG - ACCURACY CLASS C3 - 3M CABLE LENGTH, 4 CONDUCTOR - MATERIAL STAINLESS STEEL - DEGREE OF PROTECTION IP68 250.16
7MH5106-2AD01801SIWAREX WL 230 LOAD CELL BB-S SA 10KG C3 EX - RATED LOAD 10KG - ACCURACY CLASS C3 - 3M CABLE LENGTH, 4 CONDUCTOR - MATERIAL STAINLESS STEEL - DEGREE OF PROTECTION IP68 - WITH EXPLOSION PROTECTION II 1 G EX IA IIC T4 II 1 D EX IAD 20 T73 DEGREES II 3G EX NL IIC T4 304.22
7MH5106-2GD00801SIWAREX WL 230 LOAD CELL BB-S SA 20KG C3 - RATED LOAD 20KG - ACCURACY CLASS C3 - 3M CABLE LENGTH, 4 CONDUCTOR - MATERIAL STAINLESS STEEL - DEGREE OF PROTECTION IP68 250.16
7MH5106-2GD01801SIWAREX WL 230 LOAD CELL BB-S SA 20KG C3 EX - RATED LOAD 20KG - ACCURACY CLASS C3 - 3M CABLE LENGTH, 4 CONDUCTOR - MATERIAL STAINLESS STEEL - DEGREE OF PROTECTION IP68 - WITH EXPLOSION PROTECTION II 1 G EX IA IIC T4 II 1 D EX IAD 20 T73 DEGREES II 3G EX NL IIC T4 304.22
7MH5106-2PD00801SIWAREX WL 230 LOAD CELL BB-S SA 50KG C3 - RATED LOAD 50KG - ACCURACY CLASS C3 - 3M CABLE LENGTH, 4 CONDUCTOR - MATERIAL STAINLESS STEEL - DEGREE OF PROTECTION IP68 250.16
7MH5106-2PD01801SIWAREX WL 230 LOAD CELL BB-S SA 50KG C3 EX - RATED LOAD 50KG - ACCURACY CLASS C3 - 3M CABLE LENGTH, 4 CONDUCTOR - MATERIAL STAINLESS STEEL - DEGREE OF PROTECTION IP68 - WITH EXPLOSION PROTECTION II 1 G EX IA IIC T4 II 1 D EX IAD 20 T73 DEGREES II 3G EX NL IIC T4 304.22
7MH5106-3AD00801SIWAREX WL 230 LOAD CELL BB-S SA 100KG C3 - RATED LOAD 100KG - ACCURACY CLASS C3 - 3M CABLE LENGTH, 4 CONDUCTOR - MATERIAL STAINLESS STEEL - DEGREE OF PROTECTION IP68 250.16
7MH5106-3AD01801SIWAREX WL 230 LOAD CELL BB-S SA 100KG C3 EX - RATED LOAD 100KG - ACCURACY CLASS C3 - 3M CABLE LENGTH, 4 CONDUCTOR - MATERIAL STAINLESS STEEL - DEGREE OF PROTECTION IP68 - WITH EXPLOSION PROTECTION II 1 G EX IA IIC T4 II 1 D EX IAD 20 T73 DEGREES II 3G EX NL IIC T4 304.22
7MH5106-3GD00801SIWAREX WL 230 LOAD CELL BB-S SA 200KG C3 - RATED LOAD 200KG - ACCURACY CLASS C3 - 3M CABLE LENGTH, 4 CONDUCTOR - MATERIAL STAINLESS STEEL - DEGREE OF PROTECTION IP68 250.16
7MH5106-3GD01801SIWAREX WL 230 LOAD CELL BB-S SA 200KG C3 EX - RATED LOAD 200KG - ACCURACY CLASS C3 - 3M CABLE LENGTH, 4 CONDUCTOR - MATERIAL STAINLESS STEEL - DEGREE OF PROTECTION IP68 - WITH EXPLOSION PROTECTION II 1 G EX IA IIC T4 II 1 D EX IAD 20 T73 DEGREES II 3G EX NL IIC T4 304.22
7MH5106-3PD00801SIWAREX WL 230 LOAD CELL BB-S SA 500KG C3 - RATED LOAD 500KG - ACCURACY CLASS C3 - 3M CABLE LENGTH, 4 CONDUCTOR - MATERIAL STAINLESS STEEL - DEGREE OF PROTECTION IP68 269.24
7MH5106-3PD01801SIWAREX WL 230 LOAD CELL BB-S SA 500KG C3 EX - RATED LOAD 500KG - ACCURACY CLASS C3 - 3M CABLE LENGTH, 4 CONDUCTOR - MATERIAL STAINLESS STEEL - DEGREE OF PROTECTION IP68 - WITH EXPLOSION PROTECTION II 1 G EX IA IIC T4 II 1 D EX IAD 20 T73 DEGREES II 3G EX NL IIC T4 312.70